目 录
工程概况 1
工程概况 1
工程地质及水文条件 1
基坑支护方案设计 2
设计依据 2
基坑支护方案的设计 2
施工总体布署 4
施工程序(各工序的综合协调) 4
基础施工阶段的施工流程 4
施工部署 4
基坑支护工艺流程 6
土钉墙护坡工程施工 6
土方挖运工程 8
土方挖运工艺流程 8
设备能力分析 9
现场准备 9
质量保证措施 9
组织保证体系 9
质量管理程序 10
各分项工程质量标准 10
各分项工程质量保证措施 11
基坑监测方案 11
质量问题的处理 12
技术资料 12
安全生产与文明施工 12
安全组织机构 12
安全生产措施 12
文明施工措施 13
文物保护 13
雨期施工措施 14
土钉墙支护计算书 14
一、参数信息: 15
二、土钉(含锚杆)抗拉承载力的计算: 16
三、土钉墙整体稳定性的计算: 17
四、抗滑动及抗倾覆稳定性验算 20
上海万科燕南园项目位于闵行区梅陇镇景联路南筹建68号地块,由上海万科房地产有限公司开发,上海民鸿建筑设计事务所设计,上海天佑工程咨询有限公司监理,上海家树建筑工程有限公司总承包。本施工方案涉及到的73#、74#、79#、80#工程基础采用筏板基础,带一层地下室,砼等级为C30、S6抗渗混凝土。单体相对标高±0.00相当于绝对标高5.300。地下室基底标高为-2.6~-3.8不等。
(1) 工程地质条件
本项目73#、74#、79#、80#楼所在区域地形较为平坦,场地整平后平均绝对标高约4.90米。沿所在建筑物8左右范围内有一引水渠,故地下水位较高。
根据地质勘查报告,建筑物所在地域表层为①1层底标高为3.24m的人工填土,①2层底标高为1.24m的暗浜填土,②1层底标高为2.23m的可塑性褐黄色粘土,②2层底标高为1.29m的软塑性灰黄色粘土,③层底标高为-1.95m的流塑性灰色淤泥质粉质粘土,④1层底标高为-7.51m的流塑性灰色淤泥质粘土,④2-1层底标高为-11.08m的中密灰色砂质粉土夹粉质粘土,④2-a层底标高为-12.53m的流塑性灰色粉质粘土,④2-2层底标高为-14.48m的中密性灰色砂质粉土夹粉质粘土,⑤1层底标高为-20.10m的软塑性灰色粉质粘土,⑤2层底标高为-24.83m的稍密灰色砂质粉土夹粉质粘土,⑥层底标高为-24.62m的可塑性暗绿~草黄色粘土。
(2) 工程地下情况
鉴于对已开挖的相邻工程土方情况推测,本项目73#、74#、79#、80#楼所在地下情况颇为复杂,其内有多条明、暗浜分布,浜深有可能达到近3.4m左右,其上部多为素填土,底部局部为黑色淤泥质粘土,含有机质及腐植物等,土质较差。同时这几个栋号均临近引水渠,地下水位相对于其他栋号可能偏高,无疑增加了土方开挖的难度,如不采取相应的施工措施,将有土方塌方的可能性发生。
(1) 本工程《岩土工程勘察报告》及设计图纸;
(2) 《建筑基坑支护技术规程》(JGJ120-99) ;
(3) 《建筑地基与基础设计规范》(GBJ7-89);
(4) 《混凝土结构设计规范》 (GBJ7-89);
(5) 《建筑施工计算手册》中国建筑工业出版社出版;
(6) 《实用土木工程手册》第三版人民教同出版社出版;
(7) 《地基与基础》第三版中国建筑工业出版社出版;
(8) 《土力学》等相关文献进行编制;
(一) 护坡形式
根据地质勘察报告,基坑土质表面为填土,下层为淤泥质粘土。基坑支护采用土钉墙喷锚混凝土支护方案,即基坑四周分层挖槽分层支护,靠设置于坡体中的土钉被动受力(主要是受拉作用),提高土体的抗剪切强度,同时混凝土面层则起到限制和约束基坑土体侧向变形的作用。基坑开挖在支护完成后进行。主要包括土钉施工、钢筋网混凝土面层施工及排水系统等施工。
同时为了既确保边坡安全,又能有效降低成本,拟采取1:1.2土钉墙支护。基坑支护平面图详见附图。
(二) 地质参数及拟定措施
据该场地勘察报告,本工程场地标高计算时按±0.00考虑的土层厚度见图,计算时选出土层厚度及参数详见下表:
序号 | 土层 名称 | 层厚(m) | 粘聚力C(KPa) | 内摩擦角φ(0) | 重度γ(KN/M3) | 极限摩擦阻力(kpa) |
1 | 填土 | 2.06 | 11 | 14 | 18 | 112 |
2 | 淤泥质粘土 | 2.06 | 10.5 | 9 | 17 | 112 |
结构内力计算:采用极限平衡理论方法,并结合本地区土钉墙支护施工经验进行设计与计算。成果如下:边坡按1:1.2放坡,基坑深度按2.9m计;
1)土钉分布:横向间距1.8m,竖向间距0.9m,呈梅花状布置;
2)土钉孔:孔径130mm,倾角25°;
3)土钉杆:采用直径F48mm钢管为土钉杆;
4)注浆:孔内注入水灰比为1∶0.45的纯水泥浆(普硅P.O 32.5);
5)土钉位置:共设计4排,自上至下设置在地面以下-0.59m、-1.23m、-1.87m、-2.51m位置。
6)土钉长度:自上至下各排长度均为6.0 m;具体详见结构计算书附表。
1) 土钉设计参数
序号 | 名称 | 设计参数 |
1 | 土钉墙放坡 | 1:1.2 |
2 | 土钉垂直间距 | 0.9m |
3 | 土钉水平间距 | 1.8m |
4 | 土钉倾角 | 25° |
5 | 土钉直径 | 130mm |
6 | 土钉水泥浆体强度 | 15Mpa |
7 | 土钉水泥浆配比W/C | 0.45 |
2) 土钉主筋规格及长度:
排 数 | 1 | 2 | 3 | 4 |
锚筋规格 | Ф48 | Ф48 | Ф48 | Ф48 |
锚筋长度(m) | 6.0 | 6.0 | 6.0 | 6.0 |
3) 喷射砼:
序号 | 名称 | 设 计 参 数 |
1 | 设计强度 | C20 |
2 | 水泥:砂:碎石:8880速凝剂 | 1:2:2:0.03(重量比) |
3 | 喷射厚度 | 100mm |
4 | 钢筋网 | Ф6.5@200mm×200mm,保护层为30~50mm,另外为保证坡顶稳定,在坡顶做1.0m的钢筋砼翻边 |
5 | 锚头 | 土钉采取横向拉筋焊接连接 |
4) 工程量(估算值、不作为报价用)
序号 | 分项工程 | 工 程 量 |
1 | 土 方 | 6300方 |
2 | 土钉墙 | 3000m2 |
(1) 土钉墙:
土钉墙施工采用沿基坑边开槽,采取分层、分段施工,并在土钉墙支护达到一定强度值后,进行基坑总体开挖。
(2) 土方
1. 开挖顺序:进场后首先开挖土钉墙10m宽工作面,第一步挖至室外地坪下-1.1m(第一层土钉在-0.6m),第二步挖至室外地坪下-1.70m,第三步挖至室外地坪下-2.40m,依此类推。
2. 基坑中间的土方总体上分二步开挖,即第一步土方摘帽挖至-1.5m;第二步土方挖至槽底,槽底预留30cm土方随挖随用人工进行清槽。

(1) 工程目标
1. 质量目标:精心施工,确保土钉墙边坡支护安全。
2. 工期目标:10天。
3. 安全文明施工目标:按要求争创安全文明施工工地
4. 管理目标:
实行规范化管理,保证工程在管理、质量、文明施工上创出一流水平。
(2) 施工准备
在基础工程施工前,专门召开施工准备会议,落实各项施工准备工作计划,内容如下:
1. 技术准备:熟悉、审查施工图纸和施工方案。
2. 施工现场准备工作:地上、地下、周边各种管线及障碍物的勘测定位;基坑开挖线的定位;地上、地下障碍物的拆除;施工现场的平整;测量放线;临时道路、临时供水、供电等管线的敷设;临时设施的搭设;现场照明设备的安装。
3. 劳动组织准备:组织劳动力进场,做好施工人员入场教育等工作。
4. 材料、机械准备:根据相关的设计图纸和施工预算,编制详细的材料、机械设备需要量计划;组织材料和机械设备按计划进场。
5. 施工场外协调:对外协调交通、环卫、市容的关系,作好扰民、民扰处理的前期准备工作。
(3) 各项资源需要量计划
1. 劳动力需要量计划:
序号 | 专业 | 所需人数 |
1 | 土方施工 | 20 |
2 | 基坑支护施工 | 20 |
2. 施工机械需要量计划:
(1) 土方挖运机械设备一览表
设备名称 | 设备型号 | 数量 |
反铲挖土机 | 1.0 m3 | 2台 |
翻斗车 |
| 8台 |
(2) 基坑支护施工机械设备一览表
设备名称 | 设备型号 | 数量 |
空压机 | 9m3 | 2台 |
砼喷射泵 | Pz-5 | 2台 |
反铲挖土机 | PC250 | 2台 |
正铲装载机 | ZL50 | 1台 |
注浆设备 |
| 1套 |
(3) 钢筋加工机械设备一览表
设备名称 | 设备型号 | 数量 |
卷扬机 |
| 1台 |
钢筋弯曲机 | WJ40-1 | 2台 |
电焊机 | BX-300 | 10台 |
钢筋切割机 | GJ51-32 | 3台 |
(1) 工艺流程
![]()
![]()
![]()
![]()
![]()
![]()
![]()
![]()
![]()
![]()
![]()
![]()
![]()
![]()
![]()
![]()
![]()
![]()
![]()
(2) 具体施工方法
1. 边坡开挖:
采用反铲挖土机,预留20~30cm人工修坡,开挖深度在土钉孔位下50cm,开挖宽度保证10m以上,以确保土钉成孔机械钻机的工作面。土方开挖严格按设计规定的分层开挖深度按作业顺序施工,在完成上层作业面的土钉及喷混凝土护坡以前,不得进行下一层土方的开挖。
2. 边坡修整:
采用人工清理,为确保喷射砼面层的平整,此工序必须挂线定位。对于土层含水量较大的边坡,可在支护面层背部插入长度为400~600mm,直径不小于40mm的水平排水管包滤网,其外端伸出支护面层,间距为2m,以便将喷混凝土面层后的积水排走。
3. 定位放线:
按设计图纸由测量人员用f8长30cm的钢筋放出每一个土钉的位置。
4. 成孔:
采用机械螺旋钻机成孔,局部可采用人工洛阳铲成孔。钻孔后进行清孔检查,对孔中出现的局部渗水塌孔或掉落松土立即进行压浆处理,并及时安设土钉钢筋并注浆。
5. 土钉的制作及安放:
土钉按设计采用6m长f48钢管制作,外端采用f18螺纹钢焊接90度20 cm的弯勾,钢管每隔2m焊对中支架,防止主筋偏离土钉中心;安放钢管时,将注浆管与钢管捆绑在一起,注浆管离孔底0.5m左右。
6. 造浆及注浆:
采用搅拌机造浆,应严格控制水灰比为W/C=0.45;注浆采用注浆泵,注浆时,将导管缓慢均匀拔出,但出浆口应始终处于孔中浆体表面之下,保证孔中气体能全部排出。
7. 挂网及锚头安装:
钢筋网片用插入土中的钢管固定,与坡面间隙3~4cm,不应小于3cm,搭接时上下左右一根对一根搭接绑扎,搭接长度应大于30cm,并不少于两点点焊。钢筋网片借助于钢筋井字架与土钉外端的弯勾焊接成一个整体。
8. 喷射砼:
喷射砼顺序可根据地层情况“先锚后喷”,土质条件不好时采取“先喷后锚”,喷射作业时,空压机风量不宜小于9m3/min,气压0.2~0.5MPa,喷头水压不应小于0.15 MPa,喷射距离控制在0.6~1.0m,通过外加速凝剂控制砼初凝和终凝时间在5~10 min,喷射厚度大于等于100mm。
9. 养护:
混凝土浇筑完后,应及时安排专人浇水养护,连续养护不低于7天。
(3) 施工技术要求
1)严格按照《建筑基坑支护技术规程》(JGJ 120-99)有关要求施工。
2)基坑开挖与支护应分层进行,上层支护完毕后,支护结构达到一定强度(大于70%)后,方可进入下一层的开挖。分层开挖深度不大于2.0m.
3)土钉成孔施工允许偏差:孔深允许偏差±50mm;孔径允许偏差±5mm;孔距允许偏差±100mm;成孔倾角允许偏差±5%。
4)墙面施工允许偏差:坡面平整度允许偏差±20mm;钢筋保持层厚度不小于20mm。
5)土钉支护是在排除地下水的条件下进行施工,应采取恰当的排水措施包括地表排水,支护内部排水,以及基坑排水,避免土体处于饱和状态并减轻作用于面层上的静水压力。
6)土钉支护前应对基坑四周支护范围内的地表进行修整,构筑排水沟和水泥砂浆或混凝土面层,防止地表降水向地下渗透。
7)土钉成孔前,按设计要求定出孔位并作出标记和编号。孔位的允许偏差不大于l50mm,钻孔的倾角误差不大于3°,孔径允许偏差5~20mm,孔深允许偏差为-50~200mm。
8)钻孔后进行清孔检查,对孔中出现的局部渗水塌孔或掉落松土立即处理,成孔后及时安设土钉钢筋并注浆。
9)注浆砂浆强度用70mm×70mm×70mm 立方试件经标准养护后测定,每批至少留3 组(每组3 块)试件:给出3 天和28 天强度。
10)土钉端部通过其他形式的焊接件与面层相连,事先对焊接强度作出检验。
11)在喷射混凝土前,应保证面层内的钢筋网片牢固固定在边壁上并符合规定的保护层厚度要求。
12)钢筋网片绑扎而成,网格允许偏差.-10~+10mm,钢筋网铺设时每边的搭接长度应不小于一个网格边长。
13)喷射混凝土配合比通过试验确定,粗骨料最大粒径不大于12mm,水灰比不宜大于0.45。
14)喷射混凝土的喷射顺序为自下而上,喷头与受喷面距离宜控制在0.80~1.50m 范围内,射流方向垂直指向喷射面,防止在钢筋背面出现空隙。
15)为保证施工时的喷射混凝土厚度达至规定值,可在边壁面上垂直打入短的钢筋段作为标志。在继续进行下步喷射混凝土作业时,仔细清除预留施工缝接合面上的浮浆层和松敞碎屑,并喷水使之潮湿。
16)喷射混凝土强度应复合要求,喷射混凝土的接茬处应斜交搭接,搭接长度应20cm以上。
在基础施工阶段,土方挖运是影响工期的关键。土方与土钉墙施工、土方与塔吊安装施工,土方与护坡桩施工它们之间存在一定的技术间歇,若处理不好这几方面的关系,将直接造成工期的延误和护坡的安全,因此要求在统一指挥的原则下,各施工部之间本着相互配合、互创工作面的原则,精诚合作。根据基础施工阶段的施工流程,基坑四周配合土钉墙施工应留出相应的工作面,具体深度为土钉位置下0.5m,将基坑中间的一次性开挖到位。具体施工流程如下:
施工准备→测量放线→机械挖槽施工→基坑支护施工→基坑土方开挖
如整夜作业,平均每车每夜出土50方,8台车共计400方。根据现场场地情况及扰民,民扰处理情况,夜间施工可能性估测,平均每天完成土方量计300方。可根据实际情况可调整机械力量以便确保工期。
(1) 出口搭设拍土架子。保证每一辆车进行拍土,并加盖帆布。
(2) 作冲洗池和沉淀池准备,冲洗池上要有铁篦子,道路作地面硬化。
(3) 平整场地,清除障碍,若遇到大的障碍用冲击炮将其破碎再装车运走。
(4) 基坑四周布置6~8个太阳灯,做好夜间照明准备。
(5) 每日提前完成土方开挖线,并随时跟进测量,保证开挖线尺寸与标高。
(6) 疏通所有交通,作好开工前的民扰工作。
基础施工阶段建立由项目经理、现场经理、项目工程师领导,质量员中间控制,责任施工员负责的三级管理系统。

基本要素质量 工作质量

(1) 土钉墙质量标准
内 容 | 标准 |
喷射砼面层平整度的允许偏差 | ±20mm |
孔深允许偏差 | ±50mm |
孔径允许偏差 | ±5mm |
孔距允许偏差 | ±100mm |
钢筋保护层厚度 | ≥25mm |
土钉倾角偏差 | ±5% |
挂网时网片距坡面 | 3~4cm |
(2) 土方开挖质量标准:
1. 国家有关建筑施工规范(GBJ301-88)。
2. 工程设计对土方的质量要求。
(1) 修坡时专人进行测量,确保不吃槽。
(2) 插入钢筋时由专人检查, 若插入深度不足, 则继续取土成孔,插入钢筋时要将注浆管绑在距孔底0.5m处。
(3) 注浆时要严格按配比搅浆, 并随成孔随注浆, 注浆渗漏较多时, 要进行二次、三次补浆直到注满。
(4) 喷砼时, 由专人检查网长及标志杆的安装。
采用信息化施工,确保基坑开挖过程中的安全, 必须对基坑进行监测,方案如下:
(1) 观测点的布置:
在坡顶上每隔15m布置一个点。
(2) 观测精度要求:
满足国家三级水准测量精度要求;水平误差控制<6.00mm;垂直误差控制<0.5mm。
(3) 观测时间的确定:
1. 基坑开挖每一步都应作基坑变形观测.
2. 观测时间间隔每天一次, 必要时连续观测, 基坑开挖完5天后, 可由每天一次到3天一次, 15天后每周观测一次。
(4) 场地查勘与记录:
1. 施工前对原场地进行全面调查, 查清有无原始裂缝和异常并作记录, 照相存档。
2. 每次观测结果详细记入汇总表并绘制沉降与位移曲线。
(5) 注意事项
1. 每次观测应用相同的观测方法和观测线路。
2. 观测其间使用一种仪器,一个人操作,不能更换。
3. 加强对基坑各侧沉降,变形观测,特别对有地下管线地的各边坡可进行重点观测。
如发生质量问题,立即上报监理,并在4小时内递交有关质量问题的书面详细报告,包括时间、部位、细节描述、产生原因、处理的措施等。
(1) 土方开挖过程中,若基坑变形突然加大,应立即停止开挖,并及时回填,也可以在其背后进行挖土卸荷,以保证基坑的稳定。
(2) 开挖过程中,若局部存水,可以采用明排集中,用潜水泵抽到地面排水系统。
基础施工过程中及时收集、整理各种原始资料和记录,并上报监理。按照国家有关标准和要求,完成技术资料的分类、归档工作。

1. 现场要建立健全的安全领导小组。
2. 全体人员应认真执行各工种的安全操作规程及有关规定。
3. 施工前,施工负责人要向操作人员做专项技术安全交底,关键部位要下技术指导书。
4. 施工人员进入现场要服从安全员的指挥和监督。进场施工人员必须符合有关北京市劳务人员用工的有关规定及条例,证件齐全。
5. 施工人员进入现场要进行“三级”安全教育。
6. 每天班前五分钟,施工负责人必须做施工安全注意事项专项交底。
7. 现场电器设备要有漏电保护器,电缆应设可靠绝缘。
8. 各种机电设备均应设专人负责管理,电工持证上岗。
9. 现场用电设备必须实行三级供电,两级保护。
10. 夜间施工,工地应有足够的照明。
11. 土方施工机械和运输车辆在进场前进行彻底的检修和保养,确保施工期间机械的正常运转。
12. 土方开挖后,按现场安全防护要求在基坑的周围搭设安全保护栏杆,避免人员跌落坑中。
13. 施工时,挖掘机严禁碰撞支护结构。
14. 施工中如遇地下障碍物(包括古墓、各种管道、管沟、电缆、人防等)时,立即暂停施工,及时报告经理部,待妥善处理后方可继续施工。
1. 所有土方运输车辆进入现场后禁止鸣笛,以减小噪音。
2. 所有施工人员应保持现场卫生和环境清洁。
3. 为保持环境卫生,避免运土车发生遗洒,在现场搭设拍土架,指派专人负责将运土车上的土拍实并盖好帆布,避免路上遗洒。
4. 在大门出口处设置冲洗车槽,每辆车必冲洗。
5. 每天收车后项目经理部指派专人清扫马路,以达到环卫要求。
6. 现场内施工人员禁止吸烟。
7. 施工机械要经常清洗,保证外表干净。
1. 土方开挖过程中,如突遇不明物体时,应立即停止机械开挖,现场工人要及时将情况汇报给工长,工长可带领工人简单察看、进行小范围的清理,确定为正常的砾石后,可继续开挖。如果不能确定,可通知地勘部门前来察看。
2. 如果怀疑是历史古墓,应向区文物局汇报情况,请文物部门的相关人员进行现场察看。
3. 如果现场能够明显判定是古墓或具有历史价值的文物、埋葬品,则现场应有工长专人负责组织看守,可以调动现场经警维持场地现状,不许任何工人进入埋葬品区域,直至文物部门的人员前来。
4. 现场要做好对埋葬品区域的遮挡覆盖工作。
5. 对于由采访证明的记者应通知文物部门的人员,只有在文物部门人员许可的情况下才允许拍照摄像,防止不法分子进入现场。
1、 基坑坡顶做1.5m宽散水并作0.25米宽排水明沟,四周做砼路面。基坑内,沿四周挖砌排水沟、设集水井,泵抽至市政排水系统。排水沟布置在基础轮廓线以外,排水沟边缘应离开坡脚0.3m,沟底比基坑底低0.4m,坡度0.1%;集水井设置在基坑脚上,安置四个集水井,井径0.8m,井壁用红砖砂浆砌后抹光,集水井底比排水沟低0.8m。排水设备采用大扬程的潜水泵,雨期抽出的积水应排至基坑以外地面排水系统,防止乱排产生回渗。保证施工现场水流畅通,不集水,四邻地区不倒灌。
2、 土方施工中,基坑内临时道路上铺渣土或砂石,保证雨后通行不陷。
3、 已暴露还未喷射的桩间土工作面防止雨水直接冲刷,遇雨时覆盖塑料布。
4、 清槽钎探后应立即浇注好砼垫层,防止雨水泡槽。
5、 现场存储的钢材做好防雨水锈蚀的准备。
6、 机电设备要经常检查接零、接地保护,所有机械棚要塔设严密,防止漏雨,随时检查漏电装置功能是否灵敏有效。
7、 喷射砼前,要随时掌握天气预报,尽量避开大雨,现场要准备大量苫布,以备喷射时遇雨进行覆盖。
9、现场要有8台左右的备用潜水泵,遇雨时及时抽水。
本工程土钉墙施工方案设计需要计算其土钉的抗拉承载力和土钉墙的整体稳定性。
(一)基本参数:
侧壁安全级别:二级
基坑开挖深度h(m):2.900;
土钉墙计算宽度b'(m):20.00;
土体的滑动摩擦系数按照tanφ计算,φ为坡角水平面所在土层内的内摩擦角;
条分方法:费伦纽斯法;
条分块数:20;
考虑地下水位影响;
基坑外侧水位到坑顶的距离(m):1.000;
基坑内侧水位到坑顶的距离(m):3.500;
(二)荷载参数:
序号 类型 面荷载q(kPa) 基坑边线距离(m) 宽度(m)
1 满布 10.00 0.00 0.00
2 局布 10.00 1.50 2.00
地质勘探数据如下:
序号 名称 土厚度 坑壁土的重度γ 坑壁土的内摩擦角φ 内聚力C 极限摩擦阻力
(m) kN/m3 (°) (kPa) (kPa)
1 填土 2.06 18.00 14.00 11.00 112.00
2 淤泥 2.06 17.00 9.00 10.50 112.00
土钉墙布置数据:
放坡参数:
序号 放坡高度(m) 放坡宽度(m) 平台宽度(m)
0 2.90 3.50 1.00
土钉数据:
序号 孔径(mm) 长度(m) 入射角(度) 竖向间距(m) 水平间距(m)
1 130.00 6.00 25.00 0.90 1.80
2 130.00 6.00 25.00 0.90 1.80
3 130.00 6.00 25.00 0.90 1.80
4 130.00 6.00 25.00 0.90 1.80
单根土钉受拉承载力计算,根据《规范》JGJ 120-99,
![]()
1、其中土钉受拉承载力标准值Tjk按以下公式计算:
![]()
其中 ζ --荷载折减系数
eajk --土钉的水平荷载
sxj、szj --土钉之间的水平与垂直距离
aj --土钉与水平面的夹角
ζ按下式计算:

其中 β--土钉墙坡面与水平面的夹角。
φ--土的内摩擦角
eajk按根据土力学按照下式计算:
![]()
2、土钉抗拉承载力设计值Tuj按照下式计算

其中 dnj --土钉的直径。
γs --土钉的抗拉力分项系数,取1.3
qsik --土与土钉的摩擦阻力。根据JGJ120-99 表6.1.4和表4.4.3选取。
li --土钉在土体破裂面外的长度。
层号 有效长度(m) 抗拉承载力(kN) 受拉荷载标准值(kN) 初算长度(m) 安全性
1 5.12 179.98 0.80 0.00 满足
2 5.51 176.03 7.15 0.69 满足 3 5.90 114.75 18.48 0.62 满足
第1号土钉钢筋的直径ds至少应取:1.843 mm;
第2号土钉钢筋的直径ds至少应取:5.509 mm;
第3号土钉钢筋的直径ds至少应取:8.856 mm;
根据《规程》JGJ 120-99要求,土钉墙应根据施工期间不同开挖深度及基坑底面以下可能滑动面采用圆弧滑动简单条分法如下图,按照下式进行整体稳定性验算:


公式中:
n --滑动体条分数
m --滑动体内土钉数
γk --滑动体分项系数,取1.3
γ0 --基坑侧壁重要系数;
wi --第i条土重;
bi --第i分条宽度;
cik --第i条滑土裂面处土体粘结力;
φik --第i条滑土裂面处土体的内摩擦角;
θi --第i条土滑裂面处中点切线与平面夹角;
αj --土钉与水平面之间的夹角;
Li --第i条土滑裂面的弧长;
S --计算滑动体单元厚度,即第i条土条平均高度hi;
Tnj --第j根土钉在圆弧滑裂面外锚固与土体的极限抗拉力,按下式计算。
![]()
lnj --第j根土钉在圆弧滑裂面外穿越第i层稳定土体内的长度
把各参数代入上面的公式,进行计算
可得到如下结果:
计算步数 安全系数 滑裂角(度) 圆心X(m) 圆心Y(m) 半径R(m)
第1步 3.164 27.859 0.537 1.297 1.403
示意图如下:

计算步数 安全系数 滑裂角(度) 圆心X(m) 圆心Y(m) 半径R(m)
第2步 2.210 27.859 1.074 2.593 2.807
示意图如下:

计算步数 安全系数 滑裂角(度) 圆心X(m) 圆心Y(m) 半径R(m)
第3步 1.975 27.859 1.611 3.890 4.210
示意图如下:

计算步数 安全系数 滑裂角(度) 圆心X(m) 圆心Y(m) 半径R(m)
第4步 1.767 27.859 1.730 4.178 4.522
示意图如下:
计算结论如下:
第 1 步开挖内部整体稳定性安全系数 Fs= 3.164>1.30 满足要求! [标高 -0.900 m]
第 2 步开挖内部整体稳定性安全系数 Fs= 2.210>1.30 满足要求! [标高 -1.800 m]
第 3 步开挖内部整体稳定性安全系数 Fs= 1.975>1.30 满足要求! [标高 -2.700 m]
第 4 步开挖内部整体稳定性安全系数 Fs= 1.767>1.30 满足要求! [标高 -2.900 m]

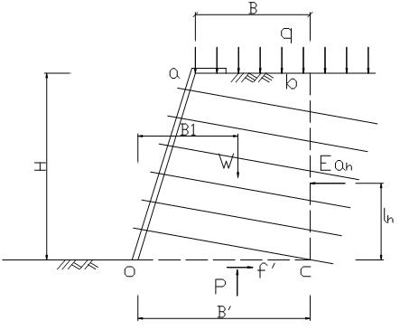
(1)抗滑动稳定性验算
抗滑动安全系数按下式计算:

式中,Eah为主动土压力的水平分量(kN);
f'为墙底的抗滑阻力(kN),由下式计算求得:
![]()
μ为土体的滑动摩擦系数;
W为所计算土体自重(kN)
q为坡顶面荷载(kN/m2);
Ba为荷载长度;
Sv为计算墙体的厚度,取土钉的一个水平间距进行计算
1级坡:KH=13.37>1.3,满足要求!
(2)抗倾覆稳定性验算
抗倾覆安全系数按以下公式计算:

式中,MG--由墙体自重和地面荷载产生的抗倾覆力矩,由下式确定

其中,W为所计算土体自重(kN)
其中,q为坡顶面荷载(kN/m2)
Bc为土体重心至o点的水平距离;
Ba为荷载在B范围内长度;
b为荷载距基坑边线长度;
B'为土钉墙计算宽度;
ME--由主动土压力产生的倾覆力矩,由下式确定
![]()
其中,Eah为主动土压力的水平分量(kN);
lh为主动土压力水平分量的合力点至通过墙趾o水平面的垂直距离。
1级坡:KQ=823.29>1.5,满足要求!