污水回用工程施工组织设计方案

目   录

1.       工程概况

2.       施工准备工作计划

3.       施工组织及部署

4.       单位工程施工方法及技术措施

4.1构筑物

4.1.1 进水提升泵池

4.1.2 混合反应沉淀池

4.1.3 臭氧尾气吸收池

4.1.4 臭氧接触池

4.1.5 居住区清水池

4.1.6 居住区送水泵房

4.1.7 滤站

4.1.8 工业区清水区

4.1.9 工业区送水泵房

4.2 建筑物

4.2.1 综合楼(三层框架结构)

4.2.2 CMF净水间

4.2.3 (单层框架结构)变配电站、分变配电站、加药间、加氯间、臭氧发生间、鼓风机房、车库机修的施工方法及技术措施

5.       主要分部分项工程施工工艺及质量标准

5.1 测量放线

5.2 灌注桩

5.3 搅拌桩

5.4 钢筋工程

5.5 模板工程

5.6 砼工程

5.7 砌砖

5.8 予留予埋工程

5.9 装修工程

6.       质量保证措施

7.       文明施工及环境保护措施

8.       安全施工保证措施

9.       雨季施工措施

10.    施工进度计划

11.    主要材料周转材计划

12.    机械设备计划

13.    劳动力计划

14.    清淤方案

15.    施工现场平面布置图

16.    电气施工方案

17.    水暖施工方案

18.    管道施工方案

 

 

 

1.工程概况

污水回用工程位于纪庄子污水处理厂院内,为市政府改善城市居民生活的重点环保项目之一,是首次实施建设的中水工程。它是我市节约用水的重大举措,其建成后直接为梅江生态示范居住区供应中水。它的建设是为迎接2008年北京奥运会,再塑津门环保新形象。2002年9月份必须具备供水条件,时间短,任务重。污水回用工程主要包括10个建筑物、9个构筑物、道路、围墙及各种工艺管线。厂区占地面积总计25882m2

建构筑物一览表

建筑物

构筑物

名称

面积(m2)

名称

面积(m2)

CMF净水间

768

进水提升泵房

63

空压机及鼓风机房

295

混合反应沉淀池

789

臭氧发生间

175

臭氧尾气吸收池

24

加氯间

242

臭氧接触池

35

加药间

233

滤站

741

变配电站

293

居住区清水池

783

分变配电站

127

居住区送水泵房

143

综合楼

1178

工业区清水池

828

车库机修仓库

260

工业区送水泵房

154

门卫及大门

50

 

 

 

1.1设计概况

    本工程为污水再生回用工程,其工艺流程如下图所示:

 

 

 

 

 

 

 

 

 

 

 

 

 

 

 

 

                 

 

 

 

其19个构建筑物的设计概况如下表所示:

编号

 

1

2

3

4

5

6

7

8

9

10

名称

进水提升泵池

混合反应沉淀池

CMF净水间

空压机及鼓风机房

臭氧发生间

臭氧尾气吸收池

臭氧接触池

滤站

加氯间

加药间

桩数量

 

 

140

38

28

20

 

 

158

24

34

桩顶标高

 

 

2.5

1.525

1.65

1.75

1.75

 

 

-0.55,0.95

1.25

+1.65

1.65

桩长

 

 

23.5

17

18

18

 

 

17.05,18.55

18.85

20.1

20.1

单桩承载标准值(KN

 

1762

911

980

980

 

 

1226

1110

1110

底板下皮标高(绝对)

-1.55

2.4

1.55

1.65

1.65

2.3

-2.8

-1.150

1.55

1.55

顶板上皮标高(绝对)

3.7

8.0

10.65

8.95

8.95

8.4

8.3

11.620

10

10

地下埋深

 

4.9

0.95

1.8

1.7

1.7

1.05

6.15

4.5

1.8

1.8

构筑物面积

(m2)

63

140.5

825

294.5

175

24

35

1561

242

233

构筑物尺寸

12.3

27.1

32

30.6

18

6.7

11

36.300

24.0

21

6.4

24.8

24

9

9

4.6

3.5

21.100

11.1

15

 

 

 

 

 

 

 

12.77

 

 

结构形式

砼结构

框架

轻钢

框架

框架

砼结构

砼结构

框架与

轻钢

框架

框架

主体混凝土标号

C25

C25

 

C20

C20

C25

C25

C25

C25

C25

 

编号

 

11

12

13

14

15

16

17

18

19

名称    

居住区清水池

居住区送水泵房

工业区清水池

工业区送水泵房

变配电站

分变配电站

综合楼

车库、机修、仓库

门卫及大门

桩数量

173

20

177

34

30

15

79

28

10

桩顶标高

(1.03)

2.03

0.83

-1.44

(-2.65)

0.75

(-2.45)

1.58

1.85

1.75

1.75

1.75

桩长

21.0

(20.0)

19

18.5

(17.3)

18.4

(15.2)

17.6

17.0

21

18

18

单桩承载力标准值(KN)

1230

1050

1293

1105

897

980

1341

980

980

底板下皮标高(绝对)

(0.93)

1.93

0.73

-2.7

0.65

(-2.5)

1.75

1.75

1.65

1.65

1.65

顶板上皮标高(绝对)

7.27

8.1

2.65

4.85

7.73

7.85

20.75

9.95

6.750

地下埋深

2.42

2.63

6.52

2.7

1.60

1.60

1.6

1.7

1.7

构筑物面积

m2

783

143

828

143

293

127

1178

260

50

构筑物尺寸

31.6

21.6

30.8

23.4

24.9

16.2

39

27

7.5

25.95

6

25.15

6

11.4

7.2

24.9

9

6.3

 

 

 

 

 

 

 

 

 

结构

形式

砼结构

框架

砼结构

框架

砖混

砖混

框架

框架

砖混

主体

混凝土标号

C25

C25

C25

C25

C20

C20

C25

C20

C20

   

建设单位:天津中水有限责任公司

  设计单位:中国市政工程华北设计研究院

  监理单位: 路驰建设监理公司

  施工单位:天津第二市政公路工程有限公司

 

1.2  主要工程量

编号

名称

混凝土量(m3

钢筋量(吨)

土方

m2

砖量

(块)

桩数

(吨)

1

进水提升泵池

C25:99.45

C20:31.09

12.414

11286.67

 

 

2

混合反应池

C25:1280.81

192.62

1555.76

32224

140

3

CMF净水间

C20:246.047

23.149

537.21

38676

40

4

鼓风机房

 

C20:199.252

20.198

944.06

80262

28

5

臭氧发生间

C20:152.442

15.282

983.89

53210

20

6

臭氧尾气吸收池

C25:72.98

9.105

71.2

 

 

7

臭氧接触池

C25:112.89

17.786

564

 

 

8

滤站

C25:1403.82

231.02

5188.57

 

158

9

加氯间

C25:35.256

C20:139.421

20.695

887.5

35024

26

10

加药间

C20:33.901

C25:134.06

19.9

854.6

33678

34

11

居住区清水池

C25:922.72

194.876

1670.87

98275

175

12

居住区送水泵房

C25:132.324

C15:28.17

20.677

828

32874

20

13

工业区清水池

C25:1005.8

240.662

6679.2

25662

176

14

工业区送水泵房

C25:279.75

C15:32.98

45.562

2472

35803

34

15

变配电站

C20:172.696

C15:8.888

12.543

759.97

32475

30

16

分配电站

C20:89.858

8.089

319.7

2320

15

17

综合楼

C20:411.646

C25:127.484

66.895

1524

93274

79

18

机修、车库、仓库

C20:182.443

22.079

802.98

33464

28

19

门卫

C20:50.669

6.59

546.43

24221

13

1.3  现场条件

本工程场区平面形状狭长,构、建筑物众多,布局紧凑。经现场踏勘:厂区现状地面为养鱼池回填,原坑深度较大,一般为5.50-----6.50m左右,最深处达7.80m。现场南部为淤泥区,其表面积约1.4万m2,局部水面面积25×50=1250m2 ,北部地区局部有风干泥浆,土质极软。西部回填土为拆填土(无法打桩)。

1.4  地质条件

  本工程场区内大部分为鱼塘,2001年初填起,表层为杂填土,以下为素填土。填土深度为5.5 m左右。

场区的土质主要有九层,建筑中要开挖的土层主要有四层。第一层为杂填土,在拟建厂区内均匀分布,厚度为0.5m——1.6m之间,最厚处为3.5m。第二层为素填土,厚度相对均匀,一般厚3.4——6.2m。第三层为新近淤积层,厚度约1.5m,局部达6m深。第四层为全新统上组陆相冲积层,分布于厂区西侧,厚度为3.30----4.00m.

1.5 气象条件

     属暖温带半湿润大陆季风气候。主要特征是季风显著,四季分明。春季干燥多风,夏季温热多雨,秋季温暖适中,冬季寒冷少雪,且以冬季最长。全年平均气温13.1摄氏度。全年最冷为1月份,日平均气温为-3.9摄氏度——+5.7摄氏度。夏季最热为7、8月份,平均气温为25.6摄氏度——26.4摄氏度,最热时达39.6摄氏度。

     年平均降雨量为500 mm——700mm。四季降水分布很不均匀,夏季降水量最多集中在7、8月份,平均降雨量390mm,最大风速为33米/秒。

1.6 工程特点

     工期: 本工程自5月中旬开始招投标,5月底正式开工。建设单位要求,7月底土建全部完成,8月底各种工艺管线,设备安装完毕,其它道路、绿化11月底完成。考虑6月份麦收,实际主体结构施工时间不足2个月,工期非常紧张。

     施工现场: 由于中水厂平面形状狭长,建筑物,构筑物多达19处,施工现场安排困难。

     结构形式: 既有地下混凝土水池,也有3层(局部5层)砖混结构,还有单层框混结构。

     质量要求: 中水厂的建设是 20件好事之一,被定为市优工程,建设单位要求创行业金奖。

总之,污水回用工程施工难度大,质量要求高,结构形式复杂多样。

1.7 实施目标

1.7.1 工期目标

    开竣工日期:2002年5月——2002年12月

1.7.2质量目标

    我们的管理和工作质量创行业一流,我们的工程和服务质量保顾客满意。保证优良工程,争创行业金奖。达到《 市政工程质量检验评定标准》(TBJ10391)

1.7.3安全目标

    达到JGJ5999国家安全标准。

1.7.4文明施工目标

    达到《 市政文明施工标准及管理规定》以及天津城建集团的《文明工地建设管理方法》标准。

1.8 执行标准及评定标准

    执行标准 《给水排水构筑物施工及验收规范》(GBJ14190)

    评定标准《 建筑安装工程质量检验评定标准》(TBJ10491)

2.施工准备工作计划

2.1 现场围护

    因在厂区内施工,为保证生产正常运行,采用蓝色压形钢板围护,全封闭施工与厂区分隔。由于施工现场狭窄,无法设置循环道。因此设两个出入口,一个为进料口,一个为出料口。每个均设警卫室,并设置警卫。

2.2  三通一平

2.2.1  进场路

    进场道路定为通过厂区东围墙外,卫津河两侧新修柏油沥青路面进场,进入厂区大门口设的警卫室。

2.2.2  施工路

    施工路由警卫室到施工现场。主道部分为沿二沉池的施工道路,路宽7m。结构为二步2:8灰土,30cm一步。施工现场内的单循环道路为6 m宽,处理方法同上,施工道路共计750 m

2.2.3  施工用水

    施工用水包括给水及排水系统,给水水源建设单位提供。

    本工程额定用水量4800t,给水系统采用树行结构。在水源位置铺设一条2主干管到搅拌站,并沿西围墙一侧布置,从干管引1.5的支管到施工现场。

现场排水采用φ300PVC承接口管,埋入地下0.5m,每20m设收水井一座,上口高于地面50cm,临时排水管长500m,现场设2个集水井,集中沉淀,设泵排入甲方指定市政管网。

2.2.4       施工用电

a.中水施工用电设备负荷计算及变压器选择。

台数

设备名称

功率

台数

设备名称

功率

2

钢筋对焊机

150KVA

2

强制搅拌机

50KW

14

交流电焊机

38.5KVA

4

蛙夯

4KW

2

钢筋调直机

8KW

16

振捣器

2.2KW

4

钢筋切断机

3KW

2

平振

3KW

4

钢筋弯曲机

3KW

6

砂浆机

3KW

12

桩机

50KW

4

套丝机

3KW

6

卷扬机

5.5KW

25

潜水泵

2.2KW

4

泥浆泵

28KW

4

压刨

3KW

4

电锯

4KW

4

平刨

3KW

6

无齿锯

3KW

2

滚筒搅拌机

50KW

负荷计算:

1)     对焊机:

Pe=Sx(JC)0.5xcosφ=150x0.20.5x0.75=50KW

2)     电焊机:

   Pe=Sx(JC)0.5xcosφ=38.5x0.350.5x0.64=14.5KWx6=87 KW

Pe=50+87+8+3x2+3x2+50x3+5.5x6+28x4+4x2+50x2+3x2 

+3x6 c409KVAr

   Sj1=   Pj12+Qj12 =   307.62+4092 =512 KVA

照明:生活区20KW,材料加工厂30KW,施工现场20KW

   Pj2=20+30+20=70KW

   Qj1=Pjitgφ=70x1.52=106KVAr

   Sj2=   Pj22+Qj22 =    702+1062 =127 KVA

   Sj= Sj1+ Sj2=512KVA+127KVA=639KVA

   根据Sj选择变压器容量为630 KVA

b.中水厂建设单位提供3路电源,第一路由污水厂三分变供电电流为300A。主要供搅拌机区使用,采用部分埋设电缆,架空线部分塑铜线50mm2×3+25mm2×2为电源干线,电缆部分由50mm2×3+25mm2×2为电源干线,第二路和第三路电源由现场2#临时变电室供电,采用电缆埋设。电缆为2路120mm2×3+70mm2×2,以上供电方式全部采用三项五线制,在施工现场设分配箱6台,照明专用箱4台,在加工区设分配电箱2台电焊专用箱2台,电锯电箱2台,压刨专用电箱1台,弯曲机专用电箱2台,钢筋调直机用电箱2台,照明专用电箱2台。

2.3 生活区位置与加工区位置

      根据现场条件,在现场路北侧原污水处理厂院内荷花池内建立项目经理部。木工加工区沿二沉池布置,面积为800m2。钢筋区在二沉池东侧,面积约2000 m2。地面铺均设两步3:7灰土,分层压实,并铺一层机砖,细石砼罩面。项目经理部及生活区院内铺设地砖,房屋为砖混结构,占地面积1100 m2,建筑面积500 m2。砼搅拌站设置在二沉池6-5#、6-7#西侧,搅拌站占地400m2,砂石场地750m2,水泥库200m2。搅拌站及石料场进行场地硬化处理,做C10砼面层。

2.4 技术准备

2.4.1 熟悉设计图纸进行设计交底和图纸会审工作。

2.4.2 复测控制桩位和测现场水准点,做出测量方案。

2.4.3 做好技术培训,安排试验工作。

2.4.4 组织施工管理机构和专业施工队伍,并进行专业培训和职业道德教育。

2.4.5 做好材料和设备供应计划,做好供应准备。

2. 5 施工现场平面布置图。<见157详图>

3.     施工组织及部署

3.1    施工组织管理系统  

 

3.2 项目经理部质量管理系统

 

 

 

 

 

3.3  项目经理部安全管理系统

 

 

 

3.4  质量职能部门工作网络图

                                            

 

 

 

 

 

 

 

 

 

 

 

 

 

 

 

 

 

 

 

                                    

                                      事                                 事

 

 

                                      中                                 后

 

                                      控                                 控

 

                                      制                                 制

 

 

 

 

 

质量目标为确保市优工程,争创行业金奖

3.4.1施工流程

构筑物

钻孔灌注桩开槽验桩垫层基础底板施工池壁、立墙施工顶板施工

桩满水试验回填土

建筑物

钻孔灌注桩水泥搅拌桩开槽验桩垫层承台施工基础柱回填土

首层柱施工首层梁板施工填充墙施工装修施工,屋面防水施工竣工验收

3.4.2 总体施工安排

回用水工程共有9个构筑物3560m2,10个建筑物3621m2,要求75天全部完成,时间短,任务重,在综合考虑了工期、质量、技术与经济等因素的基础上,结合现场的实际情况,本着以工期为重点,实行大流水施工的原则,将构建筑物分别划分为2个部分。并设2个土建施工队及2个构筑物施工队。在这4个区域内同时展开施工。见下图。另设钢结构施工队,施工CMF净水间及滤站上部结构。

建筑1队负责施工:综合楼1178m2分配电站127m2,合计1305m2,施工队在综合楼内自行流水兼顾分配电站。

建筑2队负责施工:鼓风机房295m2,臭氧发生间175m2,加氯间242m2,加药间233m2,变电站293m2,分配电站127m2车库机修260m2,合计1625m2,施工队以鼓风机房,变电站,臭氧发生间为一个施工段,其余为一个施工段,相互之间流水。

构筑物1队负责施工:居住区清水池783m2,居住送水泵房143m2,进水提升泵池63m3,砼反应沉淀池789m2,合计1778m2。以居住区清水池和混合反应沉淀池进行大流水施工,兼顾送水泵房,及进水提升泵池。

构筑物2队负责施工:滤站741m2,工业区清水池828m2,臭氧尾气吸收池24m2,臭氧接触池35m2,工业区送水泵房154m2,合计1782m2。以滤站和工业区清水池进行大流水施工,同时坚固工业区送水泵房,臭氧尾气吸收池,臭氧接触池。

建筑物的垂直运输机械设用龙门架11台,(综合楼布置2台)

构筑物施工中,砼反应沉淀池及滤站SZ系列大模板。其余采用组合钢模板。

桩基础施工20天完成,桩位布置详见下图。

 

4.单位工程施工方法及技术措施

4.1 构筑物

4.1.1进水提升泵池

4.1.1.1 此工程为钢筋砼结构。

    砼标号为C25,抗渗标号为S6,底板厚400mm,池壁高4.85m30cm。设计要求满水试验.

4.1.1.2 施工流程

    大口井降水开槽垫层底板墙壁顶板回填土及土方开挖

4.1.1.3    降水

    原地面标高为3.35m,槽底标高为-1.65 m,基坑挖深为5m,采用明开方式.

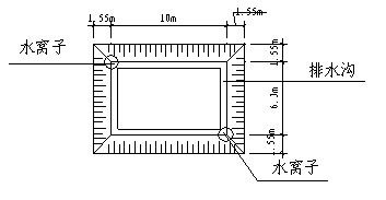
    采用4座φ600大口井降水,井深10m,大口井间距20m,在破土前开始打井,提前1周降水,观测水面,达到设计槽底50cm以下时,方可破土。用2寸潜水泵,抽水至临时管线,经沉淀就近集中流入市政排水管道。临时管采用φ300承接口PVC管,埋入地下0.5m,每20m设收水井一座,井壁高于于地面50cm,内口尺寸为0.75×0.75m,壁厚240mm

挖土采用1m3 单斗反铲挖掘机.土方外运,边坡坡度1:1.

挖土分二步开挖,首先挖上层土方深2.0m范围内降土。做坡道1:2坡度,第二步开挖至槽底,予留20cm,人工清槽。坡道垫30cm碎石,以利车辆通行。坡道宽5m。

在槽底设排水沟及水窝子,排沟断面0.5×0.5m,2寸潜水泵,水窝子深为排水沟深加2m,将水调入临时管线。 依据现场土质情况(系为虚填土)如在基坑开挖时,土质较差,需进行放蹬处理。

 

 

进水提升泵池开槽平面图

进水提升泵池开槽剖面图

土质不好情况开槽剖面图

4.1.1.4    地基处理

    根据结构总说明要求,清除表层填土,挖槽至《地基报告》中的第4层粉质粘土,若有不良土质,彻底清除。槽底至设计基底部分回填级配砂石。

4.1.1.5    垫层

垫层C10砼自行搅拌。砂、石、水泥进场后送试,由实验室出混凝土配合比,塌落度为3-5cm。   

4.1.1.6    钢筋工程

钢筋加工采用现场加工区加工,现场绑扎焊接就位,为保证底板及主墙尺寸,设钢筋梯片,间距1.2mΦ16以上钢筋采用焊接,Φ16以下采用搭接。

4.1.1.7    模板工程

进水提升泵池底板模板图

模板采用组合钢模板为主,木模补差。底板吊模高度为50cm,吊模时在主墙钢筋上焊L型钢筋托架支撑模板,采用对拉螺栓加固(加止水片)模板外侧采用三角木架支撑。

 

进水提升泵池池壁模板图

4.1.1.8    墙模板

墙模板采用内顶外拉方法。立墙内采用满堂红脚手架固定内模。内、外模板之间采用对拉螺栓固定。池壁外搭设双排施工脚手架。为保证双排脚手架的稳定,应在垫层施工时,将垫层砼四边在原尺寸的基础上加宽1.5m

4.1.1.9   

结构砼分三步完成,第一步砼浇筑到底板以上50cm处,第二步浇至3.6M.T.D,第三步浇筑砼顶板。水平施工缝内设钢板止水带。钢板止水带用镀锌铁片或3mm钢板,宽300mm。砼采用商品砼。

4.1.1.10 满水试验

    要求同砼反应沉淀池。

4.1.2混合反应沉淀池

4.1.2.1 结构概况

    混合反应沉淀池为钢筋砼结构,底部φ600的灌注桩140根。砼等级C20,结构砼为C25,S6,D50,水泥用量300kg/m3350kg/m3 之间。设计要求满水试验。

4.1.2.2 施工顺序

  灌注桩施工开槽底板池壁走道板试水试验

4.1.2.3 灌注桩施工

    因原施工现场为拆房土回填,无法打桩。所以先清理现场拆房土换填,然后灌注桩施工,桩长18m,桩头甩筋720mm。工程单桩竖向极限承载力标准值QUK=1726KN,见桩位布置图。

4.1.2.4 土方开挖

混合反应沉淀池原地面标高3.35M.T.D,挖深为1.05m,中间局部挖深为1.625m,因挖深较浅,不需要提前降水,采用明开的方式,开挖至灌注桩的甩筋以上20cm处,其余桩上及桩间土方采用人工清除,在槽底四周做明沟排水,断面尺寸为0.5×0.5m,开挖后立即回填1寸碎石,防止坍塌,在槽底四角做集水井四座,直径为1.5m,深2m。开挖机器采用1m3单斗反铲挖掘机,边坡坡度为1:1,土方全部外运。

排水:用2寸潜水泵抽水至临时管线,临时管线采用φ300承插口PVC管,埋入地下0.5m,每20m设收水井1座,井低于地面50cm,内口尺寸0.75×0.75,壁厚240mm


混合反应沉淀池开槽平面图

 

混合反应沉淀池开槽剖面图

4.1.2.5 桩头

    采用人工剔除桩头,机器采用风镐等工具,剔到桩顶标高2.500M.T.D及1.525M.T.D处。

4.1.2.6 验桩

    桩完成14天后采用低应变动力检测的方法验桩。检测数量不小于桩总数的20%。

4.1.2.7 垫层

    垫层采用100×1500的组合钢模板,一次浇筑完成。自行搅拌砼。

4.1.2.8 钢筋工程:钢筋现场绑扎成型,壁板及底板采用梯片1.2m一道。φ14以下钢筋采用绑扎,φ16以上钢筋采用对焊,竖向钢筋采用电渣压力焊。

4.1.2.9 模板工程

因设计要求,底板处不能留施工缝,底板与墙壁处采用吊模,吊模模板采用S.Z系列大模板。一次吊模60cm,砼浇筑60cm处,水平施工缝放入止水钢板,止水钢板采用镀锌铁皮。

池壁外搭设双排施工脚手架。池壁内搭设满堂红脚手架支撑内模。对拉螺栓直径φ16,内径3mm厚止水钢板。为保证脚手架稳定性,加设脚手架垫层基础(见4.1.1.8)


混合反应沉淀池池壁模板图


混合反应沉淀池底板模板图

4.1.2.10 砼工程

砼全部采用商品砼泵送,底板一次浇筑到池壁60cm处,内墙一次浇筑至底板处,二步浇完池壁,三步浇筑走道板。

水平施工缝埋设镀锌止水钢板。

4.1.2.11 试水

    清出池内杂物, 池壁上对拉螺栓孔用1:2的干硬性水泥砂浆(内掺3%防水粉)堵住,池壁布置10个沉降观测点,作好标志,并测量其高程,作好原始记录。

    试水采用两台四寸泵抽水。

试水:

a、         水池充水时的水位上升速度不宜超过2m/d,相临两次充水的间隔时间不应小于24小时。

b、         每次充水宜测读24小时的水位下降值,计算渗水量,当发现渗水量过大时,应停止充水。待处理后方可继续充水。

c、         充水至设计水深进行渗水量测定时,采用水位测针测定。水位测针的读数精确度达到1/10mm

d、         现场测定蒸发量的设备,可采用直径为50cm,高30cm的敞口钢板水箱,并设有测定水位的测针。水箱不得渗漏。

e、         测定水池中水位的同时,测定水箱的水位。

4.1.2.12 回填工程

1)      基坑回填必须在构筑物的地下部分验收合格后及时进行。

2)      回填土的压实度应符合设计要求。

3)      填土表面应略高于地面、清理平整、并利于排水。

4.1.3 臭氧尾气吸收池

4.1.3.1 此工程为钢筋砼结构。

砼标号C25,抗渗标号S6,抗冻D150,底板厚300mm,墙壁高5.6m,厚250mm。设计要求满水试验。

4.1.3.2 施工流程

降水开槽垫层底板墙壁顶板回填土

4.1.3.3 土方开挖

现场地坪标高3.350m,设计基底标高2.3m--1.8m,挖深1.05m1.55 m,采用1m3单斗反铲挖掘机挖土,土方外运,为防止搅动槽底土,在机械挖槽过程中,甩10cm进行人工清槽底。机械挖完土后,在四周做500×500mm排水沟,并设集水井一座1.5×2m,采用2寸潜水泵抽水排入临时排水管。        

地基处理:挖槽至地勘报告中的第3层粉质粘土,不良土质清除,并回填砂石,夯实系数0.95。

臭氧尾气吸收池开槽平面图

 

臭氧尾气吸收池开槽剖面图

 

4.1.3.4 垫层

模板采用钢模板,砼为C10自行搅拌。水泥、砂石进场后送试进行检验,由实验室出配合比,塌落度为3--5cm

4.1.3.5 钢筋工程

钢筋进场后,应送试进行检验,合格的方可加工使用。钢筋加工采用现场加工区加工,现场绑扎及焊接就位,为保证底板及墙壁钢筋尺寸,设钢筋梯片,间距1.2mΦ16以上采用搭接,Φ16以下采用焊接。

4.1.3.6 模板工程

底板模板采用组合钢模板为主,木模补差,底板吊模高度为50cm,吊模时,再立墙钢筋上焊L型钢筋托架支撑板,采用对拉螺栓加固(加止水钢板),模板外侧采用三角支架支撑(详图)。

墙壁模板采用普通钢模板,墙内侧用满堂红脚手架,外侧双排脚手架,固定模板,采用对拉螺栓内稳外拉,以保证模板结构在砼土侧压力几其他荷载作用下的强度。池壁支模同臭氧接触池。

臭氧尾气吸收池底板模板图

4.1.3.7 砼工程

结构砼标号C25,抗渗标号S6,抗冻标号D150。结构砼分三步完成,第一步砼浇筑到底板以上50cm处,第二步砼浇至标高6.4 m 处,第三步砼浇筑砼池壁及顶板,采用商品砼进行浇筑。水平施工缝处理同进水提升泵池。

4.1.3.8 试水试验

    试验要求同混合反应沉淀池。

4.1.4 臭氧接触池

4.1.4.1 工程概况

    此工程为钢筋砼结构,砼标号为C25,抗渗标号S8,抗冻标号D150。底板厚度400mm,墙壁高10.6m250mm。设计要求试水实验。

4.1.4.2 施工流程

围幕桩钢桩大口井降水开槽垫层底板墙壁回填土拔钢桩顶板

4.1.4.3 打桩

    原地面标高为3.35m,设计基底标高-2.9m,最深处3.4m,挖深6.75m。且现场场地狭小,周围有建筑物,不具备明开条件,宜采用水泥围幕桩加钢桩支撑槽壁。(见图)

水泥围幕桩:

长度为15m,直径为700mm,咬合(横、纵)200mm,水泥掺入量18%。

钢桩:(依据《排水工程施工技术规范》)

桩长L=沟槽总深(原地面高程-槽底标高)+沟槽总深/2=6.25+6.25/2=9.37512m

钢桩型号为I40,间距80cm,长度为10m。在桩顶以下1.0m处设一道撑杠,采用I36工字钢作横梁,花梁做撑杠。支撑的横梁应在撑杠位置上作支托,用其支承横梁与撑杠,支托焊在钢桩上,必须牢固。支托Φ25钢筋焊接。

打桩采用柴油打桩机,为保证桩位正确采用以下措施:

a.       设置桩沟,桩沟深度60cm。

b.       钢桩使用前必须调查直,保持桩直不扭。

c.       桩架每次移动之后,必须做到龙口正向桩位,龙口是不背不抗是垂直,架子稳固。

4.1.4.4 降水

    采用φ600大口井降水,井深15m,间距12m,共计4座。在挖土前先打井,提前1周降水,并观测水面,达到设计要求降至槽底50cm以下时,方可破土。用2寸潜水泵抽水至临时管线,经沉淀后就近集中排入市政排水管道。临时管采用φ300承接口PVC管,埋入地下0.5m,每20m设收水井一座,井壁上口高于地面50cm,内口尺寸为0.75×0.75m

4.1.4.5 挖土

采用1m3 单斗反铲挖掘机及吊车16t,土方外运。

挖土应与支撑相互配合`应支撑及时。

分二步开挖,首先按给定标高挖上层土方深3.0m

按支撑顺水,第二步开挖用16t吊车垂直吊土装车外运。

在槽底设排水沟及水高子,排沟断面0.3×0.32寸潜水泵,向外调水。

 

 

 

 

 

 

 

 

 

 

 

 

臭氧接触池开槽平面图

臭氧接触池开槽剖面图

4.1.4.6垫层

    模板采用钢模板,砼C10自行搅拌。水泥、砂、石进场后送试进行检验,由实验室出具配合比,塌落度为3--5m

4.1.4.7钢筋工程

    钢筋进场后,应送试进行检验,合格后方可加工使用。

    钢筋加工采用现场加工区加工,现场绑扎焊接就位,为保证底板及墙壁钢筋尺寸,设钢筋梯片间距1.2mΦ16以上钢筋采用焊接,Φ16以下采用搭接。

4.1.4.8 模板工程

模板采用组合钢模板为主,木模补差。底板吊模高度为50cm,吊模时在主墙钢筋上焊L型钢筋托架支撑模板,采用对拉螺栓加固(加止水钢板)模板外侧采用三角木架支撑(详图)。

臭氧接触池底板模板图

 

墙模板采用内顶外拉方法。主墙内用满堂红脚手架,固定内模。内、外模板采用对控螺栓固定。在池壁外侧回填,拔桩后搭接双排脚手架施工。

臭氧接触池池壁模板图

4.1.4.9 砼工程

    结构砼标号为C25,抗渗标号S8,抗冻标号D150。结构砼分四步完成,第一步砼浇筑到底板标高以上50cm处,第二步砼浇至标高1.35M.T.D回填土,拆除撑杆。第三步浇至标高4.35M.T.D,第四步浇筑砼顶板。 砼采用商品砼。

    施工缝处理同进水提升泵房。

4.1.4.10 试水试验

    试水实验要求同混合反应沉淀池。

4.1.5居住区清水池

4.1.5.1 结构概况

  居住区清水池为钢筋砼结构,底部为φ600的灌注桩。173根灌柱,砼C20,结构砼等级为C25,S6,D150,水池内外壁均为1:2水泥砂浆,抹面

4.1.5.2施工顺序

  灌注桩开槽垫层底板池壁顶板回填土方

4.1.5.3灌注桩施工

  因原施工现场为拆房土回填,无法钻孔打桩,所以先清理现场拆房土,再施工灌注桩,桩长为21m和20m两种桩。详见桩位图。

4.1.5.4 土方开挖

居住区清水池原地面标高挖深至1.83M.T.D,局部挖至0.83 M.T.D,因挖深在2.53--1.53m之间,采用明开的方法,开挖机器选用1m3单斗反铲挖掘机,边坡坡度1:1开挖至灌注桩甩筋上20cm处,其余土方由人工开挖,土方全部外运,在槽底四周做明沟排水,在槽边四角做集水井四座,明沟断面尺寸为0.5×0.5m,开挖后立即回填1寸碎石,集水井尺寸为直径1.5m,深2m


排水:用2寸潜水泵抽水至临时管线,临时管线采用φ300承插口PVC管埋入地下0.5m,20m设收水井1座,井低于地面50cm,内口尺寸0.75×0.75m,壁厚240mm

居住区清水池开槽剖面图


居住区清水池开槽平面图

4.1.5.5验桩

    桩完成14天后采用低应变动力检测的方法验桩。检测数量不小于桩总数的20%。

4.1.5.6垫层

    垫层模板采用100×1500的组合钢模板,一次浇筑完成。砼现场搅拌。

4.1.5.7钢筋工程

木工程所有钢筋现场绑扎焊接加工成型,底版池壁采用梯片1.2m一道作为架力筋。

φ14以下钢筋采用绑扎,φ16以上钢筋采用对焊,纵向钢筋采用电渣压力焊。

4.1.5.8模板工程

整体模板采用普通组合钢模板。底板模板用300×1500与200×1500。底板与池壁采用吊模吊模高300mm。柱脚八字采用竹模板,外部用定型三角支架固定,池壁部分支模采用普通组合钢模板,支撑采用碗扣脚手架。(支模方法同工业区清水池)

4.1.5.9脚手架工程

    为满足钢筋绑扎支模及浇筑砼模板工序,支撑采用WDJ碗扣脚手架组成。池壁内搭设满堂红脚手架,外池壁搭设双排脚手架。(双排脚手架基础处理见4.1.1.8)

4.1.5.10 砼工程

     砼全部采用商品砼泵送,第一步砼浇筑到池壁30cm处,第二步池壁及柱均浇筑6.82处,第三步浇至7.27在中间顶板部分予留一块作为进出材料入口,具体位置在入口附近,作为浇筑完成后的材料运输,予留部分待防水砂浆抹面完成后浇筑微膨胀砼。

    水平施工缝处留设镀锌铁皮或为止水钢板。

4.1.5.11 试水

    清出池内杂物, 池壁上对拉螺栓孔用1:2的干硬性水泥砂浆(内掺3%防水粉)堵抹,池壁布置10个沉降观测点,作好标志,并测量其高程,作好原始记录。

    试水采用两台四寸泵抽水。

试水:

a、         水池充水时的水位上升速度不宜超过2m/d,相临两次充水的间隔时间不应小于24小时。

b、         每次充水宜测读24小时的水位下降值,计算渗水量,当发现渗水量过大时,应停止充水。待处理后方可继续充水。

c、         充水至设计水深进行渗水量测定时,采用水位测针测定。水位测针的读数精确度达到1/10mm

d、         现场测定蒸发量的设备,可采用直径为50cm,高30cm的敞口钢板水箱,并设有测定水位的测针。水箱不得渗漏。

e、         测定水池中水位的同时,测定水箱的水位。

4.1.5.12 装修工程

    池内采用1:2水泥沙浆抹面。应分层紧密连接涂抹,每层的接缝上下错开,并与砼的施工缝错开。

4.1.5.13 回填工程

1)      基坑回填必须在构筑物的地下部分验收合格后及时进行。

2)      回填土的压实度应符合设计要求。

3)      填土表面应略高于地面、清理平整、并利于排水。

4)      试水合格后,立即回填,防止超填,顶板上回填土时,要避免大力夯打。

4.1.6 居住区送水泵房

4.1.6.1 工程概况

    此工程为钢筋砼结构,底板厚500mm,地梁高700mm,宽500mm,墙壁高2.2m,厚250mm。柱截面尺寸为400×400mm,高6.77m,底板以下为φ600的灌注桩,共计20根。砼等级为C20,结构砼为C25,S6。

4.1.6.2 施工流程

灌注桩降水开槽垫层底板墙壁回填土上部结构

4.1.6.3 灌注桩

钻孔灌注桩桩径φ600,桩长19m,工程桩单桩竖向极限承载力标准值QUK=1050KN,在打桩前进行现场静载试验,确定单桩竖向极限承载力标准值,试桩数量3根。桩完成

14天后采用低应变动力检测的方法验桩,检测数量为10根。

4.1.6.4 土方开挖

基础挖深2.72m,采用反铲挖掘机挖土,土方外运。为防止拢动槽底土,机械挖至槽底以上10cm,进行人工清槽底。机械挖完土后,在四周做500×500mm排水沟,在基坑四角各设集水井一个,采用2寸潜水泵抽水排除。

居住区送水泵房开槽平面图

居住区送水泵房开槽平面图

 

4.1.6.5 垫层

模板采用组合钢模板,砼为C10自行搅拌。水泥、砂、石进场后送试进行试验,由实验室出配合比。塌落度为3--5cm

4.1.6.6 钢筋工程

钢筋进场后,应送试进行检验,合格后方可加工使用。钢筋加工采用现场加工区加工,现场绑扎,焊接就位,为保证底板及墙壁钢筋尺寸,设钢筋梯片,间距1.2mΦ16以上钢筋采用焊接,Φ16以下采用搭接。

4.1.6.7 模板工程

    模板采用组合钢模板为主,木模补差,底板吊模高度为20cm。吊模时,在地梁钢筋上焊L型钢筋支撑模板。采用架子管加固(加上止水钢板),模板外侧用三角型支架支撑。

    柱采用组合钢模板内侧搭架设满堂红脚手架,外侧搭设脚手架,固定模板架子管进行加固,以保证模板在砼侧压力。墙模板采用组合钢模板,内侧搭设满堂红脚手架固定内侧模板。外模支模用双排脚手架,采用对拉螺栓,保证在砼侧压力作用下模板的强度和稳定。

    梁及板模板采用组合钢模板为主,木模补差。墙壁内侧搭设满堂红脚手架以支撑及固定模板。

    

居住区送水泵房底板模板图

     

        居住区送水泵房墙壁模板图

居住区送水泵房墙及柱模板图

    

居住区送水泵房柱模板图

居住区送水泵房梁板模板图

4.1.6.8 砼工程

    结构砼标号C25,地下部分抗渗标号为S6,结构砼分五步完成:第一步浇筑底板及地梁,第二步浇筑混凝土±0.000m以下墙壁砼,第三步浇筑混凝土±0.000m4.85m以下柱,第四步浇筑顶板及梁混凝土。地梁与池壁水平施工缝设置遇水膨胀止水条处理。

4.1.7滤站

4.1.7.1 结构概况

    滤站结构6.65MTD以下为钢筋砼结构,6.65MTD以上为钢结构,基础设计桩为钻孔灌注桩,桩径600mm。158根,砼等级C20,结构砼等级为C25,S6。

    考虑装修工程及钢结构工程垂直运输机器,设龙门架一座。

4.1.7.2 施工顺序

灌注桩施工大口井降水开槽垫层基础底板施工框架柱浇筑,池壁浇筑2.7m标高池壁,框架柱2.7m--6.5m3.300走道板及水槽浇筑6.6顶板浇筑

4.1.7.3 灌注桩施工

    施工场地有淤泥,无法施工,必须先清淤,再行换填素土(压实系数0.8-0.85)然后打桩,桩完成14天后采用低应变动力检测的方法验桩,检测数量为10根。

4.1.7.4降水

    滤站降水采用直径600的大口井8座,槽底做明沟排水,明沟井挖后立即回填1寸碎石,明沟断面尺寸0.5×0.5m,槽底四角做四座集水井,直径1.5m2m

4.1.7.5土方开挖

土方开挖采用1m3单斗反铲挖掘机一台,开挖至灌注桩甩筋上20cm处,其余土方由人工清除,开槽土方全部外运,桩头部分由人工剔除。


排水:用2寸潜水泵抽水至临时管线,临时管线采用φ300承插口PVC管埋入地下0.5m,20m设收水井1座,井高于地面50cm内口尺寸0.75×0.75,壁厚240mm

滤站开槽平面图

滤站开槽剖面图

4.1.7.6验桩

    桩完成14天后采用低应变动力检测的方法验桩。检测数量不小于桩总数的20%。

4.1.7.7垫层

    垫层采用100×1500的组合钢模板,一次浇筑完成。砼现场搅拌。

4.1.7.8钢筋工程

钢筋现场加工区加工。

底板池壁采用梯片1.2m一道作为架力筋。φ14以下钢筋采用绑扎,φ16以上钢筋采用对焊,纵向钢筋采用电渣压力焊。

4.1.7.9模板工程

模板采用普通组合钢模板用300×1500与200×1500,底板与池壁采用吊模,底板吊模高0.97m。池壁部分支模采用普通组合钢模板。

滤站底板模板图


滤站墙及柱模板图

4.1.7.10脚手架工程

    为满足工程的钢筋绑扎,支模及浇筑砼顶板等工序,采用WDJ碗扣脚手架,池壁内搭设满堂红脚手架。外池壁搭双排碗扣脚手架。双排脚手架基础处理(详见4.1.1.8)

4.1.7.11砼工程

    砼工程采用商品砼,泵送,底板一次浇筑到池壁970mm处。

    砼一步浇筑到底板及池壁吊模处,二步浇筑中间墙及柱下皮,三步浇筑到2.7处的板及柱,四步浇筑到2.7--6.5柱下皮,五步浇筑滤站内的各种构筑物,六步浇筑6.62处走道板。

4.1.7.12试水

    清出池内杂物,池壁上对拉螺栓用1:2的干硬性水泥砂浆(内掺3%防水粉)堵抹,池壁布置10个沉降观测点,作好标志,并测量其高程,作好原始记录。

    试水采用两台四寸泵抽水。

a、         水池充水时的水位上升速度不宜超过2m/d,相临两次充水的间隔时间不应小于24小时。

b、         每次充水宜测读24小时的水位下降值,计算渗水量,当发现渗水量过大时,应停止充水。待处理后方可继续充水。

c、         充水至设计水深进行渗水量测定时,采用水位测针测定。水位测针的读数精确度达到1/10mm

d、         现场测定蒸发量的设备,可采用直径为50cm,高30cm的敞口钢板水箱,并设有测定水位的测针。水箱不得渗漏。

e、         测定水池中水位的同时,测定水箱的水位。

4.1.7.13回填工程

1)      基坑回填必须在构筑物的地下部分验收合格后及时进行。

2)      回填土的压实度应符合设计要求。

3)      填土表面应略高于地面、清理平整、并利于排水。

4.1.8工业区清水池

4.1.8.1 概况

    工业区清水池结构为。钢混结构,底部有直径600的灌注桩。桩数176根,C20,结构砼等级C25,S6,D50,设计要求满水试验。

4.1.8.2施工流程

   灌注桩降水开槽垫层底板池壁顶板试水试验斜管支承架回填土

4.1.8.3灌注桩

    此工程灌注桩桩径为600mm,分为两种,桩1和桩2,其中桩1为9m配筋,全长18.5m,桩2为全配筋,全长18.5m(17.3)桩顶标高为-2.65M.T.D-1.450M.T.D。甩筋为720mm,工程单桩竖向极限承载力标准值QUK=1293KN

4.1.8.4降水

工业区清水池挖深在4.95~6.15m之间,降水采用大口井降水,打大口井10座,井深15米,槽底做明沟排水,明沟开挖后立即回填1寸碎石,明沟断面尺寸0.5×0.5m,槽底四角作集水井四座,尺寸为直径1.5m,深2m

4.1.8.5土方开挖

    土方开挖采用1m3单斗反铲挖掘机一台,开挖至灌注桩甩筋以上20cm处,其余土方由人工清除,开槽土方全部外运,桩头部分由人工剔除。用2寸潜水泵抽水至临时管线,临时管线采用φ300承插口PVC管埋入地下0.5m,20m设收水井1座,井壁上口高于地面50cm,内口尺寸0.75×0.75m,壁厚240mm

工业区清水池开槽平面图

工业区清水池开槽剖面图

 

4.1.8.6验桩

    桩完成14天后采用低应变动力检测的方法验桩。检测数量不小于桩总数的20%。

4.1.8.7垫层

    垫层采用100×1500的组合钢模板,一次浇筑完成。砼现场搅拌。

工业区清水池池壁八字模板图

4.1.8.8钢筋工程

木工程所有钢筋现场绑扎焊接加工成型,底版及池壁采用梯片1.2m一道作为架力筋。φ14以下钢筋采用绑扎,φ16以上钢筋采用对焊,纵向钢筋采用电渣压力焊。

4.1.8.9模板工程

工业区清水池梁板模板图

 

整体模板采用普通组合钢模板。底板模板用300×1500与200×1500。底板与池壁采用吊模吊模高300mm。池壁八字采用竹模板,外部用定型三角支架固定,池壁部分支模采用普通组合钢模板,支撑采用碗扣脚手架。


工业区清水池底板模板图

 

工业区清水池墙壁模板图

4.1.8.10脚手架工程

    为满足钢筋绑扎支模及浇筑砼模板工序,支撑采用WDJ碗扣脚手架组成。池壁内搭设满堂红脚手架,外池壁搭设双排脚手架。

4.1.8.11砼工程

     砼全部采用商品砼泵送,第一步砼浇筑到池壁30cm处,第二步池壁及柱均浇筑到顶板下。第三步砼浇注顶板,在顶板中间予留一块作为后续工序,材料入口(2×6m)位置在入口附近。予留部分待防水砂浆及导流墙完成后,浇筑做膨胀砼。

    水平施工缝处留设镀锌铁皮作为止水钢板。

4.1.8.12试水

    清出池内杂物, 池壁上对拉螺栓孔用1:2的干硬性水泥砂浆(内掺3%防水粉)堵抹,池壁布置10个沉降观测点,作好标志,并测量其高程,作好原始记录。

    试水采用两台四寸泵抽水。

试水:

a、         水池充水时的水位上升速度不宜超过2m/d,相临两次充水的间隔时间不应小于24小时。

b、         每次充水宜测读24小时的水位下降值,计算渗水量,当发现渗水量过大时,应停止充水。待处理后方可继续充水。

c、         充水至设计水深进行渗水量测定时,采用水位测针测定。水位测针的读数精确度达到1/10mm

d、         现场测定蒸发量的设备,可采用直径为50cm,高30cm的敞口钢板水箱,并设有测定水位的测针。水箱不得渗漏。

e、         测定水池中水位的同时,测定水箱的水位。

4.1.8.13装修工程

    池内采用1:2水泥沙浆抹面。应分层紧密连接涂抹,每层的接缝上下错开,并与砼的施工缝。

4.1.8.14 回填工程

1)      基坑回填必须在构筑物的地下部分验收合格后及时进行。

2)      回填土的压实度应符合设计要求。

3)      填土表面应略高于地面、清理平整、并利于排水。

4)      试水合格后,立即回填,防止超填,顶板土时要避免大力夯打。

 

4.1.9 工业区送水泵房

4.1.9.1 工程概况

    此工程包括送水泵房和吸水井。送水泵房±0.00以下为钢筋砼结构,墙壁高2.48m,厚250mm,底板厚500mm,上部为框架结构,吸水井为钢筋砼结构,墙壁高5.75m,厚400mm,底板厚500mm,底板以下为φ600的灌注桩。桩数34根,砼等级C20,结构砼等级C25,地下部分抗渗标号为S6。

4.1.9.2 施工流程

灌注桩钢桩降水吸水井开槽吸水井垫层吸水井底板吸水井墙壁回填土        拔桩送水泵房

4.1.9.3 灌注桩

钻孔灌注桩桩径φ600,送水泵房桩顶标高-2.6m,桩底标高-21m,桩长18.4m,吸水井桩顶标高-5.8M.T.D,桩底标高-21M.T.D,桩长15.2M.T.D。工程桩单桩竖向极限承载力标准值QUK=1105KN。在打桩前进现场静载试验确定单桩竖向极限承载力标准值,试桩数量为2根。桩完成14天后采用低应变动力检测的方法验桩,检测数量为10根。

4.1.9.4 降水

吸水井设计挖深5.95m,实际挖深因清淤回填故为3.95M。深度较大,采用φ600大口井降水,3座,井深15m,大口井间距12m,在破土前开始打大口井,提前1周降水,观测水面,达到设计槽底50cm以下时,方可破土。用2寸潜水泵抽水至临时管线,经沉淀就近集中流入市政排水管道。临时管采用φ300承接口PVC管,埋入地下0.5m,每20m设吸收井一座,井壁上口高于地面50cm,内口尺寸为0.75×0.75m

4.1.9.5 打桩

    送水泵房挖深2.8m,吸水井挖深5.95m,二者相距3.4m,一深一浅,故现吸水井与送水泵房之间打钢桩,I40间隔80cm,背后做拉锚,吸水井与工业区送水池同时开工。

桩长L=沟槽总深+沟槽总深/2=4.45+4.45/2=6.6758m

钢桩型号为I40,间距80cm。在桩顶以下1.5m处设一道撑杠,采用I36工字钢作横梁,花梁做撑杠。支撑的横梁应在撑杠位置上作支托,用其支承横梁与撑杠,托架可卡在或焊在钢桩上,必须牢固。

打桩采用柴油打桩机,为保证桩位正确,宜采用以下措施:

a.     设置夹板,沿桩位线埋230×30方木,其中间距高于钢桩厚度,为保证距离不变,用穿墙螺栓将2根方木固定,方木外侧用木桩将夹板挤紧,如图。

b.     钢桩使用前必须调直,保持桩直不扭。

c.     桩架每次移动之后,必须做到龙口正向桩位,龙口是不背不抗是垂直,架子稳固。

      

拉锚示意图

 

4.1.9.6 挖土

挖土采用1m3单斗反铲挖掘机,土方外运。第一步在2.35m处打钢桩,在送水泵房一侧做拉锚。第二步挖掘机开挖送水泵房至设计基底以上10cm,进行人工清理槽底,做300×300mm排水沟并放置集水井一座1×1m,第三步开挖吸水井至±0.000以下3.5m处,做好横梁及撑杠,第四步开挖至吸水井设计基底以上10cm,进行人工清槽,并做好排水沟300×300mm,及集水井一座0.75×0.75m,采用2寸潜水泵向外排水。

4.1.9.7 垫层

    模板采用钢模板,砼为C10自行搅拌。水泥、砂、石进场后送试进行检验,由实验室出配合比,塌落度为3--5cm

4.1.9.8 钢筋工程

    钢筋进场后,应送试进行检验,合格后方可加工使用。

钢筋加工采用现场加工区加工,现场绑扎焊接就位,为保证底板及墙壁钢筋尺寸,设钢筋梯片间距1.2m

4.1.9.9 模板工程

模板采用组合钢模板为主,木模补差。送水泵房底板吊模高度为20cm,吸水井吊模30 cm吊模时在主墙钢筋上焊L型钢筋托支撑模板,采用架子管加固模板外侧采用三角支架支撑(详图)。

墙模板采用内稳外拉方法。立墙内用满堂红脚手架,固定里模。里外模板采用对控螺栓固定。池壁外侧搭设双排施工用脚手架。

工业区送水泵房底板模板图

工业区送水泵房柱模板图

 

 

工业区送水泵房墙及柱模板图

工业区送水泵房墙壁模板图

 

工业区送水泵房梁模板图

 

 

4.1.9.10 砼工程

    结构砼标号C25,抗渗标号S6,吸水井砼浇注分三步:基础底板、井壁、顶板。 送水泵房分为:基础底板、砼墙壁及柱、浇注上部砼、浇注梁及顶部。

 

 

 

 

 

 

4.2 建筑物

4.2.1 综合楼

4.2.1.1工程概况

    本工程为钢筋砼框架结构,建筑面积1178m2,抗震等级为七度。建筑层数为三层,局部五层。基础为钻孔灌注桩,桩径为φ600,桩长为21米79根,砼等级C20,桩顶为承台地梁及框架柱。墙体为粘土空心砖填充。结构砼等级C25。

4.2.1.2 施工顺序

灌注桩降水挖槽垫层地梁及承台基础及首层柱基础墙回填土二层柱梁板三层柱梁板四层柱梁板五层柱梁板填充墙装修工程

4.2.1.3 灌注桩

钻孔灌注柱桩径为φ600,桩长为21米,工程桩单桩竖向极限承载力标准值QUK=1341KN,打桩前进行现场静荷载试验确定单桩竖向极限承载力标准值,试桩数量为3根。详见桩位图。

4.2.1.4 挖槽

    本工程基槽挖深1.8m,采用1m3 单斗反铲挖掘机一次挖至灌注桩顶80cm,余下进行人工开挖槽底,在挖槽过程中,再基槽四周随时作好排水沟,截面为300×500mm,并设置集水井4座,直径1m,深2m,设4台潜水泵将水抽入临时管线,经沉淀后排入市政排水管线。挖槽后,剔桩头、验桩。

综合楼开槽剖面图

4.2.1.5 垫层

模板采用钢模板,砼为C10自行搅拌。水泥、砂、石进场后送试检验,由实验室出具配合比,塌落度为3--5cm

4.2.1.6 钢筋工程

钢筋进场后,应送试进行检验,合格后方可加工使用。钢筋加工采用现场加工区加工,现场绑扎,焊接就位。

4.2.1.7 模板工程

    承台、地梁模板采用组合钢模板为主,木模补差。采用架子管进行加固。

    柱采用组合钢模板,内侧搭设满堂红脚手架固定,首层架子下错5cm木板,采用架子管进行加固。

   

综合楼基础承台模板图

 

综合楼柱模板图

      综合楼柱模板固定图

综合楼梁模板图

4.2.1.8 砼工程

    基础砼为C20,其余砼为C25。结构砼分五步完成。第一步砼浇筑承台及地梁,第二步砼浇筑至首层柱、梁、板,第三步浇筑二层柱梁板,第四步浇筑三层柱梁板,第四步四层柱梁板,第五步五层柱梁板。砼采用商品砼进行浇筑。

4.2.1.9 脚手架工程

    主体施工:搭设双排防护脚手架。梁、柱、板为满堂红脚手架,装修采用双排脚手架。

4.2.1.10 施工机械

根据建筑物的施工需要,安装2台龙门架作为垂直运输工具。

4.2.2 CMF净水间

4.2.2.1结构概况

    CMF净水间基础为桩基,承台,上部结构为轻钢结构,桩基为钻孔灌注桩φ600,桩长17m,38根,砼等级C20。单桩竖向承载力标准值911KN。承台厚度为800mm,层心土采用搅拌桩加固。

4.2.2.2施工顺序

灌注桩施工开槽验桩垫层承台施工柱梁板钢结构施工

4.2.2.3灌注桩施工

     此工程灌注桩桩径为600mm,全长17m,桩顶标高为-1.700MTD。甩筋为72cm,工程单桩竖向极限承载力标准值QUK=911KN

4.2.2.4开槽

    桩基施工7天以后,方可进行土方开挖,采用明开方式。设明沟(断面尺寸0.5×0.5m)和集水井降水,用2寸潜水泵抽水至临时管线,临时管线采用φ300承插口PVC管,埋入地下0.5m,每20m设收水井1座,井低于地面50cm,内口尺寸0.75×0.75m,壁厚240mm

土方开挖分二层开挖,第一步,机械开挖采用1m3单斗反铲挖掘机,挖深从±0.000 MTD ~-1.2 MTD ,第二步从-1.2 MTD ~-1.9 MTD人工开挖。

CMF净水间开槽剖面图

 

CMF净水间开槽平面图

4.2.2.5验桩

   桩完成14天后采用低应变动力检测的方法验桩。检测数量为10根(按规范要求)。

4.2.2.6垫层

    垫层C10砼,现场搅拌。

承台支模采用组合钢模板,将φ48脚手架砸入槽底1m,作为模板加固支撑体系。

4.2.2.7钢筋工程

木工程所有钢筋现场绑机焊接加工成型,池壁采用梯片1.2m一道作为架力筋。

φ14以下钢筋采用绑扎,φ16以上钢筋采用对焊,纵向钢筋采用电渣压力焊。

4.2.2.8模板工程

承台支模采用组合钢模板,将φ48脚手架砸入槽底1m,作为模板加固支撑体系,整体模板采用普通组合钢模板。底板模板用300×1500与200×1500。底板与池壁采用吊模吊模高300mm。池壁八字采用竹模板,外部用定型三角支架固定,池壁部分支模采用普通组合钢模板,支撑采用碗扣脚手架。

CMF净水间基础承台模板图

 

 


CMF净水间墙及柱模板图

 

4.2.2.9 砼工程

     砼全部采用商品砼泵送,砼一步浇筑地梁和承台,二步浇筑到梁底,三步浇筑板梁。

4.2.2.10脚手架工程

    为满足钢筋绑扎支模及浇筑砼模板工序,支撑采用WDJ碗扣脚手架组成。池壁内搭设满堂红脚手架,外池壁搭设双排脚手架。

4.2.2.11 回填工程

1)      基坑回填必须在构筑物的地下部分验收合格后及时进行。

2)      回填土的压实度应符合设计要求。

3)      填土表面应略高于地面、清理平整、并利于排水。

4.2.3加氯间

4.2.3.1结构概况

因以下工程的结构型式均为基础打灌注桩,房心填土打搅拌桩,单层框架结构,承台,地梁、柱,顶板等工程,所以以下工程:4#空压机与鼓风机房、5#臭氧发生间、10#加药间、15#变配电站、16#分配电站、18#车库、机修、19#门卫、大门,均以加氯间做代表加以说明。

4.2.3.2施工顺序

     灌注桩搅拌桩地梁,承台梁板填充墙装修工程回填土方

4.2.3.3灌注桩施工

    此工程灌注桩桩长20.1m,桩径600mm,桩顶标高为-1.7MTD和1.65MTD。甩筋为700mm,工程单桩竖向极限承载力标准值QUK=>1110KN

4.2.3.4土方开挖

    桩基施工完成后,可进行土方开挖,采用明开方式。机械采用1m3单斗反铲挖掘机,设明沟(断面尺寸0.5×0.5m)和集水井(直径1m、深1.2m)用2寸潜水泵抽水至临时管线,临时管线采用φ300承插口PVC管埋入地下0.5m,20m设收水井1座,井低于地面50cm内口尺寸0.75×0.75m,壁厚240mm

挖土顺序为一步由挖掘机开挖至桩顶甩筋上20cm处,二步由人工开挖至设计标高。

加氯间开槽剖面图

加氯间开槽平面图

 

4.2.3.5验桩

    人工开挖后剔除桩头,桩完成14天后采用低应变动力检测的方法验桩。检测数量不小于桩总数的20%,如果检测数量少于10棵,按10棵检测。

4.2.3.6垫层

    砼垫层C10砼,现场搅拌。

4.2.3.7钢筋施工

钢筋现场绑机成型。承台采用梯片1.2m一道作为架力筋。φ14以下钢筋采用绑扎,φ16以上钢筋采用对焊,纵向钢筋采用电渣压力焊。

4.2.3.8模板工程

承台支模采用组合钢模板,将φ48脚手架砸入槽底1m,作为模板支撑体系。柱模设满堂红架子。梁板模板支撑同综合楼,支撑架下铺板。

加氯间基础承台模板图

4.2.3.9砼工程

   砼全部采用商品砼泵送。砼一步浇完承台及地梁,二步柱浇至梁下皮,三步浇筑梁板。

4.2.3.10脚手架工程

    为满足钢筋绑机支模及浇筑砼模板工序,支撑采用WDJ碗扣脚手架组成。池壁内搭设满堂红脚手架,外池壁搭设双排脚手架。

4.2.3.11 回填工程

1)      基坑回填必须在构筑物的地下部分验收合格后及时进行。

2)      回填土的压实度应符合设计要求。

3)      填土表面应略高于地面、清理平整、并利于排水。

 

 

5.主要分部分项工程施工工艺及质量标准

5.1施工测量

5.1.1平面控制测量

  根据交桩点位回用水点图相对坐标在中水厂全场布设控制点。间距100cm,要求控制点牢固。可靠视野开阔。

 

5.1.2 高程控制测量

    在四周布设附合水准线,按照四等水准测量要求施测。布设3个水准点间距75m,水准点布设安全牢固地方,并与建设单位提供已知水准点进行联测和平差计算。

5.1.3 施工放样

  根据线路要素控制点的坐标值,计算出所需放样的桩位坐标数据,然后在平面控制点上,支设全站仪,后视另一控制点,将测站点,后视点,放样点的坐标数据输入全站仪,然后放样所需桩位。

5.1.4 测量管理

施工现场必须坚持数据计算,施测点位必须复测,项目部放样点位必须上报监理工程师,经监理测量工程师复核合格方可投入使用。平面控制网坚持每月复测一次,进行坐标平差,高程控制点15天进行一次。

5.2 灌注桩施工

5.2.1施工机械设备

a、         根据设计的施工工艺及地质情况,结合我公司的实际情况。选用KQ800型潜水钻孔机多台。该机是河北省新河钻机厂生产的潜水钻孔机,该机因上部固定,钻机自重垂直钻进,进尺较快,钻孔垂直度好,钻杆无扰动,孔壁稳定整齐、不易塌孔及沉渣少的特点。

b、         该机是配套施工平行作业成孔后由KQ800型4台灌灰机立即浇灌,工序紧凑,对工期和工程质量都有保证。

KQ800型钻机主要技术参数

钻孔直径

mm

钻孔深度

主轴转数

转/分

公率

千瓦

潜水电机转数

转/分

钻机重量

500-1000

80

146

22

960

0.7

 

 

 

 

 

 

 

 

5.2.2施工工艺

 

 

 

 

 

 

 

 

 

 

 

 

 

 

 

 

 

 

 

 

 

 

 

 

 

 

 

 

 

 

 

 

 

 

 

 

 

 

 

 

 

   

5.2.3埋设护筒

稳护筒前,将桩点在不同方向设置栓桩,稳护筒时用十字架架于护筒顶面,使其与桩位对正,保证桩位不位移、不倾斜。护筒内侧用旱平找直,然后将护筒与四方木联成一个整体,四周必须填充填实,其密实度≥0.93。施工前应定出桩位并埋位并埋好成孔护筒,护筒内径要比桩身设计直径大100mm,护筒中心与桩位中心偏差20mm。并保证护筒垂直;护筒深度应超过杂质土层深度,且护筒底埋入原土深度宜200mm

5.2.4 泥浆配制

    设置泥浆槽与泥浆泵,泥浆采用膨胀土泥浆,用搅拌器搅拌均匀,静置一段时间,促使膨胀润土颗粒充分水化、膨胀,泥浆比重为1.15--1.2之间。

5.2.5 安装钻机

    钻机定位准确、水平、稳定,机车找平,调整钻杆垂直度与桩中心对正。

5.2.6钻机成孔

开孔时,采用正循环法,轻压慢转,待穿过护筒1--2m时加扶正器。在成孔过程中,根据不同的土质适时调整钻进参数、泥浆稠度,每隔1小时测一次泥浆浓度,为防止塌孔、钻孔偏斜、卡钻等情况发生,用检孔器每5m检一次,终孔时,对孔径、空深、形状、深度、倾斜度及孔底沉渣、土质进行检验。成孔过程中孔内泥浆液面应保持稳定。正循环成孔不应低于自然地面30cm。在相邻混凝土刚灌注完毕的邻桩旁成孔施工,其安全距离不宜小于4d,或最小时间间隔不应少于36h

5.2.7清孔成孔达到设计深度后,进行清孔钻机空转不进尺,同时注入泥浆进行置换,清到一定时间,钻孔停转注入洗孔并测泥浆比重及孔深合格后可提钻。孔壁土质较差者,宜用泥浆循环或抽渣筒抽渣清孔,清孔后距孔底0.2~1.0m处的泥浆比重应控制在1.15~1.25,粘度≤28s,含砂率≤10%。清孔过程中必须及时补给足够的泥浆以保持孔内浆液面的稳定。清孔后孔底沉淤允许厚度为200~300mm。(用带圆锥形测锤的标准水文绳测度)

5.2.8 吊装钢筋骨架及二次清孔

     钢筋笼制作:制作钢筋笼主筋与加强筋必须焊接牢固,螺旋筋与主筋点焊结实,按设计和规范要求制作。钢筋笼质量必须符合设计和规范要求,焊接牢固、结实、允许偏差应在规范要求之内,焊接时电流不宜过大,以免咬肉。焊笼架必须平整,以保证笼的正直和钢筋位置准确。为保证保护层厚度,在笼的上、中、下三点焊耳型钢筋。钢筋笼焊接完,要进行自检发现漏焊及时复焊,使用前必须经现场监理人员检查,检查合格后方能使用,随时做好钢筋隐蔽检查记录除按设计要求外,当用导管灌注水下混凝土时,灌注桩钢筋笼内径应比导管接头外径大100mm以上。钢筋笼在制作、运输和安装过程中采取措施,防止不可恢复的变形,并设置保护垫块。钢筋笼吊放入孔时不得碰撞孔壁,其顶面、底面的标高、平面位置均应符合设计要求时,误差不大于50mm。钻孔灌注桩各工序应连续进行,钢筋笼放入孔内后,应进行第二次清孔,在测得沉淤厚度符合规定后半小时内必须灌注混凝土,灌注充盈系数(实际灌注混凝土体积与设计桩身计算体积之比)不小于1,一般土质为1.1,软土为1.2~1.3。钢筋骨架就位后,固定于设计标高位置,并同时固定孔口使其悬直于孔内。支撑系统应对准中线防止钢筋骨架倾斜和移动。在钢筋骨架上事先安设控制钢筋骨架与孔壁净距的圆形混凝土垫块,这些垫块应可靠地以等距离绑在钢筋骨架周径上,钢筋骨架底面高程允许偏差为±50mm

5.2.9吊装导管

    吊装导管前,应在地面上做闭水实验,确保导管及接口密封不漏水,吊装前应先测试孔深,确定导管长度,导管直径为250cm,每节长度3m

5.2.10水下混凝土灌注

    a.水下灌注桩混凝土的材料按下列要求操作。

1)水泥标号不低于425号,其初凝时间不早于2.5h

2)粗集料采用级配良好的碎石。

3)粗集料粒径不得大于导管内径的1/8及钢筋最小净距的1/4,同时不得大于40mm

4)细集料采用级配良好的中砂。

5)混凝土的含砂率为40%-50%。

6)坍落度为180~220mm

7)除非监理工程师另有许可,水泥用量应不少于350kg/m3,水灰比为0.5~0.6

b.水下混凝土的灌注

1)灌注水下混凝土前,应检测孔底泥浆沉淀厚度,如大于图纸的清孔要求,应再次清孔直至符合要求。沉淀厚度图纸要求为小于等于100mm,规范要求为小于等于50mm,本工程按小于等于50mm执行。

2)混凝土拌和物由罐车运至灌注地点时,应检查其均匀性和坍落度,如不符合要求的应进行第二次拌和,二次拌和仍达不到要求的则不得使用。

3)孔身及孔底得到监理工程师认可和钢筋骨加安放后,应立即开始灌注混凝土,并应连续进行不得中断。灌注混凝土时,混凝土的温度不应低于5,当气温低于0时,灌注混凝土应采取保温措施。强度未达到设计等级50%的桩顶混凝土不得受冻。

4)混凝土采用导管灌注,导管由管径不小于250mm的钢管组成,用装有垫圈的法兰盘连接管节,导管使用前必须进行水密,承压和接头抗压抗拉试验,保证导管不漏水。在灌注混凝土开始时,导管底部至孔底应有250~400mm的空间,首批灌注混凝土的数量应能满足导管初次埋置深度(1.0m)和填充管底部的需要。以防止泥浆冲入管内,且不得大于6m。应经常量测孔内混凝土面层的高程,及时调整导管出料口与混凝土表面的相应位置,并始终予以严密监视,导管应在无水进入的状态下填充。管底在任何时候应在混凝土顶面以下2m。输送到桩中的混凝土,应一次连续操作,初凝前,任何受污染的混凝土应从桩顶清除。

5)浇筑混凝土的数量应做好记录,并随时测量并记录导管埋置深度和混凝土的表面高度,以便和盘数、体积、深度相对应。

6)灌注桩成孔过程和灌注混凝土过程中所有排出孔外的泥浆,经沉淀后要及时装入运浆车外运,以免造成环境污染。

7)混凝土应连续灌注,直至灌注的混凝土顶面高出图纸规定或监理工程师确定的截断高度才可停止浇注,以保证截断面以下的全部混凝土均达到强度标准。

8)灌注的桩顶高应比设计高出一定高度,一般为0.5~1.0m,以保证混凝土强度,多余部分凿除,桩头无松散层。

5.2.11 桩的无破损检查

    桩砼浇注14天后,可进行无破损检验,合格后进行下一道工序。检测数量不小于桩总数20%(低压变动力检测方法),如果检测数量不足10棵,按10棵检测。

5.2.12 质量标准

    制作钢筋笼允许偏差应符合下列要求:

项次

项目

允许偏差(mm

1

主筋间距

±10

2

箍筋间距

±20

3

钢筋笼直径

±10

4

钢筋笼长度

±10

 

钻进成孔质量标准                   

       

     

钻孔中心位置

     

0.05~+0.10d

   

0.5%

     

比设计深度深300~500mm

5.3 搅拌桩

5.3.1 作业条件

1.  依据地质勘察资料进行室内配合比试验,结合设计要求,选择最佳水泥加固掺入比,确定搅拌工艺。

2.  依据设计图纸,编制施工方案,做好现场平面布置,安排施工进度,布置水泥浆制备的灰浆池,有条件时将水泥浆制备系统安在流动挂车上,便于流动供应,采用泵送浇筑时,泵送距离小于50m为宜。

3.  清理现场地下、地面及空中障碍物,以利施工安全。

4.  测量放线,定出每一个桩位。

5.  机械设备配置:深层搅拌机、起重机(搭架式)及导向、量测、固化剂制备等系统。

6.  如施工现场表土较硬,需要注水搅拌时,现场四周设排水沟及集水井。

5.3.2 操作工艺

5.3.2.1 深层搅拌法水泥土固结原理及操作工艺

1.  利用水泥系作为固化剂,通过特殊的深层搅拌机在地基深处就地将软粘土与水泥浆强制拌和后,首先发生水泥分解,水化反应生成水化物,然后水化物胶结与颗粒发生离子交换,因粒化作用,以及硬凝反应,形成具有一定强度和稳定性水泥加固土,从而提高地基承载力及改变地基土物理力学性能,达到加固软土地基效果。

2.  深层搅拌两台电动机分别通过减速器,搅拌轴使搅拌头回转切削软土,并经中心管(内穿一根输浆管)向地基土中压入固化剂,强制拌和成水泥加固土。

5.3.2.2 深层搅拌法施工工艺特点:

    根据上部结构的要求,可布置成柱状、壁状、和块状三种加固形式。柱(桩)状加固形式:每间隔一定的距离打设一根搅拌桩。壁状加固形式:将相邻搅拌桩部分重叠搭接而成。块状加固形式:纵横两个方向的相邻桩搭接而成。

5.3.2.3 深层搅拌桩施工工艺

1.  定位对中:吊车悬吊深层搅拌机到达指定桩位,对中。

2.  预搅下沉:启动深层搅拌机电机,待搅拌头转速正常后放松起吊钢丝绳,使搅拌机沿导向架边搅拌边下沉,下沉速度由电气控制装置的电流监测表控制,工作电流不应大于额定值。

3.  制备固化剂浆液:深层搅拌机预搅下沉同时,后台拌制固化剂浆液,待压浆前将浆液倒入集料斗中。

4.  喷浆搅拌提升:深层搅拌机下沉到达深度后,开启灰浆泵,待浆液到达喷浆口,再按设计确定的提升速度边喷边提升深层搅拌机,使浆液和土体充分拌和直至地面。

5.  重复搅拌:深层搅拌机喷浆提升至设计顶面标高时,关闭灰浆泵,搅拌机宜在桩顶2m范围(加固段)重复下沉、提升、拌和一次,这时集料斗中的浆液应正好排空,为使软土和浆液搅拌均匀,再次将深层搅拌机下沉,至设计要求深度后,再将深层搅拌机提升出地面。

6.  移位:重复上述五个步骤进行下一根桩的施工。

    关闭电机,移位至新的加固点。

5.3.3 质量标准

1.  保证项目

    深层搅拌桩使用的水泥品种、标号、水泥浆的水灰比,水泥加固土的掺入比和外加剂的品种掺量,必须符合设计要求。

    检验方法:检查出厂证明、合格证试验报告及施工记录。

2.  基本项目

(1)   深层搅拌桩的深度、断面尺寸、搭接情况整体稳定和墙体、桩身强度必须符合设计要求。

检验方法:

1)  一般成桩后两周内用钻机取样检验,开挖检查断面尺寸,观察桩身搭接及搅拌均匀程度,桩身不能有渗水现象。

2)  搅拌桩质量检验,使用轻便触探,根据触探击数判断各段水泥浆强度。

(1)   现场载荷试验:用此法进行工程加固效果检验,因为搅拌桩地质量与成桩工艺、施工技术密切相关,用现场载荷试验所得到的承载力完全符合实际情况。

(2)   定期进行沉降观测,对正式采用深层搅拌加固地基的工程,定期进行沉降观测、侧向位移观测,是直观检验加固效果的理想方法。

3.  允许偏差

    深层搅拌桩的质量允许偏差和检验方法应符合表4-3的要求。

检查数量,按墙(柱)体数量抽查5%。

深层搅拌桩允许偏差                          表4-3

项目

允许偏差(mm

检查方法

桩体桩顶位移

10(20)

用尺量检查

桩体垂直度

0.5H/1000

用测量仪或吊线和尺量检查

5.4钢筋工程

5.4.1 钢筋施工

    钢筋直径>=22以上采用单面焊,焊缝10d;钢筋直径<22下搭接,级钢筋搭接42d;I级钢筋搭接30d。温度缝处,固定橡胶止水带采用Ω型钢筋固定。

5.4.1.1钢筋的检验及使用要求

项目

有关规定要求

钢筋性能

      钢筋力学性能必须符合钢筋种类和质量要求的规定。钢筋应有出厂质量保证书或试验报告书,并做物理和化学试验。

钢筋的验收存放

       钢筋按不同钢筋种类、等级、牌号、规格及生产厂家分批验收分别堆放,不得混杂,且立牌表明以识别,钢筋运输,存放,应避免锈蚀,污染,露天堆放时,垫高并加遮盖。

钢筋使用

       钢筋外表有严重锈蚀,麻坑,裂纹夹砂和夹层缺陷时,应予剔除不得使用。

钢筋代换

        钢筋的类别和直径应按设计规定采用,以另一种强度牌号或直径的钢筋代替设计所规定钢筋时,应了解设计意图和代用钢材性能,并须符合工程设计规范有关规定,如有代换必须请监理认可。

5.4.1.2钢筋加工

项目

加工注意要点

钢筋调直和清除污锈

1、     钢筋的表面应洁净,使用前应将表面油渍、漆皮、鳞锈等清除干净。

2、     钢筋应平直,无局部弯折,成盘的钢筋和弯曲的钢筋均应直。

3、     采用冷拉方法调直钢筋时,I级钢筋的冷拉率不宜大于2%;II、III级钢筋的冷拉率不宜大于1%。

钢筋断配料要求

      钢筋加工配料时,要准确计算钢筋长度,如有弯钩或弯起钢筋,应加其长度,并扣除钢筋弯曲成型的延伸长度,再根据调直后的钢筋长度,统一配料,以便减少钢筋的断头废料和焊接量。

5.4.1.3钢筋焊接

a)       钢筋焊接使用焊条、焊剂的牌号、性能以及接头中使用的钢板和型钢均必须符合设计要求和有关规定。

b)       焊接成型时,焊接处不得有水锈、油渍等。焊接后在焊拉处不得有缺口、裂纹及较大的金属焊瘤,用小锤敲击时,应发出与钢筋同样的清脆声。钢筋端部的扭曲、弯折应予以校直或切除。

c)       钢筋闪光接触对焊接头处不得有裂纹,与电极接触的钢筋表面,对于级钢筋不得有明显的烧伤。

d)       钢筋电弧焊焊缝表面平整,不得有较大的凹陷、焊瘤,接头处不得有裂纹。

e)       钢筋闪光焊接质量要求

项目

允许偏差

(mm)

检验频率

检验方法

范围

点数

1

抗拉强度

符合材料

性能指标

每年(每批各

抽3件)

1

《GB228-76金属拉

力实验》执行

2

冷弯

1

3

接头弯折

不大于4度

不大于0.1d

不大于2mm

每件(每批抽

10%且不少于

10件)

1

用刻槽尺和木楔形

塞尺量最大值

4

接头处钢筋轴

线线的偏移

1

f)       钢筋电弧焊质量要求

项目

允许偏差

(mm)

检验频率

检验方法

范围

点数

1

抗拉强度

符合材料性能指标

每批抽检3件

 

《GB228-76金属拉力实验》执行

2

帮条沿接头中心的纵向偏移

0.5d

每件(每批抽10%且不少于10件)

1

用焊接工具和尺量

3

接头处钢筋轴线的偏移

4度

1

4

接头处钢筋轴线的偏移

0.1d3

1

5

焊缝厚度/宽度

0.05d/0.1d

2

6

焊缝长度/咬内深度

-0.5d/0.5d

2

7

焊接表面上气孔及夹渣数量和大小

在2d长度上

不大于2个

2

直径

不大于3

注:d为钢筋直径

 

 

5.4.1.4钢筋电弧焊焊条型号要求

电焊焊接使用的焊条

钢筋电弧焊接使用焊条

序号

钢筋级别

搭接焊绑条焊

熔槽绑条焊

电焊机性能要求

1

I级

结422

结426

交流、直流

2

II级

结502,结506

结556

直流

3

III级

结506

结606

直流

5.4.1.5钢筋接头的质量要求

a)

项目

钢筋接头的有关规定和要求

钢筋接头方法的采用

     钢筋接头一般采用焊接,螺纹钢筋可采用挤压套管接头,对直径等于或小于22毫米的钢筋,在无焊条件时,可采用绑扎接头。

钢筋的纵向焊接

      应采用闪光对焊,当缺乏闪光对焊条件时,可采用电弧焊(绑条焊搭接焊,熔槽绑条焊等)。钢筋的交叉连接,无电阻电焊机时,可采用手工电弧焊。

搭接焊,绑条焊电弧焊的要求

      钢筋接头采用搭接焊或绑条焊时,要尽量做成双面焊缝,只有当不能做成双面焊缝时,才允许采用单面焊缝。

b)

钢筋接头位置与接头截面积

接头形式

接头面积最大百分率

 

受拉区

受压区

主筋绑扎接头

25

25

主筋焊接接头

25

25

注:1、搭接 长度区段内是指30d长度范围内,但不得小于50cm;2、在同一根钢筋上应尽量少设接头;3、受力钢筋焊接或绑扎接头应设置于内力较小处,并错开布置,两接头间距不小于1.3倍搭接长度。

接头与钢筋弯曲处的距离

电弧焊和绑扎接头与钢筋弯曲处的距离不应小于10d,也不宜位于构件的最大弯矩处。

钢筋绑扎搭接长度

钢筋种类

混凝土标号

15

大于等于30

受力情况

受拉

受压

受拉

受压

 

I级钢筋

35d

25d

30d

20d

II级钢筋

40d

30d

35d

25d

III级钢筋

45d

35d

40d

30d

 

5.4.1.6钢筋绑扎的工艺要求:

a)     钢筋均采用墨斗弹线绑扎,确保钢筋的绑扎尺寸准确无误。

b)     为保证钢筋的保护层厚度,在每平方米模板范围上放一块垫块,在异型模板面上至少放两块垫层。

c)     施工过程中应尽量减少工艺筋的预留和预埋,以防止几何尺寸出现误差和钢筋锈蚀。工艺筋必须设置的部位,首先应有工艺筋施工措施做指导,由钢筋技师负责实施。绑扎钢筋时还要处理好预留孔和预埋。

d)     底板上层钢筋采用梯片固定,梯片间距1.2m;池壁甩筋应同时绑扎,为保

   证钢筋平整度,位置准确,整体性,池壁钢筋绑扎采用梯片,间距1.4m

   2m电焊一处。池壁甩筋用钢管做顺水,与吊模钢管固定。

e)     钢筋的交叉点应用铁丝绑牢,必要时,亦可用电焊焊牢。

f)     箍筋的末端应向内弯钩,箍筋转角与钢筋的交接点均应绑扎牢。

g)     池壁的竖向钢筋搭接时,转角处的钢筋弯钩应与模板成90度。采用插入式振动器浇注小型截面柱时,弯钩与模板的角度最小不得小于15度,在浇筑过程中不得松动。绑扎用的铁丝要向里弯,不得伸向保护层内。

 

1.     钢筋加工检验标准见表

序号

项目

允许偏差(mm)

检验频率

检验方法

范围

点数

1

冷拉率

设计规定

每根(每一类型抽查10%,且不少于5根)

1

用尺量

2

受力钢筋成型长度

+5  -10

1

3

弯起钢筋

弯起点位置

±20

2

弯起高度

0   -10

1

4

箍筋尺寸

0   5

 

2

用尺量,宽、高,各计1点

 

 

 

       2.钢筋安装检验标准见表

序号

项目

允许偏差(mm)

检验频率

检验方法

范围

点数

1

顺高度方向配置两排以上受力筋的排距

±5

每个构件或构筑物

2

用尺量

2

受力钢筋间距

梁、柱

±10

2

在任意一个断面取每根钢筋间距最大偏差值计1点

板、墙

±10

2

基础

±20

4

3

箍筋间距

±20

5

用尺量

4

保护层厚度

梁、柱

±5

5

用尺量

板、墙

±3

基础

±10

5

同一截面内受拉钢筋接头截面积占钢筋总截面积

25%

 

点数计算截面面积

注:同一截面指30d长度500mmd为一根受拉筋的直径             

 

5.5模板工程

5.5.1 操作工艺

1.  基础模板安装

(1)   根据基础墨线钉好压脚板,用U型卡或连接销子把定型模板扣紧固定。

(2)   安装四周龙骨及支撑,并将钢筋位置固定好,复核无误。

2.  柱模板安装

(1)   按照放线位置钉好压脚板。

(2)   按柱模板设计图的模板位置,由下至上安装模板,模板之间用契形插销插紧,转角位置用联结角模板将两模板连接。

(3)   安装柱箍:柱箍可用钢管、型钢等制成,柱箍应根据柱模尺寸、侧压力大小等因素进行设计选择,必要时可增加穿墙螺栓。

(4)   安装柱模的拉杆或斜撑:柱模每边的拉杆或顶杆,固定于事先予埋在楼板内的钢筋环上,用花篮螺栓或可调螺杆调节校正模板的垂直度,拉杆或顶杆的支承点要牢固可靠,与地面的夹角宜不大于45度。

3.  剪力墙模安装

(1)   按放线位置钉好压脚板,然后进行模板的拼装,边安装边插入穿墙螺栓和套管。穿墙螺栓的规格和间距在模板设计时应明确规定。

(2)   有门窗洞口的墙体,宜先安好一侧模板,待弹好门窗洞口位置线后再安另一侧模板,且在安另一侧模板之前,应清扫墙内杂物。

(3)   根据模板设计要求安装墙模的拉杆或斜撑。一般内墙可在两侧加斜撑,若为外墙时,应在内侧同时安装拉杆和斜撑,且边安装边校正其平整度和垂直度。

(4)   模板安装完毕,应检查一遍扣件、螺栓、拉顶撑是否牢固,模板拼缝以及底边是否严密特别是门窗洞边的模板支撑是否牢固。

4.  梁模板安装

(1)   在柱子上弹出轴线、梁位置线和水平线。

(2)   梁支架的排列、间距要符合模板设计和施工方案的规定,一般情况下,采用可调式钢支顶其间距为400~1000mm不等,具体视龙骨排列而定;采用门架支顶加可调上托时其间距有600、900、1800mm等。

(3)   按设计标高调整支柱的标高,然后安装木枋或钢龙骨,铺上梁底板,并拉线找平。当梁底板跨度等于及大于4m时,梁底应按设计要求起拱,如设计无要求时,起拱高度为梁跨的1~3

(4)   支顶之间应时水平拉杆和剪刀撑,其竖向间距不大于2m,若采用门架支顶,门架之间应用交叉杆联结。若楼层高度超过4.5m以上时,要另行设计。

(5)   支顶若支承在基土上时,应对基土平整夯实,并满足承载力要求,并加木垫板或混凝土垫块等有效措施,确保混凝土在浇筑过程中不会发生支顶下沉。

(6)   梁的两侧模板通过联接模用U型或插销与底板连接。

(7)   当梁高超过750mm时,侧模宜增加穿梁螺栓。

(8)   梁柱接头的模板构造应根据工程的特点进行设计和加工。

5.  楼模板安装

(1)   底层地面应夯实,并铺设脚板。采用多层支架支模时,支顶应垂直,上下层支顶应在同一竖向中心线上,而且要确保多层支架间在竖向与水平向的稳定。

(2)   支顶与龙骨的排列和间距,应根据楼板的混凝土重量和施工荷载大小在模板设计中确定,一般情况下支顶间距为800~1200mm,大龙骨间距为600~1200mm,小龙骨间距为400~600mm,支顶排列要考虑设置施工通道。

(3)   通线调节支顶高度,将大龙骨找平。

(4)   铺模板时可从一侧开始铺,每两块板间的边肋上用U型卡连接,生口板位置可L型插销连接,U型卡间距不宜大于300mm。卡紧方向应正反相间,不要同一方向。对拼缝不足50mm,可用木板代替。若采用SP——模板系列,除沿梁周遍铺设的模板边肋上用  型插销连接外,中间铺设的模板不用插销连接。与梁模板交接处可通过固定角模用插销连接,收口拼缝处可用木模板或用特制尺寸的模板代替,但拼缝要严密。

(5)   楼面模板铺完后,应检查支柱是否牢固,模板之间连接的U型卡或插销有否脱落、漏插,然后将楼面清扫干净。

6.  模板拆除

(1)   柱子模板拆除:先拆除掉斜拉杆或斜支撑,然后拆掉柱箍及对拉螺栓,接着拆连接模板的U型卡或插销,然后用撬棍轻轻撬动模板,使模板与混凝土脱离。

(2)   墙模板拆除:先拆除斜拉杆或斜支撑,再拆除穿墙螺栓及纵横龙骨或钢管卡,接着将U型卡或插销等附件拆下,然后用撬棍轻轻撬动模板,使模板离开墙体,将模板逐块传下堆放。

(3)   楼板、梁模板拆除。

1)  先将支柱上的可调上托松下,使代龙与模板分离,并让龙骨降至水平拉杆上,接着拆下全部U型卡或插销及连接模板的附件,再用钢钎撬动模板,使模板块降下由代龙支承,拿下模板和代龙,然后拆除水平拉杆及剪刀撑和支柱。

2)  拆除模板时,操作人员应站在安全的地方。

3)  拆除跨度较大的梁下支顶时,应先从跨中开始,分别向两端拆除。

4)  楼层较高,支模采用双层排架时,先拆上层排架,使龙骨和模板落在底层排架上,待上层模板全部运出后再拆下层排架。

5)  若采用早拆型模板支撑系统时,支顶应在混凝土强度登记达到设计的100%方可拆除。

6)  拆下的模板及时清理粘结物,涂刷脱模剂,并分类堆放整齐,拆下扣件及时集中统一管理。

5.5.2 质量标准

1.  保证项目

    模板及其支架必须具有足够的强度、刚度和稳定性;其支承部分应有足够的支承面积,如安装在基土上,基土必须坚实,并有排水措施。

2.  基本项目

    模板接缝宽度不得大于1.5mm

    模板表面清理干净并采取防止粘结措施,模板上粘浆和漏涂隔离剂累计面积:墙、板应不大于1000cm2;柱、梁应不大于400 cm2

3.  允许偏差

定型组合钢模板安装的允许偏差见表6-1。

模板安装允许偏差

允许偏差项目

项目

允许偏差(mm

单层

多层

高层

框架

多层

大模

高层

大模

1

轴线

位移

基础

5

5

5

5

柱墙梁

5

3

5

3

2

标高

±5

+2

-5

±5

±5

3

截面

尺寸

基础

±10

±10

±10

±10

柱墙梁

+4

-5

+2

-5

±2

±2

4

每层垂直度

3

3

3

3

5

相邻两板

表面高低差

2

2

2

2

6

表面平整度

5

5

2

2

7

予埋钢板

中心线位移

3

3

3

3

8

予埋管预留孔

中心线位移

3

3

3

3

9

予埋

螺栓

中心线

位移

2

2

2

2

外露长度

+10

-0

+10

-0

+10

-0

+10

-0

10

预留孔

中心线

位移

10

10

10

10

截面

内部尺寸

+10

-0

+10

-0

+10

-0

+10

-0

 

5.6 砼质量保证措施

5.6.1.砼工程

    底板砼采用商品混凝土,泵送,根据底板温度缝的位置,分仓浇筑到水平施工

缝底板上皮,池壁0.5m处,并埋设止水钢板,止水钢板厚度为3mm,宽为312cm,搭接50cm。浇注步骤为:先浇注底板,全部浇注完毕后,浇注池壁50 cm混凝土。

6.1.1.1 商品砼的质量要求

    商品砼必须严格按配合比组织生产。为加强对砼生产过程的控制,除选择信誉好的生产厂家外,还要向拌合站派驻内部质检员监督检查各种原材料到货情况、计量情况、搅拌时间等。商品砼每车必须有供应单并注明使用部位,到现场由我方管理人员核准无误后方能灌注。我单位选用局搅拌站砼。

    对于商品砼的质量要求,从操作程序上,我单位首先对商品砼生产进行资格审查,使砼生产厂应符合 建委有关要求,我单位选用局搅拌站砼并将资料保送监理认可,认可后的砼生产厂在拌制砼时应符合下列规定:

a、    强制式砼拌制时间必须按机械说明上要求的严格把关。

b、    砼中砂浆密度与单位体积砼中粗骨料含量均应符合国家标准要求。

c、    砼拌合物在搅拌地与浇筑地均进行取样检测。

d、    根据需求,如应检查砼的其它质量指标时,检测的结果也应符合各自的要求。

5.6.1.2 砼的运输

商品砼由拌合站制定运输路线,并根据使用情况编排好拌合运输线路的规定,保证运输准时,入场能连续使用。我单位认真检查运输线路,使影响砼结构质量的因素得到控制,砼能畅通无阻地进入施工工作面,进行灌注施工。在条件允许的情况下,砼浇注时间尽量错开场外交通高峰期,为砼连续供应提高进一步的保证。从拌合站运至施工现场的砼应先检查随车提供的配合比通知单是否符合现场当前所需的砼配合比要求,再检查砼的坍落度,温度等是否满足入模要求,否则不得在本工程中使用,重新处理合格后才能使用。

   要求砼供应商应做到:混凝土必须能在最短的时间运到施工现场。从搅拌输送车运卸的混凝土中所测塌落度之差不超过2cm。混凝土搅拌运送车在运送混凝土时,通常的搅动转速为2.4r/min,整个输送过程中拌筒的总转数应控制在300转以内。砼搅拌输送车因途中失水,到工地需加水调塌落度时,应征得监理同意,并保证以618r/min搅拌速度搅拌。

5.6.1.3砼浇筑

a)商品砼到现场后需做坍落度试验,与入模方式要求的坍落度应在允许误

2 cm内,同时进行温度检验,控制砼入模温度不高于30,若不符应退回并通知拌合站调整。从砼搅拌运输车卸出的砼不得发生离析现象,否则需重新搅拌合格后方能卸料。

b)砼生产后,必须在规定时间内灌注,若由于交通、车辆、现场等原因造成延误,超出时间的不准采用,也不允许二次加水搅拌使用。

  c)入模砼应对称下料,砼振捣至不冒气泡但不得过振为准,以免引起砼中粗料下沉。

5.6.1.4 砼的振捣

    砼的浇筑,结构砼施工,泵送下灰方法,人工插入式振捣,应做到以下几点:

a)  振动器的操作,应做到快插慢拔。快插是为了防止先将表面混凝土振

实而与下面混凝土发生分层、离析现象;慢拔是为了混凝土能填满振动棒抽出时所造成的空洞。在振捣过程中,宜将振动棒上下略微抽动,以使上下振捣均匀。

b)  每一插点要掌握好振捣时间,过短不易捣实,过长可能引起混凝土产生离

析现象。一般每点振捣时间为2030S,但应视混凝土表面呈水平不再显著下沉,不再出现气泡,表面泛出灰浆为准。振捣棒插点要均匀排列,底板、垫层、宜采用行列式振捣,不能出现乱插棒现象。以免造成漏振,每次移动位置的距离应不大于振动棒作用半径的1.5倍,一般振捣器的作用半径3040cm

c)  振捣器使用时,振捣器距离模板不应大于振捣器作用半径的0.5倍,并不

宜紧靠模板振动,且应尽量避免碰撞钢筋、吊环、预埋件。

5.6.1.5砼养护

    在砼浇筑完毕,待终凝后采用湿麻袋浇水养护,养生期不小于14天。

5.6.1.6 止水带的要求

     a)橡胶止水带的形状、尺寸及其材质的物理性能,均应符合设计要

求,且无裂纹,无气泡。

     b)止水带安装应牢固,位置准确,与温度缝垂直;其中心线应与温度缝中心线对正,不得在止水带上穿孔或用铁钉固定就位。

在砼施工过程中,影响砼质量的因素有:施工环境、施工工艺、钢筋、采用的砼原材料和施工组织。针对以上影响因素,采取以下措施保证砼的施工质量。

5.6.2.管理措施

a)       确立管理人员岗位责任制,负责砼浇注施工有关的组织管理工作,保证砼料的连续供应和按施工工艺组织施工,从而保证砼的浇注质量。

b)       浇注砼前,首先组织施工人员按施工组织设计制定和砼施工工艺、施工技术性能等特点和施工条件,实行班组技术交底。项目副经理负责组织相应施工机具,为砼施工的实施作提前布置。项目部的质量监察部、技术部指定专人负责相应部位的砼浇注质量和砼的质量检验及监督。

c)       项目经理部相关的质量、技术和物资管理部门等,组织现场小组专职负责落实砼的供应和施工工艺组织,督促砼拌合站配料的施工质量。

d)       将商品砼拌合站质量管理纳入本工程创优目标管理范围,专职的砼试验人员进驻商品砼拌合站,协助拌合站根据砼的技术性能要求制定相应的质量控制措施,并监督拌合站按选定的配合比实施质量控制,同时协助组织运输。

e)       砼灌注施工实行质量承包责任制,项目经理部制定利益与工程施工的经济效益直接挂钩,制定相应的奖励措施,以调动相关人员群众性质量攻关和合理化建议活动。

5.7 砌砖工程

5.7.1 作业条件

1.       基础砌砖前基槽或基础垫层施工均已完成,并办理好工程隐蔽验收手续;

2.       首层砖墙、柱,砌筑前,地基、基础工厂均已完成并办理好工程隐蔽验收手续;

3.       砖砌烟囱砌筑前基础工程已完成,并办理好工程隐蔽验收手续;

4.       首层砖墙,柱砌筑前应完成室外回填土及室内地面垫层,安装好所有沟、井盖板,并按设计要求及标高完成水泥砂浆防潮层;

5.       砖烟囱砌筑前应完成基础外围四周的回填土施工;

6.       砌体砌筑前应做好砂浆配合比技术交底及配料的计量准备;

7.       普通砖、空心砖、灰砂转、粉煤灰砖等在砌筑前一天应浇水湿润,湿润后普通砖、空心砖含水率宜为10%~15%;灰砂砖、分煤灰砖含水率宜为5%~8%。不宜采用即时浇水淋砖,即时使用。

8.       砌体施工应弹好建筑物的主要轴线及砌体的砌筑控制边线,经有关技术部门进行技术复线,检查合格,方可施工。

(1)   基础砌砖应弹出基础轴线和边线、水平标高;

(2)   首层砖墙、柱砌筑应弹出墙、柱边线、轴线、门窗洞口平面位置线;

(3)   砖烟囱砌筑应根据烟囱的底部尺寸,以烟囱中心为圆心,在基础顶面划出筒身外圆及内衬内圆和烟囱的中心线。

9.       楼层砖墙、柱砌筑前,外脚手架已按施工要求搭设完成,并经检查验收符合安全及使用要求;

10.    砌体施工:应设置皮数杆,并根据设计要求,砖块规格和灰缝厚度在皮数杆上标明皮数及竖向构造饿变化部位;

11.    根据皮数杆最下面一层砖的标高,可用拉线或水准仪进行抄平检查,如砌筑第一皮砖的水平灰缝厚度超过20mm时,应先用细石混凝土找平,严禁在砌筑砂浆中掺填砖碎或用砂浆找平,更不允许采用两侧砌砖、中间填心找平的方法。

12.    中小型砌块砌筑前一天,应将预砌中小型砌块墙与原结构相接处浇水湿润,确保砌体粘贴。

5.7.2 操作工艺

1.  拌制砂浆

(1)   根据试验室提供的沙浆配合比进行配料乘量,水泥配料精确度控制在±2%以内;砂、石灰膏、电石膏、粘土膏和细磨生石灰粉等配料精确度控制在±5%以内。

(2)   砂浆应采用机械拌合,投料顺序应先投砂、水泥、掺合料后加水。拌和时间自投料完毕算起,不得少于1.5min

(3)   砂浆应随拌随用,水泥浆和水泥混合砂浆必须分别在拌成后3小时和4小时内使用完毕。

2.  基础砌砖

(1)   排砖撂底

1)  砌体大放脚的撂底尺寸及收退方法,必须符合设计图纸规定。如是一皮一收,里外均应砌丁砖;如是两皮一收,第一皮砌顺砖,第二皮砌丁砖。

2)  砌体大放脚的转角处,应按常规放3/4砖,其数量为一砖厚墙放两块,一砖半厚墙放三块,按此类推。

(2)   砌筑

1)  基础墙砌筑前,基层表面应清扫干净,洒水湿润。砌筑时如与基础标高不一致,应从低处砌起,高度差不准超过1.2m

2)  基础墙砌筑应依皮数杆先砌转角及内外墙交接出的部分砖,每次砌筑高度不应超过五皮砖,然后才在其间拉线砌中间部分。

3)  砌基础墙转角及内外墙交接处砖时应随砌随靠平吊直,并应拉通线;240mm墙采用单面挂线,370mm厚以上墙则双面挂线,以确保墙身横平竖直。

4)  基础大放脚砌至墙身时,要拉线检查轴线及边线,确保基础墙身位置正确;同时要对照皮数杆的砖层及标高,如出现高低差时,应以水平灰缝逐层调整,使墙体的层数与皮数杆相一致。

5)  基础墙上承托各种穿墙管沟盖板的挑砖及其上一层压砖,均应用于砖砌筑;立缝砂浆要严密饱满、挑檐砖层面标高必须符合设计图纸要求。

6)  基础墙上的各种预留孔洞及埋件以及接槎的拉结筋,应按设计标高、位置或会审变更要求留置,避免事后凿墙打洞,影响墙体结构性能。

7)  管沟和预留洞口的过梁,其标高、尺寸必须安装准确、底灰饱满;如坐灰超20mm厚时,要用细石混凝土铺垫,过梁两端的搁置长度应相一致。

3.  砖墙砌筑

(1)   盘角:砌墙前应先盘角,每次盘角砌筑的砖墙角度不要超过五皮,并应及时进行吊靠,如发现偏差及时修整。盘角时要仔细对照皮数杆的砖层和标高,控制好灰缝大小使水平灰缝均匀一致。每次盘角砌筑后应检查,平整和垂直完全符合要求后才可以挂线砌墙。

(2)   挂线:砌筑一砖厚及以下者,采用单面挂线;砌筑一砖厚及以上者,必须双面挂线,如果长墙几个人同时砌筑共用一根通线,中间应设几个支线点;小线要拉紧平直,每皮砖都要穿线看平,使水平缝均匀一致,平直通顺。

(3)   砌砖:砌砖宜采用挤浆法,或者采用三一砌砖法。三一砌砖法的操作要领是一铲灰、一块砖、一挤揉,并随手将挤出的砂浆刮去。操作时砖块要放平、跟线,经常进行自检,如发现有偏差,应随时纠正,严禁事后采用撞砖纠正。

4.  中小型砌块墙的砌筑

(1)   组砌方法

    采用主规格砌块为主,镶砖为次,砌块应错缝搭接。搭砌长度不得小于块高的1/3,也不应小于15cm

(2)   排砖撂底

    根据墙体施工平面放线和设计图纸上的门、窗位置大小,层高、砌块错缝、搭接的构造要求和灰缝大小,在每片砌块墙砌筑前应按预先绘制好的墙面砌块排列图把各种规格的砌块和需要镶砖的规格尺寸进行排列摆放、调整,把每片墙需要修改部分记录在立面排列图上,以供实砌使用.

(3)   砌筑

    中小型砌块墙体的砌筑,应从外墙的四角和内外墙的交接处砌起,然后通线全墙面铺开。砌筑时应采用满铺满座的砌法,满铺砂浆层每边宜缩进砖墙边10~15mm,用摩擦式夹具吊砌块依照立面排列就位。待砌块就位平稳并松开夹具后即用垂球或托线板调整其垂直度,用拉线的方法检查其水平度。校正时可用人力轻微推动或用撬杠轻轻撬动砌块,重量,在150kg以下的砌块可用木锤敲击偏高处,镶砖补缺工作与安装坐砌紧密配合进行。竖向灰缝可用上浆法或加浆法填塞饱满,随后即通线砌筑墙体的中间部分。

(4)   砌块与实心墙柱相接

    砌块与实心墙柱相接位置,应按设计图纸规定处理。如设计规定时,可预留2φ6钢筋作拉结筋,拉结筋沿墙高的间距为500mm,两端伸入墙(柱)内各不少于700mm。铺浆时钢筋理直铺平。

(5)   砌块墙的加固措施

    墙体的加固措施,应按设计图说明进行处理,若设计无明确规定时,当墙体高度大于3m时,应沿每1.5m高度范围通长加设2φ8或3φ6钢筋水平带。当墙体水平长度大于8m时,应设钢筋混凝土构造柱。构造柱间距不大于8m,柱截面不小于180mm×240mm,配置纵向钢筋不小于4φ12,水平箍筋直径φ4~φ6,间距不宜大于250mm,柱与墙之间应沿每500mm高度设置2φ8拉结钢筋,钢筋两端伸入墙内应不小于1000mm。构造柱和圈梁应在砌墙后才进行浇注,以加强墙体的整体稳定性。

(6)   砌块与门口联结

1)  当采用预留洞口时,将预制好埋有木砖或铁件的砌块按洞口高度在2m以内每边砌筑三块,洞口高度大于2m时砌四块,用做安装固定门框用。

2)  当采用先立框时,门框外侧面应作防腐处理,每侧钉设三个(门高超过2m时四个)磨耳码,砌筑时在校正门框的位置及垂直度后用砂浆固结。

3)  门洞上方两边过梁支座范围应用粘土砖砌筑不少于四皮的实心砖墙,以防应力集中导致出现裂纹。

(7)   砌块与窗口联结

    砌块与窗口的联结方法,基本声与门口的联结方法相同。

(8)   砌块墙顶支承顶预制构件的处理

    砌块墙顶需承托预制构件梁、檩条、楼板等时,其上砌筑的粘土实心砖皮数高度除按设计规定外,顶上的一皮砖应用丁砖砌筑。

(9)   砌块墙与梁底的联结

1)  沿梁底(或板底)要浇注混凝土时,每1.5m水平长度顶留2φ6拉结筋伸入墙一皮砌块高度的竖向灰缝内,与砌筑砂浆固结成整体。

2)  当梁底没有预留拉筋时,在墙顶与梁底之间,用粘结砂浆砌一层(60°)粘土砖上下顶紧,灌浆堵实。

5.7.3 质量标准

1.  保证项目

(1)   砖的品种、强度等级必须符合设计要求。

(2)   砂浆品种符合设计要求,强度必须符合下列规定:

1)  同品种、同强度等级砂浆各组试块的平均强度不小于1.0fm·k;

2)  任意一组试块的强度不小于0.75 fm·k

(3)   砌体砂浆必须密实饱满,实心砖砌体水平灰缝的砂浆饱满度不少于80%。

(4)   外墙的转角处严禁留直槎,其他临时间断处,留槎的做法必须符合施工规范的规定。

2.  基本项目

(1)   砖砌体上下错缝应符合以下规定:

合格:砖柱、垛无包心砌法;窗间墙及清水墙面无通缝;混水墙每间(处)4~6皮砖的通缝不超过3处。

优良:砖柱、垛无包心砌法;窗间墙及清水墙面无通缝;混水墙每间(处)无4皮砖的通缝。

(2)   砖砌体接槎符合以下规定:

合格:接槎处灰浆密实,缝、砖平直,每处接槎部位水平灰缝厚度小于5mm,或透亮的缺陷不超过10个。

优良:接槎处灰浆密实,缝、砖平直,每处接槎部位水平缝厚度小于5mm,或透亮的缺陷不超过5个。

(3)   预埋拉筋应符合以下规定:

合格:数量、长度均符合设计要求和施工规范规定,留置间距偏差不超过3皮砖。

优良:数量、长度均符合设计要求和施工规范规定,留置间距偏差不超过1皮砖。

(4)   留置构造柱应符合以下规定:

合格:留置位置正确,大马牙槎先退后进;残留砂浆清理干净。

优良:留置位置正确,大马牙槎先退后进,上下顺直,残留砂浆清理干净。

(5)   清水墙符合以下规定:

合格:组砌正确,刮缝深度适宜,墙面整洁。

优良:组砌正确,竖缝通顺,刮缝深度适宜一致,楞角整齐,墙面清洁美观。

3.  允许偏差

砖砌体尺寸和位置的允许偏差见表7-1。

砖砌体尺寸和位置允许偏差                         表7-1

项      目

允许偏差(mm

检验方法

轴线位置偏移

10

用经纬仪或位线和尺量检查

基础和墙砌体顶面标高

±15

用水准仪和尺量检查

垂直度

每层

5

用经纬仪或吊线和尺量检查

全高

10m

10

10m

20

表面平整度

清水墙、柱

5

2m靠尺和其形尺检查

混水墙、柱

8

 

水平灰缝

平直度

清水墙

7

10m线和尺量检查

混水墙

10

水平灰缝厚度(10皮砖累计数)

±8

与皮数杆比较尺量检查

清水墙游丁走缝

20

吊线和尺量检查,以底层第一皮砖为准

门窗洞口

(后塞门)

宽度

±5

尺量检查

门口高度

±15(-5)

预留构造截面(宽度、深度)

±10

尺量检查

外墙上下窗口偏移

20

用经纬仪或吊线检查以底层窗口为准

 

5.8预埋件、预留孔洞

5.8.1预埋件、预留孔洞的分类原则

a、     主结构的预埋件。

b、     工艺中的预留。

5.8.2 给水排水工程的穿墙防水套管及预留孔洞

    为保证各类埋件、孔洞的几何尺寸、位置、牢固性应遵循专业施工工种负责,相关施工工种结合,以防为主,严格把关的原则,严格执行三检制度,并按照ISO9002过程控制的要求,作好每道工序的追溯记录。

5.8.3埋件的制作

1. 各专业工种的技术负责人在制作之前必须熟悉施工图纸并召集相关的专业,供货厂家及具体的操作人员,对相关的图纸进行会审并做好记录。

2. 根据设计及施工规范要求,绘制出埋件小样图并应该详细表明质量要求,规格尺寸,埋件数量及防腐要求,然后上报项目经理部、技术部门复核后,经总工程师批准后方为有效小样图纸。

3. 埋件所使用的原材料必须选择合格的厂家并应有材质合格证、出厂合格证、生产许可证。如遇有关规范及地方法规所规定有特殊要求的还必须要做复试。

4. 制作之前,应由专业工种技术负责人向全体操作班组做技术交底,并做好交底记录。

5. 制作出的成品埋件,应进库房分类码放,做好标识,并应严格执行收发制度。

5.8.4施工予埋前的控制

1. 施工之前,主管工程师应对施工图纸进行详细的审查,并应组织专业人员核对,所标识的予埋件位置及予留孔洞位置应由项目经理部的技术部门进行技术复核并做出文字记录。

2. 所下的予埋件应按施工工序流水段内的小样单领用。予埋后如发现数量或种类有误(即出现剩余或缺量)应重新全部进行核对。

5.8.5予留孔洞的控制

1.       予留孔洞模型加工,应在充分熟悉图纸,了解孔洞用途的前提下,做出模型小样图纸。

2.       根据孔洞类型小样图纸由专业操作人员进行加工制作。几何尺寸的误差必须符合有关规范的要求,同时必须应满足设计要求。

3.       加工后的孔洞模型应入库码放,并应做好标识工作。

5.8.6穿墙套管埋件的控制

1.       穿墙套管的原材料必须符合施工规范的要求。

2.       穿墙套管的管径应比所穿管径大1#。套管的中部应焊止水环,两端应焊法兰盘,其中间用油麻填满,并用柔性防水材料封严。

3.       加工成型的穿墙套管应进行防腐处理(外防锈内防腐),并同样应入库码放,做好标识。

5.8.7施工过程中的控制

1.       在于埋之前,现场主管工程师必须会同质检员及操作人员共同对埋件、予留孔洞的标高、位置进行复核检查。检查无误后由主管工程师签发放行单方可转入下道工序。

2.       埋件的稳固方法,采用焊接法稳固,所使用的焊条应符合施工规范和设计要求,对于50mm2以下的埋件也可采用绑扎法进行稳固,必要时刻采用电焊。

3.       就位以后的埋件,应按三检制度进行验收,验收合格后,可放行转入下道工序。

4.       在混凝土的浇筑过程中,应由专业专职人员进行跟班检查,发现有委蛇现象,应及时处理,纠正合格后,方可继续浇筑。

5.       浇筑后的混凝土,在初凝之前,质检人员必须对所下的埋件再进行一次检查验收,避免给下道工序留下后患。混凝土终凝后,立即进行标识。

5.8.8拆模时的控制

1.       拆模时要注意,对予留孔的保护,严禁对孔边进行剔砸。如因跑模造成予留孔洞的几何尺寸变形,应报请驻地监理工程师同意后修复。

2.       对于大于200mm2水平予留孔洞,应按安全技术措施的要求进行封盖或维护,并应设立安全警示牌。

3.       拆模后的埋件表层混凝土浆应清楚干净,并应做好标识工作。

5.8.9严禁利用于埋件做其他工序的临时锚固点。

1.  严禁在于埋件上做其他工序的临时电焊机地线焊点。

2.  对穿墙管、予留孔洞,应采用木制或铁制及麻绳加塑料加以覆盖或封堵。

3.  对于重要部位的于埋件、予留孔洞、穿墙套管应挂有标识牌,并注明其用途。

5.9.1 抹灰

5.9.1.1 一般规定

1.         抹灰工程的等级应符合设计要求。

2.         抹灰工程所用的砂浆配比,材料品种,应按设计要求选用。

3.         抹灰沙浆的配合比和稠度等,应经检查合格后,方可使用,掺有水泥或石膏拌制的砂浆,应控制在初凝前用完。

4.         沙浆中掺用外加剂时,其掺入量应由试验确定。

5.         木结构与砖结构、混凝土结构等的相接处基体表面抹灰,应先铺钉金属网,并绷紧牢固,金属网与各基体的搭接宽度不应小于70mm

6.         室内墙面、柱面和门洞的阳角,宜用1:2.5水泥砂浆做护角,其高度不应低于2m,每侧宽度不应小于50mm

7.         外墙抹灰工程施工前,应安装好门窗、阳台栏杆和预埋铁件等,并将墙上的施工孔堵塞密实。

8.         外墙窗台、窗楣、雨蓬、阳台,压顶和突出腰线等,上面应做流水坡度,下面应做滴水线或滴水槽,滴水槽的深度和宽度均不应小于10mm,并整齐一致。

9.         水泥砂浆的抹灰层应在湿润的条件下养护。

10.     大面积的石膏抹面应事先经实验室试验后,得出既保证质量又便于操作的稠度及凝结时间才能施工。

11.     一般抹灰按质量要求分为普通、中级和三级。

主要工序如下:

    普通抹灰——分层赶平、修整、表面压光。

    中级抹灰——阳角找方,设置标筋,分层赶平、修整、表面压光。

    高级抹灰——阴阳角找方,设置标筋,分层赶平、修整,表面压光。

12.     厨厕、浴室、天面等凡有泛水需要的地台抹灰应做成倾向出水口的泛水坡度,蹲式厕台应向大便器倾斜。凡大便器的粪管口,厨浴厕的地面污水管口如未装地漏前一定要遮盖或临时堵塞。

13.     凡面层灰浆要压光的,最后一次过硬匙,应在灰浆初凝后收身(即经过灰匙压磨而灰浆表层不会变成糊状)及时进行。

14.     为了防止雨水溅射使污垢散播在外墙面,因此,在外墙完成抹灰工序后应拆去外平桥板,或将平桥部位的墙面加以遮护。

15.     金属网抹灰砂浆中掺用水泥时,其掺量应经试验确定。

16.     罩面石膏不得抹在水泥砂浆层上。

17.     抹灰用砂宜用中砂,使用前应过筛,不宜采用特细砂。

18.     抹灰用石灰膏,用块状生石灰淋制,淋制时必须用孔径不大于3mm×3mm的筛过筛,并贮存在沉淀池中。熟化时间:常温下一般不少于15天;用于罩面时,不应少于30天。使用时,石灰膏内不得含有未熟化的颗粒和其他杂质。

19.     石灰膏也可用磨细生石灰粉代替,其细度应通过4900孔/cm2筛。用于罩面时,熟化时间不应少于7天。

20.     抹灰用粘土,应选用洁净的粘土,并加水浸透。

21.     抹灰用纸筋可用白纸筋或草纸筋,充分打烂碾磨成糊状,要求洁净细腻,并经石灰浆浸泡处理。纸筋未打烂前不许掺合石灰膏,以免罩面层留有纸粒。

22.     高级装饰工程施工前,应预先作样板(样品或标准间),并经有关单位认可后,方可进行。其他等级的装饰工程是否需做样板,应根据设计要求或企业、项目管理部门视工程实际情况而定。

5.9.1.2 内墙抹灰

操作工艺

1.  基层处理:清除墙面的灰尘、污垢、碱膜、砂浆块等附着物,要洒水润湿。对用钢模板施工过于光滑的混土墙面,可采用墙面凿毛或用喷、扫的方法将1:1的水泥沙浆分散均匀的喷射到墙面上(水泥沙浆中宜掺入水泥量10%的107胶搅拌均匀后使用),待结硬后才进行底层抹灰作业,以增强底层灰与墙体的附着力。

2.  套方、吊直,做灰饼(打墩)。抹底层灰前必须先找好规矩,即死角规方,横线找平,立线吊直,弹出基准线和墙裙,踢脚板线。属于中级和高级抹灰时,可先用托线板检查墙面平整、垂直程度,并在控制阳角方正过曲(可用方尺规方)的情况下大致确定抹灰厚度后(最薄处一般不小于7mm),进行挂线(称线)打墩(打墩的厚度应不包括面层)。对于高级抹灰,应先将房间规方,一般可先在地面上弹出十字线作为准线,并结合墙面平整、垂直程度大致确定墙面抹灰厚度,进行称线打墩打墩时应线在左右墙角上各做一个标准墩,然后用线锤吊垂直线做墙下角两个标准墩(高低位置一般在踢脚线上口),再在墙角左右两个标准墩面之间通线,每隔1.2~1.5m左右在门窗口阳角等处上下各补做若干个砂浆墩。

3.  墙面充筋(打栏):待砂浆墩结硬后,使用与抹灰层相同的砂浆,在上下砂浆墩之间做宽约30~50mm的灰浆带,并在上下砂浆墩为准用压尺推平。冲筋(打栏)完成后应待其稍干后才能进行墙面底层抹灰作业。

4.  作护角:根据沙浆墩和门框边离墙面的空隙,用方尺规方后,分别在阳角两边吊直和固定好靠尺板,抹出水泥沙浆护角,并用阴角抹子推出小圆角,最后利用靠尺板,在阳角两边50mm以外位置,以40°斜角将多余砂浆切除、清除。

5.  抹底层灰和中层灰:在墙体湿润的情况下抹底层灰,对混凝土墙体表面宜先刷扫水泥浆一遍,随刷随抹底层灰。底层灰宜用1:1:6水泥混合砂浆(或按设计要求),厚度为5~7mm,待底层灰稍干后,再以同样砂浆抹中层灰,厚度宜为7~9mm。若中层灰过厚,则应分遍涂抹。然后以冲筋(打栏)为准,用压尺刮平找平,用木磨板磨平。中层灰抹完抹平后,应全面检查其垂直度、平整度、阴阳角是否方正、顺直,发现问题要及时修补(或返工)处理,对于后做踢脚线的上口及管道背后位置等应及时清理干净。

5.9.1.3 顶棚灰

操作工艺

1.  基层处理:对采用钢模板施工的板底凿毛,并用钢丝刷满刷一遍,再浇水湿润。

2.  根据墙柱上弹出的水平墨线,用粉线在顶板下100mm的四周墙面上弹出一条水平线,作为顶板抹灰的水平控制线。对于面积较大的楼盖顶棚或质量要求较高的顶棚,宜通线设置标准墩。

3.  抹底灰:在顶板混凝湿润的情况下,先刷素水泥浆一道,随刷随打底,打底采用1:1:6水泥混合砂浆。对顶板凹度较大的部位,先大致找平并压实,待其干后,再抹大面底层灰,其厚度每遍不宜超过8mm ,操作时需用力抹压,然后用压尺刮抹顺平,再用木磨板磨平,要求平整稍毛,不必光滑,但不得过于粗糙,不许有凹陷深痕。

5.9.1.4 外墙抹灰

操作工艺

1.  基层处理:处理方法与一般抹灰相同。

2.  吊垂直、套方、打墩:外墙面抹灰前要注意找出规矩。要在各大角先挂好自上而下垂直通线(高层建筑应用铁丝或在大角及门窗口边用经纬仪打垂线吊重锤垂下),然后在各大角两侧分层打标准墩。再拉水平通线后对墙面其余部位打墩。对于门窗洞口、阳台、腰线等部位也应注意进行吊垂直,拉水平线打墩,使墙面部位做到横平竖直。

3.  冲筋(打栏)、抹底(中层)灰:与内墙一般抹灰相同,但应注意因面层是含粗骨料的灰浆,故应做成平整但较粗糙的表面,并应划毛。

4.  贴分格条:贴分格条时要注意按照设计要求或窗台(楣)、饰线等具体情况分格。分格条横竖线要布置恰当,应分别与门窗立边和上下边缘平齐,并不得有掉楞、缺角、扭曲等现象。镶贴时要先在中层砂浆上弹出分格墨线,然后用素水泥浆按照墨线粘贴分格条。分格条粘贴后要求达到横平竖直、交接通顺。

5.9.1.5 质量标准

1.  保证项目

(1)   所用材料品种、质量必须符合设计要求和现行材料标准的规定。

(2)   各抹灰层之间及抹灰层与基体之间必须黏结牢固,无脱层、空鼓,面层无爆灰和裂缝等缺陷(空鼓而不裂的面积不大于200cm2者可不计)。

2.  基本项目

(1)   一般抹灰表面应符合下列规定:

1)  普通抹灰

合格:大面光滑,接搓平顺。

优良:表面光滑、洁净,接搓平整。

2)  中级抹灰

合格:表面光滑、接搓平整,线角顺直(毛面纹路基本均匀)。

优良:表面光滑,洁净,接搓平整,线角顺直清晰(毛面纹路均匀)。

3)  高级抹灰

合格:表面光滑、洁净,颜色均匀,线角和灰线平直方正。

优良:表面光滑、洁净,颜色均匀,线角和灰线平直方正,清晰美观。

检验方法:观察和手摸检查。

(2)   孔洞、槽、盒和管道后面的抹灰表面应符合以下规定。

合格:尺寸正确,边缘整齐、管道后面平顺。

优良:尺寸正确,边缘整齐、光滑;管道后面平整。

检验方法:观察检查

(3)   护角和门窗框与墙体间缝隙的填塞质量应符合以下规定:

合格:护角材料、高度符合施工规范规定;门窗框与墙体间缝隙填塞密实。

优良:护角符合施工规范规定、表面光滑平顺;门窗框与墙体间缝隙填塞密实,表面平整。

(4)   分格条(缝)的质量应符合以下规定:

合格:宽度、深度基本均匀,楞角整齐,横平竖直。

优良:宽度、深度均匀,平整光滑,楞角整齐、横平竖直、通顺。

检验方法:观察检查。

(5)   滴水线和滴水槽的质量应符合以下规定:

合格:滴水线顺直;滴水槽深度、宽度均不少于10mm

优良:流水坡向正确;滴水线顺直;滴水槽深度、宽度均不少于10mm,整齐一致。

检验方法:观察或用尺量检查。

3.  允许偏差

一般抹灰的允许偏差和检验方法应符合表12-1的规定。

              一般抹灰允许偏差项目表                          表12-1

项目

允许偏差(mm

检验方法

普通

中级

高级

表面平整

5

4

2

用2m靠尺和楔形塞尺检查

阴阳角垂直

4

2

用2m托线板检查

立面垂直

5

3

阴阳角方正

4

2

用方尺和塞尺检查

分格条(缝)平直

3

 

拉5m线和尺量检查

5.9.2 涂料工程

5.9.2.1 一般规定

1.       涂料工程使用的腻子,应坚实牢固,不得粉化、起皮和裂纹。腻子干燥后,应打磨平整、光滑,并清理干净。要按基层、底涂料和面涂料的性能配套使用。

2.       室外、厨房、浴室及厕所等需要使用涂料的部位和木(楼)地板表面需使用涂料时,应使用具有耐水性能的腻子。

3.       涂料的工作黏度或稠度,必须加以控制,使其在涂料施涂时不流坠、不显刷纹。施涂过程中不得任意稀释。

4.       双组分或多组分涂料在施涂前,应按产品说明规定的配合比,根据使用情况分批混合。并在规定时间内用完。所有涂料在施涂前和施涂过程中,均匀充分搅拌。

5.       施涂溶剂型涂料时,后一遍涂料必须在前一遍涂料干燥后进行;施涂水性和乳液涂料时,后遍涂料必须在前一遍涂料表面干后进行。每一遍涂料应施涂均匀,各层必须结合牢固。

6.       建筑物中的细木制品、金属构件和制品,如为工厂制作组装时,其涂料(除最后一遍外)宜在生产制作工厂内施涂,最后一遍涂料宜在安装后施涂;如为现场制作组装,组装前的施涂方法与工厂同。

7.       采用机械喷涂料时,应将不喷涂的部位遮盖,以防沾污。

8.       防锈涂料和第一遍银粉涂料,应在设备、管道安装就位前施涂。最后一遍银粉涂料,应在刷浆工程完工后施涂。

9.       外墙涂料工程分段进行时,应以分格缝、墙的阴角处或水落管等为分界线。

10.   外墙涂料工程,同一墙面应用同一批号的涂料,每遍涂料不宜施涂过厚,涂层应均匀,颜色一致。

11.   在强烈日光直接照射下和在潮湿的金属表面上,不得进行施涂涂料。

12.   涂料施涂工具使用完毕后,应及时清洗或浸泡在相应的溶剂中。

5.9.2.2 刷乳规定

(一)   操作工艺

    根据涂料工程施工及验收规范,混凝土及抹灰内墙、顶棚表面薄涂料工程,按质量要分为普通、中级和高级三级。主要工序见表12-12。

1.  清理墙、柱表面:首先将墙、柱表面起皮及松动处清理干净,将灰渣铲干净,然后将墙、柱表面扫净。

2.  修补墙、柱表面:修补前,先涂刷一遍用三倍水稀释后的107胶水。然后,用水石膏将墙、柱表面的坑洞、缝隙补平,干燥后用砂纸将凸出处磨掉,将浮尘扫净。

3.  刮腻子:遍数可由墙面平整程度决定,一般为两边,腻子以纤维素溶液、福粉,加少量107胶,光油和石膏粉拌和而成。第一遍用抹灰钢光匙横向满刮,一刮板紧接着一刮板,接头不得留槎,每刮一刮板最后收头要干净平顺。干燥后磨砂纸,将浮腻子及斑迹磨平磨光,再将墙柱表面清扫干净。 第二遍用抹灰钢光匙竖向满刮,所用材料及方法同第一遍腻子,干燥后用砂纸磨平并扫干净。

4.  刷第一遍乳胶漆:乳胶漆在使用前要先用萝斗过滤。涂刷顺序是先刷顶板后刷墙柱面,墙柱面是先上后下。乳胶漆用排笔涂刷。使用新排笔时,将活动的排笔毛拔掉。乳胶漆使用前应搅拌均匀,适当加水稀释,防止头遍漆刷不开。由于乳胶漆漆膜干燥较快,因此楹联许迅速操作。涂刷时,从一头开始,逐渐向另一头推进,要上下顺刷,互相衔接,后一排笔紧接前一排笔,避免出现干燥后接头。待第一遍乳胶漆干燥后,复补腻子,腻子干燥后用砂纸磨光,清扫干净。

5.  刷第二遍乳胶漆:第二遍乳胶漆操作要求同第一遍。使用前要充分搅拌,如不很稠,不宜加水或少加水,以防露底。

    以上是混凝土及抹灰表面涂刷中级乳胶漆的做法。施涂普通级或高级乳胶漆时,要相应减少或增加工序,见混凝土及抹灰内墙柱及顶棚表面涂料工程的主要工序表,其余做法与施涂中级乳胶漆时基本相同。

(二)   质量标准

1.  保证项目

(1)   涂料工程等级和材料品种质量应符合设计要求和国家标准规定。

(2)   施涂清漆严禁脱皮,漏刷和斑迹。

2.  基本项目

木门窗施涂清漆的基本项目,按表12-11中、高级清漆的标准。

木料表面施涂清漆工程基本项目表                  表12-11

项   目

等 级

中级清漆

高级清漆

木纹

合格

木纹清楚

棕眼刮平、木纹清楚

优良

棕眼刮平、木纹清楚

棕眼刮平、木纹清晰

光亮和光滑

合格

光亮、光滑

光亮柔和、光滑

优良

光亮足、光滑

光亮柔和、光滑无挡手感

裹楞流坠皱皮

合格

大面无

大面及小面明显处无

优良

大面及小面明显处无

颜色、刷纹

合格

大面颜色基本一致

颜色基本一致、无刷纹

优良

颜色基本一致、无刷纹

颜色一致、无刷纹

五金、玻璃等

合格

基本洁净

五金洁净,玻璃等基本洁净

优良

洁净

洁净

5.9.2.3 刷外墙涂料

(一)   操作工艺

操作工艺

工艺流程:

基层处理填补缝隙局部刮腻子平满刮腻子刷喷第一遍浆复找腻子刷喷第二遍浆刷喷交活浆

基层处理:砼墙、柱表面的浮沙、灰尘、疙瘩等要清除干净,表面的隔离剂、油污等用碱水(火碱:水=1:10)清刷干净,然后用清水冲洗掉墙面上的碱液等。

(1)     填补缝隙,局部刮腻子,用水泥腻子将墙面缝隙及坑洼不平处分遍找平,待腻子干燥后用1号砂纸磨平,并把浮尘等扫净。

(2)     外墙腻子配合比为聚醋酸乙烯乳液:水泥:水=1:5:1刮腻子时应横竖刮,并注意接搓和收头时腻子要刮净,每遍腻子平后应磨砂纸,将腻子磨平磨完后将浮尘清理干净。

(3)     刷喷浆第一遍刷喷浆第一遍刷喷浆前应先将门窗用排笔刷好,如两种颜色时应在分色线处用排笔齐线并刷20cm宽,以利接搓,然后再大面积刷喷浆。刷喷顺序应先上后下顺序进行。

(4)     复找腻子:第一遍浆干后,对墙面上的麻点,坑洼,刮痕等用腻子重新复找刮平,干后用细砂纸轻磨,并把粉尘扫净,达到表面光滑平整。

(5)     刷喷第二遍浆方法同第一遍。

(6)     待第二遍浆干后,用细砂纸将粉尘、溅沫、喷点等轻轻磨去,并打扫干净,即可刷喷浆。交活浆比第二遍浆的胶量适当增大一点,防止刷喷的涂层掉粉,这是必须做到和满足的保证项目。

(二)   质量标准

1.    保证项目

(1)           选用刷浆的品种、质量必须符合设计要求和有关标准的规定。

(2)           无掉粉、起皮、漏刷和透底。

2.    基本项目

基本项目及其要求见室内刷浆部分的一般刷浆基本项目(表12-14),按照中级刷浆的要求。

 

 

 

 

 

 

一般刷浆基本项目表                         表12-14

项目

等级

普通

中级

高级

反碱咬色

合格

有少量,不超过5处

有轻微少量不超过3处

明显处无

优良

有少量,不超过3处

有轻微少量不超过1处

喷点刷纹

合格

2m正视,无明显缺陷

2m正视,喷点均匀,刷纹通顺

1.5m正视,喷点均匀,刷纹通顺

优良

2m正视,喷点均匀,刷纹通顺

1.5m正视,喷点均匀,刷纹通顺

1m正视,喷点均匀,刷纹通顺

流坠疙瘩溅沫

合格

有少量

有轻微少量不超过5处

明显处无

优良

有轻微少量

有轻微少量不超过3处

颜色砂眼划痕

合格

——

颜色一致

正视颜色一致有轻微少量砂眼划痕

优良

——

颜色一致有轻微少量砂眼划痕

正斜视颜色一致有轻微少量砂眼划痕

装饰线、分色线平直拉5m线检查,不足5m拉通线检查

合格

——

偏差不大于3mm

偏差不大于2mm

优良

——

偏差不大于2mm

偏差不大于1mm

门窗灯具等

合格

基本洁净

基本洁净

门窗洁净灯具等基本洁净

优良

洁净

洁净

洁净

5.9.3 饰面砖工程

5.9.3.1 花岗岩石板镶挂墙面

(一)操作工艺

1.选料预排

(1)    石板块应按图纸要求,将尺寸规格相同,颜色基本一致分类放好备用。

(2)    在镶贴现场按设计规格、配花、颜色、纹理进行预排编号,以备正式镶贴时按编号取用。对有缺陷(如缺楞、掉角、暗裂纹等)的板块应挑出留作裁截或镶贴在不显眼处用。

2.基层处理

(1)    将基层面的残灰、尘土、污垢清理干净(油污可用10%火碱水清洗,干净后再用清水将火碱水液清洗干净)。

(2)    光滑混凝土面必须要进行打毛处理。

(3)    基层应在镶贴前一天浇水湿透。

3.弹线找规矩

(1)    按照设计图纸要求,弹出花色、品种规格分界线。

(2)    弹出水平和垂直控制墨线。板块料的控制线,在水平方向宜每排设置一度,垂直方向宜每块块宽设置一度。

4.石板块镶贴

(1)    边长小于400mm的薄型小规格石板块镶贴,可参照本节墙柱面贴釉面砖的方法施工。

(2)    边长大于400mm石板块镶贴:

1)  按照水平控制线安装通常拉结钢筋,做法:在每隔400mm左右在基层上打进一支直径为6mm的钢钉或膨胀螺丝(伸入基层不少于50mm,并要牢靠),用直径不少于4mm的水平直钢筋与钢钉头(膨胀螺丝)焊接牢固。

2)  在镶贴石板块的上、下、左、右皮口,沿厚度中央钻孔,孔距不大于500mm,并且每边钻孔不少于2个,孔口离开左、右板约50~80mm,孔径不可小于3mm,孔深应大于30mm,并向板的镶贴面边上开一通槽,槽深以能埋没锚固销为准。(见图12-1)。

    插入锚固销,锚固销应用不锈钢丝、铜丝制作,铜丝或不锈钢丝直径宜用1~2mm,并用水泥膏将锚固销含固于孔内,水泥膏凝固后,浇水养护2~3天备用。

3)  装好最下一排石板块下口的靠尺板以作承托第一排石板块的依托。

4)  将石板块背面的尘土,用毛刷(横扫)蘸水擦干净,按照预排编号,挂线,吊线安装好第一排石板块(石板块应由下往上逐排安装);石板块上、下、左、右口锚固销应与基层上拉结钢筋勾牢固,石板块就位核对后,应用木楔,卡具支撑稳定;每层石板块校核后应立即灌浆,待灌浆终凝后,才能进行第二层石板安装,依照上面顺序逐排安装完成。阳角接口宜作45°角接缝,或作海棠角接缝(见图12-2)。

5)  灌浆:灌浆用1:2水泥砂浆(稠度为80~120mm)。灌浆前先浇水湿润石板块及基层。灌浆时,应用竹片边灌边捣插,使砂浆充满缝隙。灌浆应根据石板缝高度分层进行第一层灌浆高度为150mm,并不得大于1/3石板高度。待砂浆初凝后,才能继续灌注,以后灌注高度应控制在200~300mm左右,各层灌注均与第一层灌注方法相同。施工缝的灌浆应比板块上口低50mm,并应将上口残留浆液清干净,以利上排板块接缝。对于浅色石板块(如白色大理石等)灌浆应用白水泥石屑灌缝,以防透底。灌浆终凝后应浇水保养。

(3)    擦缝:石板块安装灌浆完成后(灌浆终凝后),及时将残余浆痕清除干净,用白水泥调制色浆(根据石板颜色调制)将缝子擦满并用棉纱或布片将石板面试擦干净。

(二)质量标准

1.保证项目

(1)           材料品种、规格、颜色、图案,必须符合设计要求和有关标准规定。

(2)           安装(镶贴)必须牢固,无歪斜缺楞掉角、裂缝等缺陷。

1.    基本项目

(1)           表面:观察检查和用小锤轻击检查。

合格:基本平整、洁净,颜色均匀。基本无空鼓现象。

优良:平整、洁净、颜色一致,无污痕和显著光泽受损处,无空鼓现象。

(2)           接缝:观察检查

合格:填嵌密实、平直、宽窄均匀,颜色无明显差异。

优良:填嵌密实、平直、宽窄一致,色泽一致,阴阳角处压向正确,非整砖的使用部位适宜。

(3)           套割:观察或尺量检查

合格:突出物周围的板套割基本吻合、不超过3mm。墙裙、贴脸等突出墙面的厚度基本一致,上口平顺。

优良:用整砖套割吻合、边缘整齐;墙裙贴脸等突出墙面的厚度一致,上口平顺。

(4)           坡向、滴水线:观察检查

合格:流水坡向正确;滴水线基本顺直。

优良:流水坡向正确;滴水线顺直。

5.9.3.2 贴砖墙面

(一)   操作工艺

1.  选砖

    面砖一般按1mm差距分类选出若干个规格,选好后根据墙柱面积,房间大小分批类计划用料。选砖要求方正、平整、棱角完好,同一规格的面砖,力求颜色均匀。

2.  基层处理和抹底子灰

(1)   对光滑表面基层,应先打毛,并用钢丝刷满刷一遍,再浇水湿润。

1)  对光滑表面基层,应先打毛,并用钢丝刷满刷一遍,再浇水湿润。

2)  对表面很光滑的基层应进行毛化处理。即将表面尘土、污垢清理干净(油污可用10%火碱水清刷后,再用清水将碱液冲洗干净);浇水湿润,用1:1水泥细砂浆,喷洒或用毛刷(横扫)浆砂浆甩到光滑基面上。甩点要均匀,终凝后再浇水养护,直至水泥砂浆疙瘩有较高的强度,用手掰不动为止。

(2)   砖墙面基层:提前一天浇水湿透。

(3)   抹底子灰

1)  吊垂直,找规矩,贴灰饼(打墩),冲筋(打栏)。吊垂直,找规矩时,应与墙面的窗台、腰线、阳角立边等部位面砖贴面排列方法对称性以及室内地台块料铺贴方正综合考虑,力求整体完美。

2)  将基层浇水湿润,(混凝土基层面尚应用水灰比为0.5内掺107胶的素水泥均匀涂刷),分层分遍用1:2.5水泥砂浆底灰(亦可1:0.5:4水泥石灰砂浆),第一层宜为5mm厚用铁抹子均匀抹压密实;待第一层干至七~八成后即可抹第二层,厚度约为8~10mm,直至与冲筋大至相平,用木杠刮平,再用木抹子槎毛压实,划成麻面。

3.  预排砖块、弹线

(1)   预排砖块应按照设计色样要求,一个房间,一整副墙柱贴同一分类规格面砖;在同一墙面,最后只能留一行(排)非整块面砖,非整块面砖应排在靠近地面或不显眼的阴角等位置;砖块排列一般自阳角开始,至阴角停止(收口)和自天棚开始至楼地面停止;如果水池、镜框及凸出柱面时,必须以其中往两边对称排列;墙裙、浴缸、水池等上口和阴阳角处应使用相应配件砖块;女儿墙、窗顶、窗台及各种腰线部位,顶面砖应压盖立面砖,以免渗水,引起空鼓;如遇设计没有滴水线的外墙各种腰线部位,顶面砖应盖立面砖,正面砖最下一排下突3mm左右,线底部面砖应往内翘起约5mm以利滴水。

(2)   弹好花色变异分界线及垂直与水平控制线。垂直控制线一般以1m设度为宜,水平控制线一般按5~10排砖间距设一度为宜;砖块从天棚顶往地面排列至最后一排整砖度,应弹置一度控制线;墙裙、踢脚线顶亦应弹置高度控制线。

4.  贴面砖

(1)   预先将釉面砖泡水浸透凉干(一般宜隔天泡水凉干备用)。

(2)   在每一分段或分块内的面砖,均应字下向上铺贴。从最下一排砖的下皮位置用钉子装好靠尺板(室内靠尺板装在地面向上第一排整砖的下皮位置上;室外靠尺板装在当天计划完成的分段或分块内最下一排砖的下皮位置控制线上),以此此承托第一排面砖。

(3)   浇水将底子灰面湿润,先贴好第一排(最下一排)砖块下皮要紧靠装好的靠尺板,砖面要求垂直平正,并应用木杠,校平砖面及上皮。

(4)   以第一排贴好的砖面为基准,贴上基准点(可使水块面砖),并用垂球(线称)校正,以控制砖面出墙面尺寸和垂直度。

(5)   铺贴应从最低一皮开始,并按基准点挂线,逐排由下向上铺贴,面砖背面应满涂水泥膏(厚度一般控制在2~3mm),贴上墙面后用铁抹子木把手着力敲击,使面砖粘牢,同时用木杠校平砖面及上皮。每铺完一排应重新检查每块面砖,发现空鼓,应及时掀起加浆重新贴好。

(6)   铺贴完毕,待粘贴水初凝后,用清水将砖面洗干净,用白水泥浆(彩色面砖应按要求用矿物颜料调色)将缝填平,完工后用棉纱、布片将表面试擦干净至不留残留灰迹为止。

(二)   质量标准

1.  保证项目

(1)   材料品种、规格、颜色、图案必须符合设计要求,质量应符合现行有关标准规定。

(2)   镶贴必须牢固,无空鼓无歪斜、缺楞、掉角和裂缝等缺陷。

2.  基本项目

(1)   表面:观察检查和用小锤轻击检查。

合格:基本平整、洁净,颜色均匀。基本无空鼓现象。

优良:平整、洁净、色泽一致,无起碱、污痕和显著的光泽受损处。无空鼓现象。

(2)   接缝:观察检查。

合格:填嵌密实、平直、宽窄均匀,颜色无明显差异。

优良:填嵌密实、平直、宽窄一致,颜色一致,阴阳角处的板压向正确,非整砖使用部位适宜。

(3)   套割:观察或尺量检查。

合格:突出物周围的砖套割基本吻合,其缝隙不超过3mm;墙裙、贴脸等突出墙面的厚度基本一致。

优良:用整砖套割吻合、边缘整齐;墙裙、贴脸等上口平顺、突出墙面的厚度一致。

(4)   坡向、滴水线、观察检查

合格:流水坡向基本正确;滴水线顺直。

优良:流水坡向正确;滴水线顺直。

3.  允许偏差

釉面砖安装的允许偏差和检验方法应符合表12-3的规定。

釉面砖安装的允许偏差和检验方法                   表12-3

项   目

允许偏差(mm

检验方法

釉面砖

立面

垂直

室内

室外

2

用2m托线板和尺量检查

3

表面平整

2

用2m靠尺和塞尺检验

阳角方正

2

用20cm方尺和塞尺检验

接缝平直

2

拉5m长线,不足5m拉通线尺量检验

墙裙上口平直

2

接缝高低

室内

0.5

用钢板短尺和塞尺检验

室外

1

5.9.4 吊顶

(一)   操作工艺

1.  龙骨安装

(1)   根据吊顶的设计标高要求,在四周墙上弹线,弹线应清楚,其水平允许偏差±5mm

(2)   根据设计要求定出吊杆的吊点坐标位置。

(3)   主龙骨端部吊点离墙边不应大于300mm

(4)   主龙骨安装应做整体校正其位置和标高,并应在跨中按规定起拱,起拱高度应不小于房间短向跨度的1/200。

(5)   各种金属龙骨如需接驳,应使用同型号之接驳配件,如产品确无配件,应做适当处理。

(6)   如主龙骨在安装时与设备、预留孔洞或其他吊件、灯组,工艺吊件有矛盾时,应通知设计人协调处理吊点构造或增设吊杆。

(7)   主龙骨与吊杆应尽量在同一平面之垂直位置,如发现偏离应作适当调整。

    使用柔性吊杆作为主吊杆的,应做足够的钢性支撑,以免在安装罩面板时吊顶整体变形。

(8)   主龙骨安装应留有副龙骨及罩面板之安装尺寸。

(9)   如设计无明确要求,主龙骨应设在平行于吊顶短跨边。

(10)        安装金属次龙骨,应使用同型号产品之配件,并应卡接牢固。

(11)        如为木骨架,在安装时注意所选用的材料规格及材质应符合设计,并应按现行《木结构工程施工及验收规范》的有关规定执行。

2.  罩面板施工分钉挂式、搁置式和扣挂式。

    通常情况下当采用木板、胶合板、纤维板、石膏板和加压水泥板做吊顶的罩面板时,多用钉挂形式。当用钙塑板、岩面板、矿棉板、超细玻璃棉板、泡花板、木丝板时多用搁置式。当用金属装饰板时多为扣挂式。

(1)   钉挂式罩面板,通常情况下表面还有饰面层,所以,安装时除表面平整外,板块之间应留有缝隙间疏,并应将板材边角去一小角,以利填缝是挂腻子。

(2)   用石膏板、加压水泥板作吊顶罩面板,所选自攻螺丝应先进行防锈处理,螺丝间距在200mm内为适宜,钉头沉0.5~1mm内为好。钉头过沉,会造成因挤压过紧而出现脱挂。

(3)   一般胶合板、木板,目前安装多使用经处理的气压设钉,如使用一般圆钉作钉挂,应将钉头打扁处理,在沉头后再用油漆作防锈处理。

(二)   质量标准

1.  保证项目

(1)   所有的品种规格、颜色、质量及其骨架构造、固定方法应符合设计要求和质量标准。

(2)   吊顶龙骨及罩面板、安装必须牢固、外形整齐、美观、不变形、不脱色、不残缺、不折裂。

(3)   轻骨架不得弯曲变形,纸面板不得受潮、翘曲变形、缺楞掉角,无脱层、干裂、厚薄一致。

2.  基本项目

(1)   吊顶安装完毕不允许外来物体撞击、污染。

(2)   已带图案、花饰的罩面板其图案、花饰应统一端正,找缝处花纹图案吻合、压条应保证平直。

(3)   在完成吊顶安装后,应进行实测。通常情况下,通道在10m内,大面积的礼堂、厅堂等以两轴之间抽查不小于10%的测检点。

3.  允许偏差

钢木骨架罩面板安装允许偏差应符合表12-17的规定。

吊顶罩面板工程质量允许偏差                      表12-17

项目

允许偏差(mm

检验方法

石膏板

无机

纤维板

木质板

塑料板

纤维

水泥

加压板

金属

装饰板

石膏装饰板

深装浮饰雕石嵌膏式板

纸面石膏板

矿棉装饰吸声板

超细玻璃棉板

胶合板

纤维板

钙塑装饰板

聚氯乙烯塑料板

表面平整

3

2

2

3

3

2

 

2

用2m靠尺和楔形塞尺检查观感平整

接缝平整

3

3

3

3

4

3

 

<1.5

5m线检查,不足5m拉通线检查

压条平直

3

3

3

3

3

3

接缝高低

1

1

0.5

1

1

1

用直尺和楔形塞尺检查

压条间距

2

2

2

2

2

2

用尺检查

5.9.5 楼地面工程

5.9.5.1 地砖防滑磁砖、陶瓷锦砖铺贴

(一)   操作工艺

1.  抹结合层

(1)   根据+50cm水平线,打灰饼(打墩)及用刮尺推好冲筋。

(2)   浇水湿润基层,再刷水灰比为0.5素水泥浆。

(3)   根据冲筋厚度,用1:3干硬性水泥砂浆(以手握成团,不泌水为准)抹铺结合层。结合层应用刮尺及木抹子压平打实(抹铺结合层时,基层应保持湿润,已刷素水泥浆不得有风干现象,结合层抹好后,以人站上面只有轻微脚印而无凹陷为准)。

(4)   对照中心线(十字线)在结合层面上弹上面块料控制线(靠墙一行面块料与墙边距离应保持一致,一般纵横每五块面料设置一度控制线)。

2.  铺贴

(1)   釉面砖和水泥花阶砖。

1)  根据控制线先铺贴好左右靠边基准行(封路)的块料,以后根据基准行由内向外挂线逐行铺贴。

2)  用水泥膏(约2~3mm厚)满涂块料背面,对准挂线及缝子,将块料铺贴上,用小木锤着力敲击至平正。

(2)   陶瓷锦砖(马赛克、纸皮石)

1)  根据控制线先铺贴好左右靠边基准行的块料,以后根据基准行由内向外挂线逐行铺贴。

2)  用软毛刷湿水适量将块料表面(沿贴纸的一面)灰尘扫净,在结合层上均匀抹一层水泥膏将块料贴上,并用平整木板压在块料上用木锤着力敲击校正平。

3)  将挤出的水泥膏及时清干净。

4)  块料贴上后,在纸面刷水湿润,将纸揭去(一般待15~30分钟),并及时将纸屑清干净;拨正歪斜缝子,铺上平正木板,用木锤拍平打实。

3.  灌缝:待粘贴水泥膏凝固后,用白水泥、颜料(色泽根据面料颜色调配)填平缝子(过大缝子要拌细砂填灌),用锯末,棉丝将表面擦干净至不留残灰为止。

(二)   质量标准

1.  保证项目

(1)   面层所用板块的品种、质量必须符合设计要求。

(2)   面层与基层的结合(粘结)必须牢固无空鼓。(单块板边角局部空鼓,且每间不超过抽查总数的5%者,可不计)。

检验方法:用小锤轻击和观察检查。

2.  基本项目

(1)   板块楼地面面层的质量应符合以下规定:

合格:色泽均匀,板块无裂缝、掉角和缺楞等缺陷。

优良:表面洁净,图案清晰,色泽一致,接缝均匀,周边顺直,板块无裂缝、掉角和缺楞等缺陷。

(2)   地漏及泛水:观察和泼水检查。

合格:坡度满足排水要求,不倒泛水。

优良:坡度满足排水要求,不倒泛水、无积水,与地漏(管道)结合处严密牢固、无渗漏。

(3)   踢脚板:用小锤轻击和观察检查。

合格:接缝平整,结合牢固,出墙厚度适宜。

优良:表面洁净,接缝平整均匀,高度一致;结合牢固,出墙厚度适宜,基本一致。

(4)   踏步、台级:观察和尺量检查。

合格:缝隙宽度基本一致,相临两步高差不超过15mm,防滑条顺直。

优良:缝隙宽度基本一致,相临两步高差不超过10mm,防滑条顺直。

(5)   镶边:观察或尺量检查

合格:面层邻接处镶边用料及尺寸符合设计要求和施工规范规定。

优良:在合格的基础上,边角整齐、光滑。

3.  允许偏差

板块楼地面面层的允许偏差和检验方法应符合表10-5的规定。

板块楼地面面层的允许偏差和检验方法                  表10-5

项目

允许偏差(mm

检验方法

釉面砖

陶瓷锦砖

水泥花阶砖

 

表面平整度

2

3

用2m靠尺和楔形塞尺检查

缝格平直度

3

3

拉5m长线,不足5m拉通线和量尺检查

接缝高低差

0.5

0.5

用钢板短尺和楔形塞尺检验

踢脚线上口

平直度

3

 

拉5m长线,不足5m拉通线和量尺检查

板块间隙宽度

2

2

5.9.5.2 磨光花岗岩铺贴

(一)   操作工艺

1.  先将石板块背面刷干净,铺贴时保持湿润。

2.  根据水平线、中心线,按预排编号铺好每一开间及走廊左右两侧标准行后,再进行拉线铺贴。

3.  铺贴前应先将基层浇水湿润,再刷素水泥浆(水灰比为0.5左右),水泥浆应随刷随铺砂浆,并不得有风干现象。

4.  铺干硬性水泥砂浆(一般配合比为1:3,以湿润松散、手握成团不泌水为准)找平层,虚铺厚度以25~30mm为宜,放上石板块时高出预定完成面约3~4mm为宜,用铁抹子拍实抹平,然后进行石板块预铺,并应对准纵横缝,用木锤着力敲击板中部,振实砂浆至铺设高度后,将石板掀起,检查砂浆表面与石板底相吻合后(如有空虚处,应用砂浆填补),在砂浆表面先用喷壶适量洒水,再均匀撒一层水泥粉,把石板块对准铺贴。铺贴时四角要同时着落。再用木锤着力敲击至平正。

5.  铺贴顺序应从里向外逐行挂线铺贴。缝隙宽度如设计没有要求时,对于花岗石、大理石不应大于1mm,对于水磨石块不应大于2mm

6.  铺贴完成24小时后,经检查石板块表面无断裂、空鼓后,用稀水泥刷缝填饱满,并随即用干布擦净至无残灰、污迹为止。铺好石板块两天内禁止行人和堆放物品。

7.  镶贴踢脚板

(1)   镶贴前先将石板块刷水湿润,阳角接口板要割成45°角。

(2)   将基层浇水湿透均匀涂擦素水泥浆。边刷边贴。

(3)   在墙两端先各镶贴一块踢脚板,其上楞(上口)高度应在同一水平线内,突出墙面厚度应一致。然后沿两块踢脚板上楞拉通线,用1:2水泥砂浆逐块依顺序镶贴踢脚板。

(4)   镶贴时应检查踢脚板的平顺和垂直。

(5)   板间接缝应与地面缝贯通(对缝),擦缝做法同地面。

(二)   质量标准

1.  保证项目

(1)   面层所用板块的品种、质量必须符合设计要求。

(2)   面层与基层的结合必须牢固,无空鼓。(单块板料边角有局部空鼓,且每间不超过抽查总数的5%者,可不计)

检验方法用小锤轻击和观察检查。

2.  基本项目

(1)   板块面层的表面质量应符合以下规定:

合格:色泽均匀,板块无裂缝、掉角和缺楞等缺陷。

优良:表面洁净,图案清晰,色泽一致,接缝均匀,周边顺直,板块无裂纹、掉角和缺楞等缺陷。

(2)   地漏及泛水应符合以下规定:

合格:坡度满足排水要求,不倒泛水无渗漏。

优良:坡度符合设计要求,不倒泛水,无积水,与地漏结合处严密牢固,无渗漏。

(3)   踢脚线的铺设应符合以下规定:

合格:接缝平整,结合基本牢固,出墙厚度适宜。

优良:表面洁净,接缝平整均匀,高度一致;结合牢固,出墙厚度适宜。

检验方法:用小锤轻击和观察检查。

(4)   踏步、台阶的铺贴应符合以下规定:

合格:缝隙宽度基本一致,相邻两步高差不超过15mm。防滑条顺直。

优良:缝隙宽度一致,相邻两步高差不超过10mm。防滑条顺直。

(5)   镶边应符合以下规定:

合格:面层邻接处镶边用料及尺寸符合设计要求和施工规范规定。

优良:在合格的基础上,边角整齐、光滑。

检验方法:观察和尺量检查。

3.  允许偏差

板块楼地面面层的允许偏差和检验方法应符合表10-4的规定。

板块楼地面面层的允许偏差和检验方法                  表10-4

项目

允许偏差(mm

检验方法

高级水

磨石板

普通水

磨石板

大理

石板

花岗

石板

表面平整度

2

3

1

1

用2m靠尺和楔形塞尺检查

缝格平直

3

3

2

2

拉5m长线,不足5m拉通线和量尺检查

接缝高低差

0.5

1

0.5

0.5

用钢直尺和楔形塞尺检验

踢脚线上口平直度

3

4

1

1

拉5m长线,不足5m拉通线和量尺检查

板块间隙宽度

2

2

1

1

尺量检查

6  质量保证措施

6.1该工程质量要求高,争创行业金奖。

针对该目标,项目部将成立以项目经理全面负责,项目总工直接领导的质量管理体系,下设质检科和试验室,配备专职的质检人员和试验人员,同时各工程和各部位的施工负责人同时也是质量第一负责人,真正做到谁管理谁负责,并配兼职的质检人员,形成健全的三级质量保证体系。

6.2质量保证措施

6.2.1建立健全质量保证机构,落实质量责任制。

1.       明确领导班子,各有关部门职能部门、人员在保证和提高工程质量中所承担的任务、职责和权限。

2.       项目领导班子要围绕本工程质量目标协同努力,各尽其责,并认真贯彻工程项目责任制。

3.       项目经理是工程质量的第一责任者,要坚持质量第一的方针,通过严格的质量管理工作,确保工程质量目标的实现,向业主交付符合质量标准和合同规定的工程。

4.       生产计划人员做好施工准备,合理进行施工部署和安排,正确编制施工计划,在计划、部署、检查生产工作时坚持把质量放在首位。

5.       技术质检人员要认真研究设计文件,提出保证工程质量的文件、措施,组织相关人员进行图纸会审,正确进行技术交底,加强施工监控,负责对难点部位提出超前预防措施和处理质量事故中的技术问题。

6.       物资、试验人员要负责供应质量合格的材料、半成品,并及时提供质量合格证明。

6.2.2施工准备阶段控制

1.       针对工程项目目标和施工特点,对全体人员进行质量教育,提高全员质量意识。

2.       认真做好各项技术准备,针对本工程设计意图进行图纸会审制定施工组织设计、技术交底。组织相关人员加深对本工程施工质量规范标准全面而准确的认识。

3.       做好物资、设备的准备。编制物资、设备进场计划落实,保证机械设备的完好。特别重视质量检测仪器的采购和鉴定,以确保施工质量检测的准确性。

4.       施工现场的准备。做好测量放线工作,划出施工范围,协助业主完成地下障碍管线的查检和改迁工作。做好施工现场平面布置及水、电、施工路的准备工作,制定好交通疏导方案和文明施工措施。

6.2.3施工过程质量控制

A.       做好原材料进场检验工作

    对采购的原材料必须索取质量证明,并由实验员对原材料进行抽样检测和实验。复试合格后方可使用,对复试不合格材料,可以采取做好明确标识,并隔离存放或由物资负责人组织更换的措施,以保证原材料进场质量。

B.       加强检测试验工作

1.     项目经理部质量员、试验、测量人员,应依据施工方案或合同规定的规范标准要求对每道工序实施检测和实验,并做好验证记录。

2.     由项目部质量主管,组织有关人员进行隐蔽工程的自检,再自检合格的基础上,由质量主管通知业主或其代表参加隐蔽工程验收。

3.     执行验证的人员均有质量否决权,并有权向项目总工、项目经理汇报,对不合格品执行不合格品控制

C.       加强测量与监测控制

1.     测量员必须坚持双检复核,通过自检和互检,制定并协同完成施工全过程的测量任务。

2.     质量主管组织质量员、试验员、测量员进行工序交接和隐检,做到不合格品的工序不转序,并按规定认真记录。

D.       加强对关键工序的管理:由项目总工组织人员对本工程关键技术和难点部位提出超前预防措施,特别是对工程质量通病、易发病进行事先预防,通过采取合理措施将质量问题消灭在萌芽状态。

E.       文件和资料的控制

1.     所有技术文件图纸要求由资料员专人管理,受控文件加盖受控章,分别建立台帐和收发记录。

2.     存入软盘的文件由资料员进行归档登记,为防止丢失,存入软盘的文件均应有备份。

3.     《施工组织设计》《质量计划》《预防或补救措施》《施工方案》等技术文件必须经项目总工及各专业负责人员批准后才能在施工中使用。

F.       不合格品控制

1.     经检验人员上报的不合格品,由项目总工负责组织鉴定、判定,经判定为不合格品的如属于:

〈1〉                   物资供应或施工机械问题,由材料或机械负责人组织制定纠正措施,并上报项目总工批准。

〈2〉                   施工方法不当,违反操作,缺乏施工经验等问题。施工主管、质量主管组织相关人员制定补充措施,并上报项目批准。

2.     不合格品一经鉴别判定,应及时作出标识,可采用:

〈1〉        施工机械设备不符合性能规定,可挂牌停用。

〈2〉        整个工序或部位不符合质量标准,应挂牌表明状态,防止转序。

〈3〉        从合格工序或部位中,划分出不合格品的范围等。

3.     不合格品的处置

〈1〉        对不合格品的原材料、半成品、成品不准使用。

〈2〉        不合格工序不转序,确定纠正措施,操作合格后方可转序。

〈3〉        对不合格品的工程部位,应通知设计单业主或其代表共同商讨纠正措施,并做好记录。返修后,必须经检验人员重新评定并做好记录。

6.2.4竣工阶段质量控制措施

A.       工程项目控制

1.     制定收尾工程计划,对零星工程量少的清除杂物和材料、机具等要做好具体安排。

2.     竣工前要按照合同规定的《工程施工阶段及验收规定》《工程质量检验评定标准》对已完工程进行检验,找出需要完善改进的部位及时落实处理,以确保提供给业主的最终工程质量符合规定要求。

3.     当业主最终工程质量提出意见时,项目经理应及时组织修复,达到业主同意接受时为止。

B.       竣工资料准备:由项目总工负责组织竣工资料的编制整理,竣工资料的编制需按照 档案馆和 市政工程有关要求进行认真整理,各相关人员密切配合。

C.       工程移交

1.     工程移交前所有工程项目及整修部位需全部完成,并由项目组织自检达到标准。

2.     所有资料文件完整齐全,符合规定要求。

3.     按照业主验交程序申请工程移交。

4.     质量回访及保修:移交工程时,项目部制定质量回访计划,按计划进行回访,及时了解掌握业主对该工程的意见和质量要求。对回访中反映的质量问题,按〈质量回访及服务程序〉执行。确保业主100%满意。

6.2.5工地实验室的建立

A.       试验人员的组成

1.     本试验室拟由3人组成,其中包括试验工程师1名,试验操作员2名(具体详见质量管理系统图)

2.     本试验室所有人员均精通本岗业务,熟悉相关的标准及试验方法,操作员均具备质检员资质,持有上岗操作证,以确保试验工作的准确性,可靠性。

B.       管理办法:在施工现场设置中心实验室一座,负责整个工程的试验工作,中心实验室建成后将向质量检测部门申请认证,办理临时资质。实验室的所有管理工作将请监理工程师监督管理。

C.       试验设备及检测范围:实验室的建立包括力学试验、土工试验、材料试验三大部分。配备的仪器设备性能优良,范围全面,基本上能够满足本工程的要求,同时现场还将建立一座标准养护室。

6.3测量管理措施

    为了使测量数据准确、可靠连续,全面实行信息化施工,特制定以下措施:

1.     测量队与现场监理工程师密切配合,及时向监理工程师报告测量数据,并经现场检查,做好旬报和月报表。

2.     制定切实可行的测量实施方案和测点埋设及保护方法,将测量工作纳入工程施工的重点内容。

3.     测量人员要相对固定,确保测量数据精确连续。

4.     测量仪器、设备由专人使用并保养维护,在测量工作中定期进行校正检验。

5.     各量测项目在测量过程中必须严格遵守相应的实施措施。

6.4现场材料质量管理

1.     严格控制外加工采购材料的质量:各类建筑材料到现场后必须由项目经理和项目工程师组织相关人员进行抽样检查,发现问题及时与供应商联系,直到退货。

2.     搞好原材料二次复试取样、送样工作:水泥必须取样进行物理实验;钢筋原材料必须取样进行物理实验;还需进行化学成分分析;所有防水材料必须进行取样复试;存放期超过3个月的水泥必须重新取样进行物理实验,合格后方可使用。

6.5计量器具管理

1.     工程管理部计量员负责本部所有计量器材的鉴定、督促及管理工作。

2.     现场计量器具必须确定专人保管、专人使用。他人不得随意动用,以免造成人为损坏。

3.     损坏的计量器具及时申报修理调换,不得带病工作。

4.     计量器具要定期进行校对、鉴定,严禁使用未经校对过的量具。

6.6钢筋工程质量管理,

1.钢筋加工检验标准见表

序号

项目

允许偏差(mm)

检验频率

检验方法

范围

点数

1

冷拉率

设计规定

每根(每一类型抽查10%,且不少于5)

1

用尺量

2

受力钢筋成型长度

+5  -10

1

3

弯起钢筋

弯起点位置

±20

2

弯起高度

0   -10

1

4

箍筋尺寸

0   5

 

2

用尺量,宽、高,各计1

2.钢筋安装检验标准见表

序号

项目

允许偏差(mm)

检验频率

检验方法

范围

点数

1

顺高度方向配置两排以上受力筋的排距

±5

每个构件或构筑物

2

用尺量

2

受力钢筋间距

梁、柱

±10

2

在任意一个断面取每根钢筋间距最大偏差值计1

板、墙

±10

2

基础

±20

4

3

箍筋间距

±20

5

用尺量

4

保护层厚度

梁、柱

±5

5

用尺量

板、墙

±3

基础

±10

5

同一截面内受拉钢筋接头截面积占钢筋总截面积

25%

 

点数计算截面面积

注:同一截面指30d,长度500mmd为一根受拉筋的直径             

 

 

 

6.7模板工程质量措施

异型钢模板制作时的质量要求见下表:

序号

                       

容许偏差mm

1

外形尺寸

长和宽

0、-1

肋高

±3

2

面板端偏斜

1

3

连接配件的

孔眼位置

孔中心与板面的间距

±0.3

板端孔中心与板端的间距

0、-0.5

沿板长、宽方向的孔

±0.6

4

板面局部不平(用300毫米长平尺检查)

0.5

5

板面平整度(用2米长靠尺检查)

3

6

 

±1

6.8 砼质量保证措施

在砼施工过程中,影响砼质量的因素有:施工环境、施工工艺、钢筋、采用的砼原材料和施工组织。针对以上影响因素,采取以下措施保证砼的施工质量。

6.8.1管理措施

a)       确立管理人员岗位责任制,负责砼浇注施工有关的组织管理工作,保证砼料的连续供应和按施工工艺组织施工,从而保证砼的浇注质量。

b)       浇注砼前,首先组织施工人员按施工组织设计制定和砼施工工艺、施工技术性能等特点和施工条件,实行班组技术交底。项目副经理负责组织相应施工机具,为砼施工的实施作提前布置。项目部的质量监察部、技术部指定专人负责相应部位的砼浇注质量和砼的质量检验及监督。

c)       项目经理部相关的质量、技术和物资管理部门等,组织现场小组专职负责落实砼的供应和施工工艺组织,督促砼拌合站配料的施工质量。

d)       将商品砼拌合站质量管理纳入本工程创优目标管理范围,专职的砼试验人员进驻商品砼拌合站,协助拌合站根据砼的技术性能要求制定相应的质量控制措施,并监督拌合站按选定的配合比实施质量控制,同时协助组织运输。

e)       砼灌注施工实行质量承包责任制,项目经理部制定利益与工程施工的经济效益直接挂钩,制定相应的奖励措施,以调动相关人员群众性质量攻关和合理化建议活动。

6.8.2 砼防开裂保证措施

a)       提高砼的本身性能,能及时形成致密砼,成为砼内部挡水的基本屏障。同时加强施工人员培训、提高砼灌注工艺质量,制定严格的管理措施,确保模注砼结构在内部即能防水,防止开裂,不在各工艺过程中产生有害结构的因素。

b)       严格控制水泥量、品种

砼结构裂缝主要是由热量散失引起的,如果水泥用量大,就可能导致砼开裂,这在大体积砼中要求最为严格。热量来源于水泥的水化热和结构大小尺寸等。有关试验资料表明,普通水泥3天的水化热为255.4J/g7天为334.9 J/g,由此可见,水泥用量多,水化热就大,水化热和水泥用量成正比。要避免或减轻砼冷缩开裂,必须在保证设计强度、防水要求和施工工艺要求的前提下,减小单位砼的水泥用量,采用低热水泥,降低水化热,降低温差幅度,避免或减轻砼的收缩开裂。

c)       加微膨胀剂

微膨胀剂UEA或轻烧氧化镁,具有微膨胀性,可以补偿砼的自缩,是防裂防渗的成熟技术,防裂防渗的效果很好。

d)       合理采用双掺技术

在砼中采用双掺技术(即掺粉煤灰和减水剂)是降低水化热和防渗防裂的有效措施。因为优质粉煤灰在一般的情况下,存在以下作用:

1.致密作用:粉煤灰可以填充砼中的空隙,降低孔隙率,提高砼的密实性。

2.增强作用:粉煤灰中的玻璃珠粒形球体,表面光滑,质地致密,在砼中可以起到相当与水泥熟料微集料作用,把水泥浆颗粒分隔开,使水泥易于水化,水化速度及程度提高,起到增强作用。

3.需水量减少作用:粉煤灰不但有上述作用,还可使水泥浆体积堆集度增大,需水量减少,降低初始水灰比,改善水泥浆等的初始结构,大大降低砼孔隙率,增大砼的单位体积质量。

4、防渗透作用;粉煤灰与减水剂同时掺入砼中,由于减水剂的机理作用,使拌和物增塑改善砼的和易性,减少泌水,提高防渗性能。

5、科学选用砼的复合外加剂,制配蠕动性砼。

蠕动性砼的特点是:蠕动性好,不产生离析和泌水,可灌性好,可泵性好、易于振导,不增加设备,稍加振导即能浇注密实,砼孔隙率减少。

e)       专人用喷雾器养护砼,通过及时养护,控制砼内部水化热,可以减少砼开裂。

f)       避开高温季节及时灌注砼,做好低温季节的保温措施,重点预防寒潮侵袭。

6.8.3混凝土的质量检验

a)       混凝土的抗压强度,应以标准条件养生下28天龄期的试件为准,并按《GBJ10787或天津公路工程质量检验评定标准》的规定进行检查和评定。

b)       实测项目

混凝土基础允许偏差及检查方法见下表

   混凝土基础实测项目        

项次

检查项目

规定值或允许偏

检查方法和频率

1

混凝土强度(Mpa

在合格标准之内

按《天津公路工程质量检验评定标准》检查

 

6.9隐蔽工程的质量保证措施

              隐蔽工程质量在于加强施工过程的控制,健全和严格执行各项质量检验制度。使整个工程质量处于受控状态。

6.9.1制定质量岗位责任制、定岗定责,按施工部位专人负责。

6.9.2现场管理

              对隐蔽工程的质量,以班组自检与专职检查结合,自检发现问题及时纠正,避免带入下一工序造成大的损失。

6.9.3自检合格后由分管该工序质量的专职人员进行检查,不合格的坚决返工。上道工序不合格不准下一工序施工。

6.9.4每道工序自检合格后,请驻地监理工程师验收,并作好隐检工程的验收记录,检查等资料整理工作。经监理工程师认可签证后才能进行下一工序施工。

6.9.5隐检工程做好记录签字,从班组自检、专职人员、监理要层层签字,并按规定表格认真填写清楚时间、部位、检查内容等,做到每个部位都有拒可查。

6.10防渗防漏保证措施

6.10.1组建专业组织机构,加强过程(事先,事后)控制。

6.10.2施工过程中的程序控制

              施工中,质检工程师与技术员认真做好针对相关部位的技术保证方案,经质量主管领导批准后,严格按既定方案施工。施工操作过程中认真检查。指导防水专业施工人员对各道工序的操作,凡不合格者及时予以纠正,上道工序不合格不准进入下道工序施工。同时做好工序之间的自检及交接记录,以质量文件的形式进入档案保留。

6.10.3原材料的质量证明控制

              严格控制施工材料的质量保证,对拟进场或已进场的防水材料,如防水板、防水涂料、止水带(条)等必须做到三证齐全,即生产许可证出厂许可证材质检验报告。须经抽样送检合格后方能使用。

6.10.4分项工程及资料的控制

              充分配合监理工程师的检查,每道工序完成先由技术人员检查,再请质量工程师检查,后报请监理工程师检查验收后签认合格方能进入下道工序。认真保存相关质检文件。

6.10.5混凝土自防水能力的控制

              加强混凝土施工质量,防止混凝土开裂,确保混凝土自防水能力(详见混凝土质量保证措施)。

6.10.6加强关键部位的防水措施

              地下工程中因结构设计的需要或施工操作的发生会出现温度缝和施工缝。它们既是必须发生而又是最容易出现渗漏水的薄弱环节部位。所以必须选择合理有效的措施确保温度缝和施工缝部位的防水性能。

施工过程中的程序控制

              在主体结构施工缝处理上,新旧结构结合面要凿毛并认真清洗干净,要准确放置钢板止水带,在灌注混凝土前还要认真复查合格后方能灌注混凝土。并保持湿润但不得积水.浇注前施工缝处应先铺一层与混凝土配比相同的水泥砂浆其厚度为15-30mm,混凝土细致捣实使新旧混凝土紧密结合.

    温度缝处止水带应安装牢固,位置准确与温度缝垂直,其中心线应与温度缝中心线对正,不得在止水带穿孔或用钢钉固定就位.

6.11成品保护的保证措施

6.11.1  认真执行 政工程关于《文明施工标准及管理规定》,加强对所有参加施工人员进行成品保护教育,落实成品保护责任制。

a)       项目经理部成立以主管生产副经理为组长的施工现场领导小组,负责项目施工现场的管理和文明施工的成品保护工作。

b)       定期对管理和操作人员进行文明施工、成品保护教育,提高职工自觉保护成品的质量意识。

c)       要经常进行检查,发现被碰坏、损坏、污染的成品,要及时采取措施进行纠正处理,对责任人给予经济处罚。

6.11.2 加强现场管理,科学组织施工,减少成品损坏。

a)       编制成品保护细则,合理安排施工顺序,避免工序间相互干扰,凡下道工序对上道工序会产生污染的要对上道工序采取保护措施,一旦发生成品损伤或污染要及时处理或清除。

b)       在成品或半成品区域施工或装卸运输,要设专人管理,防止被撞或被刮。对有可能被污染的混凝土,一定要对混凝土进行遮盖,同时对混凝土表面进行清扫,洒水处理。

c)       有效采用成品保护的护、包、盖、封四种措施,对已完工程进行保护。

d)       防止地面水流进沟槽,控制施工用水的跑冒滴漏。

e)       浇注砼时,振捣人员不准直接站在钢筋上振岛,未达到80%设计强度的砼上不准堆放材料、机具。

6.12薄壁混凝土施工质量保证措施

用于壁厚200mm-400mm,薄壁混凝土浇筑高度3.5m-4m

本工程砼采用商品砼。设计图纸要求为C25S6D50,并为增强抗渗能力增加一定比例的外加剂。

砼的施工过程分为:原材料的选定、配合比设计试验、拌合及运输、浇注四个阶段,为确保本工程结构的砼质量,我公司拟对砼施工过程的各个环节均采取相应的技术措施。并对设计图纸进行研讨,对配筋是否满足抗裂要求,与设计进行探讨。

6.12.1砼施工组织

6.12.1.1确立管理人员岗位责任制,负责砼浇注施工有关的组织管理工作,保证砼料的连续供应和按施工工艺组织施工,从而保证砼的浇注质量。

6.12.1.2 浇注砼前,首先组织施工人员按施工组织设计制定和砼施工工艺、施工技术性能等特点和施工条件,实行班组技术交底。项目副经理负责组织相应施工机具,为砼施工的实施作提前布置。项目部的质量部、技术部指定专人负责相应部位的砼浇注质量和砼的质量检验及监督。

6.12.2 砼配合比实验设计与管理

a)砼配合比是控制砼质量的关键因素,配合比的选定要根据所在工程部位的特点、施工工艺设计技术要求及施工环境(温度等)来确定,

b)在需用商品砼以前,与商品砼拌合站取得联系。我单位首先对商品砼生产进行资格审查,我单位选用集团搅拌站砼并将资料监理认可。搅拌站根据设计要求及砼的施工技术性能要求提供多种砼的理论配合比,并通过试配选定最优配合比报业主、监理审定方能作为工程使用配比。我公司根据类似工程施工中取得的施工经验和长期积累的大量砼施工经验,并结合一些外掺剂的性能和砼所在部位的特点,与监理,搅拌站研讨,确定采用相应砼配合比。

中水配合比设计标准

1.  R=R+1. 645δ

δ=标准差(Mpa)一般为2.53.0Mpa  保证率为95%  标准离差倍数为1.645

2. 水灰比W/C

水灰比是保证砼强度的根本要素,根据砼设计强度和抗渗标号等通过试验确定,但不应大于0.55

W/C=W/C+KF   K=0.5   F为粉煤灰

3. 水泥用量C和总胶凝材料C0用量

水泥用量C不小于320kg/m3 C0=粉煤灰+水泥用量。

4. 用最优含砂率

所谓最优含砂率:是砼单位体积内水用量最少,水泥用量最省,而砼强度最大时的含砂率称为最优含砂率。最优含砂率通过试验确定。砂率35%-40%

6.12.2.3  砼配合比的管理

a)砼配合比确定后其作为拌合站拌制砼的配料单,由我公司实验室和拌合站共同采取相应的管理措施,按规范进行抽检,保证配合比的正确使用。

    b)商品砼拌合站必须严格按配合比组织砼供应,商品砼每一运输车必须有配料单和砼使用部位、性能以及运输起始时间等有关值,砼运到施工现场后由使我单位确定砼检验合格后,方能进行灌注施工。

     c)为加强对砼生产过程的控制,还要向拌合站派驻内部质检员监督检查各种原材料到货情况、计量情况、搅拌时间等。商品砼每车必须有供应单并注明使用部位,到现场由我方管理人员核准无误后方能灌注。

6.12.原材料质量保证

6.12.3.1水泥质量控制

水泥使用产品质量稳定、大厂家生产的名牌砖窑水泥,不采用高标号早强水泥。水泥进场后要有合格证书、质检报告,使用前进行必要试验。

6.12.3.2

拌合用水使用生活饮用水,能满足质量要求。

3.3砂石质量控制

砂石料除符合现行的《普通砼用砂质量标准及验收方法》和《普通砼用碎石或卵石质量标准及验收方法》中的规定外,石子粒经最大不超过40mm,所含泥土量符合规范要求,含水率不大于1.5%

6.12.3.4外加剂质量控制

砼使用的外加剂均应多次试配配比,效果稳定后才能确定品牌和掺量。

6.12.砼的运输

a)商品砼由拌合站制定运输路线,并根据使用情况编排好拌合运输线路的规定,保证运输准时,入场能连续使用。

我单位认真检查运输线路,使影响砼结构质量的因素得到控制,砼能畅通无阻地进入施工工作面,进行灌注施工。

b)在条件允许的情况下,砼浇注时间尽量错开场外交通高峰期,为砼连续供应提高进一步的保证。

c)从拌合站运至施工现场的砼应先检查随车提供的配合比通知单是否符合现场当前所需的砼配合比要求,再检查砼的坍落度,温度等是否满足入模要求,否则不得在本工程中使用,重新处理合格后才能使用。

d) 要求砼供应商应做到:混凝土必须能在最短的时间运到施工现场,时间不超过2小时。

e)混凝土搅拌运送车在运送混凝土现场,应高速转动30秒后反转出料。

f)砼搅拌输送车因途中失水,严禁到工地加水调塌落度

6.12.5 砼灌注

6.12.5.1商品到现场后需做坍落度试验,与入模方式要求的坍落度应在允许误差12厘米内,坍落度10-12 cm。同时进行温度检验,控制砼入模温度不高于25,若不符应退回并通知拌合站调整。

6.12.5.2从砼搅拌运输车卸出的砼不得发生离析现象,否则需重新搅拌合格后方能卸料。

6.12.5.3砼生产后,必须在规定时间内灌注,若由于交通、车辆、现场等原因造成延误,超出时间的不准采用,也不允许二次加水搅拌使用。

6.12.5.4入模砼应对称下料,振捣时应注意转角及钢筋密集的地方不得漏振,采取班组负责制。

6.12.5.5砼灌注时其自由倾落度不大于2米,砼灌注时从低处向高处分层连续进行,如必须间歇时,其间歇时间应尽量缩短,并应在前层砼凝结前将次层砼灌注完毕。泵送砼时浇筑采用斜面分层法,每层50cm为浇筑厚度。

6.12.5.6. 砼必须采用振捣器振捣,振捣时间宜为10-30S,并以砼开始泛浆排泡为准。

6.12.5.7.砼的浇筑,结构砼施工,泵送下灰方法,人工插入式振捣,应做到以下几点:

a)振动器的操作,应做到快插慢拔。快插是为了防止先将表面混凝土振

实而与下面混凝土发生分层、离析现象;慢拔是为了混凝土能填满振动棒抽出时所造成的空洞。在振捣过程中,宜将振动棒上下略微抽动,以使上下振捣均匀。

b)每一插点要掌握好振捣时间,过短不易捣实,过长可能引起混凝土产生离析现象。一般每点振捣时间为2030S,但应视混凝土表面呈水平不再显著下沉,不再出现气泡,表面泛出灰浆为准。振捣棒插点要均匀排列,底板、垫层、宜采用行列式振捣,不能出现乱插棒现象。以免造成漏振,每次移动位置的距离应不大于振动棒作用半径的1.5倍,一般振捣器的作用半径3040cm

c)振捣器使用时,振捣器距离模板不应大于振捣器作用半径的0.5倍,并不宜紧靠模板振动,且应尽量避免碰撞钢筋、吊环、预埋件。

6.12.5.8. 砼灌注时应采取防暴光晒和雨淋措施。避开高温天气及时灌注砼,高温天气外模喷水降温。

6.12.6砼养护

6.12.6.1在砼浇筑完毕,待终凝后采用湿麻袋浇水养护,养生期不小于14天。内外壁同时养生。

6.12.6.2   拆模时间为砼浇筑完毕后四至五天。

6.12.7  砼防开裂技术措施

6.12.7.1  提高砼的本身性能,能及时形成致密砼,成为砼内部挡水的基本屏障。同时加强施工人员培训、提高砼灌注工艺质量,制定严格的管理措施,确保模注砼结构在内部即能防水,防止开裂,不在各工艺过程中产生有害结构的因素。

6.12.7.2  严格控制水泥量、品种

砼结构裂缝主要是由热量散失引起的,如果水泥用量大,就可能导致砼开裂,这在大体积砼中要求最为严格。热量来源于水泥的水化热和结构大小尺寸等。有关试验资料表明,普通水泥3天的水化热为255.4J/g7天为334.9 J/g,由此可见,水泥用量多,水化热就大,水化热和水泥用量成正比。要避免或减轻砼冷缩开裂,必须在保证设计强度、防水要求和施工工艺要求的前提下,减小单位砼的水泥用量,采用低热水泥,降低水化热,降低温差幅度,避免或减轻砼的收缩开裂。

6.12.7.3  加微膨胀剂

微膨胀剂UEA或轻烧氧化镁,具有微膨胀性,可以补偿砼的自缩,是防裂防渗的成熟技术,防裂防渗的效果很好。

6.12.7.4合理采用双掺技术

在砼中采用双掺技术(即掺粉煤灰和减水剂UNF)是降低水化热和防渗防裂的有效措施。因为优质粉煤灰在一般的情况下,存在以下作用:

6.12.7.4.1.致密作用:粉煤灰可以填充砼中的空隙,降低孔隙率,提高砼的密实性。

6.12.7.4.2.增强作用:粉煤灰中的玻璃珠粒形球体,表面光滑,质地致密,在砼中可以起到相当与水泥熟料微集料作用,把水泥浆颗粒分隔开,使水泥易于水化,水化速度及程度提高,起到增强作用。

6.12.7.4.3.需水量减少作用:粉煤灰不但有上述作用,还可使水泥浆体积堆集度增大,需水量减少,降低初始水灰比,改善水泥浆等的初始结构,大大降低砼孔隙率,增大砼的单位体积质量。

6.12.7.4.4、防渗透作用;粉煤灰与减水剂同时掺入砼中,由于减水剂的机理作用,使拌和物增塑改善砼的和易性,减少泌水,提高防渗性能。

6.12.7.4.5、科学选用砼的复合外加剂,制配蠕动性砼。

蠕动性砼的特点是:蠕动性好,不产生离析和泌水,可灌性好,可泵性好、易于振导,不增加设备,稍加振导即能浇注密实,砼孔隙率减少。

6.12.7.4.6、专人用喷雾器养护砼,通过及时养护,控制砼内部水化热,可以减少砼开裂。

7.文明施工及环境保护措施

7.1文明施工保证措施

为加强工程施工现场的管理,提高文明施工水平,创造文明工地,根据市政府的有关规定,结合本项施工的特点,适应城市文明要求,工程的文明施工标准及管理规定将严格按《 市政文明施工标准及管理规定》执行。

7.1.1工程施工实行封闭式施工,出入口设能开关的大门,大门旁设置醒目、整洁的施工标牌写明工程名称、建筑面积、建设单位、施工单位、监理单位及有关负责人姓名。

7.1.2施工现场场地管理严格按 有关文件办理,并采取以下保证措施:

a)       按施工总平面布置图实施布置管理,施工现场内所有临时设施均按平面布置,使施工现场处于有序状态。

b)       施工现场设置的临时设施,包括办公室、宿舍、食堂、厕所等均刷白。并建立住地文明、卫生、防火责任制,按规定布置防火设施,并落实相关责任人管理。

c)       现场临时住的工地厕所设置三级化粪池净化后,经新建的地下管道排入就近的城市污水管道。住地设置垃圾箱,每日专人清运。工地范围内由保健医生负责定期清毒。

d)       除加工房外,其它临时设施均按标准硬化地面,四周设置砖砌排水沟,生活污水经设于场地内过滤沉淀池处理后,排入城市下水道。

e)       工地的原材料和半成品不得堆放于围墙外,材料及半成品的堆放严格按 及业主《文明施工管理办法》要求分类堆放,并用标识牌标识清楚;

f)       施工现场内道路平整畅通,排水出口良好。施工临时场地入口设置洗车槽,出施工场地的机动车辆,必须在工地内冲洗干净后才能上路行驶;

g)       所有施工管理人员和操作人员必须佩戴证明其身份的标识牌,施工场地出入口设专职安全保卫。

h)       土石方开挖施工前,先设置好防止水土流失的临时堵水和排水的沟渠,避免污染道路和堵塞下水管道。土方开挖施工若发现有不明物体或发现文物迹象,先应停工,并设临时保护设施,及时报有关部门处理后,方可继续施工。

i)       散件物料及预拌混凝土运输等严格执行 及业主的有关要求。混凝土灌注作业后,运输车及作业场地也应及时清除和冲洗,以保证车辆和场地清爽。

j)       确保施工场地周围各种公共设施的安全。

k)       工程完工后,按要求及时拆除所有工地围墙,安全防护设施和其它临时设施,并将工地及周围环境清理整洁,做到工完、料清、场地净。

l)       由项目经理部制定出施工现场场地管理、施工秩序管理、施工卫生管理、环境保护管理、交通安全管理、成品保护管理实施细则,并上上墙广泛宣传,由主管项目经理负责认真落实。

m)       定目标、抓管理、抓考核以考核、奖罚等制度保证我标段工程、工地为文明施工工地,为 市政树立良好的施工形象。

7.2 施工期间环境保护计划及保证措施

由于此项工程规模大、周期长施工过程不可避免地会产生一系列的环境问题,给这些区域群众的生活、工作造成暂时不便,同时,施工生产的噪声,振动、扬尘等污染也会影响当地的环境质量,为使施工期的环保工作有序,有效进行,减少施工过程对周围环境造成的不利影响,我们将针对工程施工面临的环境问题,依照国家及地方环境相关法规的要求确定出施工过程中环保工作的具体安排,依照《 有关环境保护》的规定执行。将环保工作规范、系统地贯穿施工期的全过程。使施工期的环境影响达到相关法规、标准要求。

7.2.1 施工期内主要环境污染因素特征

a)       噪声

施工噪声包括现场施工产生的噪声和车辆运输产生的噪声。

施工过程将动用挖掘机、空压机、发电机、钻孔机、打桩机、风镐、打夯机等施工机械,这些施工机械在进行施工作业时产生噪声,成为对临近敏感点有较大影响的噪声源。这些噪声源有的是固定源,有的是现场区域内的流动源。此外,一些施工作业如搬卸、安装、拆除等也产生噪声。桥梁施工工期紧,有些工艺必须连续施工,夜间施工噪声扰民问题会比较突出。

本工程构造主要为现浇砼结构、浇筑砼时的振捣器声也是产生噪声的来源和比较突出的问题之一。

b)       振动

主要来源于重型施工机械的运转,重型运输车辆行驶,打桩、锤击、夯实等作业产生的振动。

c)       大气污染

挖土、拆除、装卸、运输、回填、夯实等施工过程和开挖面、露天堆场等区域会产生大量扬尘,扬尘在大风天气和旱季较为严重,是施工期的主要大气污染。此外,各种施工机械、运输车辆和炉灶等燃具也排放废气。

d)       水污染

施工期产生的废水主要有施工废水、地下水、雨水径流、施工人员生活污水,其中施工废水含泥沙量高,需经沉淀后排放。由施工开挖面广、出土量大,在雨季土方的挖掘、运输、堆放等过程会引起泥土流失,大量泥沙可能阻塞市政下水系统。

e)       固体废弃物

施工期产生的固体废弃物主要有工程弃土、建筑废料和施工人员的生活垃圾。

7.2.1施工期内的环境标准

a)       强制性标准

《建筑施工场界噪声限值》(GBI252390)具体要求:在与敏感区对应场界处的噪声限值见下表

不同施工阶段的噪声限值       单位:等效声级leq  [dB (A)]  

1)              评价性标准

1

居住、文教区、机关、

旅游风景区

55

45

2

混合区、商业中心区

60

50

4

交通干线道路两侧

70

55

《城市区域环境振动标准》(GB1007090

具体要求:桥梁施工场地周围区域的环境振动标准值见下表

环境振动标准值        单位:铅垂向Z振级VLz10 [dB]       

适用地带范围

   

   

居住、文教区

70

67

混合区、商业中心区

75

72

交通干线道路两侧

75

72

《城市空气质量标准》(GB30951996)具体要求:总悬浮颗粒物(TSP)日平均0.30mg/m3,年平均0.2mg/m3。(二级标准)

b)       参考标准

《民用建筑隔声设计规范》(GBJ11818)具体要求:学校教室昼间60dBA(室外);医院病房昼间60dBA,夜间50dBA(室外)。

《污水综合排放标准》(GB89781996)具体要求:悬浮物(SS)二级标准150mg/I排入自然水体);三级标准400mg/I(排入设污水处理厂的城市排水系统)。

7.2.2 主要环境影响的控制

噪声的控制

a)       施工场界噪声控制按《建筑施工场界噪声限值》(GB1252390)要求。

b)       对可固定的机械设备如空压机,备用发电机设置等在施工场地建临时房屋内,房屋内设隔音板,使其与外界隔离,最大限度的降低其噪音。

c)       对噪声超标造成环境污染的机械施工,其作业时间限制在t时至十二时和十四时至二十二时之内。

d)       各项施工均选用低噪声的机械设备和施工工艺。施工场地布局要合理,尽量减少施工对居民生活的影响,减小噪声的强度和敏感点受噪声干扰时间。

振动的控制

.施工振动对环境的影响按《城市区域环境振动标准》GB1007088要求。

.对振动超标造成环境污染的机械施工,其作业时间限制在七时至十二时和十四时至二十二时之内。

.本工程施工可能会对地层产生扰动,引起建筑变形或沉陷。对临近建(构)筑物应事先详查、做好记录,对可能的危害采取加固等预防措施。

对城市生态的保护

.对城市绿化,在施工范围内严格按法规执行,临时占用绿地要报批并及时恢复、砍伐或迁移树木要报批,不得随意修剪树木,古树名木按要求进行特殊保护。

.施工照明灯的悬挂高度和方向要考虑不影响居民夜间休息。

.严格履行各类用地手续,按划定的施工场地组织施工,不乱占地、不多占地。

.在施工场地周围出安民告示,以求得附近居民的理解和配合。

.在施工工地场界处设实体围蔽,不得在围蔽外堆放物料、废料。

对水污染的控制

.废水排入城市下水道,悬浮物(SS)执行《污水综合排放标准》(GB89781996)的三级标准400mg/L;废水排入自然水体,悬浮物(SS)执行《污水综合排放标准》(GB89781996)中的二级标准150mg/L

.根据不同施工地区排水网的走向和过载能力,选择合适的排口位置和排放方式。

.在工程开工前完成工地排水和废水处理设施的建设,并保证工地排水和废水处理设施在整个施工过程的有效性,做到现场无积水、排水不外溢、不堵塞、水质达标。

.在回填土堆放场、泥浆水产生处设沉淀池,沉淀池的大小根据排水量和所需沉淀时间确定。

.在施工现场设泥浆池和沉淀池及泥浆运输车做为钻孔灌注桩和地下派水管道施工时的废浆处理设备。

.根据施工实际,考虑天津降雨特征,制定雨季、特别是汛期,避免废水无组织排放、外溢、堵塞城市下水道等污染事故发生的排水应急相应工作方案,并在需要时实施。

对大气污染的控制

.对易产生粉尘、扬尘的作业面和装卸、运输过程,制定操作规程和洒水降尘制度,在旱季和大风天气适当洒水,保持湿度。

.合理组织施工、优化工地布局,使产生扬尘的作业、运输尽量避开敏感点和敏感时段(室外多人群活动的时段)。

.严禁在施工现场焚烧任何废弃物和会产生有毒有害气体、烟尘、臭气的物质,熔融沥青等有毒物质要使用封闭和带有烟气处理装置的设备。

.工程使用商品混凝土。

.水泥等易飞扬细颗粒散体物料应尽量安排库内存放,堆土场、散装物料露天堆放场要压实、覆盖。

.选择合格的运输单位,做到运输过程不散落。

.车辆出场冲洗车轮,减少车轮携土。

.拆除构筑物时要有防尘遮挡,在旱季适量洒水。

.使用清洁能源,炉灶符合烟尘排放规定。

.施工现场要在施工前做好施工道路的规划和设置,临时施工道路基层要夯实、路面要硬化。

固体废弃物的遗弃。

.在施工中应减少回填土方的堆放时间和堆放量,堆土场周围加护墙护板。

.制定泥浆和废渣的处理、处置方案。按照法规要求选择有资质的运输单位,及时清运施工弃土和渣土,建立登记制度,防止中途倾倒事件发生并做到运输途中不撒落。

.选择对外环境影响小的出土口、运输路线和运输时间。

.材料库剩余料具、包装及时回收、清退。对可再利用的废弃物尽量回收利用。各类垃圾要及时清扫、清运、不得随意倾倒,作到每班清扫、每日清运。

.保证回填土的质量,不得将有毒有害物质和其它工地废料、垃圾用于回填。

.施工现场内无废弃砂浆和混凝土,运输道路和操作面落地料及时清用,砂浆、混凝土倒运时应采取防撒落措施。

.教育施工人员养成良好的卫生习惯,不随地乱丢垃圾、杂物,保持工作和生活环境的整洁。

.严禁垃圾乱倒、乱卸或用于回填。施工现场设垃圾站,各类生活垃圾按规定集中收集,由环卫部门及时清理、清运,做到每班清扫、每日清运。

8.安全施工保证措施

8.1 建立健全安全生产保证体系,落实安全生产责任制

   本合同工程拟建立的安全生产保证体系见安全生产保证体系框图。成立以项目经理为组长的安全生产领导小组,全面负责并领导本项目的安全生产工作。

8.2 本项目实行安全生产三级管理,即一级管理由项目经理负责,项目经理是施工项目安全管理第一责任人,二级管理由项目部专职安全员负责,三级管理由施工作业队班组长负责。

8.3 按照颁布的《安全生产责任制》的要求,落实各级管理人员和操作人员的安全生产负责制,全员承担安全生产责任,做到纵向到底,横向到边,一环不漏,人人做好本岗位的安全工作。

8.4 开工前项目经理部组织有关人员编制实施性安全施工组织设计,对钻孔桩、支撑架、钢筋与模板、砼结构施工、机械施工、运输、垂直起吊、脚手架工程、土方外运等作业项目,编制和实施专项安全措施设计,确保施工安全。

8.5 实行逐级安全技术交底制,由项目经理部组织有关人员进行详细的安全

技术交底,凡参加安全技术交底的人员要履行签字手续,并保存资料,由专职安全员对安全技术措施的执行情况进行监督检查,并作好记录。

8.6 加强施工现场安全教育

8.6.1针对本工程特点,对所有从事管理和生产的人员,施工前进行全面的安全教育,重点对专职安全、班组长、从事特殊作业的架子工、起重工、电工、焊接工、机械工、机动车辆驾驶员等进行培训教育。

8.6.2未经安全教育的施工管理人员和生产人员,不准上岗,未进行二级教育的新工人不准上岗,变换工种或采用新技术、新工艺、新设备、新材料而没有进行培训的人员不准上岗。

8.6.3特殊工种的操作人员的安全教育、考核、复验,严格按照《特种作业人员安全技术考核管理规定》考核合格,获取操作证方能持证上岗。对已取得上岗证的特种作业人员要进行登记,按期复审,并要设专人管理。

8.6.4通过安全教育,增强职工安全意识,树立安全第一,预防为主的思想,并提高职工遵守施工安全纪律的自觉性,认真执行安全检查操作规程,做到:不违章指挥,不违章操作,不伤害自己,不伤害他人,不被他人伤害,提高职工整体安全防护意识和自我防护能力。

8.7确定安全管理目标和安全防范要点

8.7.1安全管理目标:三无一杜一创建。三无即无工伤死亡事故,负伤率2以下,无交通死亡事故,无火灾、洪灾事故,一杜绝即杜绝重伤事故;一创建创建安全文明工地。

8.7.2安全防范重点

根据我公司以往施工经验,结合本工程特点,本工程施工安全防范重点有以下5个方面:

a.防基坑边墙、开挖面坍塌事故

b.起重机械事故

c.防交通事故

d.防用电、火灾事故

e.防高空坠落事故

8.8主要施工项目安全技术措施

8.8.1所有工程在开工前必须编制有安全措施的施工组织设计,技术复杂的专题方案必须严格审核批准手续、程序。

8.8.2施工现场除应设置安全宣传标语牌外,危险地点挂按照GB289382《安全色》和GB289482《安全标志》规定的标牌,夜间有人经过的施工区等还应设红灯示警。现场道路应符合《工厂企业厂内运输安全规程》GB437884的规定。

8.8.3现场的生产、生活区要设足够的消防水源和消防器材,消防器材应有专人管理不能乱拿乱动,要组成一个由15~20人的义务消防队,所有施工人员和管理人员要并掌握消防设备的性能和使用方法。

8.8.4各类房屋、库棚、料场等的消除安全距离应符合公安部门的规定,室内不能堆放易燃品;严禁在易燃易爆物品附近吸烟,现场的易燃杂物,应随时清除,严禁在有火种的场所或近旁堆放。

8.8.5氧气瓶不得沾染油脂,乙炔发生器必须有防止回火的安全装置,氧气与乙炔发生器要隔离存放。

8.8.6施工现场临用电要有方案设计,应按《施工现场临时用电安全技术规范》JGJ4688的要求进行设计、施工、验收和检查。临时用电还要有安全技术交底及验收表,健全安全用电管理制度和安全技术档案。

8.8.7施工现场应实施机械安全管理及安装验收制度,机械安装要按照规定的安全技术标准进行检测。所有操作人员要持证上岗。使用期间定机、定人,保证设备完好率。

8.8.8各类脚手架的搭设要有图纸和计算,搭设完成验收合格后方可使用。使用中定人定期检查,定人负责维修并作好记录。

8.8.9对高空作业、深基坑开挖等技术复杂又涉及不安全因素较多的工程,开工前必须编制专项安全技术措施,并经监理总部批准后方可开工。

8.8.10必须抓好施工现场平面布置和场地设施管理,做到图物相符,井然有序,此外还应做好环保、消防、材料、卫生、设备等文明施工管理工作。

8.8.11施工现场安全设施主要包括安全网、围护、洞口盖板、防护罩、护栏等,各种限制装置必须齐全、有效,不得擅自移动。

8.8.12根据设计文件复查地下构造(如地下电缆、给排水管道等)的埋设位置及走向,并采取防护措施,施工中如发现危及地下构造物、地面建筑物或有危险品、文物时,应立即停止施工,待处理完毕后方可恢复。

8.8.13高空作业或井下作业点的作业位置宜悬挂醒目安全标志。

8.9工程施工安全控制措施。

8.9.1地下结构施工

A.地下结构施工时,对邻近建筑物及地下管线等,进行认真检察,并采取有效的防护、加固措施,以确保其安全。

B.机具进场要防止碰撞电杆电线及市政房屋设施。

C.施工场地必须认真平整、压实,必要时铺盖碾压碎石,四周做好排水沟以利排水。

D.施工过程中遇到地坪隆起或下陷时,应及时对机架及路轨调平或垫平。

E.作业司机持证上岗,操作时需精力集中,服从指挥信号,不得随便离开机位,并注意异常情况及时加以纠正。

F.树根桩的施工过程中,需平稳操作,防止桩架倾倒损桩具。

G.施工期间禁止闲人进入工作面,非施工期间桩孔加盖并设明显标志,机具四周临时围护,夜晚设红灯示警。

8.9.2供电设备

A.非专职电气人员不得操作电气设备。

B.检修、搬迁电气设备时应切断电源,并悬挂有人工作,不准送电的警告牌,并派专人看护。

C.操作高压电气设备主回路时,必须戴绝缘手套,穿电工绝缘靴并站在绝缘板上。

D.手持式电气设备的操作手柄和手接触的部分,应有良好绝缘,使用前应进行绝缘检查。

E.低压电气设备加装触电检查。

F.电气设备外露的转动和传动部位必须加装遮栏或防护罩。

G36v以上的电气设备和由于绝缘损坏可能带有危险电压的金属外壳、构架等,必须有保护接地。

H.发电机房、变电所等必须设有事故照明设备。

E. 施工现场用电是引入三路电源,依据GJ46-88安全用电标准由二号临时变电室引入二路VV29120×3+2×70mm2电缆,采用直埋式敷设。

1、电缆敷设要求:

敷设直埋电缆见平面图。

电缆路径选择时尽量少拐弯。

使电缆尽量少受外界的因素,如机械的化学的及使用的损坏。

散热条件好。

尽量避免与其它管道交叉。

应避开规划中要挖土和新盖的建设物和设施下面

2、敷设电缆一定要严格遵守有关技术规程的规定和设计的要求。竣工后要按规定的手续和要求进行检查和实验,确保线路的质量。

3、敷设电缆的部分技术要求如下:

在敷设条件许可下,电缆长度可考虑1.5—2%的余量,作为检修时的备用直埋电缆作波浪形埋设。

下列地点的电源穿钢管保护,钢管内径不得小于电缆外径的2倍,电缆引入引出建筑物或构筑物以电缆沟引出  电杆或    敷设的电缆距2米高度及埋入地下小于0.25米深度的一段电缆与道路交叉的一段。

电缆的金属外皮应可靠的接地。

电缆路端必须做重复接地。

电缆埋设深度均-80cm以下,电缆上、下部铺10cm  矿最上部用码态齐码放,然后还土。

4、配电闸箱要求

施工现场电闸箱必须采用三维式凯述生产的电闸箱要根据设备的额定电源选用,一机一闸、一隔离,必须达到三级控制,二级保护,现场用电必须由持证电工操作,严格遵照JGJ46-88安全技术规范执行。

5、施工现场第三路电源是由污水厂改变以架空形式到达施工现场的搅拌站。

架空线路要求必须采用纶缘导线

架空线路的挡距与弧度,木杆架设挡距不得大于30米线间不得 小于30 cm最大弧度处与地面的最小垂直距不得小于4米。

相序排列面向负荷从左侧起为L1NL2L3PE

架空线路的终端及转角处必须做重复接地,接地电阻不大于10欧姆

6.安全要求

在挖设电缆沟时,注意带好安全帽,防止过路行人掉入沟内。必须作好安全防护,夜晚必须安装警示灯。

在架空线路中,防止从高空坠落,必须戴好安全带检查电杆与脚扣是否合格。不要从高空工具,以免砸伤下边的工作人员,一定戴好安全帽,穿好绝缘鞋。

电工在安装电闸箱和机械设备时,一定要持证上岗,一人监护,一人操作。注意接好保护  ,使用前一定要进行验收和试运行。

F.生活用电

    生活区用电全部采用低压36V安全电压,并且按规定穿管和做到整齐一致。    

8.9.3灌注桩成孔施工措施

A清除妨碍施工的高空和地下障碍物,平整打桩范围内的场地和雅士打桩机行驶的道路。

B认真查清地下管线分布情况,合理布置泥浆池位置。

C由专职电工用5芯电缆布置临时线路。计算工作最大荷载,按规范稳放配电箱,由安全员每天检查并记录。

D现场夜间照明用3.5KW镐灯,现场用电均应安装漏电装置。

E非机电人员,不允许操作机电设备、翻斗车、电焊机和电葫芦等应持证上岗。

F设专人(安全员)班前及施工中随时检查辘轳轴、支腿、绳、保险装置和吊钩等设备的完好程度、发现有破损的现象时,应及时监督修复或更换并做好记录。

G操作人员必须按照操作规程和施工规范操作。

H钢筋笼子安装时由专人指挥,并事先检查提升装置。

E现浇砼时设专人指挥,并控制现浇深度及提套筒速度。

J临时泥浆沟应设置在远离施工机械的通道。

K现场施工人员必须安全帽,机电人员不得擅离职守。

894模板安全施工措施

A模板的材质要求

a.组合钢模板采用定型钢模板,以300mm×1500mm模板为主,模板表面无锈蚀、变形,钢模板肋边不得短缺、开焊。

b.自制木模板采用松木材质,表面不得有腐朽、折裂、枯节,木模板厚度不低于50mm

B模板连接固定

a.组合钢模板间采用U型卡连接。

b.模板与组合钢模板间采用螺栓连接。

c.井壁内外模板间采用对拉螺栓连接,采用16钢筋双面套螺纹扣。

验算对拉螺栓受力情况:

1)采用内侧振捣时,混凝土浇筑对模板侧面的压力:        

公式1     F=24H                        

公式2     F=0.22t012V1/2         

取两公式较小值

F:新浇筑混凝土对模板的最大侧压力

H:混凝土侧压力计算位置处至新浇筑混凝土顶面的总高度。H=3M

        :混凝土的重力密度。=24KN/M3

        t0:混凝土初凝时间。t0=200/T+15=200/40+15=3.6h

V:混凝土的浇筑速度。V=m/h

1:外加剂修整系数。取1.0

2:混凝土塌落度影响修正系数。取1.15

公式一:F=24×.=57.6KN/M2

公式二:F=0.22×24×3.6×1×1.15×1/2=21.8592KN/M2

侧压力取34.7KN/M2

振捣混凝土时产生的荷载4 KN/M2

总侧压力P=21.8592+=26 KN/M2

12对拉螺栓fy=235×××3.14=26.KN/M2

对拉螺栓间距1m×m=M2

每平米12对拉螺栓fy/M2=26. KN/M2>P=26KN/M2

满足安全使用要求

支撑体系验算:

支撑体系采用满堂红脚手架,高度不大于15m,立杆间距及水平杆间距为1.2m。设计菏载F<3KN/M2。符合使用要求。

C模板的安装

a模板及支撑系统在安装过程中,应防止倾覆,随时设置固定设施。

b支模应按工序进行,模板没有固定前,不得进行下道工序。

c安装井壁模板时,应从内、外角开始,向相互垂直的二个方向拼装,连接模板的U型卡要正反交替安装,同一道井壁的两侧模板应同时组合,以便确保模板安装时的稳定。井壁模板采用分层支模时,第一层模板拼装后,应立即将内、外穿墙螺栓、斜撑等全部安设紧固稳定。当下层模板不能独立安设支撑件时,必须采取可靠的临时固定措施,否则不能进行上一层模板的安装。

d用钢管和扣件搭设双排立柱支撑梁模时,扣件应拧紧。扭力不够时可放两个。

e平板模板安装就位时,要在支架搭设稳固,板下横棱与支架连接牢固后进行。

f模板搭设高度大于两米时,应搭设工作台,不准在柱模上操作及在梁模上行走,不准利用拉杆、支撑攀登上下。

D拆模前准备工作

a模板拆除前应检查使用工具是否牢固,扳手等工具必须系挂在身上,应设专人指挥并明示工作区,设立护栏及警示牌,严禁非操作人员进入。

b拆除基础及地下工程模板前,应先检查基坑土壁的状况,发现有松软、龟裂等不安全因素时,必须采取防范措施后,方可下人作业。

c施工人员应有足够作业面,数人同时操作时应科学分工,统一信号和行动。

d拆模人员应带安全帽,穿防滑鞋,采用长撬杠,禁止操作人员站在正拆除的模板上。

e在混凝土墙体、平板上有预留孔洞时,应在模板拆除后,立即做好安全护栏,板上的洞盖严。

f拆模间隙时,应将已活动的模板、拉杆、支撑等固定牢固,防止突然掉落、倒塌伤人。

g拆除时应逐块拆卸,不得成片松动和撬落或拉倒。严禁站在同一垂直面上操作。拆除平台、顶板底模时应设临时支撑,防止大片模板坠落,尤其是拆柱模时,操作人员应站在安全区域拉拆,防止模板突然全部掉落伤人。

E拆模后清理

a已拆除的模板、拉杆、支撑的材料应及时运走,防止操作人员因扶空、踏空而坠落,模板分类码放,码放高度<1.5米,板面朝上防止下雨锈蚀。

W模板拆除后,专业工长应检查作业面是否存在漏丢模板及余留模板是否牢固,检查合格后方可进行下步工序。

W施工用材料应符合安全方案要求,不得擅自改动对拉螺栓、支撑体系等材料的位置及材质要求。

b施工管理人员及操作人员应对照方案标示尺寸施工,如与方案有冲突时,应作方案变更,上报有关主管部门审批。

c施工前对施工人员进行专业安全技术交底,由班组长签字、落实。

d模板支设完毕后,由项目技术负责人及安全员、班组长一同验收、登记,合格后方可使用。

e模板拆除后请安全员验收,合格后方可进行下道工序.

钢筋施工措施

895钢筋安全施工措施

A钢筋进场

a钢筋进场卸车时,须由专业吊车司机吊装,配合人员应在钢筋距地1米时,方可推扶就位,钢筋应分类码放,设表示牌区分,钢筋垫设高度距地不小于0.3m

b钢筋进场后应取样送试,保证结构安全。

B钢筋加工

a钢筋焊接应由专业焊工操作,焊工持证上岗,劳保装备,如绝缘鞋、绝缘手套等齐全有效,在绝缘有效的操作平台施工。

b钢筋弯曲、断切时,机械设篷防护,由专职人员进行操作,300mm以下的钢筋,断切时应用夹钳固定后,进行操作。

c钢筋加工区应活完料净,废料应堆放在指定区域。加工好的成品、半成品码放整齐垫高架设。

d钢筋加工夜间施工时,应确保照明充足,电线架设在距地3m处,一机一闸一控制.

C钢筋绑扎

a长钢筋运输时,多人抬钢筋起、落、转、停动作一致,方向统一。

b钢筋绑扎高度超过1.5米时,搭操作台,设护身挂平网防护。

c钢筋绑扎立筋时,高度超过2米设临时支撑加固。

d夜间施工时,应有足够照明,电线架设高度距地3米。

8.9.6基坑围护安全施工方案

A现场土质自然标高为3.1M.T.D0.15M.T.D以上土层为人工杂填灰土,自然无坡情况下,规范规定可下挖1.5米不能满足施工要求。

a基坑围护搭设基坑四周排设I38#工字钢,12米长密排,预压埋深9米。

b 基坑上口焊接钢梁撑顶,防止工字钢变形。

c工字钢间用脚手板填充挡土,外用φ16钢筋焊接固定,防止土方塌方。

d对于8#滤站、13#工业清水池,因开挖尺寸大,采用C10混凝土护坡围护。

e基坑内设20米深大口井降水,并在开挖后周圈设排水沟(400mm×400mm)排除雨水。

f基坑上口设护栏及防水堰,护栏高度1.2米,间隔0.6米,防止施工机械距坑边过近,增大土壁荷载,发生塌方。防水堰(200mm×200mm)防止地面水冲刷土壁发生塌方。

B基坑围护拆除

a基坑围护应在基坑回填过程中逐步拆除,拆除时应先将脚手板护壁拆除,工字钢采用机械拔除,最后拆除护栏,平整场地。

b开工前,施工中检查好用电设备的安全性能,以及线路的布置位置,高度是否符合安全要求,保证架空高度6m以上。

c开槽后做好栏杆防护,围挡高度1.2~1.5m

d开槽时,预留施工坡道,保证道路平整坡度15%,禁止任何人垂直上下。

e夜间施工保证足够的照明。

f施工路要求平整、通畅并有专人负责疏通交通。

g槽边坑内禁止堆放物品以防塌方。

h施工人员一律戴安全帽并经过安全培训。

i禁止任何人在槽边垂直

j机械施工有专人指挥。

k风力大于6级或下雨天禁止施工。

897混凝土安全施工措施

A施工准备

     a施工前检查施工路面牢固程度,电线架设高度,确保运行车辆畅通无阻。

     b振捣棒手应先检查操作平台牢固程度及护身栏杆的齐全有效。

     c操作台满铺脚手板,防止探头板出现。

     d振捣棒电线接设由专业电工进行操作,设移动闸箱,电线不得挂在钢筋上或拖地敷设。

     e夜间施工应有足够照明。

     B振捣施工

a振捣施工时操作人员应带绝缘手套、穿绝缘胶鞋。

    b振捣过程中应注意泵车机械运转半径,防止机械伤人。

    c转接电线时,应由专业电工进行,机械与闸箱间距应小于5米。

9.雨季施工措施

9.1雨季施工措施

9.1.1模板

a)       结构物施工时,多采用钢模板,雨季施工时,防锈、除锈是保证混凝土外观质量的关键环节。钢模板除锈后,应立即涂机油码放,进行苫盖,避免雨淋,使用前如发现有浮锈,还需进行二次除锈。

b)       结构物钢模板支设完毕也要及时苫盖。

c)       木模板存放时应放置在罩棚内,防止雨淋变形,周转使用的木模板,要进行严格的尺寸校核,避免使用超标模板。

9.1.2原材料

              袋装水泥放置在水泥棚,对钢筋、金属管材要放置在平台上,距离地面30cm以上,并做好苫盖,雨后钢筋安装时,要防止被污泥污染。

9.1.3水泥混凝土

    雨季施工在拌制过程中,要经常检查砂、石料的含水量,根据含水量的变化调整粗细集料的数量和用水量,应增加含水量的检测次数,以便正确地控制水灰比,在浇注大体积或大面积混凝土时,如遇到大雨不能继续浇注时,应对已经浇注的混凝土做好临时防雨措施,不使雨水直接冲刷刚浇注的混凝土面,并在混凝土接茬处,将混凝土震捣密实,不见浮石子。

              当短时阵雨时,在已浇注混凝土终凝前,雨停后继续浇注时,要在接茬处先铺与混凝土同强度的砂浆,如雨期较长,超过终凝时间,应注意养护,待已浇注混凝土达到10Mpa以上时,先将接茬凿毛,然后铺砂浆,再继续浇注。

9.1.4雨季施工时,要尽量缩小工作面,加快工序的周转速度,做到完成一件,确保一件。

9.1.5雨后要及时排除和清理施工现场的积水,做临时施工路的养护工作。

9.1.6 进入雨季前,应对全体职工做好雨季施工的安全注意事项的专题教育,尤其要提醒施工人员雷雨天气不要在高压线杆、大树等易遭雷击物体下面避雨。

9.1.7 施工现场的所有电气设备必须设置防雨罩具及漏电保护装置,设专人进行巡视。

10施工进度计划


 

 

 

 

 

 

 

 

 

 

 

 

 

 

 

 

 

 

 

 

 

 

 

 

 

 

 

 

 

 

 

 

 

 

 

 

 

 

 

 

 

 

 

 

 

 

 

 

 

 

 

 

 

 

 

 

 

 

 

 

 

 

 

 

 

 

 

 

 

 

 

 

 

 

 

 

 

 

 

 

 

 

 

 

 

 

 

 

 

 

 

 

 

 

 

 

 

 

 

 

 

 

 

 

 

 

 

 

 

 

 

 

 

 

 

 

 

 

 

 

 

 

 

 

 

 

 

 

 

 

 

 

 

 

 

 

 

 

 

 

 

 

 

 

 

 

 

 

 

 

 

 

 

 

 

 

 

 

 

 

 

 

 

 

 

 

 

 

 

 

 

 

 

 

 

 

 

 

 

 

 

 

 

 

 

 

 

 

 

 

 

 

 

 

 

 

 

 

 

 

 

 

 

 

 

 

 

 

 

 

 

 

 

 

 

 

 

 

 

 

 

 

 

 

 

 

 

 

 

 

 

 

 

 

 

 

 

 

 

 

 

 

 

 

 

 

 

 

 

 

 

 

 

 

 

 

 

 

 

 

 

 

 

 

 

 

 

 

 

 

 

 

 

 

 

 

 

 

 

 

 

 

 

 

 

 

 

 

 

 

 

 

 

 

 

 

 

 

 

 

 

 

 

 

 

 

 

 

 

 

 

 

 

 

 

 

 

 

 

 

 

 

 

 

 

 

 

 

 

 

 

 

 

 

 

 

 

 

 

 

 

 

 

 

 

 

 

 

 

 

 

 

 

 

 

 

 

 

 

 

 

 


11.主要材料计划

   

    

数量

工字钢

I40  10m

66

工字钢

I36  10m

30

花架

600×600×7000

2

花架

400×400×2000

4

方木

15×15×4m

200

方木

25×25×4m

100

脚手板

25×5×4m

2000块

钢筋

 

1270t

商品砼

 

9035.4m3

机砖

 

651442块

模板

不一

4.3万m2

脚手管

2、4、6米

1000t

竹模板

1×2(m)

8000 m2

 

12.机械设备计划 

序号

设备名称

数量

规格

进场时间

1

交流电焊机

14台

38.5KVA

2002/5

2

潜水泵

25台

2.2KW

2002/5

3

振捣器

16台

2.2KW

2002/6

4

对焊机

2台

150KVA

2002/5

5

直流电焊机

6台

38.5KVA

2002/5

6

钢筋调直机

2台

8KW

2002/5

7

钢筋弯曲机

4台

3KW

2002/5

8

强制搅拌机

2台

25KW

2002/5

9

挖掘机

4辆

1m3

2002/5

10

切断机

4台

3KW

2002/5

11

吊车

2辆

820t

2002/6

12

平刨

4台

3KW

2002/6

13

套丝机

4台

3KW

2002/5

14

平振

2台

3KW

2002/5

15

蛙夯

4台

4KW

2002/6

16

无齿锯

6台

3KW

2002/5

17

电锯

4台

4KW

2002/5

18

压刨

4台

3KW

2002/5

19

打桩机

16台

 

2002/5

20

砂浆机

6台

3KW

2002/6

21

运行车

8

8t

2002/5

22

空压机

2台

 

2002/5

23

发电机

2台

 

2002/5

24

龙门架

2台

 

2002/6

25

翻斗车

6台

 

2002/5

 

13.劳动力计划

月份

工种 人数

5

6

7

8

钢筋工

60

120

120

60

木  工

30

120

120

200

瓦  工

25

180

200

200

焊  工

10

40

20

20

电  工

5

10

10

10

壮  工

70

170

180

180

砼工

85

100

120

140

土方工

100

100

80

20

合  计

385

740

750

650

 

 

 

 

 

 

 

14清淤施工方案

14.1概况

纪庄子污水回用工程(中水工程)施工场区内依据《地质勘测报告》所述内容强调指出:该场区大部分地段为大坑,于2001年新近填垫,坑深面大,一般为5.5~6.5米左右,最深处达7.8米,场地南部及北部局部地段填土中分布有泥+/浆,土质极软。坑底淤泥分布不稳定,厚度在0.3~2.3米,土质极软。

经竟现场踏勘:

14.1.1在场区南侧存有大面积淤泥,系为原填坑挤淤时所形成。其表面积如图(一)坑A阴影部分所示,表面积约为9300m2,深度8米左右,分布断面如图(二)所示。

 

14.1.2场区北部,如图(一)坑B阴影部分所示,有淤泥层,其表面积为1350m2左右,深在1.5米左右。

14.1.3场区西侧有拆房土带,如图(一)坑C阴影部分所示,土带面积3500 m2左右,深2.9米左右。

14.2处理办法及施工布置

14.2.1处理办法

    根据设计要求,所有淤泥应全部清除,回填素土分层碾实;因构、建筑物需进行灌注桩施工,为保证钻机成孔,必须将拆房土层全部清除后回填素土碾实。

14.2.2施工布置

 

 

 

 

 

 

 

 

 

 

 

 

 

 

 

 

 

 

 

 

 

 

 

 

 

 

 

 

 

图一

14.2.2.1淤泥清挖

由于淤泥坑A坑深面大,考虑到工期要求,采用六台挖掘机同时作业,其具体步骤为:先将淤泥坑按面积分为两个作业区域,两台挖掘机先挖后垫(挖坑内淤泥,垫坑C挖出的拆房土)驶入两个作业区中心,利用淤泥流性挖泥至作业半径外,另两台挖掘机二倒至坑边装车外运。待淤泥坑挖至硬底且不在流动时,四台挖掘机分四块挖垫(挖坑内淤泥,垫坑C挖出的拆房土)清淤外运。

由于工期紧迫,淤泥又需在晚上外运(依据环卫要求,即白天不允许清淤车辆上路),故作一淤泥周转厂,位置设在纪庄子污水处理厂干化塘,面积为1600m2,白天由淤泥坑向周转厂运送淤泥,夜间装车运至弃地,为确保工期六台挖掘机同时昼夜作业。

根据现场情况,干化塘内可消化淤泥量为10000m3左右,而淤泥坑A共计挖出约65000 m3淤泥,预计二倒淤泥量为20000 m3 左右,直接外运淤泥35000m3 左右。

14.2.2.2淤泥坑A回填

为保证本清淤回填工程工程质量,在规定的时间内完成任务,采用大流水的方法进行施工,即分ABCD四部回填且在分块清淤完成A部后,回填同时进行。回填时需分层用120型推土机碾实,  直至场地标高,分层厚度不能大于40cm,碾实横、纵各三遍。

素土来源为A/O生物池挖槽素土。由于施工现场17#建筑物北侧只可存放6000 m3 左右素虚土,而坑A挖泥量为65000 m3 ,坑B挖泥量为2025 m3 ,坑C挖土量为10150 m3,总回填土量在80000 m3 左右,故需在纪庄子污水处理厂周边地区设一回填土周转站(运距在8公里左右),先将A/O生物池挖槽素土运至周转站,待淤泥坑、拆房土坑回填时,再往回运。

14.2.2.3拆房土坑C及淤泥坑B的清挖

拆房土全部挖出后存放于坡边,以备两个淤泥坑随时使用,淤泥坑B的清挖同淤泥坑A。

14.2.2.4拆房土坑C及淤泥坑B的回填

拆房土坑和淤泥B待挖清后用120型推土机分层碾实,直至场地标高,分层厚度不大于40cm,推土机碾压横、纵各三遍。

 

 

 

 

机械使用计划

 

设备名称

数量

规 格

使用部位

挖掘机

4

1m3单斗反铲

淤泥坑A作业

挖掘机

2

1m3单斗反铲

干化塘作业白天配合贮存淤泥(消化淤泥)晚上装车外运

挖掘机

1

1m3单斗反铲

拆房土坑C作业

挖掘机

1

1m3单斗反铲

淤泥坑B作业

挖掘机

1

1m3单斗反铲

回填素土

推土机

1

D80

干化塘配合贮存消化淤泥

推土机

10

D80

清整道路

推土机

2

120

回填素土

翻斗运行车

20~25

15T/

清挖回填

 

 

 

 

 

 


15.施工现场平面布置图


16电气施工方案

16.1工程概况

电气安装分项工程,包括照明系统,电话系统和进户接地装置等。

16.1.1照明系统

每建筑物进户线由电业局提供,穿SC80,入口处2b-5b轴墙体首层距地+1.8米,设低压配电箱。供电干线采用BV—(2×35-PC50)WC,户内支线采用BV—2.5mm2BV6m2,BV10mm2线穿PVC管及钢管+暗敷。

16.1.2电话系统

每建筑物入口处预埋一个PC50—钢管,通至电话箱进线箱及电话插座。

16.1.3接地装置

各建筑物均作一组接地装置,其接地电阻不大于4欧姆,所有不带电金属外壳以及各户内三孔插座的保护地线必须分别接至接地装置上,不得串接。

16.2主要分项工程的施工措施

16.2.1配电箱安装接线

16.2.1.1配电箱安装箱安装采用水泥砂浆稳固法。

16.2.1.2铁质配电箱采用液压开孔器开孔,开孔直径必须与配电管外径相吻合,周围缝隙不得大于2mm,严禁使用电焊开孔。

16.2.1.3配电箱内不能串接,在与专线联接时,接线端子的两条螺丝必须同时压紧线芯,接地螺丝应加平弹垫以防松动。

16.2.2管内穿线

根据 电器安装工程质量标准规定:配电管路中穿塑料导线必须分色,相线及电相线至开关的导线必须使用红色,保护零线必须使用黄绿双色线,工作零线及开关到灯具的接线单位工程统一依次采用黑色,绿色,白色,蓝色等标志颜色导线,但严禁使用红色或黄,绿,双色线。

16.2.3铜芯线连接

16.2.3.1 10mm2及以上多股铜芯线连接,采用Ⅰ型铜套压接,绝缘恢复采用高压橡胶带和黑色胶布包缠。

16.2.3.2单芯铜线连接,采用YMT型压线帽压接,该产品由浙江省温州市磁化电器厂和莲池电器厂以莲池牌商标定型生产,该产品具有导线连接牢固,简便快捷,不再另行恢复绝缘等优点。

           施工工艺程序如下:

           施工准备—剥切导线绝缘层—按规定长度留取线芯—选择适当规格的压帽线—回折填充线芯—套入压线帽内—专用压线钳接地—质量检查—收尾。

16.2.4暗配管施工

16.2.4.1钢管暗配

该工程照明,电话进户均采用钢管保护,其中电话系统干线,支线采用钢管暗配。

16.2.4.1.1直径为25及以下的钢管必须采用丝接,直径为25以上的钢管可采用套管焊接。

16.2.4.1.2埋于砼内壁应做防腐处理,埋于地下墙体内的钢管,内外壁均应做防腐处理。

16.2.4.2 PVC管暗配

该工程照明系统采用PVC管暗配。

16.2.4.2.1 PVC管和套管,接头等附件的连接,必须采用配套的附件及PVC粘接剂粘接。

16.2.4.2.2 PVC管敷设时,应和结构筋用铅丝绑扎牢固,特别是接头,转弯及入箱盒处理更应注意,并有防止机械损伤的措施。

16.2.4.2.3 暗配的保护管,尽量敷设于墙体现浇板内。必要时可敷设于梁内,板孔内。

16.2.4.2.4暗配管应随墙立管,严禁剔槽后敷设。

16.2.5开关,插座,灯头盒安装

16.2.5.1墙体上开关,插座盒的安装

16.2.5.1.1采用M10砂浆稳固法。

16.2.5.1.2盒口应和墙面平齐。

16.2.5.1.3门口处开关必须距门框0.2—0.3m。

接地装置安装

该工程每建筑物做保护接地,埋深0.8m接地极采用2L50×50×5,共计4组,接地电阻不大于4欧姆。

16.2.6.1接地极应垂直安装,焊接牢固,除尽焊渣药皮,焊完刷两道沥青防腐。

16.2.6.2每建筑物距室外地坪0.3处设150×150×60铁质接线盒,实现接地扁铁(-40×40)和塑铜接地的变换,塑铜线和接地扁铁连接时应压25mm2的铜线鼻子,搭接面应烫锡。

16.2.6.3根据 电力局规程要求,进户中性线尚需重复接地,由电力局自行设置,与保护接地装置严格分开。

16.2.7轴流风机安装

16.2.7.1型号规格应符合设计规定,其出口方向正确。

16.2.7.2叶轮旋转应平稳,停转后不应每次停留在同一位置上。

16.2.7.3通风机转动装置的外露部位以及直通大气的出口必须设防护罩。

 


16.3劳动力计划与施工进度

 

序号

           

日  期

 

项 目

2002

5

6

7

8

9

10

11

12

人员数量(人)

1

配合土建预留,预埋

 

60

 

 

 

 

 

 

20

 

 

2

配管穿线

 

 

60

 

 

 

 

 

20

 

 

3

灯具安装

 

 

 

60

 

 

 

 

15

 

 

4

开关插座安装

 

 

 

 

45

 

 

 

 

15

 

 

5

风机安装

 

 

 

 

 

45

 

 

 

15

 

 

6

试电

 

 

 

 

 

 

30

 

15

 

 

 


16.4主要机具计划

序号

名称

规格

单位

数量

1

手枪钻

Ф6mm

2

2

液压开空器

Ф10mm

1

3

压线钳

240mm以下

4

4

绝缘摇表

500V

1

5

接地摇表

ZC-8

1

6

人字叉梯

 

3

 

 

16.5质量保证措施

16.5.1.所有施工人员必须熟悉图纸,国家现行验收规范及 有关质量规定。

16.5.2.技术员应紧随土建工程进度,分时间,分地点,分项目,有针对性地对班组进行技术交底。

16.5.3.建立质量保证体系,电工组长兼电气质检员,积极配合专职质检员工作。

16.5.4.学习 市优工程底做法,通过参观学习其方法,消化,吸收,利用。

16.5.5.采用新工艺,新技术,单芯铜线连接采用YWT压接帽压接。

16.5.6.做好自检,互检,交接检的验收工作,每道工序完成后应做好资料的填写,以确保资料的真实性。

16.5.7.严格按有关规定执行原材料的验收工作。

16.6.安全保证措施

16.6.1.进入现场必须戴安全帽,进入操纵面工作时,应先检查其工作环境。

16.6.2.组织电工学习有关安全操作规程及安全工艺标准。

16.6.3.电工中设兼职电器安全员一名,积极配合专职安全员的工作。

16.6.4.在楼板上配管,不要靠近建筑物的边缘,以防高空坠落。

16.6.5.加强现场临时供电的安全宣传与管理工作,做到“精心设计,精心施工,全员参与安全管理”确保安全施工。

16.6.6.现场临时电系统,必须采用动力照明双回路供电并分开计量,严禁动力照明混用。

17水暖施工方案

17.1 工程概况

17.1.1自来水、中水系统

每个建筑物入口单极引入管,供该建筑物给水,采用新型UPVCABS管及同质管件粘接,阀门选用钢质冷水阀。

17.1.2 排水系统

   每建筑物排水系统为一独立系统,同室外管网连接,地下埋地一部分采用排水铸铁承插管,一部分采用UPVC硬聚氯乙烯塑料排水管,承插口粘接。

17.1.3采暖系统

每建筑物为一独立的采暖系统,采用上供下回式及上供上回式采暖系统,散热器采用四柱813型,管材采用焊接钢管DN<32丝接DN>32焊接,供水温度95℃,回水温度70℃。

17.2.主要分项工程施工技术措施

17.2.1自来水、中水系统

17.2.1.1工艺流程

安装准备--预制加工--底盘安装--打压实验--防腐--回填夯实--立管安装--支管安装--系统打压

17.2.1.2 自来水、中水管采用UPVCABS管,同质管件粘接。

17.2.1.3 支、吊架安装

对于垂直安装的管线,每层设一个支架,距地标高为1.6米,水平管道其支、吊架间距应满足下列要求:

管道

15

20

25

32

40

50

60

100

125

150

支、吊架最大间距

保温管

1.5

2

2

2.5

3

3

4

4.5

5

6

不保温管

2

2.5

3

3.5

4

45

5.5

6

6.5

7

17.2.1.4安装

管道穿建筑物基础墙,楼板的孔洞应配合土建施工预留。

管道穿楼板应作钢套管,套管直径比管道大2号,套管顶部高出地面20mm,套管底部与底面平,套管与管道间填密封膏,见图集94S2

17.2.1.5 自来水、中水管道安装完毕后,必须做水压实验,实验压力0.6Mpa,10分钟内压降不大于0.02Mpa,不渗不漏为合格。

17.2.1.6 给水系统在进行前必须用水冲洗,要求以不小于1.5 m/s的流速进行,直到出水口的水色和透明度与进水目测一致为合格,

17.2.2排水系统

17.2.2.1 塑料排水管道工艺流程

安装准备——预制加工——干管安装——立管安装——       支管安装——卡件安装——封填堵洞——试水实验——通水实验

17.2.2.2 排水管埋地部分采用排水铸铁管承接插口。1:9石棉水泥捻口,地上部分采用硬聚氯乙烯(UPVC)管承插粘接;UPVC管与排水铸铁管连接,做法详见:918B—2—107。

17.2.2.3 埋地排水管道在隐蔽前必须做灌水实验,其灌水高度应不低于底层地面高度。

17.2.2.4 管道支承件的间距:立管外径为50mm的应不大于1.5m;外径为75mm及以上的应不大于2m,横管应不大于下表规定:

 

外径(mm

40

50

75

110

160

间距(mm

400

500

750

1100

1600

17.2.2.5 卫生器具安装

卫生器具安装位置正确,安装须平整牢固,支托架与器具接触应紧密。

卫生器具的连接管,煨弯应均匀一致,不得有凹凸缺陷。

地漏采用防反溢地漏,排水塑料管每节设伸缩节。

17.2.2.6 防腐

埋地排水铸铁管,除锈后刷冷底子油一道,热沥青两道,UPVC管应将表面粘接剂试去,以防腐蚀管道。

17.2.3采暖系统

17.2.3.1 采暖管道安装

工艺流程

安装准备—预制加工—卡架安装—干管安装—立管安装—支管安装—试压—冲洗—防腐—保温—调试

对于管径DN不大于32mm的管道采用螺纹连接,在管道变径处使用变径管箍,不得使用补芯。

采暖管道转弯处不得使用冲压弯头,应使用煨弯,接口焊接距起弯点应大于100mm,接口焊缝距支、吊架边缘应大于50mm,弯径处距支管大于300mm

采暖管道穿墙穿楼板的套需与土建配合施工作法见图集94N1—170,散热器安装,立支管连接见94N1,支吊架安装见94S10.

17.2.3.2 散热器组对安装

工艺流程

编制组片统计表—单片防腐刷漆—散热器组对—散热器单组水压实验—散热器安装—散热器冷风门安装—支管安装—系统试压—刷漆

该工程采用四柱813型铸铁散热器,明设带足安装,部分无足挂装及板式散热器,每组散热器顶部均设手动放气阀一个。

散热器支、托架安装位置应正确,埋设平整、牢固,与散热器接触紧密,支、托架数量按下表确定:

散热器型号

每组片数

上部托钩数

下部托钩数

总计

备注

 

 

 

3—8

9—12

13—16

17—20

21—24

1

1

2

2

2

2

3

4

5

6

3

4

6

7

8

 

 

17.2.3.3管件

采用焊接钢管DN32的螺纹连接DN>32的焊接,在螺纹连接的阀门处均加装活接头一个。

17.2.3.4 防腐与保温

保温:

敷设在楼道及不采暖房间的管道需保温,管道刷防锈漆两道后,采用保温厚度为60mm的岩棉管壳,外缠玻璃布两道刷沥青油两道。

防腐:

除保温管外其它明装管外表除锈后刷防锈漆一道,银粉两道,铸铁散热器及支吊架均除锈后 刷防腐漆一道,银粉两道。

17.2.3.5 试压与冲洗

室内采暖实验压力为0.6Mpa,5分钟内压降不大于0.02Mpa,不渗漏为合格,系统安装合格完毕后,认真冲洗按《室内卫生施工及验收规范》进行验收。

17.2.3.6 其余未尽事宜均按《采暖与卫生工程施工及验收规范》及有关规范执行。

 

 

 

 

 

 

 

 

 

 

 

 

 

 

 

 

 


17.3施工进度计划

 

2


17.4.施工劳动力计划

 

工种

进场日期

施工部位

人数

水暖

2002.5

主体

7人

水暖

2002.5

安装主干管

12人

水暖

2002.5

安装卫生洁具

8人

 

 

17.5施工机具计划

 

序号

名称

单位

数量

序号

名称

单位

数量

1

套丝机

2

5

手电钻

2

2

砂轮锯

2

6

电焊机

2

3

台钻

1

7

气焊具

2

4

电锤

2

8

试压泵

1

 

17.6质量保证措施

17.6.1 工长、技术员必须对每个分项工程及重要部位,在施工前进行技术交底,并做好交底记录。

17.6.2.施工班组要作好自检、互检,同时质检员要进行经常性的检查及时发现问题及时纠正,把质量隐患消除在萌芽状态。

17.6.3 对达不到设计规范及有关规定所要求标准的部位,应及时整改并在达到要求后方可进行下一部工序的施工。

17.6.4 针对给排水施工中存在的质量通病,须采取以下措施加以预防:

          防止管道穿楼板处漏水,须认真搞好二次浇灌,结合处彻底清洗干净,且加 入防水粉,用比原砼高一级的细石混凝土振捣密实,并认真作好闭水抗渗试验,作好记录。

          在采暖管转弯处,不得使用冲压弯头。

          给水镀锌管丝扣连接处要防止锈蚀,安装后外露丝扣要在认真进行除麻处理后刷防锈漆两遍,再涂银粉一道。

17.6.5.为达到优质标准,在施工中工长、质检员及材料员必须对施工中的上下水管件的质量及施工工艺严格把关,不得迁就、马虎。

17.7.安全保证措施

17.7.1水暖工长在每一分项工程的施工前作好安全交底,班组长、安全员搞好班前教育,并作好安全交底记录。

17.7.2教育职工坚决按照安全技术规程办事,正确利用劳保用品,对不提供劳保用品队伍,施工人员有权拒绝施工,同时应作到施工现场整齐、清洁。

17.7.3.机械设备传动部位,必须设有防护装置。

18管道施工方案

18.1. 工程概况

18.1.1    工程简介

纪庄子污水回用工程管道建成后,再生水厂生产能力为5.0万m3/d。其中3.0万m3/d采用传统混凝沉淀过滤工艺,再生水用于工业生产过程;另外2.0 m3/d,采用CMF+O3氧化工艺,生产的高品质再生水用于居民生活杂用。

建设单位: 中水责任有限公司

设计单位:中国市政工程华北设计研究院

监理单位: 路驰建设工程监理有限公司

施工单位:天津第二市政公路工程有限公司

18.1.2    施工条件及重点、难点

         施工条件:经现场勘探,场地窄小,不具备在施工现场放置材料的条件。

         重点:测量放线,掌握管线的标高,管线的分布和敷设。

         难点:管线交叉点多,控制标高难度大,工程时间紧迫,现场较复杂,材质多等。

18.1.3主要工程量

序号

名称

单位

数量

1

污水管线

804

2

雨水管线

872

3

工艺管线

1792

4

暖通管线

1970

5

自来水管线

814

6

中水管线

1286

7

雨水检查井

28

8

雨水口

33

9

污水检查井

47

10

阀门井

14

11

加氯井

2

12

流量计井

1

13

地上消火栓

5

14

洒水栓井

3

15

水表井

1

 

18.1.4  质量目标

         本工程的管理和工作质量要达到行业一流水准,保证优良工程,争创行业金奖。达到《 市政工程质量检验评定标准》(TBJ103—91)

18.2 施工准备

18.2.1 建点

        在污水厂区内设临时集装箱办公室两座,并搭设材料库房一座,施工人员宿舍两座。同时对厂区内现有地面进行硬化处理,以便进行大型管材的运输和吊装就位。

18.2.2  布桩

    依据交桩的点位,在厂区内布设控制桩点,每100m一个,高程水准点3个,间距75m一个。控制点和水准点要布设在安全牢固、视野开阔的地方。

18.2.3  计划开工时间

       2002年8月 7

18.3    施工方法

18.3.1    施工测量放线

18.3.1.1平面控制测量

       根据交桩点位回用水点图相对坐标在中水厂全厂布设控制点。间距100m,要求控制点牢固,视野开阔。

18.3.1.2高程控制测量

          在四周布设附合水准线,按照四等水准测量要求

施测。布设3个水准点间距75m,水准点布设在安全、牢固的地方,并与建设单位提供已知水准点进行联测和平差   计算。

18.3.1.3    施工放样

        根据线路要素控制点的坐标值,计算出所需放样的桩位坐标数据,然后在平面控制点上,支设全站仪,后视另一控制点,将测站点,后视点,放样点的坐标数据输入全站仪,然后放样所需桩位。

18.3.1.4测量管理

        施工现场必须坚持数据计算,施测点位必须复测,项目部放样点位必须上报监理工程师,经监理测量工程师复核合格方可投入使用。平面控制网坚持每月复测一次,进行坐标平差,高程控制点15天进行一次。

18.3.2     施工方法及技术措施

18.3.2.1    工序流程

       开槽           平基          安管          回填

18.3.2.2    开槽顺序  

       按照会议纪要的原则,以后接接前接的顺序进行。

18.3.2.3 施工技术措施

       因本工程管线比较杂乱,所以共分为四大部分,各部分又分几个管线较集中的部位,特绘出各部位的段面图,及详细的施工方法,剩余的单一管线的部位施工方法与管线杂乱的部位的施工方法相同。

18.3.2.3.1     第一部分:17#、10#、16#、1#、2#、9#建筑物之间。共分四个断面,有雨水管、污水管、工艺焊接管、不锈钢管、给水、中水UPVC管,采暖管、取样管等,其中UPVC管330米,焊接管DN900—DN80的220米,不锈钢DN600—DN25的154米,砼管d400d200的385米,有2个闸阀井,一座计量井,污水、雨水检查井10座,收水井9座,这一部分计划用10天完成。

18.3.2.3.1.1    17#与16#建筑物之间,雨水管北侧管线的施工方法:(2—2横断面)

    用挖掘机开槽,开槽为3.26米,以1:0.5放坡,开槽最深处为1.567米,最浅处为1.08米,沟内有三种管线:d300污水管、DN100中水管、DN150给水管。污水管与中水管管中间距为1.5米,中水管与给水管为0.534米,d300污水管基础处理为19cm混凝土,自来水、中水管均为5cm砂料垫平。管线铺设以先深后浅为原则,先下d 300污水管,再下DN100中水管,最后下DN150的自来水管(给水和中水均为UPVC管,压力1.0MPa)。管线连接后,给水、中水管打压,压力为6公斤,d300污水管做闭水静压试验,监理检验合格后,然后撤水、还槽,方法采取人工还槽,土料为沟槽原土,不得有大的砖块,坚硬土块,较小石子含量不得超过10%。

18.3.2.3.1.2   17#与16#建筑物之间,雨水管南侧管线的施工方法:(3—3横断面)

沟槽开挖用挖掘机开挖,沟槽下口宽4.2米,坡度为1:0.5,沟槽最深处为3.775米,最浅处为1.05米,槽内有四趟管线,两趟D920*9工艺管,管中标高为0.35,管中距离为1.2米,D920*9水工艺管与DN100暖通管管中间距1米,采暖供水干管之间管中相距0.5米。首先铺设D920*9水工艺管道,然后铺设采暖供回干管,打压8公斤,合格后,部分补一下防腐、保温,然后还槽。还槽土采用机械与人工合作还填,深处用机械还填,浅处用人工还填,土料要求与北侧相同。

18.3.2.3.1.3    2#与10#建筑物之间,雨水管西侧管线的施工方法:(5—5横断面)沟槽开槽下口为5.3米,坡度为1:0.5,沟槽最深处为1.45米,用挖掘机开挖,最浅处为0.475米,用人工开挖。沟槽内有DN 600(304ss不锈钢)两条,管中标高为2.25,一条DN200中水管,管中2.35米,另外有两条DN40、DN50的UPVC加药管,DN40的管中标高为2.88,DN50的管中标高为2.950.此沟槽共有5条管道,DN600水工艺管之间间距1.5米,与相邻的DN40加药管之间间距1.575米,DN40加药管与DN50加药管之间间距为0.3米,DN50加药管与DN200中水管之间间距0.522米。。这5条管线的基础均为原土。管线的铺设原则为先深后浅,同槽中DN600两条不锈钢水工艺管和中水管标高相差不大,可同时下这三条管,沟内管线连接,焊接完毕后打压为8公斤,中水管为6公斤,打压合格后,撤水,然后中水做止推墩,用人工还槽,不得有大的砖块,最好是原土,小石子不得超过10%。还槽后,再做另2条加药管,从断面来看。DN600水工艺管还槽到管上皮时,正好是加药管加药管下皮。两条加药管做完后,必须做止推墩,这一管段,包括有一阀门井A,和一流量计井,阀门井内有DN 600手动对夹式蝶阀2个(不锈钢阀板)有2个DN600可曲挠橡胶接头2个,这一步可先做阀门后砖砌井,流量计井可与其它部门联系,酌情处理。

18.3.2.3.1.4     9#与10#建筑物之间的管线(6—6横断面)

    先用挖掘机开槽,下口宽为5.12米,DN40中水管槽深1.42米,d300排水管槽深1.352米,可用人工挖DN40、DN25的加氯管,槽深70cm,DN25取样管槽深0.867米,也可用人工挖槽。本段采用直槽,可不放坡。DN40中水管与d300排水管管中间距2.1米,采用人工下管,管之间连接后调直,检验标高合格后,然后做静压试验,中水管封堵打压到合格后,撤水用人工还槽。然后做DN15给水管,管中标高为2.25米,DN25、DN40加氯管,管中标高2.68米,DN25取样管,管中标高为2.5米,给水管和加氯管间距为2米,加氯管与取样管间距为1.85米,两条管子直径都比较细,并且是支管,做法比较简单,加氯管与中水粘接,取样管焊接,而后打压,合格后人工还槽。

18.3.2.3.2    第二部分:3#、11#、6#、7#、12#建筑物之间。共分三个断面,有雨水管、污水管、工艺焊接管、不锈钢管、给水、中水UPVC管,采暖干回管、取样管等,这一部分计划用8天完成。

18.3.2.3.2.1    2#与3#建筑物之间的管线(4—4横断面)

              先用挖掘机开槽,下口宽为3.92米,以1:0.5放坡,开槽最深处为2.56米,最浅处为0.85米,沟内有三种管线:D820*9水工艺管、d300污水管、DN15给水管。水工艺管与污水管管中间距为1.5米,污水管与给水管为1.0米,d300污水管底标高为1.4米,DN15给水管管中标高为2.5米。沟槽可开为联合槽形式,第一步可用挖掘机把DN820*9水工艺焊接管放入槽内,然后d300污水管可用人工下管,再进行焊接,平口连接。待做完后进行打压8公斤,污水做静压实验,监理认可后,可部分还槽,待最上边的DN15给水管施工完毕后,整条沟槽人工还填。

18.3.2.3.2.2     3#与11#建筑物之间管线(7—7断面)

    此部位共有4条管线,d300排水管、D100空气管、DN15中水管、DN820*9水工艺管。开槽形式为混合槽,槽下口宽4.87米,坡度为1:0.5,管底基础做法为d300排水管做120度混凝土基础,其它做原土基础,d300排水管与DN100空气管管中间距1.656米,DN100空气管与DN820*9水工艺管间距0.942米,DN820*9水工艺管间距0.999米。槽底最深处为2.56米,先用挖掘机下DN820*9工艺管,管中标高为1.2米,焊接完成后,打压8公斤,监理认可后,局部补防腐,还槽,然后下DN100空气管管中标高为2.45米,DN15中水管管中标高为2.35米,d300排水管管内底标高为2.025米(这三条管线高差不大,可同时用人工下管)待以上三条管线完成后,可进行打压,做静压试验,监理认可后,撤水,还槽。这一部位包括一座闸阀井B和一座流量计井,阀井长3.6米,宽2.5米,高2米,井内有DN600不锈钢管,管中标高2.2米,有DN400手动对夹式蝶阀2个限拉伸缩接头2个(DN400),流量计井做法可与其它工种联系。

18.3.2.3.2.3   4#与11#建筑物之间的管线(10—10断面)

    此部位共有8条管线,分别为DN50空气管5条,DN100空气管2条,DN20给水管1条,5条DN50空气管之间间距为0.25米,2条DN100空气管之间的间距为0.5米,DN20给水管与DN100空气管之间间距为1.131米,DN100空气管与DN50空气管之间间距为0.5米,开槽形式为联合槽,槽底宽为4.13米,最深处为0.85米,可不放坡,由于几条管线标高相差不多(DN100空气管管中标高为2.45米,DN20给水管管中标高为2.5米,DN150空气管管中标高为2.3米),可同时用人工下管、铺设槽内基础为原土,给水管可适当铺5cm砂料。空气管全部焊接(不锈钢),给水管粘接,连接完毕后,可打压6公斤,15分钟压力不下降0.2公斤为合格,监理认可后,用人工还填。

18.3.2.3.3    第三部分5#、4#、15#与18#、8#、13#建筑物之间。分别有采暖管、排水管、空气管。本部分计划用7天时间完成。

18.3.2.3.3.1   4#与8#建筑物之间的管线(8—8断面)

    此部位共有6条管线,分别为2条DN40采暖管,管中标高为2.35米,DN200中水管,管中标高为1.9米,DN65排水管,管内底标高为2.8米,DN325*8空气管,管中标高2.35米,DN100空气管,管中标高为2.75米。采暖管之间间距为0.8米,采暖管与中水管之间间距1.959米,中水管与排水管间距0.636米,排水管与空气管间距1.128米,DN325*8空气管与DN100空气管间距1.429米。槽底宽为7.022米,槽内最深处为1.55米。最浅处为0.55米,因为槽内高差不大,间距又较远,可同时采用人工下管,连接办法:采暖、空气管是焊接,中水管粘接。所有管道连接后,进行打压,压力为6公斤,15分压力不下降0.2公斤为合格,监理认可后,可人工还槽。

18.3.2.3.4    第四部分:厂区西侧围墙与建筑物之间

    分别有工艺管、采暖管、DN150给水管、反冲洗废水管。本部分共需10天时间完成。

18.3.2.3.4.1   围墙与17#、16#建筑物之间(1—1断面)

    本部位共有4条管线,分别有DN920*9工艺管,管中标高为2.35米,DN150采暖干管2条埋深0.8—1米,DN150给水管,管中标高为2.35米。D920*9工艺管与采暖管间距为0.845米,两条采暖管间距为0.851米,采暖管于给水管间距为0.561米。槽底宽为3.6米,坡度为1:0.5,最深处为1.46米,槽底基础处理:DN920*9水工艺管下是原土,采暖管下基础处理为砂料垫层及包管,给水管为砂料垫层。先用挖掘机把D920*9水工艺管下到槽底,其它管线可人工放到槽底,同时连接。采暖、工艺管可焊接,给水管胶圈承插连接,完成后打压6公斤,15分钟不下降0.2公斤为合格,监理认可后,可适当补防腐、保温,还槽。

18.3.2.3.4.2    围墙与6#建筑物之间(9—9断面)

本部位共有3条管线,2条DN80采暖管,1条d900反冲洗废水管,两条采暖管之间间距0.581米,采暖管与反冲洗废水管间距1米。开槽形式为联合槽,槽底宽3.62米,坡度为1:0.5,槽最深处为2.625米,最浅处为1.08米,槽底基础处理方法是反冲洗废水管基础为中砂,宽1.99米,厚28c[]采暖管基础为原土。先用挖掘机把反冲洗管放到槽内,连接起来后做闭水试验,监理认可后,还槽到标高为2.31米处,然后人工把采暖管放到槽内,核实标高,调直,焊接完毕后,打压6公斤,监理认可后,人工还槽。

 


18.3.2.4.   断面图

 

 

 

 

 

(1—1断面)

 

 

   

 

(2—2断面)

 

                                      

 

 

3—3断面)


       

                    

     

 

(4—4断面)

 

 

 

   

 

 

(5—5断面)

 

 

 

 

 

 

                

 

(6—6断面

 

 

 

(7—7断面)

 

 

 

 

 

 

 

(8—8断面)


 

 

 

 

(9—9断面)

 

 


 

 

 

 

 

 

(10—10断面)

 

 

 


以上断面中的尺寸除注明外,都以米计,图中标高除污水管为管内底标高外,其余都为管中标高。

18.3.2.5.管与管的连接

18.3.2.5.1 UPVC管的连接(D≥100mm)采用橡胶圈连接。(<D100mm)采用UPVC胶粘接。

18.3.2.5.2  玻璃钢管连接,采用玻璃钢胶粘接。

18.3.2.5.3  铸铁管连接采用1:9水泥石棉捻口连接

18.3.2.5.4  焊接管Φ32以上采用焊接(电焊、气焊均可)    Φ32以下采用丝接

18.3.2.5.5  不锈钢管采用焊接或法兰连接

18.3.2.5.6  平口混凝土预制管连接采用水泥箍连接

18.3.2.5.7   承插口混凝土管采用橡胶圈连接

18.4质量保证措施

18.4.1该工程由项目经理全面负责质量监督,由技术负责人直接领导质量管理体系,建立健全的质量保证机构,落实质量责任制。施工负责人同时也是质量负责人,要做到谁管理谁负责,要合理进行部署和安排,正确编制施工计划,把坚持质量放在首位,针对工程的施工特点,对全体人员进行质量教育,提高全员质量意识,认真做好各项技术准备,做好技术交底。

18.4.2做好物资、设备的准备。保证机械设备的完好。做好原材料进场的检验工作,对检验不合格的材料,一律不准使用,以保证原材料的进场质量。

18.4.3项目测量人员应按施工方案或合同规定的规范标准要求对线位、高程,坚持双检复核,通过自检与互检,完成施工全过程的测量任务。

18.4.4所有的技术文件图纸要求由资料员专人管理,存入软盘的文件由资料员进行归档登记。

18.5安全保证措施

18.5.1建立健全安全生产保证体系,落实安全生产责任制,开工前由项目经理组织有关人员编制安全组织设计,对开槽、平基、安管、防腐处理、打压(闭水)试验、还填等作业项目,编制和实施专项 安全措施设计。

18.5.2为确保施工安全,由项目的安全员对施工人员进行安全教育,提高施工人员整体安全防护意识和自我防护能力。

18.5.3   安全防范的重点

18.5.3.1    防开挖面的坍塌事故

18.5.3.2    防起重机械事故

18.5.3.3    防用电、火灾事故

18.6  雨季施工措施

18.6.1进入雨季前,应对全体职工做好雨季施工的安全注意事项的专题教育,尤其要提醒施工人员雷雨天气不要在高压线杆、大树等易遭雷击物体下面避雨。

18.6.2雨季施工时,要尽量缩小工作面,加快工序的周转速度,做到完成一件,确保一件,雨后要及时排除槽内的积水,清理施工现场的积水。

18.6.3施工现场的所有电气设备必须设置防雨罩具及漏电保护装置,安全员要进行巡视,对金属管材要放置在平台上,距离地面30cm以上,并做好苫盖。

18.7  施工进度计划(见纪庄子污水回用工程管道施工进度计划表)

18.8主要材料计划 

材料名称

单位

数量

..

M

1348

玻璃钢管

M

82

UPVC塑料管

M

2390

钢管

M

2530

不锈钢

M

1190

蝶阀

6

同心异径管

4

三通

26

弯头

83

可曲挠橡胶接头

5

限位伸缩接头

2

法兰

38

 

 

 

 

89主要机械器具计划:

 

序号

设备名称

数量

1

挖掘机

2部

2

翻斗车

1辆

2

运行车

2辆

2

5吨手拉葫芦(包括钢丝绳)

2台

3

300A电焊机(直流)

(每台机器带100米胶皮线)

(附带焊帽、黑玻璃、白玻璃

300A焊把)

2台

4

300A电焊机(交流)

(附带焊帽、黑玻璃、白玻璃

300A焊把)

3台

5

气焊设备

(包括氧气表、乙炔表、胶带、乙炔、氧气瓶、割矩)

5套

    

1810劳动力计划

 

工  种

进场日起

劳动力人数(人)

消防、暖通、给水

2002.8

10

工艺管道

2002.8

28

污水、雨水

2002.8

10

砌井、抹灰

2002.8

20

 

 

 


   

 

星欣设计图库资料专卖店拥有最新最全的设计参考图库资料,内容涉及景观园林、建筑、规划、室内装修、建筑结构、暖通空调、给排水、电气设计、施工组织设计等各个领域的设计素材和设计图纸等参考学习资料。是为广大艺术设计工作者优质设计学习参考资料。本站所售的参考资料包括设计方案和施工图案例已达几十万套以上,总量在数千G以上。

 图库网址http://www.xingsc.cn

ftp://xingxin.gnway.net

联系QQ447255935

电话:13111542600