技术标(钢塑复合管、铝塑复合管、地板辐射采暖)

目录

              3

              3

              3

              3

              3

              4

              5

              6

              6

              44

              52

              52

              53

              53

              71

              71

              71

              76

              103

              103

              105

              114


编制依据

招标文件

设计图纸

规程、规范、标准及图集

电气工程

1.3.1.1《常用低压配电设备安装》                                   90D367

1.3.1.2《电气竖井设备安装》                                      90SD180

1.3.1.3《接地装置安装》                                           86D563

1.3.1.4《电缆桥架安装》                                         86SD169

1.3.1.5《建筑物防雷设施安装》                                    99D562

1.3.1.6《等电位连接安装》                                    02D5012

1.3.1.7《火灾自动报警系统施工及验收规范》                  GB5016692

1.3.1.8《建筑与建筑群综合布线系统工程施工及验收规范》    GB/T503122000

1.3.1.9《有线电视系统工程技术规范》                           GB50200-94

1.3.1.10《民用闭路监视电视系统工程技术规范》                  GB50198-94

1.3.1.11《建筑电气通用图集》                                92DQ113

1.3.1.12《建筑工程施工质量验收统一标准》                    GB50300-2001

1.3.1.13《建筑电气工程施工质量验收规范》                    GB50303-2002

1.3.1.14《建筑安装分项工程施工工艺规程》〔第四册〕            DBJ01-26-96

1.3.1.15《消防安全疏散标志设置标准》                     DBJ01-611-2002

1.3.1.16《建筑工程资料管理规程》                        DBJ01-51-2003

 

消防、给排水、采暖及通风空调工程

1.3.2.1《建筑给水排水及采暖工程施工质量验收规范》      GB50242-2002

1.3.2.2《工业金属管道工程施工及验收规范》                GBJ50235-97

1.3.2.3《全国通用给排水标准图集》                        S1S2S3

1.3.2.4《建筑设备施工安装通用图集》 〔暖气工程〕              91SB1

1.3.2.5《建筑设备施工安装通用图集》 〔卫生工程〕              91SB2

1.3.2.6《建筑设备施工安装通用图集》 〔 给水工程〕             91SB3

1.3.2.7《建筑设备施工安装通用图集》 〔排水工程〕             91SB4

1.3.2.8《建筑设备施工安装通用图集》 〔2002版〕            91SBX1

1.3.2.9《建筑安装分项工程施工工艺规程》(第三册)          DBJ01-26-96

1.3.2.10《建筑工程资料管理规程》                          DBJ01-51-2003

1.3.2.11《建筑工程施工质量验收统一标准》                   GB50300-2001

1.3.2.12《管道及设备保温》                                     98T901

1.3.2.13《压缩机、风机、泵安装工程施工及验收规范》          GB50275-98

1.3.2.14《低温热水地板辐射供暖应用手册》                 DBJ/01-49-2000

1.3.2.15生活饮用水卫生标准》                                  GB5749

1.3.2.16建筑给水交联聚乙烯(PEX)管材》             CJT2052000

1.3.2.17《建筑给水铝塑复合管管道工程技术规程》             CECS105:2000

1.3.2.18《钢塑复合管安装技术规程》

 

工程概况

本工程为总参兵种部24#院25#、74#退休干部住宅楼工程,其中25#楼地下二层、地上十层(顶层为阁楼层),建筑高度31.90m,建筑面积16772.44m2,系二类居住建筑,地下二层为库房及设备用房,地下一层为自行车库,二层以上均为单元式住宅;74#楼地下二层、地上十四层(顶层为阁楼层),建筑高度40.6m,建筑面积17427.98m2,系二类建筑,地下一层~首层为配套用房,地下二层为库房及设备用房,地下一层为自行车库,二层以上均为单元式住宅。本工程暖卫工程包括生活给水及热水系统、排水系统、卫生洁具安装、消火栓灭火系统、自动喷洒系统、采暖系统;通风工程为楼梯间自然排烟;电气工程包括低压配电系统、照明配电系统、防雷与接地系统、电话系统、电视系统、楼宇对讲系统、计算机网络系统、消防自动报警及联动控制系统。根据甲方要求,所有弱电工程由甲方指定分包,施工中只预留管路及穿带线,预留施工条件。

我公司根据招标文件、业主的要求以及设计图纸等编制了总参兵种部24#院25#、74#退休干部住宅楼工程施工组织设计。概述了工程项目的专业性特点、施工前的准备工作、施工进度计划、主要项目施工做法及要求、工程质量和安全保证措施,及对业主应尽的义务等。

 

暖卫工程

生活给水及热水系统:

3.1.1系统概况:

(一)25#楼:

1.生活给水系统的分区:生活给水系统分为两个区,低区为地下二层~地上四层,由市政管网直接供水;高区为地上五层~十层(局部阁楼层),由集中设置在地下二层水泵房内的无负压管网增压稳流供水设备加压后供给。

2.本楼生活用热水由分户采暖、热水两用燃气炉供给,生活热水供水温度60℃

(二)74#楼:

1.生活给水系统的分区:生活给水系统分为两个区,低区为地下二层~地上四层,由市政管网直接供水;高区为地上五层~十层(局部阁楼层),由集中设置在25#楼地下二层水泵房内的无负压管网增压稳流供水设备加压后供给。

2.本楼生活用热水由分户采暖、热水两用燃气炉供给,生活热水供水温度60℃

3.1.2工艺流程:

安装准备      现场加工      干管安装      立管安装      支管安装     管道试压 

管道冲洗      管道防腐和保温      系统调试

3.1.3施工做法及要求

1.预留孔洞及预埋铁件:

1)在结构施工阶段配合土建专业预留工作;管路安装孔洞的预留及预埋件设置工作亦应细致配合土建专业进行。管道穿钢筋混凝土墙和楼板、梁时,应根据图中所注管道标高、位置及时密切配合土建专业预留孔洞或预留套管,不许遗漏。

2)凡属预制墙板、楼板需要剔孔洞,必须在装修或抹灰前剔凿;遇有剔混凝土空心楼板或断钢筋,必须先征得有关部门的同意及采取相应补救措施后,方可剔凿。

3)在外墙内模或外挂板内模工程中,对个别无法预留的孔洞,在大模板拆除后及时进行剔凿,严禁用大锤操作。

2.本工程两栋住宅楼生活给水管立管、横干管(地下一层)采用钢塑复合管,螺纹连接;从厨房供至卫生间用水的给水横支管采用铝塑复合管敷设于垫层内,铜管件连接。热水管采用铝塑复合管,暗敷于垫层内,铜管件连接,所有暗敷埋设的铝塑复合管,其连接接口均设于地面以上,卫生间内冷、热水管明装。管径不大于DN50的生活给水管道采用截止阀,管径大于DN50的生活给水管采用闸阀,所有阀门均为铜阀、铜质连接件。洗衣机给水龙头采用专用水龙头。

3.钢塑复合管螺纹连接施工做法:

1)钢塑复合管以冷轧钢带和热塑性塑料为原料,经氩弧焊成型的多孔薄壁钢管为增强体,外层和内层双面复合热塑性塑料的一种新型复合压力管材。由于钢板网管增强体背保覆在热塑性塑料中,因此这种复合管材既克服了钢管和塑料管的缺点,又具有钢管和塑料管的优点。

2)螺纹应用符合要求的套丝机加工,套丝过程中应经常加油,从最后的1/3长度处起,板牙应逐渐放松,以便形成锥状。

3)检查螺纹应端正、清楚、完整、光滑,不得有毛刺、乱丝、断丝和缺丝现象。

4)螺纹加工时,应用力均匀,不得用加套管接长手柄的方法进行套丝。

5)螺纹连接时,应在管段螺纹外面敷上填料(聚四氟乙稀带或一氧化铅和甘油制成的粘稠混合物),用手拧入23扣,再用管子钳一次装紧,不得倒回,装紧后应留有丝尾。

6)管道连接后,应把挤到螺纹外面的填料清除掉,填料不得挤入官腔,以免阻塞管路。

7)一氧化铅与甘油混合后,需在10分钟后用完,否则就会硬化,不得再用。各种填料在螺纹里只能使用一次,若螺纹拆卸,重新装紧时,应更换新填料。

8)用砂轮锯断管后要将管口断面的管膜、毛刺清除干净;用手锯断管不允许扭断或折断,以防管口断面裂纹变形。

9)钢塑复合给水管应远离热源,立管距灶边应小于400mm

10)钢塑复合管上的各种阀门应单独设固定支撑。

11)管道安装前,应对材料外观和接头配合的公差进行仔细检查,必须清除管材及管件内外的污垢和杂物。

12)冬季施工,对现场待安装的管道应采取防寒、防冻措施。管道严禁攀踏,或作搁搭脚手架、板等。

13)管道系统安装末端的敞口处应随时封堵。

14)管道系统的横管宜有2‰5的坡度,坡向泄水装置。

15)管道水平方向的弯曲,立管垂直度,平行管道或成排阀门的安装应符合下表的规定:

管道和阀门安装允许偏差

项            目

允许偏差(mm

管道水平方向弯曲

1 

5

10

10

室外架空、地沟、埋地每10

15

立管垂直度

1 

3

高度超过10

10

10以上,每10

10

平行管道和成排阀门

在同一直线上间距

3

16)管道一般明设,但在管道可能受到碰撞的场合,宜暗设或采取保护措施。

17)室内明设管道应在土建粉刷完毕前进行,安装前应首先复核预留孔洞的尺寸、位置是否正确。

18)管道穿越屋面、楼板部位,应做防渗措施,可按下列规定施工:

贴近屋面或楼板的底部,应设置管道固定支承件。

预留孔或套管与管道之间的环形缝隙用C15细石混凝土或M15膨胀水泥砂浆分两次嵌缝,第一次嵌缝至板厚的2/3高度,待达到50%强度后进行第二次嵌缝至板面,并用M10水泥砂浆抹高、宽不小于25mm的三角灰。

19)管道穿越地下室外壁或混凝土水池壁时,必须配合土建预埋防水套管,套管内径宜比管道公称外径大3040mm

20)管道穿越无防水要求的墙体、梁、板时的做法应符合下列规定:

靠近穿越孔洞的一端应设固定支承件固定管道。

管道与套管或孔洞之间的环形缝隙应用M7.5水泥砂浆填实。

21)管道敷设严禁有轴向扭曲,穿墙或楼极时不得强制校直。

22)在管道各配水点,受力点处,必须采取可靠的固定措施。

23)金属管配件与管道连接处的管卡应设置在靠金属管配件一端。

24)管道安装应设置管卡或支架。管卡与管道接触应紧密。管道最大支承间距应符合下表的规定:

管道支承最大间距

管道外径(mm

横管(m

立管(m

冷水管

热水管

冷水管

热水管

6375

1.6

1.4

2.5

2.0

90110

2.0

1.8

3.0

2.5

140160200

2.5

2.2

3.5

3.0

25)若采用金属管卡固定管道时,金属管卡与管道间应采用塑料或橡胶隔垫。

26)立管明装时立管可随着结构穿入,以减少立管接口。安装前先放线,确保立管竖直。

27)将管段分段调直后,再进行两段或数段调直,按图纸核对其管径、预留口方向、变径位置是否正确,并做好拆卸印记。

28)阀门安装位置进出口方向正确、连接牢固、紧密,启闭灵活、朝向合理、表面洁净。

4.铝塑复合管铜管件连接施工做法:

1)铝塑复合管是由中间层纵焊铝管,内外层PE塑料管及铝管与内外层PE之间的热熔胶通过高温高压共挤复合而成的5层复合管材,中间铝合金层是管道的骨架。这种管材集金属管和塑料管优点于一身,在发达国家已被广泛用作给水管材。

2) 管道的调直、切断:

管径小于等于20mm的铝塑复合管可直接用手调直;管径大于等于25mm的铝塑复合管调直一般在较为平整的地面上进行,用脚踩住管子,滚动管子盘卷向前延伸,压直管子,再用手调直。管子的切断用专用的管剪。

3)管道的弯曲:

铝塑复合管弯曲可不用加热。弯曲时先将弯管弹簧塞进管内道弯曲部位,然后均匀加力弯曲,弯曲成型后抽出弹簧。弹簧不够长时可用钢丝接驳加长。

4)管道的连接与固定:

铝塑复合管与管件连接时,按所需长度用管剪把管子切断,用整圆扩孔器将管口整圆扩孔,然后将螺帽和C型环套在管子端头,拉回C型环和螺帽,用扳手将螺帽拧固在管件本体的外螺纹上即可。

当管子与其它金属管材及配水器具连接时,如被接件是带内螺纹的则采用带外螺纹的接头与其配接;如被接件带外螺纹则用带内螺纹的接头与其配接。

对明装管道宜用管扣座固定:暗敷的立管宜在穿越楼板处做成固定的支承点,以防立管累积伸缩在最上层支管接出处产生位移应力。布置在管道井中的立管,应在立管上引出支管的三通配件处设固定支承点。总之,不论明装或暗设,在三通、弯头、阀门等管件和管道弯曲部位,应适当增设管码或支架固定。还有管子在与配水点连接处也应采取加固措施。

5)铝塑复合管的敷设:

室内敷设:

管道安装有明装及暗设两种。但考虑到室内的整洁、美观,对管径小于32mm的管道主要采用暗设。铝塑复合管暗设的几种方法:

A.结构暗敷法:

就是将管道直接埋设在剪力墙内。安装时管子应贴墙面敷设,并用管卡子固定于墙面上。土建应同时施工,用高标号水泥砂浆抹平,再用钢板网包裹于管道外侧用水泥砂浆抹平。此种做法土建与管道安装同步进行能加快施工进度、减少劳动强度,同时可以最短距离到达各用水点,节省管材。但对施工安装质量要求提高,管道接口必须保证不渗漏。但铝塑复合管与镀锌管不同,铝塑复合管尽量不要埋于现浇楼板内。因塑料外皮与混凝土不易粘合,易产生裂缝;另外混凝土浇捣及使用冲击钻在楼板上钻洞时若碰到塑料管易破坏管子。

B.建筑暗敷法:

就是把铝塑复合管埋于砖墙或轻质隔墙内。此法施工时则在墙上开管槽。管道直接嵌入管槽并用管卡将管子固定在管槽内。管槽宽度为管子外径de+20m,槽深为管外径de。只要使管子不露出墙面即可。嵌墙的管道尽量不用管配件,以防接头处渗漏水。管槽弯曲半径应满足管道最小弯曲半径。

C.装修暗敷法:

就是把铝塑复合管沿墙脚、梁边贴顶明装,必要时穿梁。住户装修时可方便地将管子暗设于吊顶内或地板下,这样便于管道的维修。对于前两种做法有些施工人员提出:考虑到铝塑复合管的胀缩系数比金属管大,所以应在管槽内预留管子的伸缩缝隙。但笔者以为胀缩系数大是对的,但铝塑复合管的弹性模量很小,随温度变化产生的膨胀力仅为金属管的1/10左右。所以只要嵌墙施工得当,其胀缩不会将嵌实并经固化的水泥砂浆崩裂,不必在墙槽内预留塑料管伸缩的缝隙。

管道埋地敷设:

A.埋地管槽的开挖应在未经扰动的原土或经夯实后的填土上进行。管槽底应平整,不应有突出的石块等硬物,遇到槽底为岩层时应铺设10cm的砂垫层。管槽回填土应采用砂土或粒径小于12mm的不含尖硬物体的土壤回填。回填土压实应逐层进行,且不得损伤管道。

B.埋地管道的管件,应按设计要求作防腐处理。设计无要求时可刷环氧树脂之的油漆或按热沥青三油两布做法处理。

C.埋深要求:一般在无车辆经过的地方不小于30cm,有车辆经过的地方为50cm,在寒冷地区管道埋深应在冰冻线以下。

6)铝塑复合管与楼板结合部防漏处理:

作为立管的铝塑复合管因管外壁表面光滑,所以管道穿越楼板时结合部常因细石砂浆与管道外壁结合不好而使上下层之间沿管道外壁渗水。目前防渗漏的做法是:在管子与楼板的结合部做好标记,刷一层塑料粘结剂,待塑料管形成一层溶接层时滚上一层砂,凝固后,一层与塑料外皮粘结牢固的粗糙表面就形成了,再立管并用细石混凝土填塞。此外,塑料管外皮的多余粘接剂一定要擦干净,填塞时.应把下面己装好的管子用塑料纸包起来,以保持管道的光洁。

5.套管安装:

1)给水管道穿墙壁或楼板,应设置钢制套管,排水管穿楼板应预留孔洞,管道安装完后将孔洞严密捣实,立管周围应做高出建筑地面50mm的阻水圈。套管内径应比管外径大2号,下面与楼板下齐,上面比楼面高50mm,底部应与饰面相平,管间隙用油麻填实,并用沥青灌平。根据所穿部位的厚度及管径尺寸确定套管规格、长度。安装保温水管,其套管内径应满足设计规定厚度的保温层通过。

2)管道穿外墙及伸缩缝处加柔性防水套管:

柔性穿墙防水套管安装图

注:1-套管;2-翼环;3-挡圈;4-橡皮条;5-螺母;6-双头螺母;

    7-法兰盘;8-短管;9-翼盘。

6.阀门安装:

1)阀门种类、规格型号符合规程、规范要求。

2)所有阀门安装前按制造厂标定的压力逐个做水压试验,合格后方可安装,不能用系统整体试压来检验阀门质量。阀体的强度试验:试验压力为公称压力的1.5倍,阀体和填料处无渗漏为合格。严密性试验:试验压力为公称压力的1.15倍,阀芯密封面不漏为合格。

3)阀门安装前,应按设计图纸核对其型号,并按介质流向确定其安装方向;

4)阀门安装和手柄方位根据现场情况进行安装并使其便于安装和操作,同一房间或同一位置安装高度应一致, 暗装在管井、吊顶内的管道,凡设阀门及检查口处均应设检修门或检修口。

7.机房内管道安装:

机房的设备吊运上位、找平找正完毕后,对设备进行管道碰头。为确保质量,使之布置合理美观且操作方便,现场技术人员应根据实测数据分部位绘制出配管大样图用以指导施工、确保关键部位质量和整体感观效果:

1)与设备连接的管道,安装前必须将管内外清理干净;管道与设备口连接时,不得用强力对口;固定焊口应尽量远离设备,以减弱焊接应力的影响;管道与设备连接后,做好附加支架,以防设备过度受力。

2)水泵阀类安装整齐一致,方便操作;水泵的进出水管上均设软接头;仪表设置在便于观察,不易磕碰处;除污器设置便于拆卸清洗。

3)机房(包括其它部位)高标高管道安装之前须根据现场实际情况搭设好脚手架:脚手架的搭设须由专业人员按相关规范进行,应充分考虑到承受大口径管道的能力;正式安装使用前,必须由专职安全员对脚手架进行检查验收,确保安全且合理地使用脚手架;局部的高空小口径管道安装时可使用组装门式架,其搭设亦须牢固可靠、用前进行细致检查,确保安全方可正式使用;门式架应尽可能避免二层或二层以上重叠组装使用,如确有必要,由专业架子工搭设且须配合加设安全马道及斜支撑。

4)设备拆箱后,各口应及时加盲板封堵,施工中注意各种管道口的加封,以防止杂物进入系统。

5)机房明装管道安装完毕后,应根据设计要求涂色漆,并于明显部位注明管道的名称及用箭头标明管内介质流向。

8.管道安装时还应注意以下几点:

1)管道安装时,应及时固定和调整支吊架,支吊架位置应准确,安装应平整牢固,与管子接触应紧密;

2)导向支架或滑动支架的滑动面应洁净平整,不得有歪斜和卡涩现象,其安装位置应从支撑面中心向位移反方向偏移,偏移量应为位移值的1/2

3)支吊架的焊接应由合格焊工施焊,并不得有漏焊、欠焊或焊接裂纹等缺陷,管道与支架焊接时,管子不得有咬边、烧穿等现象;

4)管架紧固在槽钢或工字钢翼板斜面上时,其螺栓应有相应的斜垫片;

5)管道安装时,不宜使用临时支吊架,当使用临时支吊架时,不得与正式支吊架冲突,并应有明显标记,在管道安装完后拆除。

9.管道的试压:

1)管道安装完毕进行综合水压试验,必须按设计规定和规范要求对管道进行分系统强度和严密性试验。

2)生活给水管道试验压力为1.2Mpa,给水系统管道试压前必须排净空气,系统在试验压力下10min内压力降不大于0.05Mpa,然后降至工作压力检查,不渗不漏。

10.冲洗:

管道在交工使用前按规范要求进行水冲洗和消毒冲洗。冲洗时应避开用水高峰,并保证有不小于1.5m/s流速的冲洗水连续冲洗,冲洗至出口处水样与进口处目测同样清澈、无污浊物为止。冲洗水流不得经过所有设备。管道应采用含量不低于20mg/L氯离子浓度的清洁水浸泡24h,再次冲洗,经消毒冲洗后的水质经有关部门化验后应符合相关标准要求。

11.管道防腐及保温:

明露在室外窗井内的给水管采用40mmPEF管壳,外包玻璃丝布两道,刷防火漆两道,面漆一道。

12.水表安装:

水表应安装在便于检修、不受曝晒、污染和冻结的地方。安装螺翼式水表,表前与阀门应有不小于8倍水表接口直径的直线管段。表外壳距墙表面净距为1030mm;水表进水口中心标高允许偏差为±10mm

13.水泵安装:

1)泵类等设备安装应符合规范和设计要求。进出水口应加橡胶软接头,泵的稳装、平稳、牢固、不偏不斜,基础连接板下加防震垫,固定螺栓应加平光垫和弹簧垫。水泵运转前应先注油,填满料,连接法兰不得有渗漏,并检查叶轮与泵流是否相碰,电机转动方向是否正确。

2)水泵安装的外观质量检查:泵壳不应有裂纹、砂眼及凹凸不平等缺陷。

3)水泵试运转,叶轮与泵壳不应相碰,进、出口部位的阀门应灵活。轴承温升应符合产品说明书的要求。

4)污水泵安装前,污水泵坑、集水井内应清理干净,底部应平整;污水坑内有防水要求的,污水泵的安装应在防水做完后进行,安装时应注意不要破坏防水层。

5)考虑到污水泵坑、集水井内的水中携带的杂质较多,为避免水泵叶轮在工作中受损,在水泵的底部应设置杂质隔离网(可用不锈钢丝网现场制作)。

6)安装污水泵时,应使用水泵自带的吊环为吊装受力点,切忌不要扯拽污水泵的电源线,同时保证电源线的绝缘良好。

3.2 排水系统

3.2.1系统概况:

本工程两栋楼排水系统完全相同,均为首层卫生间的生活污水并入地下一层排水干管排出,二层以上的生活污水经立管汇集后在地下一层排出,地下一二层卫生间排水直接排入地下二层污水泵房经提升排出室外。所有粪便污水均需化粪池处理后排至市政管网。消防电梯到地下二层,电梯坑集水由短管引至集水坑,设潜污泵排至室外。

3.2.2工艺流程:

安装准备     现场加工     干管安装     立管安装     支管安装       卡件固定          封口堵洞     闭水试验      通球试验

3.2.3施工作法与要求:

1.本工程排水管采用机制排水铸铁管承插连接。雨水管材为给水铸铁管,承插接口。

2.机制排水铸铁管承插连接施工做法:

1)管材外表面应光滑,无气泡、裂纹,管壁均匀,色泽一致,直管段挠度不大与1%。管件造型规矩、光滑,无毛刺。

2)水平管道相互连接采用45度斜三通或双45度进行连接。

3)管道接口,卡箍对接,柔性接口铸铁直管及管件材质为灰口铸铁,制造密封胶圈的材料为天然橡胶。

4)立管与横管采用双45度连接,立管根部必须设可靠支架。

5)污水立管首层、顶层、其余隔层设检查口,检查口距地面(或楼板面)1.0m。排水管道上所用的三通及四通应采用90度的斜三通及90度的斜四通,以保证排水通畅。排水立管上的检查口材料与管道一致。排水立管与排出管连接时,应采用两个45度弯头。

6)吊顶内及卫生间内排水管尽量贴顶板或贴梁安装。

7)地漏采用洗衣机专用地漏,水封高度不小于50mm

3.给水铸铁管承插连接施工做法同机制排水铸铁管做法。

4.排水管道穿地下室外墙时应加柔性防水套管,做法详见给水系统。

5.排水管道须用槽钢固定在建筑结构上作为管道的固定支架安装:

1)管道固定点的设置须配合有关管道的改向和管网内的伸缩器及伸缩管弯,以能有效地将管道系统因膨胀、收缩及内压力所产生的推力和回应力传递到建筑结构上。

2)管道固定支架同时要承受管道水压试验时所产生的较高轴向推力。

3)立管每层装一个管卡,安装高度为距地面1.5m,同一房间或同一位置管前应安装在同一高度。

4)排水管上的吊钩或卡箍应固定在承重结构上,固定件间距:横贯不得大于2m,立管不得大于3m。层高小于或等于4m,立管中部可安装一个固定件。

5)立管底部的支吊架要求固定,防止立管下坠;立管每层设置一个地平负载卡子;水平管道支架可采用以下三种方式:

普通吊架: 管径DN≤100,并且吊点安全可靠,不影响结构的安全性时,可采用胀栓生根;

加强吊架。管径DN≥125或无可靠吊点时,可采用顶板预埋铁件或预留孔洞;

型钢托架。管径DN≥125或无可靠吊点时,可采用型钢预埋件生根。

6.排水管穿楼板应预留孔洞,管道安装完后将孔洞严密捣实,立管周围应做高出建筑地面50mm的阻水圈。套管内径应比管外径大2号,下面与楼板下齐,上面比楼面高50mm,底部应与饰面相平,管间隙用油麻填实,并用沥青灌平。根据所穿部位的厚度及管径尺寸确定套管规格、长度。

7.排水立管检查口距地面(或楼板面)1.0m。排水管道上所用的三通及四通一般应采用90度的斜三通及90度的斜四通,以保证排水通畅。排水立管上的检查口材料一般与管道一致。

8.灌水试验:

隐蔽的排水管道在隐蔽前必须分层做灌水试验。满水15分钟,再灌满观察5分钟,以液面不下降,管道及接口无渗漏为合格,施工完毕的管道必须进行严格的通水试验。

9.排水管道试压:

应排水管道进行一个楼层高度的注水试验,10分钟不渗漏为合格。

10.通球试验:

系统通水试验进行后,对每根污水立管和水平干管至引出口处进行投球试验,通球率必须达到100%,球体不小于管径的2/3,投球后管道通畅无阻为合格。

11.管道防腐及保温:

明露在窗井内的排水管,采用40mmPEF管壳保温,外包玻璃丝布两道,刷沥青两道。

12.本工程潜污泵均为自动搅匀污水泵,水泵安装详见给水系统。

13.雨水管道灌水、通球试验:

1)雨水管道必须做灌水试验。满水试验1小时,以液面不下降为合格。施工完毕的管道必须进行严格的通水试验。

2)通球试验:系统通水试验进行后,对每根雨水立管至引出口处进行投球试验,球体不小于管径的2/3,投球后管道通畅无阻为合格。

3.3 卫生洁具设施安装

3.3.1系统概况:

坐便器为6L节水型坐便器,水龙头为陶瓷片水龙头。本工程所有卫生洁具排水口的定位尺寸待甲方确定产品后定。

3.3.2工艺流程:

安装准备   卫生洁具及配件检验    卫生洁具安装   卫生洁具配件组装   卫生洁具稳装     卫生洁具与墙边缝隙处理      卫生洁具外观检查

通水试验

3.3.3施工做法与要求:

1.卫生器具安装按《91SB2》图册有关要求施工,给排水管道甩口坐标标高应保证安装时准确无误,给排水配件齐全,启闭灵活,表面光洁,镀铬层保护良好,各接口处无渗漏。

2.管道的甩口标高、坐标、尺寸应保证安装时准确无误,在防水及装修前应及时校核。

3.卫生洁具落地稳装应采用熟白灰膏与水泥混合灰。洗脸盆及小便器稳装在墙面和支架要着实稳固,存水弯排水管连接处用石棉绳、油灰填实。

4.给水配件要齐全,启动要灵活,表面光洁,各接口处无渗漏。

5.凡固定卫生洁具的螺栓、螺母、垫圈均应使用镀锌件。

6.排水栓和地漏的安装应平正、牢固,低于排水表面周边无渗漏。地漏水封高度不得小于50mm

7.连接卫生器具的排水管道接口应紧密不漏,其固定支架管卡等支撑位置应正确、牢固、与管道的接触应平整。

8.支架安装必须牢固,器具与支架接触紧密,支架与器具之间不得用垫灰及垫砖的方法固定标高,各类支架均应做好防腐并刷好面漆。

9.所有卫生洁具都应做通水试验和100%的满水试验,试验水位达到溢水口高度后,检查连接处均无渗漏为合格。

3.4 消火栓灭火系统:

3.4.1 系统概况:

(一)25#楼:

1.消防用水量:室外消防用水量:20L/S,室内消防用水量:20L/S,火灾延续时间2小时。

2.水源:小区设环状给水管网,管径DN150mm,压力不低于0.18Mpa。在本楼地下二层设置一座消防水池,水池有效贮水容积V230m3,水池能连续补水,双路水源,补水管管径均为DN100。在本楼地下二层设消防泵房,内设室内消火栓泵二台,一用一备。

3.系统布置:

本系统为临时高压制,系统竖向不分区,不设屋顶消防水箱,为保证火灾初期消防用水,及最不利消火栓栓口水压不低于0.07Mpa及火灾时消防水压要求,在消防泵房设置消火栓泵二台,一用一备,设置一套增压稳压装置。消火栓布置按任一着火点有两股充实水柱同时到达,充实水柱不小于10m,水枪流量5L/S。消防泵开启后,为保证消火栓出水压力不大于0.50Mpa,故地下二层~六层的消火栓选用减压稳压消火栓。消火栓处设启泵按钮。在室外设DN100的水泵接合器2套,供消火栓系统加压补水用。在顶层设试验用消火栓一套。

4.室内消火栓口径d65,消防水带采用d65的麻质衬胶水带,长25m,水枪喷嘴口径为19mm,消火栓栓口距地1.10m。消火栓箱规格为单栓650800210mm

5.每组消火栓处配置二具清水型灭火器MSQ7,配电间设置二具二氧化碳灭火器。

(二)74#楼:

1.消防用水量:室外消防用水量:20L/S,室内消防用水量:20L/S,火灾延续时间2小时。

2.由集中设置在25#楼地下二层消防泵房内的消防泵设备加压后供给。

3.系统布置:

本系统为临时高压制,系统竖向不分区,不设屋顶消防水箱,为保证火灾初期消防用水,及最不利消火栓栓口水压不低于0.07Mpa及火灾时消防水压要求,在25#楼消防泵房设置消火栓泵二台,一用一备,设置一套增压稳压装置。消火栓布置按任一着火点有两股充实水柱同时到达,充实水柱不小于10m,水枪流量5L/S。消防泵开启后,为保证消火栓出水压力不大于0.50Mpa,故地下二层~六层的消火栓选用减压稳压消火栓。消火栓处设启泵按钮。在室外设DN100的水泵接合器2套,供消火栓系统加压补水用。在顶层设试验用消火栓一套。

4.室内消火栓口径d65,消防水带采用d65的麻质衬胶水带,长25m,水枪喷嘴口径为19mm,消火栓栓口距地1.10m。消火栓箱规格为单栓650800210mm

5.每组消火栓处配置二具清水型灭火器MSQ7,配电间设置二具二氧化碳灭火器。

3.4.2 工艺流程:

安装准备      干管安装    立管安装     消火栓及支管安装     管道试压       管道冲洗      消火栓配件      系统通水试验

3.4.3 施工做法与要求:

1.本工程消防给水管采用焊接钢管,焊接连接。管径大于DN50的消防给水管道采用闸阀,所有阀门均为铜阀、铜质连接件。

2.焊接钢管焊接连接施工做法:

1)对焊工的要求:由于是承压管道,凡参加此项工程施工的焊工应具有劳动局颁发的焊工证。

2)焊接方法:

氧-乙炔焊:一般适用于外径小于或等于57毫米,壁厚小于3.5毫米的碳素钢管道焊接及紫铜管焊接。

手工电弧焊:一般适用于外径大于57毫米的无缝钢管、螺旋电焊管焊接。

焊接接头型式:管道对接, 坡口型式:V型;母材 A3;焊接材料E4303(结422

3)焊前准备工作:

管道安装点固前应将坡口内外表面(不大于10mm范围内)的油污、锈垢等清理干净。

再次检查管道有无裂纹、夹层、锈蚀等缺陷。

电焊条使用前要按焊条说明书要求烘干。

4DN50(含)以下的管道用砂轮锯切割,DN50以上的管道用氧乙炔火焰切割,切口表面应平整,无裂纹、重皮、毛刺、凹凸、缩口、熔渣、氧化物、铁屑等;切口端面倾斜偏差不应大于管子外径的1%,且不得超过3mm(见下图):

 

 

 

 

 

 

5)对接管道坡口型式及间隙

 

坡口角度(度)

间隙(mm

钝边(mm

点焊长度(mm

600±2

1.54

12

1025

6)焊接工艺参数

管径(mm

焊接层次

焊条直径

焊接电流(A

焊条角度

φ38-φ57

1

2.5

一层7080

应随焊接空间位置不断变化

2

2.5

二层6575

φ159

1

3.2

一层110120

2

3.2

二层90100

7)焊缝加强面高度和宽度

 

 

 

壁厚σ(mm

34

56

710

V型坡口

焊缝加强高h(mm)

1±1

2±1

焊缝宽度bmm

盖过每边坡口约

12mm

注意:法兰内侧的焊缝不得凸出法兰密封面。

8)管子对口时,应在距接口中心200mm处测量平直度,当管子公称直径小于100mm时,允许偏差为1mm;当管子公称直径大于或等于100mm时,允许偏差为2mm。但全长允许偏差为10mm

 

 

 

 

管道对口平直度

9)管道连接时,不得用强力对口、加偏垫或加多层垫等方法来消除接口端面的空隙、偏斜、错口或不同心等缺陷。

10)直管段上两对接焊口中心面间的距离,当公称直径大于或等于150mm时,不应小于150mm;当公称直径小于150mm时,不应小于管子外径;

 

 

 

 

 

 

 

11)焊缝距离弯管起弯点不得小于100mm,且不得小于管子外径;

12)环焊缝距支吊架净距不应小于50mm,需热处理的焊缝距支吊架不得小于焊缝宽度的5倍,且不得小于100mm

13)管道焊缝不得置于穿墙洞口内或外加套管内。不宜在管道焊缝及其边缘上开孔。

14)埋地钢管的防腐层应在安装前作好,焊缝部位未经试压合格不得防腐,在运输和安装时应防止损坏防腐层。

3.立管明装时每层楼板要预留孔洞,立管可随着结构穿入,以减少立管接口。安装前先放线,确保立管竖直。

4.管道穿外墙及伸缩缝做柔性防水套管,做法详见给水系统。

5.消火栓支管要以栓阀的坐标、标高定位甩口,核定后再稳固消火栓箱。消防管坡度符合施工规范要求,坡向泄水装置。

6.管道支架:立管底部的支吊架要求固定,防止立管下坠;消防立管每层设置一个地平负载卡子;水平管道支架可采用以下三种方式:

1)普通吊架。 管径DN≤100,并且吊点安全可靠,不影响结构的安全性时,可采用2栓生根;

2)加强吊架。管径DN≥125或无可靠吊点时,可采用顶板预埋铁件或预留孔洞;

3)型钢托架。管径DN≥125或无可靠吊点时,可采用型钢预埋件生根。

7.管道冲洗:消防管道安装完毕后应按有关规定进行冲洗,达到水质无污浊物清彻为合格。

8.管道试压及消火栓试射:

1)管道试压:消防给水管道试验压力为1.6Mpa,系统在试验压力下10分钟内压力降不大于0.05Mpa,管道无明显渗漏为合格。试验压力表应位于系统或实验部分的最低部位。

2)严密性试验:在管道强度试验和管网冲洗合格后进行。试验压力为设计工作压力,稳压24h,无渗漏为合格。消防系统水源干管、进户管和室内地下管道应在回填隐蔽前单独或与系统一起进行水压试验。

3)消火栓试射:室内消火栓系统安装完毕后应取屋顶层试验消火栓和首层取两处消火栓作试射试验。先检测屋顶试验消火栓的流量和压力(充实水柱),须达到设计及规范要求。在首层选两处消火栓作试射,要满足两股充实水柱能同时到达消火栓应到达的最远点的能力。

9.消火栓系统管道防腐及保温:

1)楼梯间及前室内消防立管,表面刷防锈漆一道后,采用电伴热保温,外包玻璃丝布两道,刷防火漆两道,红色面漆一道。

2)电伴热管道施工工艺:

(一)设计图:

施工前应有一份完整的设计图,图中应包括以下各项资料:

线路编号:在供电点用长方格表示;

线路所需伴热线长度伴热线型号;

每米管道长度所需伴热线长度,数目大于前者为缠绕布线;

每个阀门所需伴热线长度;

备注;

伴热系统配套材料附件清单;

温控系统配件材料附件清单;

施工时所需材料清单;

9.设计考虑参数和所采用保温材料规格。

()施工前准备工作:

(A)管道系统:

1.管道系统与配件都已施工完毕;

2.防锈防腐涂层已干透;

3.管道系统施工和规格与设计图中所示一致;

4.铿去所有毛刺和利角。

(B)伴热线和配件:

1.伴热线表面是否有破损;

2.伴热线的绝缘性能良好(要求用摇表在1000VDC测试时绝缘电阻为20兆欧)

3.伴热线与所有配件的型号与设计要求一致。

(C)现场准备

将一卷伴热线与卷筒放置于一支架上,并放置于在线路其中一端附近。

沿管道布伴热线并避免下列事项:

*放置伴热线于毛刺和利角上;

*用力拉扯伴热线;

*脚踏或重物放置热线上。

()单根伴热线施工法:

1.用玻璃纤维带(耐高温带)每隔约50cm处将伴热线固定于管道上;

2.尽可能将伴热线附在管道的下半方;

3.在线路的每一供电点和尾端各预留50cm长的伴热线;

4.按设计图所示「缠绕系数」布线;

5.所有散热体 (如支架、阀门、法兰等)应按设计图要求预留所需伴热线长度,将此段伴热线缠绕于散热主体上并固定。应注意下列各点:

*散热体应有设计所需的伴热线长度;

*伴热线可互相重叠;

*缠绕方法应尽可能使散热体必要时可随时拆除进行维修或更换而不损坏伴热线或影响其它线路;

*在使用二通或三通配件处,伴热线各端应预留40cm长度。

()螺旋缠绕

以例子说明,如缠绕系数为1.4,意为5m管道需要布7m的伴热线,施工时先将7m长的一段伴热线两端固定于一段长度为5m的管道上,然后将松弛的伴热线缠绕在管道上,并加以固定。

()配件安装:

*按设计图要求选用配件;

*所采用密封圈需与伴热线相配;

*供电接线盒尽可能接近管道线路供电端;

*按配件安装说明书准备线口和安装;

*每一线端应预留一小段热线以便将来维修时用。

()保温材料安装前的检查和测试:

伴热线路安装完成后应立即进行以下的检查和测试:

*视察伴热线表面是否损伤;

*视察所有配件是否安装完整;

*用摇表2500VDC摇试线路一端,绝缘电阻应在20兆欧以上。注意摇试时间应在一分钟以上,供电电缆对金属屏蔽摇试;

*将摇试结果记录在安装记录单上。

()保温层安装:

电伴热线施工测试后立即进行保温层安装,并注意以下各点:

*所采用保温层的材料,厚度和规格与设计图要求符合;

*施工时管道、保温材料必须干燥;

*保温层外应加防水外罩;

*保温层施工时应避免损伤电热线;

*保温层施工后应立即对电热线进行绝缘测试;

*在保温层外加标签注明内有电伴热线",另更需注明所有配件的位置;

*在小于100mm外径的管道上,保温层内径应加大13mm

()温控系统的安装

A)环境感应温控器:

*按设计要求采用适当的温控器,并应达防水,防爆等级;

*按要求电压供电;

*温控器应尽所能安装于最冷最当风的位置。

(B)管道感应温控器:

*按设计要求采用适当的温控器,并应达防水、防爆等级;

*按要求电压供电;

*感应器应与管道紧贴并远离伴热线,并至少离开散热体1m以上;

*感应器应安装于较隐蔽地方以免受损;

*温控器应加以适当的调校。

()最后测试:

*视察所有管道,保温层和所有配件的安装都没有问题。

*将所有线路的空气开关关掉。

*用摇表对每一线路摇试一次。

A)对用环境感应温控器控制的系统:

*将温控器调至线路供电的状态;

*对线路进行4小时的供电使管道温度达到一平衡状态;

*测量每一线路的电压,电流,环境温度和管道温度,并将资料记录在安装记录单上;

*测试后将温控器调至原需的指数。

B)用管道感应温控器控制的系统:

*将温控器微调至线路供电的状态;

*使线路供电至达到温控器所调校的温度止;

*测量每一线路的电压,电流,环境温度和管道温度,并将资料记录在安装记录单上。

对后备系统的测试如上,但每次只测试其一系统。

()安装记录单每一线路的资料都应记录在安装记录单上。

10.消火栓箱安装:

1)产品均应有消防部门的制造许可证及合格证方可使用。

2)消火栓箱如安装在轻质隔墙上时,应有加固措施。

3)消火栓阀门中心距地1.1m

4)消火栓配件安装:应在交工前进行。消防水龙带应有3c认证,消防水龙带应折好放在挂架上或卷实、盘紧放在箱内,消防水枪要竖放在箱体内侧。消防水龙带与水枪,快速接头的连接,一般用14#铅丝绑扎两道,每道不少于两圈,使用卡箍时,在里侧加一道铅丝。设有电控按钮时,应注意与电气专业配合施工。

11.消防泵安装:

水泵安装详见给水系统。

12.系统调试:

消防系统通水调试应达到消防部门测试规定条件。测试最不利点的消火栓的压力和流量能满足设计要求。

 

 

自动喷洒系统:

3.5.1 系统概况:

1.本工程两栋楼自动喷洒系统概况相同。

2.自动喷洒系统用水量26L/S,火灾延续时间1小时。

3.本工程为中危险级,地下二层库房设置自动喷洒灭火系统,每层及每个防火分区设一个信号蝶阀及水流指示器,末端设试水装置。在消防泵房设置喷淋泵二台,一用一备。湿式报警阀设在消防泵房内,喷头温级为68℃,地下二层为直立喷头。系统通过泵房内增压稳压装置稳压,保证火灾初期的消防水量及水压要求。室外设置喷淋水泵接合器2套。

3.5.2 工艺流程:

 

 

 

 

 

 

3.5.3 施工做法及要求:

1.自动喷水灭火系统管道采用热镀锌钢管,丝扣连接。

2.热镀锌钢管丝扣连接施工做法:

1)螺纹应用符合要求的套丝机加工,套丝过程中应经常加油,从最后的1/3长度处起,板牙应逐渐放松,以便形成锥状。

2)检查螺纹应端正、清楚、完整、光滑,不得有毛刺、乱丝、断丝和缺丝现象。

3)螺纹加工时,应用力均匀,不得用加套管接长手柄的方法进行套丝。

4)螺纹连接时,应在管段螺纹外面敷上填料(聚四氟乙稀带或一氧化铅和甘油制成的粘稠混合物),用手拧入23扣,再用管子钳一次装紧,不得倒回,装紧后应留有丝尾。

5)管道连接后,应把挤到螺纹外面的填料清除掉,填料不得挤入官腔,以免阻塞管路。

6)一氧化铅与甘油混合后,需在10分钟后用完,否则就会硬化,不得再用。各种填料在螺纹里只能使用一次,若螺纹拆卸,重新装紧时,应更换新填料。

7)用砂轮锯断管后要将管口断面的管膜、毛刺清除干净;用手锯断管不允许扭断或折断,以防管口断面裂纹变形。

8)立管明装时立管可随着结构穿入,以减少立管接口。安装前先放线,确保立管竖直。

9)将管段分段调直后,再进行两段或数段调直,按图纸核对其管径、预留口方向、变径位置是否正确,并做好拆卸印记。

10)阀门安装位置进出口方向正确、连接牢固、紧密,启闭灵活、朝向合理、表面洁净。

11)立管应用管卡箍固定在墙柱上,卡箍间距不大于3m。下面的管卡距地面1.5m

12)冷水管道穿墙时可预留孔洞,洞口尺寸较外径大50mm。如穿越的是基础墙应设置金属套管,且套管与基础墙预留孔洞上方的净空高度不应小于100mm。管道安装时必须按不同管径和要求设置管卡和吊卡,位置应准确,埋设要平整,管卡与管道接触应紧密。立管和横管支吊架的间距不得大于下表的规定:

冷水管支吊架间距

公称直径n

15

20

25

32

40

50

70

80

100

支架的最大间距(m

保温管

2

2.5

2.5

2.5

3

3

4

4

4.5

不保温管

2.5

3

3.5

4

4.5

5

6

6

6.5

3.管道穿外墙及伸缩缝做柔性防水套管,做法详见给水系统。

4.自动喷水灭火系统的阀门采用明杆闸阀或蝶阀,所有水流指示器前及报警阀前后的阀门均用信号闸阀。

5.自动喷水灭火系统报警阀及水流指示器要有3C认证标志。

6.连接方式:阀门及需拆卸部分采用法兰连接。

7.管道防腐及保温:管道防腐详见91SB图集,丝扣连接管道镀锌层破坏处,刷防锈漆两道。走在吊顶、管井内的管道用PEF难燃B1级聚乙烯泡沫塑料管壳保温,以防结露。

8.喷洒管道坡度符合规范要求,坡向排水管,当局部区域难以排尽时,应采取相应的排水措施。当喷头数量≤5只时,可在管道低凹处加设堵头;当喷头数量>5只时,宜装设带阀门的排水管。

9.管道的分支预留口在吊装前应先预制好,丝接的用三通定位预留口,调直后吊装。所有预留口均加好临时堵,吊顶内的管道安装与通风管道的位置要协调好。

10.喷洒管道不同管径连接不宜采用补心,应采用异径管箍,弯头上不得用补心,应采用异径弯头,管道穿过墙体或楼板时应加设套管,套管长度不小于墙体厚度,或高出楼面或地面50 mm,套管与管道的间隙应采用油麻填塞密实,为防止喷淋头堵塞,管道安装前必须清扫管膛,安装过程中应注意随时检查,防止污物进入管膛。管网在安装中断时,应将管道的敞口封闭。

11.水压试验:

1)强度试验:自动喷水灭火系统试验压力为工作压力的1.5,并不应低于1.0 Mpa, 在试验压力下保持30分钟,目测管网应无泄漏和无变形,压降不大于0.05MPa

2)水压严密性试验:应在水压试验和管网冲洗合格后进行。在工作压力下稳压24小时,无明显渗漏为合格。

3)应在封吊顶前进行系统试压,为了不影响吊顶装修进度可分层分段试压,试压完后冲洗管道,合格后可封闭吊顶。

12.管道冲洗:

管网冲洗的水流速度不小于3m/s,冲洗的水流方向应与灭火时管网的水流方向一致,达到水质无污浊物清彻为合格。

13.管道支架及防晃支架安装:

1)支吊架的位置以不妨碍喷头喷效果为原则。吊架与喷头的距离,应不小于300毫米;距末端喷头的距离不大于750毫米。

2)吊架应设在相邻喷头间的管段上,当相邻喷头间距不大于3.6,可设一个,小于1.8,允许隔段设置。

3)防晃支架安装部位:

a、当DN≥50mm时,配水干管或配水支管至少设一个防晃支架;

b、管道拐弯时,应增设防晃支架;

c、立管的始端和终端均设防晃支架,支架距地面或楼面为1.5-1.8m

4)防晃固定支架应能承受管道、零件、阀门及管内水的总重量和50%水平方向推动力而不损坏或产生永久变形。立管要设两个方向的防晃支架,见下图:


14.报警阀安装:

1)应设在明显、易于操作的位置,距地高度宜为1.2m,两侧与墙的距离不小于0.5m,正面与墙的距离不小于1.2m

2)报警阀处地面应有排水措施,环境温度不应低于+5℃

3)报警阀组装时应按产品说明书和设计要求,控制阀应有启闭指示装置,并使阀门工作处于常开状态;

4)压力表安装在报警阀上便于观测的位置。

5)报警阀配件安装:应在交工前进行,延迟器安装在闭式喷头自动喷水灭火系统上,是防止误报警的设施。可按说明书及组装图安装,应装在报警阀与水力警铃之间的信号管道上。水力警铃安装在报警阀附近。与报警阀连接的管道应采用镀锌钢管。


15.水流指示器安装:

 

1)安装条件:管道试压和冲洗合格后;

2)安装部位:安装在每层的水平分支干管或某区域的分支干管;

3)应水平立装。倾斜度不宜过大;

4)保证叶片活动灵敏,水流指示器前后应保持有5倍安装管径长度的直管段,安装时注意水流方向与指示器的箭头一致。

16.信号阀安装:

安装在水流指示器前,与水流指示器间距不小于300mm

17.水泵安装:

水泵安装详见给水系统。

18.系统调试:

系统调试前,应理解透彻系统原理,详见下面流程图:


通过启动消防水泵,测量系统最不利点试水装置的流量、压力应符合设计要求。

19.湿式报警阀调试:在其试水装置处放水,报警阀应及时动作;水力警铃应发出报警信号,水流指示器应输出报警电信号,压力开关应接通电路报警,并应启动消防水泵。

20.检查泄水系统是否畅通。

 

采暖系统:

系统概况:

1.本工程两栋楼采暖系统概况基本相同。

2.本工程住宅采用壁挂式低压天燃气采暖、热水两用炉,分户采暖。

3.热媒为60/50℃热水,采暖系统为低温地板辐射采暖,系统设总阀门,采暖供回水管均敷设于垫层内。

4.地板辐射供暖的加热盘管为韩国LG交联聚乙烯,[PEX12/16。地板辐射供暖采用德国尤尼克分集水器。

5.地下一二层为集中供暖,采用中供中回供暖方式,采暖热源为院内锅炉房,供回水温度为95/70℃

6.采暖散热器采用760喷塑铸铁散热器:TTZ4658),标准散热量143W/片,采暖散热器落地安装。

 

工艺流程:

1.采暖管道安装工艺流程:

安装准备     预制加工     卡架安装       干管安装       立管安装     

支管安装     试 压     冲 洗     防 腐     保 温     调 试

2.散热器安装工艺流程:

 

 

 

 

系统施工做法及要求:

1.本工程地板辐射采暖供回水管均采用耐高温型PEX管,敷设于垫层内,不允许在垫层内有接头。地下一二层集中供暖的采暖管道采用焊接钢管,主立管、干管焊接,采暖立、支管丝扣连接。住宅卫生间采用电热电缆采暖。

2.PEX管道施工做法:

1)建筑给水交联聚乙烯(PEX)管道适用于工作温度不超过95(瞬间不大于110)的建筑给水用管材。

2)热熔连接:

由相同热塑性塑料制作的管材与管件互相连接时,采用专用热熔工具将连接部位表面加热,直接对其进行热熔和承插,冷却后连接成为一体。

3)一般规定:

(1)PEX给水系统选用的管材和管件,应具备卫生检验部门的检验报告或认证文件。

(2)PEX给水系统选用的管材和管件,应具备质量监督检验部门的产品质量检验报告和+GF+的产品合格证,并应具备有关建材等部门的认可文件。

(3)管材和管件上应标明公司名称、商标、规格、材料牌号、生产日期等内容,包装上应标有批号、数量、等内容。

(4)管道连接时,施工单位应使用乔治·费歇尔公司提供的专用配套的熔接施工工具和管件,并严格按照使用说明书使用。当没有正确执行熔接施工工艺或使用不匹配的熔接施工工具和管件时,有可能产生质量缺陷。

4)产品质量要求:

(1)PEX给水系统所选用的管材和管件的外观质量应符合下列规定:

a.管材和管件的颜色应一致,无色泽不均及分解变色线。

b.管材和管件的内外表面应光滑平整,无气泡、裂口、裂纹、脱皮和明显的痕纹、凹陷。

c.管材轴向不得有异向弯曲,管材端口必须平整,并垂直于轴线。

d.管件应完整、无缺损、无变形,合模缝、浇口应平整、无开裂。

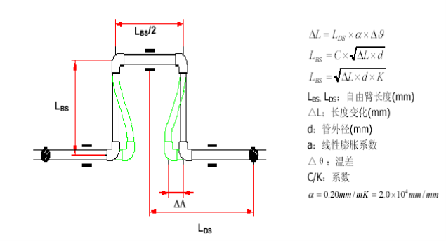
5)解决管道系统中的伸缩变形,一般应设置自由臂,如图:

6)管道的连接:

(1)同种材质的管材与管件的连接,采用热熔焊接。

(2)管材与金属管件连接,应采用适宜的转换接头。

(3)在水泥砂浆层内不得使用金属管件连接方式,在用水器出口等位置除外,但应保证便于安装及维护。

7)管道的布置和敷设:

(1)明敷给水管不得穿越卧室、贮藏室以及烟道、风道。给水管道应远离热源,立管距热水器或灶边净距不得小于200mm

(2)非直埋管道应设置支架和吊架,管道敷设宜考虑温度的因素,利用膨胀环补偿管道的伸缩;当不能利用膨胀环时,管道均采用固定的支架和吊架。

(3)直接敷设于墙体或地坪面层的管道,可不考虑纵向伸缩补偿,外径不宜超过d25,接口方式应采用热熔连接。

(4)布置在地坪面层内的管道,应有定位尺寸,宜沿墙敷设。当有可能遭到损坏时,局部管道应加钢套管保护,套管端口应光滑无毛刺。

(5)给水管道系统中横管的坡度不能小于3,管道最低点有泄水阀。

(6)水平干管与支管连接,水平干管与立管连接,立管与每层支管连接,应考虑温度的影响,设置膨胀环避。

8)管道敷设安装:

(1)管道嵌墙暗敷时,宜配合土建预留凹槽,其尺寸设计无规定时,嵌墙暗管墙槽的深度为De+20mm,宽度为De+40~60mm。凹槽表面必须平整,不得有尖角等突出物,规定试压后,墙槽用M7.5级水泥沙浆填密补实。

(2)管道暗敷在地坪表面层内,应按设计图纸位置进行。如现场施工有更改,应有图纸记录。

(3)管道安装时,不得有轴向扭曲。穿墙或穿楼板时,不宜强制校正。与其他金属管道平行敷设时应有一定的保护距离,净距离不宜小于100mm,且PEX管宜在金属管道的内侧。

(4)管道采用明敷时,应在土建完工、粉饰完毕后方可进行。安装前,应配合土建工程人员正确预留孔洞或预留套管。

(5)管道穿地下室外壁、楼板、屋面等有防水要求处,应设防水套管,套管高出地面或墙面50mm,要采取严格的防水措施,穿越前端要设固定支架。

(6)管道穿越墙壁时,应配合土建设置套管。

(7)采用直埋方式时,应在封闭墙壁或地坪面前作好试压或隐埋过程的验收记录工作。

(8)暗敷管道施工后,应在墙面或地面的明显位置注明暗敷管的位置和走向,严禁在管道上钉金属钉等尖锐物。

(9)建筑物埋地引入管和室内埋地管敷设要求如下:

a.室内地坪±0.00 以下管道敷设宜分两段进行。先进行地坪±0.00 以下至基础外壁的敷设;待土建施工结束后,再进行户外连接管的敷设。

b.室内地坪以下管道敷设应在土建工程回填土夯实以后,重新开挖进行。严禁在回填土之前或未经夯实的土层中敷设。

c.敷设管道的沟底应平整,不得有突出的坚硬物体。土壤的颗粒直径不宜大于12mm,必要时可铺100mm 厚的砂垫层。

d.埋地管道回填时,管周回填土不得夹杂坚硬物直接与管壁接触。应先用砂土或颗粒直径不大于12mm的土壤回填至管顶上侧300mm处,经夯实后方可回填原土。室内埋地管道的埋置深度不宜小于300mm

e.管道出地坪处应设置护管,其高度应高出地坪50mm

f.管道在穿越基础墙时,应设置套管。套管与基础墙顶预留孔上方的净空高度,若无设计规定时,不应小于100mm

g.管道在穿越街坊道路,敷土厚度小于700mm 时,应采取严格的保护措施,建议加套管解决。

3.地板辐射采暖施工技术要求:

1)施工人员必须熟悉图纸,并按照设计图纸进行施工。

2)施工现场、施工用水和用电、材料储放场地等临时设施能满足施工需要。

3)地板辐射采暖的安装工程,环境温度不宜低于5℃

4)地板辐射供暖施工前,应了解建筑物的结构,熟悉设计图纸、施工方案及其它工种的配合措施。安装人员应熟悉管材的一般性能,掌握基本操作要点,严禁盲目施工。

5)加热管安装前,应对材料的外观和接头的配合公差进行仔细检查,并清除管道和管件内外的污垢和杂物。

6)安装过程中,应防止油漆、沥青或其它化学溶剂污染塑料类管道。

7)管道系统安装间断或完毕的敞口处,应随时封堵。

8)绝热层的铺设:

(1)绝热层应铺设在平整的基地上。

(2)绝热层应铺设平整、搭接严密。当敷有真空镀铝聚酯薄膜或玻璃布基铝箔贴面层时,除将加热管固定在绝热层上的塑料卡钉穿越外,不得有其它破损。

9)加热管的配管和敷设:

(1)按设计图纸的要求,进行放线并配管。同一通路的加热管应保持水平。

(2)加热管的弯曲半径,PEX管不宜小于5倍管外径。

(3)填充层内的加热管不应有接头。

(4)采用专用工具断管,断口应平整,断口面应垂直于管轴线。

(5)加热管应加以固定,可以分别采用以下的固定方法:

A.用固定卡子将加热管直接固定在敷有复合面层的绝热板上。

B.用扎带将加热管绑扎在铺设于绝热层表面的钢丝网上。

C.卡在铺设于绝热层表面的专用管架或管卡上。

(6)加热管固定点的间距,直管段不应大于700mm,弯曲管段不应大于350mm

10)热媒集配装置的安装:

(1)热媒集配装置应加以固定。

A.当水平安装时,一般宜将分水器安装在上,集水器安装在下,中心距宜为200mm,集水器中心距地面应不小于300mm

B.当垂直安装时,分、集水器下端距地面应不小于150mm

(2)加热管始末端出地面至连接配件的管段,应设置在硬质套管内。套管外皮不宜超出集配装置外皮的投影面。加热管与集配装置分路阀门的连接,应采用专用卡套式连接件或插接式连接件。

(3)加热管始末端的适当距离内或其它管道密度较大处,当管间距100mm时,应设置柔性套管等保温措施。

(4)加热管与热媒集配装置牢固连接后,或在填充层养护期后,应对加热管每一通路逐一进行冲洗,至出水清净为止。

11)混凝土填充层的浇捣和养护:

(1)混凝土填充层应设置以下热膨胀补偿构造措施:

A.辐射供暖地板面积超过30m2或长边超过6m时,填充层应设置间距6m、宽度5mm的伸缩缝,缝中填充弹性膨胀材料。

B.与墙、柱的交接处,应填充厚度10mm的软质闭孔泡沫塑料。

C.加热管穿越伸缩缝处,应设长度不小于100mm的柔性套管。

(2)在试压合格后,进行卵石混凝土填充层的浇捣,标号应不小于C15,卵石粒径宜不大于12mm,并宜掺入适量防止龟裂的添加剂。

(3)填充层的养护周期,应不小于48h

(4)混凝土填充层浇捣和养护过程中,系统应保持不小于0.4Mpa的压力。

12)地面层的施工:

(1)在填充层养护期满之后,方可进行地面层的施工。

(2)地面层及其找平层施工时,不得剔凿填充层或向填充层楔入任何物件。

13)安全生产和成品保护:

(1)各类塑料管、铝塑复合管和绝热材料,不得直接接触明火。

(2)加热管严禁攀踏、用作支撑或借作它用。

(3)地板辐射供暖的安装工程,不宜与其它施工作业同时交叉进行。混凝土填充层的浇捣和养护过程中,严禁进入踩踏。

(4)在混凝土填充层养护期满之后,敷设加热管的地面,应设置明显标志,加以妥善保护,严禁在地面上运行重荷载或放置高温物体。

14)中间验收:

地板辐射供暖系统,应根据工程施工特点进行中间验收。中间验收过程,从加热管道敷设和热媒集配装置安装完毕进行试压起,至混凝土填充层养护期满再次进行试压止,由施工单位会同监理单位进行。

15)水压试验:

浇捣混凝土填充层之前和混凝土填充层养护期满之后,应分别进行系统水压试验。水压试验应符合下列要求:

(1)水压试验之前,应对试压管道和构件采取安全有效的固定和保护措施。

(2)试验压力应为不小于系统静压加0.3Mpa,但不得低于0.6Mpa

(3)冬季进行水压试验时,应采取可靠的防冻措施。

16)水压试验步骤:

(1)经分水器缓慢注水,同时将管道内空气排出。

(2)充满水后,进行水密性检查。

(3)采用手动泵缓慢升压,升压时间不得少于15min

(4)升压至规定试验压力后,停止加压,稳压1h,观察有无漏水现象。

(5)稳压1h后,补压至规定试验压力值,15min内的压力降不超过0.05Mpa无渗漏为合格。

17)调试:

(1)地板辐射供暖系统未经调试,严禁运行使用。

(2)具备供热条件时,调试应在竣工验收阶段进行;不具备供热条件时,经与工程使用单位协商,可延期进行调试。

(3)调试工作由施工单位在工程使用单位配合下进行。

(4)调试时初次通暖应缓慢升温,先将水温控制在2530℃范围内运行24h,以后再每隔24h升温不超过5℃,直至达设计水温。

(5)调试过程应持续在设计水温条件下连续通暖24h,并调节每一通路水温达到正常范围。

4.集中供暖采暖供回水管焊接钢管焊接及丝扣连接施工做法详见消火栓给水系统及自动喷洒系统。

5.住宅卫生间电热电缆采暖施工工艺要求:

1) 施工工艺流程:

清扫地面平铺聚苯乙烯保温板平铺钢丝网缆线检测铺绑加热缆线缆线检测浇注C25混凝土面层缆线检测养护作防水层

2)保温层施工:

(1)把结构施工中和抹灰的落地灰、杂物认真清理干净,露出基层原有混凝土表面。

(2)聚苯保温板铺设平整。

(3)在聚苯保温层上平铺铝箔纸。

2)钢丝网施工:

满铺钢丝网,连接处绑扎,绑扎间距500mm

3)加热缆线施工:

(1)根据设计图纸要求的每个房间加热缆线的位置和铺装间距确定电热缆长度。

(2)安装前先要对每一条加热缆线进行检测。检测方法:测量电阻值范围为+10%~-5%〈产品包装盒上的标定值〉,长度范围+2%+10cm-2%-10cm

(3)加热电缆安装时,要避开管道、洁具等所占位置,距内墙面20~30cm处铺设。

(4)传感线外必须包裹一层最小直径为10cm的导线管,导线管垂直于墙壁距墙500mm以上,导线管的末端封闭,以免渗入混凝土,传感线放置在两根平行加热缆线的中间。

(5)加热电缆线的弯曲半径不能低于其自身半径的6倍。

(6)加热电缆线之间不能相互连接成线,且缆线自身不能交叉。

(7)加热缆线安装固定采用尼龙扎带绑扎方法,间距500cm

(8)为保护加热电缆线,一定要避免过度的张紧和拖拉。

(9)加热电缆屏蔽线的接地必须遵循相应电气安装规范GB50303-2002的要求。

(10)在加热电缆线铺设前后以及混凝土浇注后,应及时检测加热电缆的电阻值和绝缘值。

(11)加热缆线安装完成后,应在施工图中标注实际铺设间距,并妥善保管。

(12)在低温下,加热电缆容易变得坚硬而难于工作,解决此问题只需把电缆与电源接通3分钟即可。当通电完成后,必须立刻把加热电缆线展开。不推荐在低于-5时,安装电热缆线。

(13)加热缆线和接线盒必须被混凝土覆盖。如果加热缆线被置于保温材料中或以其他形式覆盖,则会产生由于表面温度过高导致加热缆线受损的后果。

4)功能保证:

升温时间:

采暖季第一次开启,达到设计室温要求,需要3-7天时间。地面温度地面设定控制温度为2026

5)竣工资料:

(1)材料设备检验记录,隐蔽工程检查记录,绝缘及接地电阻测试记录。

(2)分项工程质量检验批评定记录。

(3)竣工图、洽商等其他有关文件记录。

6.管道穿墙体应作柔性防水套管,具体做法详见给水系统。

7.采暖系统的配管,应严格按照设计图纸中指定的管径进行安装,水平支管严禁反坡。所有阀门的位置,应设在便于操作与维修的部位,立管上、下部的阀门,安装在平顶下和地面上便于操作维修处。管道系统的最底点,设置DN20泄水管并且安装同口径的闸阀,管道系统的最高点配置有自动排气阀门。管道安装坡度为0.3%。回水管安装自力式平衡阀。

8.埋地敷设采暖系统管道在施工完毕后应在地面上划线以示明地下管道位置。施工应符合国家相关规范的规定。管道穿建筑物基础,墙,楼板的孔洞及管道墙槽应配合土建施工预留。管道的支、托吊架应符合国家现行规范及规程的规定。

9.管道试压:直埋在地坪面层的管道,可分支管或分楼层进行水压试验,系统在试验压力0.3Mpa(工作压力的1.25倍)下进行水压试验,5分钟内压力降不大于0.02Mpa,降至工作压力作外观检查不渗不漏为合格。试压合格后土建即可继续施工。试压工作必须在面层浇捣或封堵前进行,达到试压要求后,土建方能继续施工。各种管道试验压力,应按国家及北京地区相关规范执行。

10.采暖供回水管保温:

暖沟内、吊顶内采暖管道均需保温,保温材料为岩棉管壳,做法详见图集91SB161

11.散热器安装:

1)我方对散热器安装所需材料进行材料检验,合格后才能使用。

2)散热器在安装前应按工作压力的1.5倍(工作压力≯1.0Mpa)进行水压试验,合格后才可进行安装。

3)阀门每种规格抽查不少于20%进行强度试验,合格后方可安装。

4)散热器试压:在散热器安装前应进行单组水压试验。铸铁散热器及钢管散热器工作压力≤0.25Mpa,试验压力0.4Mpa;工作压力<0.25Mpa,按工作压力的1.5倍试压,23分钟不渗不漏为合格。

5)户内的散热器采用铸铁柱翼型780(甲方指定),散热器面积0.33m2/片,散热量145W,落地安装,散热器承压能力不小于1.0Mpa。散热器表面应在除锈后刷防锈漆一遍,干燥后刷非金属性面漆两遍。

6)散热器安装完成后在投入使用前按设计要求进行冲洗。

7)按照设计图纸要求,将不同型号规格已试压合格的散热器运至个房间,根据安装位置及高度在墙上划出安装中心线。

8)散热器支托架的安装数量、构造符合设计要求和施工规范,位置正确,埋设平整牢固,支托架排列整齐,与散热器接触紧密。

9)散热器试压安装过程中,要立向抬运,码放整齐,在土地上操作时,下面要垫木板,以免歪倒损坏表面油漆。

10)散热器与支管连接时,丝扣应端正,松紧适宜。

11)散热器支管长度超过1.5时,应在支管上安装管卡,支管坡度应为1%,坡向有利于排气和泄水的方向。

12)散热器背面与装饰后的墙内表面安装距离,应符合设计或产品说明书要求。如设计未说明,应为30mm

13)散热器安装允许偏差应符合下表的规定。

项次

项  目

允许偏差(mm)

检验方法

1

散热器背面与墙内表面距离

3

尺量

2

与窗中心线或设计定位尺寸

20

3

散热器垂直度

3

吊线和尺量

9.系统完成后在投入使用前按设计要求进行冲洗,冲洗前将管道上安装的温度计、调节阀等附件拆除,待冲洗合格后方可安装。用清水冲洗系统时以其能达到的最大压力和流量进行,直到出水口水色和透明度与入水口目测一致为合格。

12.通暖:

1)首先联系好热源,制订通暖维修人员分工和处理紧急情况的措施。准备好修理、泄水等工具。根据供暖面积确定通暖范围。

2)通暖维修人员按分工就位,检查供暖系统中的泄水阀门是否关闭,导、立、支管上的阀门是否打开。

3)向系统内充软化水,开始先打开系统最高点的放风门,责成专人看管。慢慢打开系统回水导管的阀门,待最高点的放风门见水后即行关闭。再开总进口的供水管阀门。高点放风门要反复开放几次,直至系统中冷风排净为止。

4)通暖维修人员应巡视检查,为发现问题应尽量关闭小范围的供回水阀门进行抢修,修好后随即开启其阀门。

5)正常运行半小时后,应开始查看全系统,遇有不热处应先查明原因,需冲洗检修时,则关闭供回水阀泄水,然后分先后开关供回水阀门放水冲洗,冲净后再按照上述程序通暖运行,直到正常为止。

6)遇有热度不均,应调整各分路、立管、支管上的阀门,使其基本达到平衡后,邀请有关单位检查验收,并办理验收手续。

7)冬季通暖时,必须采取临时取暖措施,使室温保持+5以上并连续24小时后才可进行。充水时,先关闭总进口管的供回水阀门,打开外网循环管阀门,使外网先通水预热循环。分路或分立管通暖时,应先从向阳面的末端两根立管开始。打开总进口阀门通水后,关闭外网循环管阀门,等已通水立管之散热器全热并运行正常后,在逐根、逐环路的通至整个系统。

 

通风工程

本工程消防电梯前室有外窗不设机械加压送风系统,楼梯间自然排烟。

 

 

电气工程

系统概况

5.1.1 低压配电系统

5.1.1.1本工程采用TNS系统,低压系统采用三相五线配电,本工程电梯及消防设备均按二级负荷,双路供电,其余均按三级负荷供电。

5.1.1.2本楼由室外配电室引入两路380220V低压电源,穿管进入地下一层的管理室,再配给照明配电总柜及动力配电柜,各单元每层均为单相配电,电梯电源由动力柜及照明柜各配一回路至电梯配电箱。消防泵房及生活泵房由变电室双路供电。

5.1.1.3地下室弱电电缆沿金属封闭线槽敷设,电力电缆及消防系统电缆均穿钢管暗敷设(干线沿金属封闭线槽敷设)。

5.1.1.4本工程电源干线电缆均选用阻燃型,动力支路、照明支路均采用铜芯BV型导线。

5.1.2 照明配电系统

5.1.2.1照明配电系统采用TN-S系统配线,住户部分正常照明在竖井内由表箱配至每户户箱,每户用电负荷按810KW计算,进户线采用BV-3X16mm²导线。公共走道、楼梯间照明灯具采用声光控型,电梯前室采用单刀双掷开关。

5.1.2.2照明设备选型及安装:地下室及竖井内照明配电箱均暗装,底边距地1.4;住户内照明配电箱墙上暗装底边距地1.8,其中照明支路、普通插座支路、空调支路和厨房支路分开,插座支路均采用漏电开关(空调插座除外);一般插座采用10A安全型单相五孔插座,空调插座采用15A扁圆两用三孔插座;灯具开关选用10A250V跷板开关,住户内预留灯位,住户内一般插座支路为BV-3X2.5mm²导线,照明支路选型用BV-2X2.5mm²导线,穿管暗敷,客厅及主卧室灯位处应预留Φ8钢筋以备重型灯具安装。

5.1.3 防雷与接地

5.1.3.1本工程按二类防雷设计,屋顶采用Φ10镀锌圆钢作避雷带,在屋面做不大于20m x 20m24m x 16m的网格,并与屋顶上所有突出屋面的金属构件相连接;超过30的部分,每层做均压环,利用构造柱内不少于两根主筋作引下线,上端与避雷网焊接,下端利用基础钢筋引出做接地装置,钢筋焊接成环形,接地电阻不大于1欧。建筑四角处引下线在地面以上0.5处做测试点,地面以下1.0焊接出40x4的镀锌扁钢至散水外与利用基础槽敷设的环状扁钢相连接。若接地电阻大于1欧,需补打接地极,详细做法见92DQ13

5.1.3.2本工程采用TN-S系统,采用综合接地,电气与防雷共用接地体,并进行总等电位联接。所有进出建筑物的金属管网与环网连接,在管理室结构墙上适当位置预留40x4镀锌扁钢作为主接地线,该主接地线和柱内钢筋可靠焊接,并设一总等电位箱。

卫生间内做局部等电位联接,做法均参见02D501-2图集。

5.1.4 电话系统

5.1.4.1每户按三对电话设计,在客厅、卧室及餐厅各配双口出线插座一个,暗装距地0.3

5.1.4.2电话干线电缆穿线槽在电气竖井内敷设,电话支线穿SC20管在楼板内暗敷。

5.1.5 电视系统

5.1.5.1由室外管网引入有线电视信号至地下室放大器箱。电视系统干线采用SYWV759,穿SC25在墙内暗敷。每层设分配箱,电视支线用SYWV755穿SC20在楼板内暗敷。电视插座暗装距地0.3,用户终端插座应为具有接收FMTV功能。

5.1.6 楼宇对讲系统

5.1.6.1本工程设楼宇可视对讲系统。在单元入口设可视对讲主机,竖井内各层设层控制器,各住户内设可视对讲分机,挂墙明装,距地1.4。由于未确定厂商,故门口对讲机与首层层控箱之间预留两根SC20管,各层层控箱之间及与住户对讲分机预留两根SC25管,所有管道均暗敷在楼板及墙内。产品选型时应选用带有紧急报警按钮产品。

5.1.7 计算机网络系统

5.1.7.1从本楼网络机柜至各用户均用UTP-5超五类线,在地下室及电气竖井内沿金属线槽敷设,由层过路盒至出线口,穿SC20管在楼板内暗敷。每户客厅、卧室及书房内设一个计算机网络出线口,距地0.3

5.1.8 火灾自动报警及自动灭火联动控制系统

5.1.8.1 火灾自动报警系统:在电梯前室、配电间及各房间设智能型烟感探测器,发生火灾后,通过各种火灾探测元件的报警信号,联动相关消防设备,也可手动报警。

5.1.8.2 消防专用电话系统:在消防控制室设有与当地消防部门的直通报警电话。

5.1.8.3电梯控制系统:当消防控制室收到火灾报警信号后,经确认后,主控屏按预先编制的程序通过界面单元将控制信号送到电梯控制柜及门禁系统,强制全部电梯降至首层,门禁系统全部打开,信号返回通过探测器底座送回中控室主控屏。

5.1.8.4喷洒泵控制系统:当消防控制室收到水流指示器及压力开关的信号后,自动启动喷洒泵,同时在消防控制柜上可手动启/停喷洒泵。

5.1.8.5 消火栓灭火控制系统:本楼设置消火栓灭火系统。火灾时,打碎消火栓箱内的消防泵专用控制按钮的玻璃,直接启动消火栓泵,同时,返回启泵信号,消火栓箱内启泵指示灯亮。消火栓按钮控制线(C)采用KVV5X1.5穿钢管暗敷。强制切断居民照明,点燃事故照明,模块相对位置尺寸要满足GB50116-98规范的有关要求。

 

 

电气专业施工做法及技术要求

以下按照施工顺序,按结构配合、安装配合、调试三个大的阶段分别编制施工方案如下:

5.2.1结构配合阶段电气专业施工做法及技术要求

a 钢管的施工做法

 

焊接钢管敷设

1)暗配管工艺流程:

 

 

暗配管工艺流程图

 

2)明配管工艺流程:

 

 

明配管工艺流程图

 

3)施工工艺要求:

a钢管壁厚均匀、焊缝齐全,无劈裂、砂眼、棱刺、凹扁现象。防腐完整。应有产品合格证;管箍应为通丝管箍,套管长度宜为管外径2.2倍。

b铁制开关盒、灯头盒、接线盒应符合标准要求,规格应与装置件配套,不使用的管孔敲落板应完整,镀锌完整、无脱落;紧固件镀锌完整、无脱落。

c根据施工图要求测定箱、盒位置;成排安装时要弹线,位置划出标记,按测定的位置固定箱、盒,相邻或成排箱、盒应挂线找平、找直、线坠找正 。

d现浇混凝土楼板上的箱、盒,可将箱、盒点焊固定在钢模板上;现浇混凝土墙上的箱、盒,可将箱、盒安装卡铁,将卡铁与钢筋焊固定;为使箱、盒标高准确,也可采用预留套盒的方法;砌筑墙体上的箱、盒应采用水泥砂浆稳固,砂浆应饱满。

e钢管的弯曲应采用冷煨法。一般管径20mm及以下时使用手扳煨弯器;管径25mm及以上时,使用液压煨弯器;管径70mm及以上时,使用机械煨弯器。将需断口的管子用压力压牢,用钢锯或砂轮锯锯断。管口应齐平,并用扁锉、圆锉或半圆锉将管口锉光滑。螺纹连接的管端用手扳套丝板或套丝机套丝,使用通丝管箍连接;采用套管连接时,套管两端应焊接严密、牢固。

f现浇混凝土楼板内敷设:管路应敷设在底筋上,管进箱盒处应煨灯叉弯,管路每隔1m左右应用铅丝绑扎牢。砌筑墙体内敷设:配合砌墙时敷设的管路宜放在墙中心,管入箱、盒处应煨灯叉弯;剔槽敷设的管路应紧敷于槽内,管路每隔1m左右应用铁钉、铅丝绑扎牢,并用高强度等级水泥砂浆抹面稳固。

g向楼板或墙外的引管不宜过长,螺纹连接的管端应套好丝,并安好管箍。

h管路敷设后,将箱、盒、管路连接成整体接地。螺纹连接的管箍两端钢管与金属箱、盒之间应焊接跨接地线。

i配管工程完成后(模板拆除后)应进行预扫管。采用铅丝带布扫管法,清除管内积水及杂物, 发现问题及时处理,避免穿线时再剔凿。

j施工应紧密配合土建进度,不颠倒工序,不损坏结构,不经允许不得切断钢筋,建筑装修后严禁再剔凿。剔槽、洞不应用力过猛,槽、洞不应过大过宽,严禁剔横槽。

k施工中随时提请其它工种施工人员配合保护好电气管、盒。土建吊运料具、吊装模板时应避免砸、碰管路、箱盒。注意及时封堵管口、箱、盒口,防止杂物掉入管内、污染箱盒。

l明配管应横平竖直,其水平或垂直安装的允许偏差为1.5,全长偏差不应大于管内径的1/2,金属管盒应做好保护地线的连接。管卡间距及跨接地线规格见下表。

钢管明配中间管卡最大距离

钢管名称

钢  管  直  径  (mm)

15~20

25~32

50~65

65~100

管卡间最大距离

1500

2000

2500

3500

厚钢管距转弯中点、首末端

150~500

 

 

 

 

跨接地线规格表(mm)

管 径

圆  钢

配  管  条  件

钢管弯曲半径R与管外径D之比

15~25

Ф5

明配时

6

32~40

Ф6

明配只有1个弯时

4

50~65

Ф10

暗配时

6

 

 

b 金属线槽、桥架施工做法及技术要求

作业条件

1) 配合土建的结构施工,预留孔洞、预埋铁和预埋吊杆、吊架等全部完成。

2) 顶棚和墙面的喷浆、油漆等全部完成后,方可进行线槽敷设及槽内配线。

金属线槽敷设的工艺流程如下:

金属线槽安装(如下图所示)

1)电缆桥架在电气竖井内敷设:

    

 

2)电缆桥架水平敷设:

 

 

 

 

a支、吊架所用钢材应平整,无显著扭曲,下料后长短偏差应在5mm范围内,切口应无卷边、毛刺。

b支、吊架应焊接牢固,无显著变形,焊缝均匀平整,焊缝长度应符合要求,并做好防腐处理,支、吊架安装应牢固,保证横平竖直,在有坡度的建筑物口安装支、吊架应与建筑物有相同坡度。

c线槽的连接应采用连接板,用垫圈、弹簧垫圈、螺母紧固,接缝处应紧密平直,槽盖装上后应平整,无翘角,出线口的位置准确。

d线槽与盒、箱柜等接茬时,进线和出线口等处应采用抱脚连接,并用螺丝紧固,末端应加封堵。

e线槽经过建筑物的变形缝时,线槽本身应断开,槽内用内连接板搭接,不需固定,保护地线和槽内导线均应留有补偿余量。

f线槽的所有非导电部分的铁件均应相互连接和跨接,使之成为一个连续导体,并做好整体接地。

g线槽进行交叉转弯、丁字、连接时,应采用单通、二通、三通、四通或平面二通、平面三通等进行变通连接,导线接头处应设置接线盒或将导线接头放在电气器具内。

h线槽内保护地线应根据设计要求敷设在线槽的一侧,接地处螺丝直径不应小于6㎜;并且需要加平光垫和弹簧垫圈,用螺母压接牢固。

i金属线槽的宽度在100㎜以内(含100,两端线槽用连接板连接处(即连接板做地线处),每段螺丝固定点不应少于4个; 宽度在1200㎜以内(含200,两端线槽用连接板连接处(即连接板做地线处),每段螺丝固定点不应少于6个。

j电缆桥架水平敷设时,应按荷载曲线选取最佳跨距进行支撑,跨距一般为1.503;垂直敷设时其固定点间距不宜大于2

k电缆桥架水平敷设时,应按荷载曲线选取最佳跨距进行支撑,跨距一般为1.503;垂直敷设时其固定点间距不宜大于2

l金属电缆桥架及其支架和引入或引出的金属电缆导管必须接地(PE)或接零(PEN)可靠,且必须符合下列规定:

◇.金属电缆桥架及其支架全长应不少于2处与接地(PE)或接零(PEN)干线相连接;

◎.非镀锌电缆桥架间连接板的两端跨接铜芯接地线,接地线最小允许截面积不小于4mm2

▲.镀锌电缆桥架间连接板的两端不跨接接地线,但连接板两端不少于2个有防松螺帽或防松垫圈的连接固定螺栓。

m直线段钢制电缆桥架长度超过30m、铝合金或玻璃钢制电缆桥架长度超过15m设有伸缩节;电缆桥架跨越建筑物变形缝处设置补偿装置;

n电缆桥架转弯处的弯曲半径,不小于桥架内电缆最小允许弯曲半径。

o电缆桥架敷设在易燃易爆气体管道和热力管道的下方,当设计无要求时,与管道的最小净距,符合下表规定;

 

 

管 道 类 别

平 行 净 距(m)

交 叉 净 距(m)

一般工艺管道

0.4

0.3

易燃易爆气体管道

0.5

0.5

热力管道

有保温层

0.5

0.3

无保温层

1.0

0.5

 

p电缆桥架在穿过防火隔墙及防火楼板时,应采用防火隔离措施。

q托盘、梯架允许最小板材厚度如下表所示:

 

托盘、梯架宽度(mm

允许最小厚度(mm)

<400

1.5

400800

2.0

>800

2.5

 

r电缆桥架在穿过防火隔墙及防火楼板时,应采用防火隔离措施。敷设在竖井、吊顶、通道、夹层及设备层等处的线槽应符合有关防火要求。示意图如下:       

 

5.2.2安装配合阶段电气专业施工做法及技术要求

本阶段为整个工程的重中之重,穿线缆、安装箱盒及器具、安装灯具都在此阶段完成。

 

工艺流程:

 

 

 

管路检查,清点出线口位置、数量无误后开始扫管。

管内穿线(缆)工程 工艺流程:

 

 

 

 

 

考虑导线(电缆)截面大小,根数多少,将导线(缆)与带线进行绑扎,绑扎处做成平滑锥形状,便于穿线。

穿线前在管口加装护口,两人配合协调,一拉一送,管路较长时,转弯较多时,要在管内吹入适量滑石粉,截面大、长度长的线缆考虑采用机械牵引(如倒链)。

敷设于垂直管路中的导线,当超过下列长度时,应在管口处和接线盒中加以固定:

1)截面积为50mm2及以下的导线为30

2)截面积为70mm295mm2的导线为20

3)截面积为180mm2240mm2之间的导线为18

4)穿线完毕后,应用摇表测线路绝缘电阻。采用1000V摇表,其绝缘电阻不小于0.5MΩ,并做好记录。

线槽内配线要求

1)线槽内配线前应清除线槽内的积水和污物。

2)在同一线槽内(包括绝缘在内)的导线截面积总和应该不超过内部截面积的40%。

3)不同电压、不同回路、不同频率的导线应加隔板方在同一线槽内。下列情况时,直接放在同于线槽内:电压在65V及以下;同一设备或同一流水线的动力和控制回路;照明花灯的所有回路;三相四线制的照明回路。

4)导线较多时,除采用导线外皮颜色区分相序外,也可利用在导线端头和转弯处做标记的办法来区分。

5)在穿越建筑物的变形缝时,导线应留用补偿余量。

6)从室外引入室内的导线,穿过墙外的一段应采用橡胶绝缘导线,不允许采用塑料绝缘导线。

电缆敷设

1)敷设前应先检查所敷设电缆的型号、规格与设计是否相同,进行例行的外观检查和各项试验。1KV以下的电缆,用1KV摇表测线间及对地的绝缘电阻应不低于10MΩ,合格后方可敷设。

2)敷设方法是用人力或机械牵引;敷设时电缆尽量做到不交叉,敷设电缆的弯曲半径不小于其外径的10倍,并及时装设标志牌。

3)电缆穿楼板时应装套管,敷设完后应将套管用防火材料堵死。敷设时在终端头和接头处附近预留一定长度。

4)电缆头和中间头制作严格遵守工艺规程。

配电箱(盘)安装工程:

1)作业条件

a随土建结构预留好安装配电箱的安装位置。

b预埋铁架或螺栓时,墙体结构应弹出施工水平线。

c安装配电箱盘面时,抹灰、喷浆及油漆应全部完成。

2)工艺流程

 

 

 

 

 

 

 

 

 

 

 

 

 

 

3)配电箱()安装应符合下列规定:

a()内配线整齐,无绞接现象。导线连接紧密,不伤芯线,不断股。垫圈下螺丝两侧压的导线截面积相同,同一端子上导线连接不多于2根,防松垫圈等零件齐全;

b()内开关动作灵活可靠,带有漏电保护的回路,漏电保护装置动作电流不大于30mA,动作时间不大于0.1s

c照明箱()内,分别设置零线(N)和保护地线(PE线)汇流排,零线和保护地线经汇流排配出。

d管进箱时要做到一管一孔,当箱体上敲落孔不够时,应用开孔器开孔,严禁用气焊开孔,连接完毕应按要求做好跨接地线。不能用箱体作为连接地线。箱体、管路连接固定好后,箱内清理干净,用盖板封闭,避免土建抹灰对箱内污染。

e位置正确,部件齐全,箱体开孔与到管管径适配,暗装配电箱箱盖紧贴墙面,箱(盘)涂层完整;

f箱(盘)内接线整齐,回路编号齐全,标识正确;

g箱(盘)不采用可燃材料制作;

h箱(盘)安装牢固,垂直度允许偏差为1.5‰;底边距地面为1.5m,照明配电板底边距地面不小于1.8m

iPE线安装应牢固明显,导线选择如下:

 

装置的相导线的截面积

S(㎜2

相应的保护导线的最小面积

Sp(㎜2

S≤16

Sp=S

16S≤35

Sp=16

35S≤400

Sp=S/2

400S≤800

   Sp=200

S>800

   Sp=S/4

成套配电柜及低压开关柜安装工程:

1)作业条件

a土建工程施工标高、尺寸、结构及埋件均符合设计要求。墙面、屋顶喷浆完毕,无漏水,门窗玻璃安装完、门上锁。室内地面工程完,场地干净、道路通畅;

b施工图纸、技术资料齐全。技术、安全、消防措施落实;

c设备、材料齐全,并运至现场库。

2)安装时应符合下列要求

a基础型钢安装应符合下表规定:

 

项  目

允 许 偏 差

mm/m

(mm/全长)

不直度

1

5

水平度

1

5

不水平度

5

 

b金属配电柜钢板厚度不应小于1.5mm,钢板箱门钢板盘面厚度不应小于2mm

c配电柜其底部宜高出地面50mm,其操作手柄距地宜为1.21.5。侧面操作的手柄距墙的距离不应小于200mm

d配电柜的金属部分,包括电器的安装板(支架)和电器的金属外壳等均应有良好的接地。配电柜的盖、门、覆板等处装有电器并可开启时应以裸铜线与接地的金属构架可靠连接。

e配电柜内的电源指示灯应接在总开关前侧。

f采用TNS系统供电时,PE线与N线严格分开,不得混接。在电源进线处作重复接地。

g配电柜基础型钢固定点间距不大于1m。基础型钢底部应埋入地面内,型钢顶部宜高出地面50mm

3)低压成套配电柜交接试验,必须符合下列规定:

a每路配电开关及保护装置的规格、型号,应符合设计要求;

b相间和相对地间的绝缘电阻值应大于0.5MΩ

c电气装置的交流工频耐压试验电压为1kV,当绝缘电阻值大于10MΩ时,可采用2500V兆欧表摇测替代,试验持续时间1min,无击穿闪络现象。

灯具、器具安装工程:

1)作业条件

a灯具安装作业条件

■.在结构施工中做好预埋工作,如有大型灯具安装,则应在混凝土楼板预埋螺栓,吊顶内预下吊杆。

▲.盒子口修好,木台木板修漆完。

▼.对灯具安装有影响的模板及脚手架已拆除。

◆.顶棚、墙面的抹灰工作、室内装饰浆活及地面清理工作均已结束。

b开关、插座等器具安装作业条件

.各种管路、盒子已经敷设完毕,盒子收口平整。

.线路的导线已穿完,并已做完绝缘遥测。

▼.墙面的浆活及油漆等内装修工作均已完成。

2)灯具及开关、插座安装做法

灯具安装工艺流程:

 

 

 

 

开关、插座安装工艺流程:

 

a普通灯具安装

■.灯具的固定应符合下列规定:

1.灯具重量大于3kg时,固定在螺栓或预埋吊钩上;

2.软线吊灯,灯具重量在0.5kg及以下时,采用软电线自身吊装;大于0.5kg的灯具采用吊链,且软电线编叉在吊链内,使电线不受力;

3.灯具固定牢固可靠,不使用木楔。每个灯具固定用螺钉或螺栓不少于2个;当绝缘台直径在75mm及以下时,采用1个螺钉或螺栓固定。

▼.当钢管做灯杆时,钢管内径不应小于10mm,钢管厚度不应小于1.5mm

◆.固定灯具带电部件的绝缘材料以及提供防触电保护的绝缘材料,应耐燃烧和防明火。

●.当设计无要求时,灯具的安装高度和使用电压等级应符合下列规定:

1.一般敞开式灯具,灯头对地面距离不小于下列数值(采用安全电压时除外)

--室外:2.5m(室外墙上安装)

--室内:2m

--软吊线带升降器的灯具在吊线展开后:0.8m

2.危险性较大及特殊危险场所,当灯具距地面高度小于2.4m时,使用额定电压为36V及以下的照明灯具,或有专用保措施。

◎.当灯具距地面高度小于2.4m时,灯具的可接近裸露导体必须接地(PE)或接零(PEN)可靠,并应有专用接地螺栓,且有标识。

★.引向每个灯具的导线线芯最小截面积应符合下表规定。(单位:mm2

灯具安装的场所及用途

线 芯 最 小 截 面 积

铜芯软线

铜  线

铝  线

灯头线

民用建筑室内

0.5

0.5

2.5

工业建筑室内

0.5

1.0

2.5

室  外

1.0

1.0

2.5

 

◢.灯具的外形、灯头及其接线应符合下列规定:

1.灯具及其配件齐全,无机械损伤、变形、涂层剥落和灯罩破裂等缺陷;

2.软线吊灯的软线两端做保护扣,两端芯线搪锡;当装升降器时,套塑料软管,采用安全灯头;

3.除敞开式灯具外,其他各类灯具灯泡容量在100W及以上者采用瓷质灯头;

4.连接灯具的软线盘扣、搪锡压线,当采用螺口灯头时,相线接于螺口灯头中间的端子上;

5.灯头的绝缘外壳不破损和漏电;带有开关的灯头,开关手柄无裸露的金属部分。

◣.变电所内,高低压配电设备及裸母线的正上方不应安装灯具。

◤.装有白炽灯泡的吸顶灯具,灯泡不应紧贴灯罩;当灯泡与绝缘台间距离小于5mm时,灯泡与绝缘台间应采取隔热措施。

◥.安装在室外的壁灯应有泄水孔,绝缘台与墙面之间应有防水措施。

b应急照明灯具安装应符合下列规定:

■.应急照明灯的电源除正常电源外,另有一路电源供电;或者是独立于正常电源的柴油发电机组供电;或由蓄电池柜供电或选用自带电源型应急灯具;

▲.应急照明在正常电源断电后,电源转换时间为:疏散照明≤15s;备用照明≤15s(金融商店交易所≤1.5s);安全照明≤0.5s

▼.疏散照明由安全出口标志灯和疏散标志灯组成。安全出口标志灯距地高度不低于2m,且安装在疏散出口和楼梯口里侧的上方;

◆.疏散标志灯安装在安全出口的顶部,楼梯间、疏散走道及其转角处应安装在1m以下的墙面上。不易安装的部位可安装在上部。疏散通道上的标志灯间距不大于20m(人防工程不大于10m)

●.疏散标志灯的设置,不影响正常通行,且不在其周围设置容易混同疏散标志灯的其他标志牌等;

◎.应急照明灯具、运行中温度大于60℃的灯具,当靠近可燃物时,采取隔热、散热等防火措施。当采用白炽灯,卤钨灯等光源时,不直接安装在可燃装修材料或可燃物件上;

★.应急照明线路在每个防火分区有独立的应急照明回路,穿越不同防火分区的线路有防火隔堵措施;

◢.疏散照明线路采用耐火电线、电缆,穿管明敷或在非燃烧体内穿刚性导管暗敷,暗敷保护层厚度不小于30mm。电线采用额定电压不低于750V的铜芯绝缘电线。

c照明开关安装应符合下列规定:

■.同一建筑物、构筑物的开关采用同一系列的产品,开关的通断位置一致,操作灵活、接触可靠;

▲.相线经开关控制;

开关安装位置便于操作,开关边缘距门框边缘的距离0.150.2m,开关距地面高度1.3m

▼.相同型号并列安装及同一室内开关安装高度一致,且控制有序不错位。并列安装的拉线开关的相邻间距不小于20mm

◆.暗装的开关面板应紧贴墙面,四周无缝隙,安装牢固,表面光滑整洁、无碎裂、划伤,装饰帽齐全。

d插座安装应符合下列规定:

■.暗装的插座面板紧贴墙面,四周无缝隙,安装牢固,表面光滑整洁、无碎裂、划伤,装饰帽齐全;

▲.同一室内插座安装高度一致,距地安装0.3

▼.特殊情况下插座安装应符合下列规定:

1.当接插有触电危险家用电器的电源时,采用能断开电源的带开关插座,开关断开相线;

2.潮湿场所采用密封型并带保护地线触头的保护型插座,安装高度不低于1.5m

◆.插座接线:

1.单相两孔插座,面对插座的右孔或上孔与相线连接,左孔或下孔与零钱连接;单相三孔插座,面对插座的右孔与相线连接,左孔与零线连接;

2.单相三孔、三相四孔及三相五孔插座的接地{PE}或接零(PEN线接在上孔。插座的接地端子不与零线端子连接。同一场所的三相插座,接线的相序一致。

3.接地(PE)或接零(PEN)线在插座间不串联连接。

5.2.3调试阶段电气专业施工做法及技术要求

a 工艺流程

 

 

 

 

 

 

 

b 施工工艺及技术要求

    检查调试所用的仪表、仪器、工具、材料及各种记录表格是否齐全,并指定专人填写。

与调试安装有关的工作均已完毕,并经检验合格达到调试要求。

所调设备的设计图纸、合格证、产品说明书、安装记录等资料齐全。

与调试有关的机械、管道、通风、仪表、自控等设备和联锁装置等均已安装调整完毕,并符合使用条件。

现场照明设施完善、灯光明亮。

参加调试人员分工完毕,责任明确,岗位清楚。

校对干、支线电缆是否与系统图相符,并检查所有电气设备和线路的绝缘情况,应符合规范要求。

对控制、保护和信号系统进行空操作,检查所有设备如开关的动触头、继电器可动部分动作是否灵活可靠。位置开关,限位开关接触是否良好,热继电整定值是否符合规定要求。

电动机在空载运行前,应手动盘车,检查转动是否灵活有无异常音响。

送电前应先制定操作程序,送电时应有专业人员监护,无论送电或停电,均严格执行操作规程。

对已送电的盘、箱、柜应挂有电的指示牌。

设备起动后,试运人员要坚守岗位,密切注意仪表指示,电动机的转速、声音、温升及继电保护开关、接触器等器件是否正常,随时准备出现意外情况而紧急停车。

电动机应在空载下进行试运,空载运行良好后,再带负荷。

对带有限位保护的设备,应用点动方式进行初试,在接近限位前停车,改用手动,手动调好后再用电动方式检查。

调试中如果继电保护装置动作,应尽快查明原因,不得随意增大整定值,不准强行送电。

所有调试记录、报告均应经过有关负责人审校同意并签字。

对所送电设备按照规范要求运行,合格后交甲方使用。

 

关键工序节点做法(防雷接地及等电位联结)

施工前的准备

a 技术准备

施工前应认真熟悉工程施工图,并对工程性质、规模、服务对象和系统的工作原理、系统的设计参数、系统的划分和组成、施工质量和特殊施工方法作到心中有数。

了解设计单位的技术交底、图纸会审和相关洽商的内容。

熟悉设计要求选用的国标、院标、图集和其他技术资料的内容和对安装的要求。

绘制主要外加工件的加工草图。

收集已建工程质量通病信息,明确施工重点与难点和质量管理点。

对施工中需要的计量、测量器具提前做好准备。

b 作业条件

接地体作业条件:

按设计位置清理好现场;

底板筋与柱筋联结处已绑扎完;

桩基内钢筋与柱筋连接处已绑扎完。

防雷引下线暗敷设作业条件:

建筑物有脚手架或爬梯,达到能上人操作的条件;

利用主筋做引下线时,钢筋绑扎完毕;

避雷带与均压环安装作业条件:

土建圈梁钢筋正在绑扎时,配合做此项工作。

避雷网安装作业条件:

接地体与引下线必须做完;

支架安装完毕;

具备调直场地和垂直运输条件。

 

操作工艺

工艺流程

测位— → 挖沟— →接地线敷设— →焊接、防腐— →测试、检验— →回填土。

1)测位

根据施工图要求测定接地体、防雷引线、接地线位置,并划出标记,被利用的结构钢筋、柱筋引线可用油漆等划出标记。

2)挖沟

在室外按划出的标记挖沟,沟宽0.5m,深0.8m

3)接地线敷设

镀锌扁钢敷设前应放开、并调直。按测定位置将扁钢敷设在沟中,扁钢应侧放。

4)焊接、防腐:

依次将扁钢与接地体用电焊(气焊)焊接。扁钢与钢管连接的位置距接地体最高点约100mm。焊接时应将扁钢拉直,焊好后清除药皮,刷沥青作防腐处理,并将接地线引出至需要位置,留出足够的连接长度,以待使用。当设计无要求时,接地装置顶面埋设深度不应小于0.6m

5)测试检验、回填土:

接地体连接完毕后,应及时请监理及质检部门进行隐检核验,接地体材质、位置、焊接质量等均应符合施工规范要求,然后方可进行回填土。回填土内不应夹有石块及建筑垃圾等。回填土不应有腐蚀性,否则应换土。回填土时应分层夯实。

6) 本建筑物利用基础底梁(板)纵横轴线上不少于两根主筋通长焊接成环,同时在室外围绕建筑物周边采用40x4mm镀锌扁钢敷设成水平闭合环形接地体,共同组成接地装置。

应先按设计图尺寸标好位置,将底板钢筋搭接焊好,再将柱主筋(不少于2根)底部与底板筋搭接焊好,并在室外地面以下将主筋焊好连接板,清除药皮,并将两主筋用色漆做好标记,以便引出和检查,及时请质检部门进行隐检并做好记录。

引下线暗敷设

1)将作为引线的柱主筋的搭接接头进行电焊连接。

2)将作为防雷引下线的柱主筋进行连接,柱主筋与外廓圈梁主筋进行连接,连接处应搭接不小于φ12圆钢,并进行电焊连接。

3)需与防雷装置进行连接的建筑外墙上的金属栏杆、门窗、突出屋面的金属物等,可采用圆钢或扁钢按测定位置引出,圆钢或扁钢与防雷装置钢筋应进行搭接焊接。

4)外墙测试点的高度符合设计要求,接地电阻测试点用扁钢焊接,并清除焊点的药皮。位于砌体墙内的焊点刷防锈漆,埋在土壤中的焊点刷沥青油。

均压环(避雷带)安装:

1)按设计要求及图纸标注利用结构圈梁里的主筋或腰筋,与预先准备好的约20 cm的连接钢筋头焊接成一体,并与柱筋中引下线焊成一个整体。

2)圈梁内各点引出钢筋头,焊完后,用圆钢(或扁钢)敷设在四周,圈梁内焊好各点,并与周围各引下线连接后形成环形。同时在建筑物外沿金属门窗、金属栏杆除甩出30 cmФ12 cm镀锌圆钢备用。

3)外檐金属门、窗、栏杆、扶手等金属部件的预埋焊接点不得少于两处,与避雷带预留的圆钢焊成整体。

避雷网的安装

1)将作为避雷网的圆钢一端固定在牢固地锚的夹具上,另一端固定在绞磨(或倒链)的夹具上,进行冷拉调直。

2)按设计要求进行弹线、定位,用水泥砂浆将支架稳固好,并保持平直:水平位置支架间距要均匀(不大于1000mm),拐弯处两端支架距拐角中心线距离300mm,避雷卡子与卡子盖应配套。

3)将避雷线用大绳提升到顶部,顺直、敷设、卡固、焊接连成一体。同引下线焊好。药皮敲掉,进行局部调直后,刷防锈漆及铅油(或银粉)。

4)屋顶上的突出物,如金属旗杆、透气管、爬梯等部位的金属导体必须与避雷网焊接成一体。

   5)利用屋面金属扶手栏杆作避雷带时,拐弯处应完成圆弧活弯,栏杆应与接地引下线可靠焊接。

6)屋顶金属饰物的金属板应与避雷网可靠连接;金属层下如有可燃物,金属板厚度不应小于下列值:钢板δ≥4mm;铜板δ≥6mm;铝板δ≥7mm

7)在变形缝处应作防雷跨越处理。

等电位联结的做法

本工程进行总等电位联结:总等电位端子箱设在变配电所电缆夹层内,将建筑物的保护干线、设备管道进进出户总管、建筑物大型金属构件等均进行连接。总等电位联结均采用各种型号的等电位卡子,与金属管道连接。在卫生间采用局部等电位联结;等电位联接按国家建筑标准设计《等电位联接安装》02D5012

总等电位联结应通过进线配电箱近旁的总等电位连接端子板将下列导电部分相连通:

--进线配电箱的PEPEN)母排;

--公用设施的金属管道,如上、下水,热力、煤气等管道;

--如果可能,应包括建筑物金属结构;

--如果作人工接地,也包括其接地极引线;

建筑物每一电源进线都应作总等电位联结,各个总等电位联结端子板应互相连通。

2)卫生间局部等电位联结的做法(如附图所示)

等电位接地端子板应连接卫生间内的金属管道、金属构件。户内等电位连接,需加盖板及接地标识。

 

3)等电位联结的要求

a金属管道的连接处一般不需加接跨接线;

b给水系统的水表需加接跨接线,已保证水管的等电位联结和接地的有效;

c等电位联结内各联结导体间的连接可采用焊接,焊接处不应有夹渣,咬边,气孔及未焊透情况;也可采用螺栓连接,应注意接触面的光洁,足够的接触压力和面积;也可采用熔接,在腐蚀性场所应采用防腐处理;

d当等电位联结线采用钢材焊接时,应采用搭接焊并应满足如下要求:

.扁钢的搭接长度应不小于其宽度的二倍,三面施焊(当扁钢宽度不同时,搭接长度以宽的为准);

. 圆钢的搭接长度应不小于其直径的六倍,双面施焊(当直径不同时,搭接长度以直径大的为准);

.圆钢与扁钢连接时,其搭接长度应不小于圆钢直径的六倍;

.扁钢与钢管(角钢)焊接时除应在其接触部位两侧焊接外,并应焊以由扁钢弯成的弧形面(或直角形)与钢管(或角钢)焊接;

. 当等电位联结线采用不同材质的导体连接时,可采用熔接法进行连接,也可采用压接法,压接时压接处应进行热搪锡处理;

等电位联结用的螺栓、垫圈、螺母等应进行热镀锌处理。

4)等电位联结导通性的测试

等电位联结安装完毕后应进行导通性测试,测试用电源可采用空载电压为424V的直流或交流电源。测试电流不应小于0.2A。当测得等电位连接端子板与等电位联结范围内的金属管道等金属体末端之间的电阻不超过时,可认为等电位联结是有效的。如发现导通不良的管道连接处,应作跨接线,在投入使用后应定期作测试。

质量标准

1)主控项目:

a 人工接地装置或利用建筑物基础钢筋的接地装置必须在地面以上按设计要求位置设测试点。

b测试接地装置的接地电阻阻值必须符合设计要求。

c防雷接地的人工接地装置的接地干线埋设,经人行通道处的埋深不应小于1m,且应采取均压措施。

d暗敷在建筑物抹灰层内的引下线应有卡钉分段固定;明敷的引下线应平直、无急弯,与支架焊接处防腐、油漆无遗漏。

e当利用金属构件、金属管道做接地线时,应在构件或管道与接地干线间焊接金属跨接线。

f建筑物顶部的避雷针、避雷带等必须与顶部外露的其它金属物体连成一个整体的电气回路,且与避雷引下线连接可靠。

2)一般项目:

a避雷针、避雷带应位置正确,固定点、支持件间距均匀、固定可靠,每一个支持件应能承受大于49N5kg)的垂直拉力(可使用弹簧称测量)。避雷网规格尺寸和弯曲半径正确。

b 接地线焊接处的焊缝应平整、饱满,无明显气孔、夹渣、咬肉等缺陷。螺栓连接紧密、牢固,有防松措施。

当设计无要求时,接地装置的材料采用为钢材,热浸镀锌处理,尺寸符合下表规定:

 

 

种类、规格及单位

 

敷设位置及使用类别

地上

地下

室内

室外

交流电流回路

直流电流回路

圆钢直径(mm

6

8

10

12

扁钢

截面(mm2

60

100

100

100

厚度(mm

3

4

4

6

角钢厚度(mm

2

2.5

4

6

钢管管壁厚度(mm

2.5

2.5

3.5

4.5

 

c 接地体位置正确,连接牢固,埋设深度距地面不小于0.6m

d接地线在穿越墙壁、楼板、和地坪处应加套钢管或其他坚固的保护套管,钢套管应与接地线作电气连通。

e设计要求接地的幕墙金属框架和建筑物的金属门窗,应就近与接地干线连接可靠,连接处不同金属间应有防电化学腐蚀的措施。

 

 

 

图纸目录:

25#楼:

暖卫专业:设施1~设施40

电气专业:电施1~电施36

74#楼:

暖卫专业:设施1~设施31

电气专业:电施1~电施30

 

 

施工组织设计

1、概况

1.1工程简介

    中心渔港一期工程位于舟山本岛普陀山浦东西两侧。

1.1.1工程内容

1)中心渔港:300-500吨级浮码头栈桥四条(3#栈桥140.5*64#栈桥

136.5*65#栈桥137.1*66#栈桥133.3*6),8个撑墩。

2)渔政东海基地:千吨级固定码头一座(平台104.0*101#栈桥165.5*6

米),浮码头2#栈桥148.1*63个撑墩。

1.1.2工程结构

1)引桥结构:靠岸的九跨采用Ф800mm钻孔灌注桩基础,每个排架2根,排架间距为9.5-10;其余靠海打桩船能进入的地方采用600*600mm预应力钢筋混凝土空心方桩。桩上为现浇横梁,横梁上搁置预制空心大板。

2)撑墩结构:采用600*600mm预应力钢筋混凝土空心方桩基础,每个

撑墩4根桩,上部结构为现浇墩台结构。

3)码头结构:1000吨级码头采用高桩梁板结构。总长104,分为各52

米的2个结构段,宽10,桩基为600*600mm预应力钢筋混凝土空心方

桩,排架间距7,每个排架4根桩,桩上为现浇横梁,横梁上搁置纵梁,

面板为叠合板。平台前沿设置人员上落的踏步平台及固定钢爬梯。

 

1.1.3主要工程数量表

    根据投标文件,本次投标的主要工程数量见下表:

主 要 工 程 量

序号

工程项目

单位

工程数量

中心渔港

东海基地

合计

1

钻孔桩工作平台

m2

1754

875.8

2629.8

2

钻孔桩钢护筒埋设

t

22.234

11.12

33.354

3

水上钻孔灌注桩成孔

m

2255

1160

3415

4

800mm钻孔灌注桩(C30)

/m3

72/1347.8

36/729.28

108/2077.1

5

800mm钻孔灌注桩钢筋

t

84.528

42.266

126.794

6

600*600预制方桩(C45)

m3

949.78

1115.83

2065.61

7

预应力方桩施打

88

108

196

8

现浇纵横梁(C30)

m3

497.52

768.66

1266.18

9

现浇混凝土板及板接缝

m3

54.31

63.11

117.42

10

现浇码头及引桥面层

m3

525.7

416.5

942.2

11

现浇引桥墩台

m3

106

26.5

132.5

12

现浇护轮坎

m3

62

48.3

110.3

13

现浇撑墩

m3

280.75

105.28

386.03

14

制安靠船构件

/ m3

 

16/19.76

16/19.76

15

制安水平撑,剪刀撑

/ m3

 

18/22.82

18/22.82

16

制安纵梁

/ m3

 

56/181.8

56/181.8

17

制安空心板

/ m3

 

130/174.46

130/174.46

18

制安空心大板

/ m3

224/989.96

132/572.4

356/1562.36

19

预应力钢筋

t

110.062

122.467

232.529

20

预制件钢筋

t

181.283

163.945

345.228

21

现浇钢筋

t

85.821

87.766

173.587

22

150KN系船柱

9

9

18

23

预埋铁件

t

8.397

9.449

17.846

24

橡胶支座

936

546

1482

 

1.1.4施工技术标准

本工程施工中的所有材料、设备、工艺和施工质量均符合如下技术规范的要求,施工组织设计的编写遵循施工技术规范和工程质量检验评定标准,    本工程施工及验收应遵循的主要施工技术规范和验收标准如下:

1)交通部《水运工程混凝土施工规范》(JTJ268-96);

2)交通部《水运工程混凝土质量控制标准》(JTJ269-96);

3)交通部《港口工程地基规范》(JTJ250-98);

4)交通部《高桩码头设计与施工规范》(JTJ291-98);

5)交通部《港口工程质量检验评定标准》(JTJ221-98);

6)国家和地方政府颁布的有关技术法规和规范。

    在工程施工期间,如上述标准或规范有修改或重新颁布业将遵循执行。

1.2、自然条件

1.2.1气象

工程位于舟山本岛,地处纬度地带,属北亚热带季风海洋性气候。冬季受蒙古高压的控制,盛行偏北和西北风;夏季盛行温热的东南风。

该地区常风向为NSE,频率为11%;其次为NWNN向,频率为9%。实测最大风速为18m/sESESSENW)。多年平均风速为3.97m/s

1.2.2水文

码头处的潮汐变化过程属于不规则半日潮型,港域内潮流呈往复流,涨潮由东南向西北,落潮由西北往东南。涨潮流速大于落潮流速,潮流流向与水道走向一致。

    设计高潮位:+1.96m

    设计低潮位:-1.65m

    极端高水位:+2.92m

    极端低水位:-2.31m

根据舟山市水文站提供的高程基准面资料,85国家基准面在定海潮站基准面以上7.538m

码头位置处的波要素是:H1%=1.74mHs=1.15m,波向135°,波长21.9m,原始波向SE

1.2.3地质

根据所提供的设计图纸的说明,工程区的地质情况,其土质分为7个地质单元体:

1)淤泥:层厚度约为0.3-1.4m,土层压缩性大,物理力学性质较差,不能作为基础持力层。

2)淤泥质粉质粘土:层厚度约为13.6-36.7m,顶板标高约为1.2-8.7m,土层压缩性大,含水量较高。

3)粘土:层厚度约为13.1-14.7m,顶标高约为-22.6- -23.5m,该土层的地基承载力较高,但土层分布不均匀,大部分钻孔中未见该土层。

4)粉质粘土:层厚度约为5.4-42.2m,顶标高约为-19.9- -38.5m,土层分布较为均匀,地质承载力较高,是桩基的持力层。

5)砂层:以中细砂、中粗砂为主,层厚度约为0.7-3.7m,顶标高约为-31- -45.6m,分布不均匀,多夹在粉质粘土中。

6)粘土混砂砾、砂砾混粘土及碎石土层。

7)风化基岩(J3):棕红、肉红色,钻进厚度约为1.4-2.4m,顶标高约为-42.2- -43.5m

2、施工总体安排

根据本工程的结构型式和现场的施工条件,总体施工安排上作如下考虑:分两部份,采用二种不同的施工工艺,基本上同时进行施工。

一、陆上施工部分

1.施工范围:

11~6#栈桥的全部钻孔灌注桩。

2)上述桩的现浇横梁。

31~6#栈桥的全部预制空心大板。

41~6#栈桥的全部现浇面层砼。

2.施工顺序:

 

 

 

 

 

 

 

 

 

 

 

3、主要施工方法:

1)施工作业平台搭设

平台采用支撑在钢管桩上的型钢横梁、纵梁、木板面层结构,宽度6,长度满足各栈桥施工作业需要。同时搭设两座平台。搭设方法:用兵15~25吨履带吊机吊加30KW电动振动锤,由岸向海逐跨搭设。

2)钻孔灌注桩施工

每座平台上二台钻机,由海向陆逐跨施工,下钢筋笼和浇注砼既可以用钻机的起重设备,又可用吊机辅助作业。

3)横梁浇注

紧跟桩基逐跨施工,利用平台纵、横梁悬吊底侧模,人工手推车浇注砼。

4)空心大板预制

在海堤后方的陆上适当位置建设临时预制场。

5)空心大板安装

用贝雷片组装成双导梁架桥机,由岸向海逐跨安装。

二、水上施工部分

    1.施工范围

1)全部预应力钢筋混凝土空心方桩的沉桩。

21#~6#栈桥方桩基础的横梁施工。

3)全部撑墩的施工。

4)千吨级固定码头的施工。

2、施工方法

与常规的码头施工相同。

以上总体施工安排的优点是:两部分同时施工,互不影响,有利于缩短工期。缺点是:投入较大。无论是设备和管理力量的投入都比较大。但我单位有足够的设备和管理能力,实施上述施工方案,总工期可以缩短21天。

3、施工总流程图

3.1.钻孔灌注桩基础栈桥施工流程图

 

 

 

 

 

 

 

 

 

 

 

 

 

 

 

 

 

 

 

 

3.2.千吨级码头施工流程图

 

 

 

 

 

 

 

 

 

 

 

 

 

 

 

 

 

 

 

 

 

 

4、主要工程项目施工方法

4.1施工测量及试验和试验设备

4.1.1施工基线和水准点的布设

根据业主提供的平面控制点和高程控制点,在施工区域内布置并测设施工基线和水准点,程序如下:

1)复核业主提供的平面布置控制点和水准点;

2)布置并测设施工基线和水准点,基点布设在通视良好,不易被干扰和损坏的地方并能有效覆盖整个施工区域。考虑到施工现场情况,基点用混凝土墩做成(混凝土墩下打木桩做基础),点位以十字铜头标记,并设置明显的保护标志;

3)整理测量报告和绘制施工测量平面图,报工程师审批,

4)施工期间定期对基线及水准点进行复核。

4.1.2测量仪器

名称

型号

数量

产地

全站仪

TC2002

1

瑞士

经纬仪

T2

4

瑞士

水准仪

N3

2

瑞士

4.1.3测量精度控制

1)施工基线方向的允许角度误差值为12秒。

2)施工基线长度的允许误差值为1/10000

4.1.4试验和试验设备

本工程在进场后临时设施建设时,设立现场实验室,面积约80m2(见施工总平面布置图)

工地实验室配备足够人员,实验室工作人员均要有相应资质和上岗证。     工地实验室为检验工程所用原材料及混凝土施工质量控制而设立,主要试验项目及配备检测设备仪器见下表:

 

 

 

 

 

 

 

 

 

 

 

 

 

 

 

 

 

主要试验项目及配备检测设备仪器表

名称

检  测  项  目

主要设备名称

 

 

 

 

 

 

 

 

 

 

 

 

 

 

 

标准稠度和凝结时间

标准稠度和凝结时间测定仪

安定性

雷氏夹

细度

负压筛

比表面积

比表面积测定仪

胶砂强度

标准试模4*4*16

比重

比重瓶

钢材

力学性能及拉弯性能检测

万能材料试验机

焊接性能

万能材料试验机

表观密度及堆积密度

李氏比重瓶及测量筒

颗粒级配筛分

摇筛机及分析筛

含泥量及有机质含量

玻璃器皿

碎石

粒径级配

分析筛

针片状含量

石针、片状规准仪

压碎指标

压碎指标测定仪

含泥量及泥块含量

玻璃器皿

表观密度及堆积密度

比重瓶及测量筒

混凝土

混凝土配合比设计

搅拌机、试模、压力机

混凝土3d28d抗压强度

抗压强度试模

坍落度

坍落度筒

初(终)凝时间

电动阻力贯入仪

含气量

含气量测定仪

保护层厚度

探测仪

其他

抗渗、砂浆试模、维勃稠度仪,标准养护室、电动取芯机等

 

    实验室内设置力学性能,物理性能,水泥试验检测室,混凝土配合比搅拌成型室,标准养护室,样品储藏室和办公室。

在建立工地实验室的同时,选取1-2家具有CMA认证资质的检测单位,并申报监理工程师批准后,作为工地实验室的补充,进行工地实验室不具备检测条件的项目检测。如减水剂性能测试,必要时进行砂中氯离子含量测定及钢材的化学分析等。

所有结构用料运到现场后,均要按规范频率和数量抽检,取样及检测过程配合监理工程师执行见证取样规定,所有试验项目在自检的同时执行监理工程师的平行抽检的指令或规定。

 

 

 


   4.2.钻孔灌注桩基础栈桥施工

  本工程一共有六座栈桥,由东向西方向分布分别是1#~6#栈桥。接岸段总工程量如下:φ800水下灌注桩106根;岸上空心板预制及安装348块,其中。栈桥施工包括:钻孔灌注桩平台施工、钻孔灌注桩施工、现浇横梁施工、陆上预制空心板、陆上空心板安装、现浇面层砼施工六分项工程。六座栈桥由东向西方向施工,每两座为一个工作段,共分为三个工作段。下一个工作段的施工等上一个工作段的施工材料回收后再进行。每座栈桥的施工流程如下:

钻孔灌注桩平台施工   

   钻孔灌注桩施工

现浇横梁施工

陆上预制空心板  陆上空心板安装 

   现浇面层砼施工

  

 

 

 

 

4.2.1.钻孔灌注桩平台施工

钻孔灌注桩施工平台搭设的施工工艺流程图如下:

 

 

 

沉钢管桩

 

支架搭设

 

支架焊接

 

模板铺设

 

栏杆焊接

      

  根据现场环境的勘测,钻孔灌注桩的施工场地处于浅滩上,而浅滩面上2~3m为淤泥层,不能支承施工机械及施工时的荷载。因此,在钻孔灌注桩施工前,先采取震动下沉φ400钢管桩作为支承桩,【20槽钢作支架,50mm厚的木板作面板搭设施工平台,作为钻孔灌注桩的施工工作面用。而钢管桩长度的确定,由于在投标图纸总说明当中,地质勘测中第二个单元的土体没有具体标明土层标高等详细的情况,目前钢管桩的长度暂时按照10~12m设计,在施工当中如遇到不满足要求的情况再作加长。1#~6#栈桥的结构形式基本相同,在施工方案中就不一一列举,现以3#栈桥为例,说明其具体的施工方法。

    a.测量放线

  首先要设定施工平台的顶面标高。3#引桥中最高的钻孔灌注桩桩顶标高为+2.50m,现浇横梁的最高点为+3.85m,根据施工方便的原则,设定3#引桥的面标高为+3.85m,设定此标高是因为在钻孔灌注桩以及现浇横梁的施工中,需要有如履带吊机,及钻孔桩机等机械在走动,施工平台太低,会造成钻孔灌注桩的桩头或预留钢筋高出施工平台而对施工造成影响。而施工平台太高,又会因高差大对钻孔灌注桩及现浇横梁施工带来不便。实际测量时用经纬仪定向,水准仪控制标高。        

b.沉钢管桩

  根据测量所放样所定出的方向及位置,采用履带吊机加电动震动锤从岸边开始将10~12mφ400钢管桩沉入土中。用水准仪控制,沉至设定的标高时,检查单桩的承载力是否能满足施工荷载的要求,如不满足,则接桩再打,满足则进行下一根桩的施工。钢管桩的中心间距为4.0m,每跨长度为5.0m3#引桥φ400钢管桩沉桩顺序见下图:

  c.槽钢支架搭设及焊接

  每一排钢管桩上安放背靠背焊接起来的[20槽钢横梁,槽钢与钢管桩要紧密接触,然后焊接,如接触不平整还需在钢管桩面上先焊接一块钢板再安放槽钢横梁,槽钢横梁长度为6~6.5m。横梁焊接好后,在横梁上按照0.75~1.0m的间距安装[20槽钢纵梁,纵梁与横梁接触点要电焊机焊接。在主要的干道上,纵梁要用2~3根槽钢安装。

  d.模板铺设及栏杆焊接

  整个支架成型以后,为了便于人员的行走和安全通过,在纵梁的面上铺设50mm厚木板,在横梁上焊接小钢管及挂上安全网。每沉桩一跨,就安装一跨的槽钢支架,铺摊一跨的厚木板,如此循环,直到满足最离岸一根钻孔灌注桩可以施工为止。到此,整个施工平台的施工就算完成,在整个施工的过程中,测量人员要是始终控制好施工平台施工的方向及标高,防止位置的偏移。施工平台的施工进度按照10m/天计算,一座施工平台要在10天内完成,钻孔灌注桩施工平台施工简见下图:

    4.2.2.钻孔灌注桩施工

  4.2.2.1.钻孔灌注桩的施工工艺流程如图:

    

 

 

 

 

 

 

 

 

 

 

 

 

 

 

 

 

 

 

 

 

 

 

 

 

 

 

 

 

 

 

 

 

 

 

 

 

 

 

4.2.2.2施工方法

a.护筒埋设

  钻孔桩护筒采用3mm厚钢板制作,高3~4m,直径为设计桩径+0.02m,护筒埋设高出桩顶60cm以上,并保证护筒底部低于淤泥层底标高。钢护筒采用震动锤震动埋设的施工方法,埋设要保持垂直,桩位钢护筒中心与桩中心偏差不大于50mm,护筒斜度偏差小于1%

  b.泥浆池设置

  泥浆循环池布置根据现场施工场地情况,沿引桥两侧边布置,由钢板焊接形成,泥浆处理池由泥浆池和沉淀池组成,形成泥浆循环系统。因钻孔灌注桩数量不多,钻孔桩施工时,对沉淀池中沉渣及灌筑砼时溢出的废弃泥浆及时用手推车运至允许的弃土区,严防泥浆溢流污染海面。

   c.泥浆配制泥浆系统:

  根据每孔的实际量确定泥浆池及废浆池的容量,该工程采用每台机用一个循环池,泥浆采用原土造浆,遇砂层等不良层时,加适当膨润土造浆。制备的泥浆应满足下述要求:

    粘度:一般地层1622S,松散砂层1928S

    含砂率:新制泥浆小于4%,循环泥浆不大于8%

    胶体率:不小于90%

    PH值: 810

    比重:粘性土中,泥浆比重1.11.2kg/L,砂土和较厚的夹砂层为1.21.3,砂卵石层为1.31.5,清孔泥浆比重为1.15kg/L

      d.成孔及清孔:

  根据我单位施工经验及现场情况,采用TXB-1000A型回转钻机带动笼式合金钻头成孔,在正常的施工条件下,1~1.5天可以完成一根钻孔灌注桩的成孔及清孔工作,在施工过程中,一座引桥采用两台钻机,按先离岸后近岸的顺序施工。

钻机安装就位后,底座和顶端应平稳,不得产生位移。顶部的起吊滑轮缘、转盘中心和桩孔中心在同一铅垂线上,其偏差不得大于20mm,以确保钻孔桩垂直度误差小于或等于0.5%HH为桩长)的要求。                                                                                                                                                    

  正式钻进前,先启动泥浆泵,使之空转一段时间,待泥浆输入孔口一定数量后方可正式钻进。开始钻进时,应控制进尺速度及钻压,采用低压慢进措施,待钻至护筒下1m后,再以正常速度钻进。

  钻进速度根据土层类别、钻孔深度、供水量确定,对淤泥钻进速度不宜大于1m/分钟,以不超负荷为准。成孔须一次完成,中间不能间断施工作业,成孔完毕至灌注砼的间隔时间不能大于24小时。在成孔施工过程中应勤测泥浆比重,并定期测定粘度、含砂量、胶体率和稳定性,并应经常注意土层变化。

  当钻孔距设计标高1m时,注意控制钻进速度和深度,防止超钻,并核实地质资料,判断是否达到设计要求的地层。钻孔到设计深度后,应对孔深、孔径和孔形等进行检查,检查合格后通知监理等有关各方进行终孔验收签证,验收合格后应立即进行清孔工作。  

  成孔至设计深度后,采用钻头在孔底空钻的方法进行第一次清换孔内泥浆。由于本工程粘土层较厚,成孔时应调整泥浆的粘度及比重,(粘度1622S、比重1.11.2)根据现场踏勘情况,局部地区位于在淤泥层下有夹层存在,主要是以碎石、块石为主,夹有中粗砂、粉砂,成孔过程中应加以注意,如果遇到这种情况则需要调整泥浆的粘度及比重(粘度1928S、比重1.31.5)。如果钻进困难,应采用冲锤处理。

  e.钢筋笼制作安装

  钢筋笼制作在现场进行,钢筋笼成型后采用吊机配合载重汽车吊运至相应桩位进行吊装就位。

  制作:钢筋笼纵筋下料,应按钢筋笼大样图尺寸要求,驳接时焊口必须符合规范规定,应按规范错开(同一截面内的接口不超过总数50%)。加劲箍筋焊接成闭合的圆箍,且应设在纵向钢筋的内侧,并与纵向钢筋的交接点全部焊接牢固,以便其真正起到加劲钢筋的作用,使钢筋在运吊中避免产生不可恢复的变形。螺旋箍在纵向钢筋的外侧,其焊接应均匀,间隔距离符合设计和规范要求。控制平整度误差不超过50mm。钢筋笼成型后应经有关人员验收合格方可安装。吊装钢筋笼的桩孔,应预先清理干净,并标出定高度。钢筋笼入孔后,应按其保护层厚度要求调正固定,使其在灌注砼时,不移动不上浮。钢筋笼制作的允许偏差应满足规范要求。

  吊装:吊装钢筋笼入孔时,不得碰撞孔壁。灌注砼时,应采取措施,校正设计标高固定钢筋位置。为了便于运吊和避免钢筋笼产生较大的变形,钢筋笼过长,可采取分段接驳的方式,上下节拼接时,主筋采用单面搭接焊,搭接长度为10d

  f.砼灌注:

  采用自制的螺纹接头法兰导管浇筑水下砼。砼由陆上搅拌站搅和,手推车运输,砼坍落度1822cm,砼面上升速度大于2m/h,埋管深度为26m,严禁埋管过深和灌浆管拔出砼面,并做好试件留样工作并按标准条件养护,以备试验用。 

  桩体水下混凝土采用425#普通硅酸盐水泥,粗骨料采用碎石,其最大粒径不大于导管内径的1/61/8和钢筋净距的1/4,同时不大于40mm,细骨料采用中砂。混凝土的配制强度应大于设计强度15%,混凝土的含砂率4050%,水灰比采用0.45,为使混凝土拌合物有良好的和易性,在运输和灌注过程中无显著离析、泌水,其塌落度取1822cm(以孔口检测的指标为准)。每立方米混凝土的水泥用量不小于360kg,宜掺外加剂。

  灌注水下砼是确保成桩质量的关键工序,灌注前应做好一切准备工作,保证砼灌注连续紧凑地进行。单桩砼灌注时间不应超过6小时,上升速度不小于2m/h。砼灌注用导管直径250mm,壁厚大于5mm,导管第一节管大于6m,标准节长度2m。导管应全部安装在桩孔内,安装位置居中,导管底端距孔底0.30.5m。隔水塞用混凝土预制或袋装砼,用铁丝悬挂于导管内。砼灌入前应先在储料斗内灌入少量水泥砂浆,然后再灌注砼,等储料斗内初灌砼足量后,方可截断隔水塞的导结钢丝,将砼灌注孔底。砼初灌量应能保证砼灌放后,导管埋入砼深度不少于1.0m

  砼灌注过程中导管应始终埋在砼中,严格控制导管不能提出砼面。导管埋入砼面以下的深度保持在24m之间,最小埋入深度不得小于1m,最大埋入深度不大于6m。导管应勤提勤拆,一次提留拆管不得超过6m。砼灌制中应防止钢筋上浮。砼实际灌注高度应比设计桩顶标高高出0.6m,以确保桩顶砼能符合设计强度要求。

  必须对每一根桩做好一切施工记录,每根桩留取混凝土抗压强度试件2组,并提交试验结果,整理好资料提交给监理工程师。

  4.2.2.3施工布置及施工机具配置

  施工布置

  a.钻孔桩施工分二个桩机组施工,每个桩机组2台桩机。第一桩机组负责1#3#5#栈桥,共50根桩,第二桩机组负责2#4#6#栈桥,共56根桩,每座栈桥在施工平台搭设完成后,由海侧向岸侧逐根施工钻孔灌注桩。

  b.泥浆池在施工平台两侧布置,钢筋笼加工场地设于岸边空地,施工平台留出施工便道。

主要施工机具如下表所示:

名  称

用       途

规  格

1

钻桩机

成孔

施工

TXB-1000A

台套

4

2

泥浆泵

3PNL

6

3

电焊机

钢筋笼制安

ZX5BX1

3

4

钢筋切割机

CT14-40

1

5

钢筋弯曲机

H-400

1

6

灌浆导管

砼浇筑

Φ250mm

4

7

砼料斗

1m3

4

8

吊车

8t

1

9

柴油发电机

200kW

台套

1

10

其它机具

根据施工需要配备

 

  因为施工的工期较紧,每座引桥的钻孔灌注桩数量为16~20根,目前按照每台两天一根桩的速度计算,两台钻机20天可完成一座引桥的施工。

  4.2.3.现浇横梁施工

  1#~6#栈桥的现浇横梁一共有60根,其编号及断面尺寸如下表:

 

             陆上现浇横梁数量分类表

横梁编号

断面尺寸

数量

C30砼方量

ZHL2

500*650/1200*900*6000

54

111.24

ZHL3

500*650/1200*900*7000

6

14.40

合计

 

60

125.64

       

  现浇横梁施工工艺流程如下:

     桩头凿除 模板安装 钢筋绑扎 砼浇注

   

模板拆除               

 

  a.钻孔灌注桩桩头头凿除

  在钻孔灌注桩强度达到100%后,就可以进行桩头凿除的施工,为保证桩头凿除完后桩顶的砼强度符合设计的要求,而且桩头凿除的工程数量不大,采取人工凿除的施工方法,凿除后的桩顶标高以伸入横梁5cm控制。

  b.现浇横梁模板制安

  在桩头凿除及清洗完之后,可进行横梁模板的安装。横梁模板采用悬吊散拼的形式,直接计算横梁的标高及平面位置尺寸后,在钻孔灌注桩施工平台的纵梁上用【20槽钢焊接现浇横梁的立柱及底梁。支架焊接完成后先拼装底板及侧板,模板拼装后要调整至规范允许的范围内,两端的封头板要等钢筋绑扎完成后才能安装。

  c.钢筋开料及绑扎

  钢筋开料在岸边的加工场地进行,开料时严格按照施工图纸施工,由于与钻孔桩同时施工,为防止材料的混乱,开料后马上做好标示或用轻便运输工具运往现场。

  模板安装经监理验收通过后,开始钢筋的绑扎。由于现浇横梁的钢筋都比较简单,施工时主要是要注意钢筋的数量及预埋件的安装位置。

  d.现浇横梁砼浇注

  钢筋绑扎通过验收后,开始砼的浇注。由于现浇横梁的砼方量不大,现浇横梁砼的搅拌与陆上预制空心板统一安排,砼采用手推车运至现场浇注,为保证砼的质量,整个砼浇注过程中相关各工种要有人现场值班。

  e.现浇横梁的砼强度达到75%后,横梁的模板就可以拆除,每拆除完一根横梁的模板后,履带吊机配合震动锤开始回收该跨的施工材料。

  现浇横梁模板拼装见下图:

  

 

 

 

 

 

 

 

 

 

     4.2.4.引桥空心板预制

    六座引桥的空心板预制共348块,其中钻孔灌注桩上部安装的数量为216块,具体的规格及数量如下表: 

构件编号

数量

结构尺寸

KB1

116

(1420/1470)*550*9500

KB2

116

(1400/1500)*550*9500

KB1

12

(1420/1470)*550*9460

KB2

12

(1400/1500)*550*9460

KB3

2

(1420/1470)*550*3360

KB4

2

(1400/1500)*550*3360

KB5

22

(1420/1470)*550*9000

KB6

22

(1400/1500)*550*9000

KB5

12

(1420/1470)*550*8960

KB6

12

(1400/1500)*550*8960

KB7

2

(1420/1470)*550*4210

KB8

2

(1400/1500)*550*4210

KB9

2

(1420/1470)*550*6610

KB10

2

(1400/1500)*550*6610

KB11

2

(1420/1470)*550*4910

KB12

2

(1400/1500)*550*4910

KB13

2

(1420/1470)*550*3610

KB14

2

(1400/1500)*550*3610

KB15

2

(1420/1470)*550*4210

KB16

2

(1400/1500)*550*4210

合计

348

 

   

    预制场地选择

  根据现场的地形及六座引桥的分布,5#~6#引桥与1#~4#引桥没有施工道路相连,因此选用两个施工场地作为空心板的预制,1#预制场地预制1#~4#引桥的空心板,2#预制场地预制5#~6#引桥的空心板。两个预制场地都设于靠近道路的某个合适场地上。

  由于预制构件的数量较多,预制构件的周转期需要10天左右,为满足施工的进度要求,1#预制场地配置10条的生产线,每条生产线可施工4~5块的空心板。2#预制场地的数量可以减半,每个预制场地配置有各自的钢筋加工场、模板加工场及搅拌设备。空心板预制的施工流程及机械设备配置如下:

 

模板制作     混凝土拌制

¯          ¯

钢筋加工绑扎®模板安装®混凝土浇注®养护、转堆

 

 

主要机械设备如下:

  拌和系统:四台0.4m3自落式混凝土搅拌机;

  手推车20台;

  15t轮胎吊机一台;

  15t平板车二辆;

  风电焊、D40插入式振捣棒等配套设施;

  a.  钢筋

  钢筋在车间开料加工好,运送到现场,直接在底模上绑扎成形。

  b.  模板

  底模:底模采用C20混凝土结构,四周边上铺设φ20mm左右的透明软塑料管作止浆用,防止构件裙脚漏浆。底模两侧预埋[10槽钢作侧模支撑用。如下图:

  侧模及封头板:侧模全部采用整片式钢模板或定型钢模板拼制,中间空心部分采用冲汽胶囊内胆形成,冲汽胶囊由厂家定做。端头有冲汽胶囊部分采用木模板。加工套数为6套。

  脱模剂:采用柴油、石腊、滑石粉按一定配合比混合而成。

  c.  混凝土浇注

  混凝土由拌和机供应,手推车运送到现场。混凝土入仓根据各构件特征,制作手推车的上料支架,砼直接用手推车入仓。D40插入式振捣棒振捣密实,人工抹面。

  构件面上按设计要求需凿毛处理。处理方法为:在已浇注完成的砼面上涂刷缓凝剂,在适当的时间砼初凝后,用高压水枪冲涮混凝土表面,至露出骨料而成毛面,但应确保骨料不松动或掉落。当上述方法处理效果不满意时,人工凿毛加以补充。混凝土浇注完后,洒淡水潮湿养护14天。

  e.  构件转堆

  构件混凝土强度达到设计强度的70%后,即可进行转堆作业,转堆用45t汽车吊机将构件吊到平板车上,到堆场后再由20t汽车吊机堆放。采用多点支垫,堆高3~4层。堆放时做好标示,便于安装时出运,堆场场地应平整并压实。

  空心板预制每天完成3~4块,四个月内全部完成。

  4.2.5.陆上空心板安装

所有陆上安装的空心板都在陆上预制场地预制。在现浇横梁及预制空心板的强度达到100%强度满足设计要求后,即可进行预制空心板安装工作。由于重量最大的空心板约11.5t,安装采用拼装20吨双导梁式架桥机施工,配以龙门吊和运梁平车。安装施工时,注意构件规格及位置的准确性,避免返工情况的出现,空心板的安装应符合图纸及规范范的要求。

a.空心板安装的施工流程如下;

 

 

 

 

 

 

 

 

 

 

 

 

 

                                              

 

 

 

 

   

    b.安装方法

    引桥空心板采用20吨龙门吊及20吨双导梁架桥机配合安装。导梁移至安装跨后,将中、后支墩的行走轮系统转向90度,放下前支墩。空心板用轮胎吊及20t平板车运至引桥根部,通过龙门吊将空心板置于运梁小车上,沿轨道将梁运到安装跨的后方,然后由架桥机上的平车起吊空心板通过架桥机导梁移至安装跨,安装的位置由横移小车控制,确定位置准确后安装。如此重复,安装完一跨后,中、后支墩行走轮系统转向90度,前移导梁至下一安装跨。导梁前移时,将上横梁等移至后端,并加平衡压重,收起前支腿缓慢前行,以确保安全。加长铺设运梁小车轨道,进行下一跨的安装工作,直至全部安装完成。

桥侧最外边梁安装由于位于架桥机导梁下,无法一次性安装就位,且受梁间距影响,施工时须先将最外边梁安放,然后进行滑梁、横移安装就位后,才进行中梁一次性安装。空心板安装示意图如下:

4.2.6.现浇面层砼施工

在整座引桥的空心板安装完成后,开始进行面层砼的浇注。施工的顺序是由引桥端部向岸边施工,具体的施工方法如下:

a.清理引桥顶面:先人工彻底清除空心板顶面的施工垃圾,凿除松动混凝土、浮浆及各种油渍,然后采用高压水冲洗主梁顶面,待安装完钢筋网后,再次用高压水清洗干净主梁顶面方可浇注混凝土。

b.测量放样:首先对整个主梁顶面的实际标高进行全面的复测,以便采取措施,保证面板层厚度比较均匀一致,不小于设计厚度。测量定出模板安装高度。

c.钢筋绑扎架立砼浇注通道:按照图纸的规格和数量绑扎钢筋,超过12m的钢筋需要采取搭接的方法绑扎,搭接长度为35d。浇注混凝土前架设混凝土运输机具的通道,避免机具碾压钢筋网发生变形、变位,使钢筋网位置始终保持在距引桥面有保护层的距离,并使其在假缝的地方要连续通过。

    d.浇注混凝土:混凝土采用C30混凝土,由砼搅拌机拌制,手推车运输到现场浇筑,浇注混凝土前,对主空心板顶面淋水,在梁顶潮湿时浇混凝土:一是利于主梁于铺装混凝土紧密结合,二是对主梁降温,降低混凝土水化热减少混凝土收缩。尤其夏天,除对砂石淋水降温外,避开酷暑时间而选择在傍晚时候开始浇注混凝土,同时搭设好防雨遮荫棚。混凝土采用 f30插入式振动棒与平板振动器交叉振捣密实。

 


4.3.构件预制

4.3.1 预应力方桩预制

    本工程的桩基础除栈桥部分的钻孔灌注桩外,尚采用C45600mm×600mm预应力空心钢筋混凝土方桩,2065.61m3/196根。其中渔政东海基地一期工程,在栈桥深水区撑墩和千吨级码头上,共1115.83 m3/108根;中心渔港工程,在栈桥深水区撑墩上共949.78 m3/88根。主要工程量及规格如下表:

桩长(m)

渔政东海基地一期工程

中心渔港工程

备注

桩数量()

砼方量(m3/)

桩数量()

砼方量(m3/)

 

27

8

769

8

769

 

32

8

904

2

904

 

33

8

931

2

931

 

34

19

956

2

956

 

35

7

985

6

985

 

36

13

1012

22

1012

 

37

14

1038

18

1038

 

38

5

1066

2

1066

 

39

8

10928

 

 

 

40

 

 

4

11202

 

41

2

11476

 

 

 

42

8

1175

 

 

 

43

2

1202

 

 

 

44

6

1229

 

 

 

45

 

 

16

1256

 

46

 

 

2

1193

 

47

 

 

2

1229

 

48

 

 

2

1265

 

  

a.  预制场地选择及机械设备配备

根据现场情况,预应力钢筋砼空心方桩600mm×600mm196根,安排在我单位在附近租用的专业预制场内进行预制。预制场共布置4条预应力桩生产线,每条线可使用长度为100米,可同时预制23根桩,每条线周转为3天,平均每月预制100根桩左右。详见现场预制场平面布置图。  

根据本工程实际情况,预制场拟配备以下机械设备

序号

设备名称

规格型号

单位

数量

  

1

750L

2

 

2

65t

1

方桩预制

3

16t

1

梁板和其他构件预制

4

15t

2

梁板等构件运输

5

平板汽车

5t

2

运输砼

6

装载机

3m3

2

拌和站用

7

张拉设备

4

 

b.  施工工艺流程

预应力混凝土预制方桩施工工艺流程见预制方桩施工工艺流程图图所示。

c.  施工方法

    (a)  模板工程

    模板采用定型钢底模和钢侧模。空心部分根据桩长订购直径为φ330mm的充气胶囊,预应力桩桩尖加钢桩靴。

 

 

                     钢筋加工、对焊          校核张拉机具

                                            

                        钢筋绑扎              调整初应力

                                            

                      安放钢筋骨架

清理台座 吊装侧模板                 入胶囊  施加预应力

                      及安装联合器            

                                              胶囊充气    

                                            

                                      安装桩顶、桩尖模板

                                        (安装压钢筋卡)

                                                     

水泥、砂、石、水、减水剂   搅拌砼       浇筑砼    制砼试块

                                               

                                      胶囊放气、拔出

                                          

                                        拆模、养护

                                          

        出运    转堆   脱模   编号   放松、切断预应力筋

                                              

       养护           压试块,砼抗压强度达70%

  

  为了防止胶囊在砼振捣作用下而导致上浮,沿胶囊通长方向按设计要求布置胶囊固定钢筋并与钢筋骨架固定牢固。

    模板在砼浇注前要认真检查,确保模板安装的允许偏差满足规范要求。

    在砼浇注过程中,配备木工值班,检查模板有无变形、支顶松动现象,确保模板在施工过程中符合要求。

    拆模应在砼强度能保证其表面及棱角不因拆模而受到损坏时,方可拆除(一般宜在浇注完后24小时进行,胶囊放气及拨出时间应在砼确保其不因胶囊放气而发生沉陷及出现裂缝为准),一般约在砼浇注后23小时进行。

    (b)  钢筋工程

    钢筋原材料必须有出厂检验合格证书,加工前必须按规范分批量抽样试验。检验合格后方可使用。

    主筋搭接采用闪光对焊。为了保证对焊接头质量,施焊前,必须对每个焊接工人每种钢筋的焊接产品按规范取样进行抗拉、冷弯试验,不合格者,取消其焊接资格。闪光对焊的接头应定期分批进行外观检查和机械性能检验,以保证焊接质量。

    主筋对焊后应进行冷拉加工,以便调直、除锈和提高钢筋强度,冷拉采用控制冷拉率的单控方法进行。

钢筋在车间开料加工好后运至现场绑扎成型,钢筋骨架绑扎必须注意主筋接头的面积在同一截面内不得大于主筋总面积的50%。

    (c)  施加预应力

    施加预应力采用先张法,初始张拉必须均匀加载,并调整均匀,以防止张拉钢筋受力不均匀造成断筋。为了减少预应力筋的松驰影响,采用超张拉方法进行张拉。

    张拉程序:

            放松调整            持荷2min

    0  0.6sk            0       1.05sk                sk

 

    砼浇注完成后,当砼强度达到设计强度的70%时才能放松预应力钢筋。预应力筋的放松采用楔形放松器放松的方法。

    张拉过程应做好详细记录,并提交给监理工程师审核。

    (d)  砼工程

    所需用水泥、砂、石、水、外加剂等原材料必须符合规范要求,并事先将出厂合格证、抽样试验资料提交给监理工程师验证。

    砼配合比在试验室设计试拌,并提交给监理工程师审核。

    砼由拌和站拌制,用5t平板汽车车卡放置灰罐运送至现场,吊机吊灰罐沿线连续浇注,D50插入式振捣棒振捣密实,振捣应均匀,避免漏振,并应尽量避免碰撞钢筋、模板和充气胶囊,瓦工二次抹面。

    在砼浇注过程中,充气胶囊要始终保持足够气压,内充气压大小为0.030.035Mpa

    因桩头部分钢筋较密,所以浇注桩头砼时,采用较小级配碎石的砼浇注,并用D30插入式振捣棒振捣密实,保证桩头部分砼的质量。

    砼浇注完成后及时覆盖麻袋,洒淡水潮湿养护14天。

(e)  转堆

    当桩砼强度达到70%时,放松、切断预应力钢筋后,用65t履带吊进行水平吊运转堆,起吊按设计要求采用四点吊。

    桩在堆场用方木多点支垫,堆放层数不多于三层,同一型号的桩放在一起。堆放场地应平整、坚实,避免不均匀沉降。垫木要坚实、耐用,安放时,由测量工测标高,保证各垫木顶标高在同一水平面上。

    (f)  桩出运

  当桩砼强度达到100%并经外观检查合格后方可出运。用65t履带吊将桩直接吊入停靠在出运码头旁边的1000t方驳上,425kw拖轮拖运至现场施打。

  桩出运按沉桩顺序分层装驳,装驳层数不多于三层。方驳拖运过程中采取加固措施:方驳两侧焊设封仓架,桩与封仓架、桩与桩之间采用木枋、木尖支顶牢固,避免桩在拖运过程中发生平移、倾倒事故。

d   施工进度安排

  本工程共196根预应力砼方桩,平均每月预制100根,共二个月完成。

4.3.2 码头构件预制

本工程预制构件总数212件,混凝土总量380.66m3。工程数量统计如下:

 

 

 

 

 

 

 

 

 

 

                 

序号

  构件种类

数量()

方量(m3/)

总量(m3)

1

面板B1

114

1.39

158.46

2

面板B2

6

1.34

8.04

3

面板B3

6

0.63

3.78

4

纵梁ZL1

28

3.7

103.6

5

纵梁ZL2

1

3.22

3.22

6

纵梁ZL2

1

3.22

3.22

7

边梁BL1

26

2.76

71.76

8

靠船构件KCJ1

2

1.22

2.44

9

靠船构件KCJ2

12

1.24

14.88

10

靠船构件KCJ3

2

1.22

2.44

11

水平撑SPC

14

0.63

8.82

 

 

212

 

380.66

预制场地布置

    构件预制安排在与预应力方桩同一预制场内进行,详见施工总平面布置图。

预制场机械设备配备详见预制预应力桩部分。

 

 

 

 

 

 

 

 

 

b 主要施工工艺流程及预制顺序

 

 

 

 

 

 








预制顺序按照各种预制构件安装顺序进行,即按先安装先预制的原则进行:

  

c 施工方法

   (1) 钢筋

    钢筋在车间开料加工好,运送到现场,直接在底模上绑扎成形。

(2) 模板

    底模

    底模采用C20砼结构,采用帮包底形式,四周边上铺设φ20mm左右的透明软塑料管作止浆用,防止构件裙脚漏浆。底模两侧预埋[10槽钢作侧模支撑用。   

侧模

    侧模全部采用整片式钢模板或定型钢模板拼制,端头有外露钢筋部分采用木模板。加工套数为面板8套、纵梁2套、靠船构件2套。

脱模剂

    采用柴油、石腊、滑石粉按一定配合比混合而成。

    模板装拆用16t轮胎吊机配合进行。

    3  砼浇注

    混凝土由拌和站供应,用5t平板汽车车卡放置灰罐运送至现场,浇筑时根据各构件特征,采用吊机+吊罐和人工打铲入模等方法进行,然后用D40插入式振捣棒振捣密实,人工抹面。

    构件端头有外露钢筋面按设计要求需凿毛处理。处理方法为:在该侧面的模板上涂刷缓凝剂,在适当的时间拆模后,用高压水枪冲涮混凝土表面,至露出骨料而成毛面,但应确保骨料不松动或掉落。

    当上述方法处理效果不满意时,人工凿毛加以补充。

    混凝土浇注完后,洒淡水潮湿养护14天。

    4  预埋件

    砼浇注前,应根据设计图纸和施工需要仔细设置、检查核对构件上的各种预埋件、孔洞,位置准确,安装牢固。

    5  构件转堆、出运

    构件砼强度达到设计强度的70%后,即可进行转堆作业,转堆用16t轮胎吊加15t平板车以及65t履带吊机将构件从底模转到堆场上。梁采用不设支点的单层存放,板采用多点支垫,堆高三层。堆场场地应平整并压实。

    构件混凝土达到设计强度后,方可出运安装。出运时,在堆场用16t轮胎吊装车,15t平板车运送构件至出运码头前沿,利用65t履带吊装上方驳上运至施工现场。

    d  施工进度安排

   预制构件共212件,计划51天完成。

4.4  千吨级码头施工

  4.4.1  水上沉桩

渔政东海基地一期工程共108600mm×600mm预应力钢筋砼空心方桩,其中直桩44根,斜桩64根。中心渔港工程共82600mm×600mm预应力方桩,其中直桩46根,斜桩36根。

  a.  主要船机配备

  根据本工程实际情况,本工程的桩最长为48m,最大重量约32t。根据打桩船性能及本工程水域施工条件,本工程沉桩选用我单位自有的打桩船配MB70柴油锤进行施工,运桩采用1000t方驳,425kw拖轮拖运。打桩船性能如下,能满足本工程沉桩需求。

  打桩船主要性能:

    桩船尺寸(长××高)  43.8m×20.0m×3.6

    桩架高                  53.55m

    最大桩径                管桩φ1200,方桩600×600

    最大桩长                42m+水深

    最大桩重                40t

    最大倾角                30°

主要船机配备表

序号

船机名称

   

备注

1

打桩船

53.55m高桩架

1

 

2

 

MB70

1

 

3

 

1000t ×宽:50×13.5 m

1

 

4

 

421kw

2

 

5

 

120HP

1

 

     b.  沉桩技术要求

  沉桩以标高控制为主,贯入度作为校核,当桩尖已达到设计标高而贯入度仍较大时,继续锤击,使其贯入度达到15mm/击内,且继续锤击下沉深度一般不超过1m,当桩尖距离设计标高较大而贯入度已较小,且沉桩有困难时,继续锤击20击,其平均贯入度不大于控制贯入度,但桩尖距设计标高不宜超过12m。桩锤施打过程必须重锤轻击,严格按设计提供的控制标准进行施工,如沉桩过程中出现无法满足沉桩控制标准时,应及时会同业主、监理等研究解决。

  沉桩质量检验标准为:

  基桩沉放后,直桩桩顶偏位不大于50mm;斜桩桩顶偏位不大于100mm。桩身垂直度:£1%。

  c.  沉桩顺序

  根据现场情况和工期要求结合打桩船的平面尺寸,沉桩平面施工顺序为:

 

 

 

 

 

 

 

 

 

    其中结构沉桩顺序为:先施打栈桥靠岸侧的基桩,然后往海侧逐根施打,最后施打码头平台(撑墩)基桩。详见千顿级固定码头基桩沉放顺序图。2#6#栈桥及撑墩基桩沉放顺序与千顿级固定码头基桩沉放顺序相类似,先施打栈桥基桩,然后施打撑墩基桩。

  沉桩前,应先将编制好的沉桩顺序报监理工程师审批。

  d.  船位布置

  桩船沉桩时,抛八字锚,带缆控制船横向移位,首尾抛锚带缆,控制前后移位,装桩方驳与打桩船两船纵轴线成T型布置。

  e.  测量控制

  利用设置在陆侧平行码头前沿线的基线进行打桩测量控制,采用经纬仪前方任意角交会控制。斜桩的定位标高设在施工水位以上,并尽可能接近桩顶标高,桩的平面扭角由打桩船上用六分仪对岸标进行控制。打桩时,用三台经纬仪测量控制,其中两台用于定位,一台用于校核,标高测量用水准仪。

    打桩测量程序如下:

    (1由打桩主管工程师编制打桩顺序;

    (2)  测量工程师根据打桩顺序依次计算每根桩的座标及各个测站的测量控制数据,打桩主管工程师复核测量内业计算成果,主任工程师审核。将有关资料报监理工程师审批。

    (3)  将打桩测量控制数据交给负责各测站司测的测量员进行现场测量。

    (4)  测量工程师及主管工程师在打桩船上随时对打桩测量过程中出现的问题进行处理。

     f.  沉桩要求

  (1沉桩前,先根据桩位布置图结合沉桩允许偏差,校核各桩是否相碰;

  (2)  对施工区域原有障碍物进行探明及清理;

  (3在斜坡上定位,应根据现场实际操作的情况及已有施工经验,适当确定提前量定位下桩;

  (4锤击过程中,桩锤、替打和桩应保持在同一直线上,避免偏心锤击;

  (5桩垫的材料和厚度应严格按设计要求加工制作;

  (6沉桩应尽量连续,不要中途停锤,以免土壤恢复而增加沉桩阻力;

  (7每根桩必须作好原始记录,沉桩过程中出现的任何不正常现象都作好详细记录,并及时通知业主、监理工程师研究解决。打桩完成后,应及时将该桩的沉桩记录提交给监理工程师。

    g.  夹桩

      沉桩完毕后应即时进行夹桩,夹桩采用10×15cm[12槽钢,纵横夹桩,将单个墩台的桩联成一稳定网络结构,增强稳定性。

    h.  桩头处理

    桩施打完毕后,若桩顶标高高于设计值,应将高出部分凿除,凿桩时,测量放出桩顶标高,利用夹桩材料搭设简易平台,砼桩头用人工凿除,用趸船配合吊住桩头,以策安全,并将长出桩头吊入趸船仓内运上岸。

  i.  施工进度计划安排

本工程共196600mm×600mm预应力混凝土方桩,沉桩进度按平均每天4根,总工期安排60天完成。

4.4.2  现浇横梁施工

    桩基施工完成后,即可进行码头现浇横梁施工。现浇横梁分为HL1HL22HL3三种,其主要工程量如下表所示:

横梁规格及数量

序号

规格

砼强度等级

件数

数量(m3)

备注

1

横梁HL1

C30

4

4×20.8

 

2

横梁HL2

C30

8

8×22.32

 

3

横梁HL3

C30

4

4×21.5

 

4

   

C30

16

347.76

 

a   施工流程

横梁施工顺序与沉桩方向一致,当横梁的基桩施打完成后,马上进行



横梁施工,其施工工艺流程如下:













   

    b.  模板工程

    底模支承采用10×15cm木枋及[12槽钢作两层井字型夹桩,用Ф22螺栓与基桩夹紧成整体。然后在夹桩木长度方向铺设[14槽钢作为底模的支撑,底模面板和侧模采用定型钢模板,外侧用对拉螺栓固定。详见横梁模板示意图:

     模板在岸上木工车间内加工,然后由工作船运至现场趸船配合安装。

    钢筋工程

      所有进场钢筋均要有出厂要有合格证,并按规定取样进行试验。不合格品不得用于工程。

    先根据构件的尺寸和分层浇筑情况编制好钢筋配料单。然后根据钢筋配料单在陆上钢筋车间内加工,工作船运至现场人工绑扎。

    混凝土工程

    i.  混凝土供应及运输

    砼采用0.75m3砼搅拌机进行拌和,1t翻斗车运输至工作码头,通过溜槽将砼卸入装在交通船上的砼吊斗内,吊斗容积约1.5m3,交通船运至浇注地点,由趸船吊吊斗入仓。

    ii.  混凝土浇注

混凝土浇注必须连续进行,横梁分下横梁和上横梁二次浇筑,第一次浇注至纵梁的搁置面,厚度为0.9m,浇筑方量为11.82m3,第二次在码头纵梁安装后浇注,厚度为1.5m,浇筑方量为10.5m3。如下图:


新旧混凝土接缝处进行凿毛处理,并在浇注新混凝土之前先用水清洗,再铺一层砂浆。砂浆厚12cm

     混凝土分层浇注,每层厚度不大于50 cm,插入式振捣棒振捣密实,为保证上、下层砼结合成整体,振捣棒插入下层砼5cm。并进行二次振捣,二次抹面。

    e.  养护

砼养护由专人进行,采用拆模后喷涂养护液进行。

4.4.3 码头构件安装

   码头构件安装包括码头纵梁、边梁及面板等。共212,如下表示。栈桥空心板的安装采用陆上安装。详见陆上安装部分。

 

 

     

序号

     

 

     

1

纵梁

30

2

边梁

26

3

面板

126

4

靠船构件

16

5

14

 

  

212

    a  船机配备

本工程预制构件单件最重约10t,码头构件安装跨度为10m以内,拟配备以下船机进行构件安装:

 

 

 

                

序号

  

1

起重船

30t

1

 

2

 

1000t

2

 

3

 

 

1

 

4

 

 

1

 

 

  b 安装顺序

      安装靠船构件®安装水平撑®安装纵梁、边梁®现浇节点砼®安装面板

   c 安装工艺流程

    在支承点处表面(或侧面)测放梁板等构件安装的端边线和侧边线®测量支承点处的标高®水泥砂浆找平®起重船吊构件就位安装®检查合格后解扣®焊接加固。

    d 施工方法及要求

   (1)  构件安装前,先根据分段流水作业的部署仔细编排各类构件的安装顺序,以此安排构件装驳顺序。并在出运时逐件检查,以防出错。

  (2)  构件安装时,应严格控制搁置面的平整度,保证构件底面与搁置面接触紧密,安装完后要及时勾缝。

   (3)  用水泥砂浆铺填预制件搁置面时,砂浆应随铺随安,不得等砂浆硬化后安装构件,水泥砂浆不宜太厚,一般为12cm,以座浆饱满,安装后略有余浆挤出缝口为准。

   (4)  码头前、后沿线和侧边线的构件安装时,要用经纬仪控制其边线,确保码头边线的位置准确及平直。

   (5)  安装靠船构件及悬臂板时,须将主筋与横梁焊接牢固后方可松钩,以保证构件的安全稳定。构件安装完成后,要及时将外露钢筋焊接牢固,增强抗风浪能力,必要时要进行加焊、拉、顶等加固措施。并且要及时跟上节点砼的施工,及早成为整体结构,保证台风期的安全。

  注意事项

上部构件安装完毕后,应进行验收:核对构件编号,检查安装位置并复核标高。

在已安装完毕的构件上面,堆放临时荷载或使机械进行运输安装时,应验算构件强度及稳定性。

  施工进度安排

本工程的构件安装所需工期约为45

4.4.4  现浇面层砼施工

    现浇面层包括码头和1#2#栈桥两部分,其中码头现浇面层由130mm的现浇层和5060mm的磨耗层组成,栈桥现浇层由100mm的现浇层和4560mm的磨耗层组成,砼强度等级为C30,砼方量共416.5 m3。其施工方法与4.2.5 钻孔灌注桩基础栈桥现浇面层砼施工一样,详见该部分。

4.5  撑墩施工


本工程共有11个撑墩,砼方量为:384.78 m3。在基桩完成后即可进行撑墩施工,撑墩分二次浇筑,第一次先浇筑底座,厚度为:1m,浇筑方量为16m3;第二次浇筑上部墩身,厚度2.3m,浇筑方量为18.98m3,如下图示。

 

a.预埋件加工

上部墩身的预埋件为10mm厚的钢板和Ф50的锚环,每个撑墩各预

埋一个,在浇筑第二次砼时需要预埋,严格按照图纸的尺寸,选用合格的钢材在车间内加工,然后运至现场安装。

b.预埋件安装

钢筋绑扎好后,按照图纸位置尺寸进行测量放样安装,利用钢筋焊

接固定在已绑扎成型的钢筋骨架上,砼浇筑过程中严禁碰撞。

     c. 撑墩的模板、钢筋及砼浇筑工艺与横梁施工一样,详见4.4.2 现浇横梁施工部分。

5、投入本合同工程的主要施工船机设备

5.1主要施工船机设备表

船  机

名  称

规  格

型  号

额定功率(KW)或容量(m3)或吨位(t)

厂牌及出厂时间

数      量

备注

小计

其   中

自有

新购

租赁

钻桩机

(TXB-1000A)

96

4

4

 

 

 

泥浆泵

(3PNL)

 

93

6

6

 

 

 

电焊机

(ZX5,BX1)

 

94

8

8

 

 

 

振动锤

 

30KW

95

1

1

 

 

 

发电机

 

200KW

92

1

1

 

 

 

履带吊机

 

35t

90

1

1

 

 

 

搅拌机

 

0.75m3

99

2

2

 

 

 

履带吊机

 

65t

95

1

1

 

 

 

汽车吊机

 

16t

99

1

1

 

 

 

平板车

 

15t

98

2

2

 

 

 

平板汽车

 

5t

97

2

2

 

 

 

装载机

 

3m3

93

2

2

 

 

 

钢筋加工设备

 

 

95

2

2

 

 

 

打桩船

(54m高桩架)

85

1

1

 

 

 

起重船

 

30t

88

 

 

 

1

当地租赁

方驳

 

1000t

84

2

2

 

 

 

拖轮

 

442KW

87

1

1

 

 

 

交通船

 

 

90

2

 

 

2

 

工作船

(100~200t)

89

3

 

 

3

当地租赁

张拉设备

 

 

96

4

4

 

 

当地租赁

木工加工设备

 

 

98

2

2

 

 

 

 


5.2主要船机进场计划

设备名称规格型号

2002

2003

七月

八月

九月

十月

十一月

十二

一月

1

钻桩机(TXB-1000A)

4

 

 

 

 

 

 

 

2

泥浆泵(3PNL)

6

 

 

 

 

 

 

 

3

电焊机(ZX5,BX1)

8

 

 

 

 

 

 

 

4

振动锤(60KW)

1

 

 

 

 

 

 

 

5

发电机(200KW)

1

 

 

 

 

 

 

 

6

履带吊机(35t)

1

 

 

 

 

 

 

 

7

搅拌机(0.75m3)

2

 

 

 

 

 

 

 

8

履带吊机(65t)

1

 

 

 

 

 

 

 

9

汽车吊机(16t)

1

 

 

 

 

 

 

 

10

平板车(15t)

2

 

 

 

 

 

 

 

11

平板汽车(5t)

2

 

 

 

 

 

 

 

12

装载机(3m3)

2

 

 

 

 

 

 

 

13

钢筋加工设备

2

 

 

 

 

 

 

 

14

打桩船(54m高桩架)

1

 

 

 

 

 

 

 

15

起重船(30t)

1

 

 

 

 

 

 

 

16

方驳(1000t)

3

 

 

 

 

 

 

 

17

拖轮(442KW)

2

 

 

 

 

 

 

 

18

交通船

2

 

 

 

 

 

 

 

19

工作船(100~200t)

3

 

 

 

 

 

 

 

20

张拉设备

4

 

 

 

 

 

 

 

21

拼装式架桥机

1

 

 

 

 

 

 

 

 

6、主要物质进场计划

主要物质名称

2002

2003

七月

八月

九月

十月

十一月

十二

一月

1

钻孔桩平台用料

Φ400钢管桩

80

40

40

 

 

 

 

 

 

20#槽钢

2400

m

1000

1400

 

 

 

 

 

 

5cm厚木板

1300

m2

300

1000

 

 

 

 

 

 

2

钻孔桩钢护筒

33.4

t

 

11.2

6.0

5.0

11.1

 

 

 

3

钻孔桩钢筋

126.8

t

 

45

22

22

37.8

 

 

 

4

预应力钢筋

232.6

t

 

150

82.6

 

 

 

 

 

5

预制件钢筋

345.3

t

 

100

100

100

45.3

 

 

 

6

现浇钢筋

173.5

t

 

 

50

50

40

33.5

 

 

7

150KN系船柱

18

 

 

 

18

 

 

 

 

8

预埋铁件

17.9

t

 

 

10

7.9

 

 

 

 

9

橡胶支座

1482

 

 

 

500

500

482

 

 

10

水泥

4362.8

t

 

800

900

900

1000

862.8

 

 

11

海水耐蚀剂

484.8

t

 

90

100

95

105

94.8

 

 

12

碎石

8253

m3

 

1600

1700

1700

2000

1253

 

 

13

中粗砂

4602

m3

 

900

1000

1000

1200

502

 

 

 

7、劳动力安排计划

人员名称

2002

2003

七月

八月

九月

十月

十一月

十二

一月

1

项目经理

 

1

1

1

1

1

1

1

1

1

1

1

1

1

1

1

1

1

1

1

1

2

项目副经理

 

1

1

1

1

1

1

1

1

1

1

1

1

1

1

1

1

1

1

1

1

3

项目总工

 

1

1

1

1

1

1

1

1

1

1

1

1

1

1

1

1

1

1

1

1

4

技术管理人员

 

2

4

4

4

4

6

6

6

8

8

8

8

8

8

8

6

4

4

4

4

5

测量工

 

0

4

4

4

4

4

4

4

4

8

8

8

8

8

8

8

6

6

6

4

6

电工

 

0

2

4

4

4

4

4

4

4

4

4

4

4

4

4

4

4

4

2

2

7

机驶工

 

0

2

4

8

8

8

8

8

8

8

8

8

8

8

8

8

8

4

4

2

8

起重工

 

0

2

4

4

4

4

4

8

8

12

12

12

16

16

16

16

8

8

4

4

9

木工

 

0

0

4

8

10

10

10

12

12

12

16

16

16

16

20

20

20

20

8

8

10

钢筋工

 

0

0

4

10

12

12

20

20

20

20

20

20

20

20

25

25

25

25

10

4

11

铁焊工

 

8

12

12

15

15

15

15

15

15

20

20

20

20

20

20

20

20

15

15

4

12

砼工

 

0

0

0

8

8

16

16

24

24

24

24

24

243

24

24

24

24

12

12

4

13

修理工

 

0

2

2

4

4

4

8

8

8

8

8

8

8

8

8

8

8

8

4

2

14

试验工

 

0

0

0

2

2

2

2

2

2

4

4

4

4

4

4

4

4

4

4

2

15

钻桩工

 

0

0

0

8

8

8

8

8

8

8

8

8

0

0

0

0

0

0

0

0

16

司机

 

2

2

4

4

4

4

6

6

6

6

6

6

6

6

6

6

6

6

6

4

17

普工

 

20

40

40

60

60

60

60

80

80

80

80

80

80

80

80

80

80

80

20

10

合    计

 

35

73

89

146

150

160

174

208

210

225

229

229

233

225

234

232

220

199

102

57

 


 

8、 工程质量的技术组织措施

8.1、质量保证体系

8.1.1、政策声明

    我单位在承建本工程中,将完全按照合同条款、工程图纸、技术规格书进行施工,并对施工全过程实施有计划、有系统的质量管理,给业主提供充分的质量信任,确保合同范围内的各项工程的施工质量满足合同规定的要求并使业主和监理工程师满意。

8.1.2、本工程质量目标

    严格按照规范精心施工,争创优质工程。按招标文件要求,施工质量按《港口工程质量检验评定标准》(JTJ221-98)检验评定,工程质量达到优良等级。

8.2、质量保证体系

    我单位已按GB/T19001-2000idt ISO9001:2000标准建立并实施质量保证体系,在1997年通过了质量认证公司的现场审核,并获得了该公司颁发的质量认证证书。

8.2.1 质量方针、质量目标和质量承诺

    1.质量方针

      科学管理、持续改进、优质高效、顾客满意。

    2质量目标

    (1) 确保质量体系按GB/T19001-2000idt ISO9001:2000标准有效运行;

    (2) 竣工工程合格率为100%,经评定的竣工工程优良品率达到85%以上。

    (3) 树立良好的社会信誉。

    3质量承诺

    鼓励和支持全体员工对工程和服务质量精益求精,积极推动企业技术进步,努力提高质量水平。

8.2.2 主要质量体系文件

――质量手册:QM

――管理程序:

1.              QP4-1              文件和资料控制程序

2.              QP4-2              记录控制程序

3.              QP6-1              人力资源控制程序

4.              QP6-2              船机设备控制程序

5.              QP7-1              施工组织设计编制程序

6.              QP7-2              合同评审控制程序

7.              QP7-3              采购控制程序

8.              QP7-4              生产和服务过程控制程序

9.              QP7-5              产品标识和可追溯性程序

10.QP7-6              监视和测量装置控制程序

11.QP8-1              顾客满意度监视测量程序

12.QP8-2              内部审核控制程序

13.QP8-3              产品的监视和测量控制程序

14.QP8-4              不合格品控制程序

15.QP8-5              纠正措施和预防措施控制程序

16.QP9-1              安全生产控制程序

 

――作业指导书:

共编制37个作业指导文件,对工序施工进行具体指导。

我单位质量保证体系履盖我单位各施工单位。质量方针是我单位质量工作的宗旨;质量目标是我们工程施工的最终目标。质量手册、程序文件和作业指导书是我单位质量保证体系文件。质量保证体系也将在本工程中得到有效的运行。

8.2.3 质量保证遵守的原则

  (1) 按照GB/T19001-2000idt ISO9001:2000标准及质量管理八项原则,并结合本工程的特点建立有效的质量保证体系并使之有效运行。

  (2) 根据谁施工谁负责质量,谁操作谁保证质量的原则,实施生产者自觉控制质量的工序管理。

  (3) 坚持质量的三检和严格的监督检查制度,防止不合格品产生。

  (4) 坚持不合格的材料、半成品、成品不得使用或交付。

  (5) 坚持试验、检验和工程验收制度。

  (6) 遵守施工技术规范、质量检验评定标准,严格按照设计图纸施工。

8.3、质量管理组织机构

8.3.1 概述

    我单位总部将抽调技术水平高、施工经验丰富的人员组建实施本工程的项目部,总部将对工程进度、质量、安全等方面对项目部进行指导、协助、监督,并在人、财、物等方面给予全面的支持和配合,确保工程质量满足业主的要求。

    总部与质量有关的部门有质保办、工程管理处、技术处、经营处、组人处、财务处、劳资处、安全处、综合处、办公室等,这些机构包含了从事与质量有关的管理、执行和验证工作的部门和人员。

    项目部与质量有关的部门有质保部、质检部(含试验站)、安全部、技术部、工程部、机务部、财务部、劳资部、合约部、物资部、办公室等。

8.3.2 质量保证机构

(1) 总部质保办

    质保办是独立行使质量保证职权的管理部门,其主要职责是通过组织内部质量体系审核及平时的质保监督,及时发现存在的或潜在的问题,责成责任部门采取纠正和预防措施,质保人员跟踪验证,从而确保质量保证体系的有效运行。总部质保办向管理者代表报告工作。

(2) 项目部质保部

    质保部是项目部内独立行使质量保证职权的管理部门,其主要职责是通过参与内部质量体系审核及进行平时的质保监督,发现存在的或潜在的问题并跟踪验证项目部纠正和预防措施的实施,从而确保项目部内质量体系的有效运行。质保部在业务上受总部质保办的监督、协助和指导,在项目部内向项目经理报告工作。

8.3.3 检验和试验机构

  (1) 总部工程管理处

    工程管理处是总部独立行使质量监督、检验、试验的职能部门,其主要职责是监督、指导、检查,通过对进货的产品、过程中半成品及最终产品的检验和试验,确保不合格的产品不使用、转序或交付。工程管理处向总部主管质量的领导报告工作。

  (2) 项目部质检部(下设试验站)

    质检部是项目部内独立行使质量监督、检验、试验的职能部门,其主要职责是具体实施项目部内进货产品、过程中半成品及最终产品的检验和试验工作,对不符合规范规定施工或对工程质量造成严重危害的施工方法的操作过程有权加以制止,对经核实不符合质量标准的项目有权制止继续施工,确保项目工程质量。下设的试验站负责对工程所用材料检测工作,由质检部直接领导。质检部向项目部总工程师报告工作。

8.3.4 以顾客为关注焦点

    我们将实现顾客满意作为本单位质量方针和质量目标的重要内容。

  (1) 规定识别顾客明确的或隐含的需求和期望的职责权限、工作程序并控制执行。

  (2) 将顾客的需求转化为产品的技术和服务的要求。

  (3) 通过质量管理体系的有效运行,实现顾客要求。

  (4) 制定各种激励政策,鼓励员工主动在满足顾客要求方面提出改进措施,并对切实可行的改进措施积极采纳。

8.3.5 质量保证体系组织框图

质量保证体系组织框图

 

 

 

 

 

 

 

 

 

 

 

 

 

 

 

 

8.4、工程质量保证措施

8.4.1 生产过程控制

生产过程控制从签订合同,完成设计图纸后开始,其控制程序如下图所示:

 

 

 

 

 

 

 

 

 

 

 

 

 

 

 

 

 

 

 

 

 

 

 

生产过程控制程序

 

8.4.2 采购控制

    物资部根据工程部编制的材料请购计划和技术要求制定材料采购计划,对于构成工程产品的结构材料,将对供应厂商进行调查、评价,确定其为合格的分供方后,才能实施采购,以确保工程用材料的质量满足规定的要求。结构材料进场时,要求厂家提供材质证书,之后,由工地试验站按规定进行抽样检验。

8.4.3 检验和试验控制

8.4.3.1 进货检验和试验

    用于工程的所有的结构材料进场后,均应对其验证合格后方能用于工程。对于对工程质量影响较大的材料(如钢筋、水泥、砂、碎石等),除应由供贷单位提供材料出厂材质证明书外,进场后还应按规定由项目试验站进行抽样检验,当试验项目超出项目部实验站的能力范围,可委托具有相应资质等级的试验单位进行试验。对于无法进行检验的结构材料,应由质检员对其外观和厂家提供的材质证书进行验证,合格后方能用于工程。结构材料检验程序如下图所示:

   

 

 

 

 

 

 

 

 

 

 

 

 

 

 

 

 

 

 

 

 

 

 

 

 

 

 

结构材料检验程序

 

8.4.3.2 施工过程检验和试验

  (1) 根据国家有关规范的要求,对本工程进行分部、分项工程的划分,施工时对各工序、分项工程、分部工程逐级进行检查控制、验收和评定,以确保本工程质量达到优良标准。

  (2) 设立质量管理点

    对工程主要部位,影响质量的关键工序或材料作为重点控制对象,即以质量管理点加以控制管理。施工前按设计要求、规范、标准等制定相应的技术措施、检查手段、工具、方法,并制定成文件。

  (3) 施工中严格按照下图所示的质量监督检查程序搞好工程质量的自检、互检和监督检查:

 

 

 

 

 

 

 

 

 

 

质量监督检查程序

 

 

 

                   质量监督检查程序

 

  (4) 测量基线、水准点、隐蔽工程的检查验收

    基线、水准点在项目部自检合格的基础上由上一级派出专职的测量工程师进行复查验收,经测量工程师检查合格后报业主代表和监理复核确认,经监理工程师检查确认后方能开始后续工序的施工。

    隐蔽工程在项目部质检员自检合格的基础上报请业主代表和监理工程师检查验收,经检验签认后,方能进行下一工序的施工。

8.4.3.3 最终检验和试验控制

    当所有的进货、工序、分项和分部工程检验和试验均已完成且验证合格后才能进行最终的工程验收。项目部质检部负责组织收集、整理竣工资料,检查否齐全及准确无误之后向总部递交完工申请,由总部派出验收小组对工程实物质量及竣工资料进行验收,合格后方能向业主申请验收。

星欣设计图库资料专卖店拥有最新最全的设计参考图库资料,内容涉及景观园林、建筑、规划、室内装修、建筑结构、暖通空调、给排水、电气设计、施工组织设计等各个领域的设计素材和设计图纸等参考学习资料。是为广大艺术设计工作者优质设计学习参考资料。本站所售的参考资料包括设计方案和施工图案例已达几十万套以上,总量在数千G以上。

 图库网址http://www.xingsc.cn

ftp://xingxin.oicp.net

联系QQ447255935

电话:13111542600