深圳某段地铁投标施工组织设计方案

目录

27              2

              2

              2

              66

              66

              72

              73

              75

              79

              79

              204

              219

              275


深圳地铁27标

第一节        第一册

1.1.1        组织机构

 

 

 

 

 

 

 

 

 

 

 

 

 

 

 

 

管理机构和组织机构图

现场主要人员安排表

人员类别

平均年龄

人数

总计

其中:女性

管理人员

37

24

4

项目(正、副)经理

42

2

 

行政管理人员

40

5

 

经济管理人员

35

2

 

项目总经济师

28

1

 

经济管理办事人员

30

2

1

财务部

35

3

1

物资设备部

38

4

1

环保治安部

35

3

 

综合办公室

37

2

1

技术人员

30

25

 

项目总工程师

37

1

 

技术工作人员

30

24

 

熟练技术工人

30

240

 

钢筋技工

30

80

 

模板技工

29

60

 

砼技工

25

45

 

起重工

38

5

 

焊接工

31

20

 

防水技工

39

20

 

电工、钳工

33

8

 

机电工

40

2

 

 

主要管理与施工技术人员安排表

序号

职务

姓名

年龄

性别

职称

专业

主要资历简述

1

项目经理

姚永勤

39

高级工程师

隧道工程

附后

项目副经理

郑胜允

46

工程师

工民建

附后

总工程师

刘广钧

37

高级工程师

矿井建设

附后

总经济师

周耿锋

28

经济师

经济管理

附后

2

质量管理工程师

孙华洲

33

工程师

工民建

附后

投资管理工程师

芮振洲

28

经济师

建筑管理

附后

计划管理工程师

王红岩

34

工程师

地下工程

附后

3

机电工程师

张开弟

38

工程师

机电

附后

测量工程师

程旺生

35

工程师

测量

附后

监测工程师

陈文

29

工程师

铁道工程

附后

工程试验工程师

郭志超

31

工程师

建筑材料

附后

安全文明管理工程师

吴爱民

44

工程师

铁道工程

附后

4

物资部负责人

楚富平

40

工程师

物资管理

附后

财务部负责人

张泽远

46

会计师

财务会计

附后

站厅层主管工程师

余浩

30

工程师

工民建

附后

防水工程师

万俊

30

工程师

工民建

附后

 

 

 

 

 

 

 

 

 

 

 

 

 

 

主要熟练技术工人领班人员安排表

序号

职务

姓名

年龄

性别

级别

主要资历简述

1

建筑技工

杜志强

28

一级

后附

2

钢筋技工

朱贵

35

一级

后附

3

彭志金

30

一级

后附

4

模板技工

宋建平

33

一级

后附

5

砼技工

丘庆祥

28

一级

后附

6

起重工

高志宏

41

一级

后附

7

王瑞

27

一级

后附

8

焊接技工

贺有云

46

一级

后附

9

刘世林

40

一级

后附

10

机电技工

盛智源

55

一级

后附

11

高振文

46

一级

后附

12

喷砼技工

黄锡光

28

中级

后附

13

运输技工

李文

44

高级

后附

14

装载司机

崔跃林

42

高级

后附

15

钻机技工

张会龙

29

中级

后附

16

测量技工

李勇

32

中级

后附

17

模型技工

余春生

39

高级

后附

18

领工员

文南

45

高级

后附

19

赵继明

41

高级

后附

20

电工

李二军

42

高级

后附

21

张跃亮

28

中级

后附

 

 

 

 

 

 

 

 

 

 

 

 

 

 

 

 

 

 

 

 

 

主要管理人员简历与经验表

姓名

姚永勤

性别

年龄

39

职务职称

项目经理/高级工程师

1987年毕业于石家庄铁道学院隧道工程专业

87-89   参加北同蒲铁路                     任技术员、助理工程师

90-91   参加侯月铁路炼上隧道                     技术主管

92-93   参加海南环岛高速牛岭隧道                 总工程师

93-94   参加京九铁路雷公山隧道                   总工程师

95-96   参加广州清远一级公路焦冲隧道             项目经理

97-98   参加深圳盐坝高速公路大梅沙隧道           项目经理

99-2000 参加辽宁丹本高速公路黄岭隧道             项目经理

2001-今 参加深圳地铁4标大剧院站及老大区间西段   项目经理

 

 

 

 

 

 

 

 

 

 

 

 

主要管理人员简历与经验表

姓名

郑胜允

性别

年龄

46

职务职称

项目副经理/工程师

1983年毕业于石家庄铁道学院工民建专业

83-84   参加屯兰铁路                      任技术员

85-87   参加北同蒲铁路                    助理工程师

87-90   参加湖南黄花国际机场              助理工程师

90-92   参加山西大运公路                  工程师

92-94   参加广深准高速铁路                工程师

94-98   参加阳江325国道阳江东段、西段    总工程师

98-2001 参加京珠高速粤南段22标           总工程师

2001-今 参加广东开阳高速公路              项目副经理

 

 

 

 

 

 

 

 

 

 

 

主要管理人员简历与经验表

姓名

刘广钧

性别

年龄

37

职务职称

总工程师/高级工程师

1990年毕业于山西矿业学院矿井建设专业

90-92    参加侯月铁路炼上隧道              技术员

92-93    参加阳涉铁路                      助理工程师

93-95    参加京九铁路雷公山隧道            工程师

95-97    参加广州地铁一号线体~体区间隧道   工程师

97-99    参加西康铁路堰岭隧道              主管工程师

99-2000  参加京广铁路电气化朱亭隧道        总工程师

2001-今  参加深圳地铁四标                  总工程师

 

 

 

 

 

 

 

 

 

 

 

 

主要管理人员简历与经验表

姓名

周耿锋

性别

年龄

28

职务职称

总经济师/经济师

1998年毕业于石家庄铁道学院经济管理专业

98-99     深圳盐坝高速公路大梅沙隧道   预算员

99-2000   东部供水二期改造工程         助理经济师

2001-2002 深圳地铁四标                 经济师

 

 

 

 

 

 

 

 

 

 

 

 

 

 

 

 

主要管理人员简历与经验表

姓名

吴爱民

性别

年龄

44

职务职称

安全主任/工程师

1985年毕业于石家庄铁道学院铁道工程专业

85-87    参加北同蒲铁路                          技术员

88-93    参加孝柳铁路、侯月铁路                  技术员

93-95    参加京九铁路雷公山隧道                  助理工程师

95-97    参加京珠高速公路大宝山隧道              助理工程师

98-2000  参加武广电化广北至棠溪线大郎特大桥    工程师

2001-今  参加深圳地铁十一标                      项目副经理

 

 

 

 

 

 

 

 

 

 

 

 

 

 

主要管理人员简历与经验表

姓名

孙华洲

性别

年龄

33

职务职称

质量管理工程师/工程师

1995年毕业于华东交通大学工民建专业

95-97    参加太原图书馆                  助理工程师

98-2000  参加中铁十二局集团公司办公楼    工程师

2001-今  参加深圳地铁4标                工程师

 

 

 

 

主要管理人员简历与经验表

姓名

芮振洲

性别

年龄

28

职务职称

投资管理工程师/经济师

1998年毕业于华东交通大学土木工程系建筑管理专业

98-99   参加云南省楚大高速公路大风坝隧道  预算员    

99-2000 参加辽宁省丹本高速公路黄岭隧道    助理经济师

2001-2002 深圳地铁十一标                  经济师

 

 

 

 

 

 

主要管理人员简历与经验表

姓名

王红岩

性别

年龄

34

职务职称

计划管理工程师/工程师

1994年毕业于石家庄铁道学院地下工程与隧道专业

94-95    参加京九铁路宝塔山隧道              技术员

96-98    参加上海地铁二号线中央公园站        技术员、助理工程师

99-2000  参加丹本高速公路黄岭隧道            工程师

2001-今  参加深圳地铁4标                    计划管理工程师

 

 

 

主要管理人员简历与经验表

姓名

张开弟

性别

年龄

38

职务职称

机电工程师/机电工程师

1987年毕业于石家庄铁道兵工程学院机械制造专业

87-90   参加孝柳铁路                          技术员

91-93   参加侯月铁路炼上隧道                  助理工程师

94-95   参加京九铁路雷公山隧道                机电工程师

95-97   参加广州地铁一号线体~体区间隧道       机电工程师

97-2000 参加武广电化广北至棠溪线大郎特大桥  机电工程师

2001-今 参加深圳地铁4标                      设备部负责人

 

 

主要管理人员简历与经验表

姓名

程旺生

性别

年龄

35

职务职称

测量与监测工程师/工程师

1993年毕业于西北工程学院铁道工程系测量专业

93-95      参加京九铁路雷公山隧道      技术员

95-97      参加京珠高速公路大宝山隧道  助理工程师

98-2000    参加朔黄铁路东风隧道        工程师

2001-今    参加深圳地铁4标            工程师

 

 

 

主要管理人员简历与经验表

姓名

郭志超

性别

年龄

31

职务职称

试验工程师/工程师

1997年毕业于山西矿业学院建筑材料专业

97-98    参加深圳盐坝高速公路大梅沙隧道     试验员

99-2000  参加辽宁丹本高速公路黄岭隧道       试验室主任

2001-今  参加深圳地铁4标                 试验室主任

 

 

 

 

 

 

主要管理人员简历与经验表

姓名

楚富平

性别

年龄

40

职务职称

物资主管/工程师

88-93    参加孝柳铁路、侯月铁路             物资室主任

94-96    参加广州地铁一号线体广604.5m段    材料管理负责人

97-98    参加深圳盐坝高速公路大梅沙隧道     材料管理负责人

99-2000  参加辽宁丹本高速公路黄岭隧道       物资主管

2001-今  参加深圳地铁4标                   物资主管

 

 

 

 

 

主要管理人员简历与经验表

姓名

张泽远

性别

年龄

46

职务职称

财务负责人/会计师

1991年毕业于石家庄铁道学院成人教育部财务会计专业

91-95    参加侯月铁路、长江三峡引水隧道         出纳员

95-97    参加清远107国道焦冲隧道               会计员

98-2000  参加武广电化广北至棠溪线大郎特大桥   会计员、助理会计师

2001-今  参加深圳地铁十一标                     会计师、财务部长

 

 

 

主要管理人员简历与经验表

姓名

余浩

性别

年龄

30

职务职称

站厅层主管工程师/工程师

1997年毕业于华东交通大学工民建专业

97-98    参加上海地铁二号线中央公园站    技术员

99-2000  参加中铁十二局集团公司办公楼    工程师

2001-今  参加深圳地铁4标                工程师

 

 

 

 

 

主要管理人员简历与经验表

姓名

万俊

性别

年龄

30

职务职称

防水工程师/工程师

1997年毕业于华东交通大学工民建专业

97-98    参加太原图书馆                 技术员

99-2000  参加中铁十二局集团公司办公楼   工程师

2001-今  参加深圳地铁4标               工程师

 

 

 

 

 

 

 

主要熟练技术工人领班人员简历与经验表

序号

职务

姓名

年龄

性别

级别

主要资历简述

1

建筑技工

杜志强

28

一级

94-95 京珠高速公路大宝山隧道           木工

95-97 清远107国道焦冲隧道           木工班长

98-2000 深圳盐坝高速公路大梅沙隧道   中级木工

2000-今 深圳东深供水CⅢ1标    木工班长高级木工

2

钢筋技工

朱贵

35

一级

89-91 湖南黄花国际机场               钢筋工

91-93 侯月铁路炼上隧道               钢筋工

93-95 京九铁路雷公山隧道         钢筋工副班长

95-98 上海地铁二号线中央公园站 中级钢筋工班长

98-2000 深圳盐坝高速公路大梅沙隧道 钢筋工班长

2000-今 深圳地铁十一标            高级钢筋工

彭志金

30

一级

85-87 北同蒲铁路                       钢筋工

87-90 湖南黄花国际机场                 钢筋工

90-93 侯月铁路炼上隧道                 钢筋工

93-95京九铁路雷公山隧道            中级钢筋工

95-98 京珠高速公路大宝山隧道       中级钢筋工

98-2000 深圳盐坝高速公路大梅沙隧道    钢筋工副班长

2000-今 深圳地铁四标段             高级钢筋工

3

模板技工

宋建平

33

一级

92-93 侯月铁路炼上隧道                模板工

93-95 上海奉浦大桥                    模板工

96-97 广州地铁一号线体~体区间隧道  中级模板工

98-2000 深圳河治理工程二期A段     模板工班长

2000-今 深圳地铁四标          高级模板工、班长

4

砼技工

丘庆祥

28

一级

95-98 京珠高速公路大宝山隧道           砼工

98-2000 梅坎铁路广东段黄州坝隧道    中级砼工

2000-今 深圳东深供水CⅢ1标         高级砼工

5

起重工

高志宏

41

一级

84-87 南、北同蒲铁路                  驾驶员

87-93 孝柳铁路、侯月铁路              起重工

94-96 广州地铁一号线604.5段           起重工

96-98 京珠高速公路大宝山隧道       中级起重工

98-2000深圳河治理工程二期A段     中级起重工

2000-今 深圳东深供水CⅢ1标        高级起重工

主要熟练技术工人领班人员简历与经验表

序号

职务

姓名

年龄

性别

级别

主要资历简述

5

起重工

王瑞

27

一级

96-98 上海地铁二号线中央公园站       起重工

98-2000 深圳东深供水CⅢ1标          起重工

2000-今 广州地铁二号线鹭江站     中级起重工

6

焊接技工

贺有云

46

一级

81-84 屯兰铁路                       电焊工

84-90 北同蒲铁路、阳涉铁路           电焊工

91-95 侯月铁路、京九铁路             电焊工

95-97 清远107国道焦冲隧道       中级电焊工

98-2000 京珠高速粤北H标乌坑坝隧道      电焊工班长

2000-今 洛湛铁路卲永段4合同段   高级电焊工

刘世林

40

一级

86-90 孝柳铁路                       电焊工

90-93 侯月铁路炼上隧道               电焊工

94-96 广州地铁一号线604.5段          电焊工

96-98 上海地铁二号线中央公园站    电焊工班长

98-2000 京珠高速靠椅山隧道       中级电焊工

2000-今 深圳地铁四标             高级电焊工

7

机电技工

盛智源

55

一级

74-79 襄渝铁路                       机电工

80-84 太岚铁路双伈线                 机电工

85-87 北同蒲铁路                     机电工

87-90 湖南黄花国际机场         机电工副班长

91-93 侯月铁路炼上隧道         机电工副班长

93-95 京九铁路雷公山隧道        中级机电工

95-98 京珠高速公路大宝山隧道    中级机电工

98-2000 深圳盐坝高速公路大梅沙隧道     高级机电工

2000-今 深圳地铁十一标           高级机电工

高振文

46

一级

81-84 屯兰铁路                      机电工

85-87 北同蒲铁路                    机电工

88-93 侯月铁路、阳朔铁路            机电工

94-96 广州地铁一号线604.5段     中级机电工

96-98 京珠高速公路靠椅山隧道     机电工班长

98-2000 深圳盐坝高速公路大梅沙隧道     高级机电工

2000-今 深圳地铁十一标           高级机电工

 

主要熟练技术工人领班人员简历与经验表

序号

职务

姓名

年龄

性别

级别

主要资历简述

8

喷砼技工

黄锡光

28

中级

94-97 京珠高速公路大宝山隧道          砼工

98-2000 深圳东深供水CⅢ1标           砼工

2000-今 深圳地铁十一标            中级砼工

9

运输技工

李文

44

高级

78-84 屯兰铁路、太岚铁路           汽车司机

84-90 北同蒲铁路、阳涉铁路         汽车司机

91-95 侯月铁路、京九铁路        汽车班副班长

95-97 清远107国道焦冲隧道       中级驾驶员

98-2000 深圳盐坝高速公路大梅沙隧道     汽车班班长

2000-今 深圳地铁十一标           高级驾驶员

10

装载司机

崔跃林

42

高级

84-90 孝柳铁路                     汽车司机

90-93 侯月铁路炼上隧道             汽车司机

94-96 广州地铁一号线604.5段        装载司机

96-98 京珠高速公路大宝山隧道      中级驾驶员

98-2000 京珠高速靠椅山隧道         汽车班长

2000-今 深圳地铁四标             高级驾驶员

11

钻机技工

张会龙

29

中级

93-95 上海奉浦大桥           钻机司机、电工

95-98 京珠高速公路大宝山隧道       钻机司机

98-2000 深圳河治理工程二期A段          钻机副班长

2000-今 深圳地铁十一标             钻机班长

12

测量技工

李勇

32

中级

92-93 侯月铁路炼上隧道              测量工

94-96 广州地铁一号线604.5段         测量工

96-98 京珠高速公路大宝山隧道        测量工

98-2000 深圳盐坝高速公路大梅沙隧道   测量班副班长

2000-今 东深供水工程CⅢ1标      测量班副班长

13

模型技工

余春生

39

高级

83-90 南、北同蒲铁路                 普通工

91-93 侯月铁路炼上隧道                木工

93-95 京九铁路雷公山隧道              木工

96-98 京珠高速公路大宝山隧道   中级木工班长

98-2000 梅坎铁路广东段黄州坝隧道   高级木工

2000-今 深圳地铁四标           高级木工班长

 

 

主要熟练技术工人领班人员简历与经验表

序号

职务

姓名

年龄

性别

级别

主要资历简述

14

领工员

文南

45

高级

71-87 襄渝铁路、屯兰铁路、北同蒲铁路 隧道工

88-91 神朔铁路                       隧道工

91-95 侯月铁路、京九铁路             工班长

95-97 清远107国道焦冲隧道           工班长

98-2000 深圳盐坝高速公路大梅沙隧道   领工员

2000-今 东部供水工程CⅢ1标          领工员

赵继明

41

高级

78-84 太岚铁路、屯兰铁路             焊接工

85-90 北同蒲铁路、孝柳铁路           焊接工

91-94 侯月铁路、广深准高速  工班长中级焊接工

95-97 深圳河治理工程二期、深圳东部供水网络干线二号隧洞              高级焊接工兼领工员

97-今 深圳大梅沙隧道、深圳地铁四标  领工员

15

电工

李二军

42

高级

74-80 襄渝铁路                        电工

81-90 屯兰铁路、北同蒲铁路、孝柳铁路  电工

91-95 京九铁路、侯月铁路            电工班长

96-98 上海地铁二号线中央公园站     中级电工

98-2000 武广电化广裳线大郎特大桥 高级电工

2000-广州地铁二号线鹭江站           高级电工

张跃亮

28

中级

94-95 上海奉浦大桥                    电工

96-98 广州地铁一号线体~体区间隧道     电工

98-2000 深圳盐坝高速公路大梅沙隧道    电工

2000-今 深圳地铁十一标             中级电工

 

 

 

 

 

 

 

 

 

 

 

 

 

 

工程施工经验

项      目

规      模

施工时间

完工时间

合同价

(万元)

备   注

(单项工程注明)

包西铁路神延段秃尾河大桥

桥长875.3

986

9910

7000

 

西康铁路

全长5.8公里

972

20003

12500

堰岭隧道2358

朔黄铁路4

全长8.94公里

9710

20009

12648

 

京九铁路平湖南编组站(国优金奖)

铁路编组站一座

961

978

4500

 

梅坎铁路广东段

(铁道部优质)

新建铁路13.7公里

988

20006

13700

黄州坝隧道2428

广州东南西环高速公路

高架桥2425

967

991

7547

D2标段长1386

D13-2标长1038

广州市广园东路

市政桥梁2850

994

20006

9800

A7标段长1800

A1.3标段长1050

京珠高速粤北段H

高速公路5公里

9811

20017

17229

 

山东京沪高速公路

化临段6

高速公路15.8公里

971

9910

11521

 

山东济泰高速公路

第一合同段

高速公路11公里

981

9911

20219

 

类似工程施工经验

项    目

规    模

施工时间

完工时间

合同价

(万元)

备   注

(单项工程注明)

上海地铁三号线

中央公园车站

地铁车站一座

968

988

6200

 

广州地铁一号线体育西路至体育中心区间

明暗挖隧道707

9510

971

4589

 

广州地铁一号线体育东路至广州东站区间

明暗挖隧道604.5

948

958

4237

 

京珠高速公路

大宝山隧道

公路隧道左洞1586

右洞782

9512

9710

9000

双向六车道

(单洞宽14.8)

京珠高速公路

靠椅山隧道

公路隧道2949

988

20001

12000

双向六车道

(单洞宽14.8)

深圳盐坝高速公路

大梅沙隧道

公路隧道左洞713

右洞1707

983

9912

5358

双向六车道

(单洞宽13.25)

福建福泉高速公路

相思岭隧道

连拱隧道406

974

996

4600

 

广州地铁二号线

纪念堂站

地铁车站一座和

区间隧道298

20004

200112

9977

 

广州地铁二号线

鹭江站

250明挖车站和

246区间暗挖隧道

20004

200210

13795

 

中国建设银行山西省

分行综合营业大厦

41656m2 

19956

19999

29450

 

晋城国土大厦

18628m2 

199811

199912

1153

 

大同市邮政营业生产楼

22736m2 

19995

20019

3010

 

山西省保险公司

综合办公楼

39000m2 

19975

199912

6000

 

主要施工设备表

序号

设备名称

数量

规格

型号

主要工作

性能指标

出厂日期

(年 月)

使用

时间(年)

现在

何处

预计何

时进场

围护结构施工设备

 

 

 

 

 

 

 

1

旋转钻机

4

GZQ-800

45KW

2000.7

2

深圳

2003.8

2

地质钻机

1

XJ-100

φ70110

1999.9

3

深圳

2003.8

3

旋喷机

3

EJD-30

10KW

1999.9

3

深圳

2003.8

4

泥浆泵

3

3PN

22KW

2001.6

2

深圳

广州

2003.8

5

液压注浆泵

2

KBY-50/70

11KW

1999.7

4

深圳

2003.10

6

压浆泵

2

SGB-10

10KW

1999.7

4

深圳

2003.10

7

拌合机

2

JZ-350

5.5KW

1999.12

3

深圳

2003.10

8

砼喷射机

2

PZ-5B

生产能力5m3/h

2000.3

3

深圳

2003.10

9

空压机

1

SA-5150W

排气量20m3/h

2001.3

2

深圳

2003.10

10

空压机

2

SA-475W

10m3/h

2001.3

2

深圳

2003.10

土石方施工专用设备

 

 

 

 

 

 

 

1

挖掘机

4

PC200

1.0m3 

1997.5

6

深圳

2003.10

2

装载机

1

ZLC40B

1.7m3,

1998.8

4

深圳

2003.10

3

风镐

20

G10

耗气量1.2m3/min

2000.7

2

深圳

2003.10

4

自卸汽车

8

北方奔驰ND3229

载重20T

1998.6

4

深圳

广州

2003.11

5

压路机

1

YZ18C

18T

1997.5

6

深圳

2004.2

6

推土机

1

D80

80 m3/h

1995.5

7

深圳

2004.2

主要施工设备表

序号

设备名称

数量

规格

型号

主要工作

性能指标

出厂日期

(年月)

使用

时间(年)

现在

何处

预计何

时进场

其它施工专用设备

 

 

 

 

 

 

 

1

潜水泵

6

QY-25

流量15m3/h,功率2.2kw

2001.5

2

深圳

2003.8

2

污水泵

5

QW25-25-3

3KW

1999.3

4

深圳

2003.8

3

发电机

1

F92-200

200KW

1998.3

5

深圳

2003.8

起重设备

 

 

 

 

 

 

 

1

吊车

1

QV35T

35T

1998.12

4

深圳

2003.8

2

汽车吊

2

QY-25

25T

1997.12

5

深圳

2003.8

3

叉车

1

GPG30HB

3T

2000.12

3

深圳

2003.8

4

千斤顶

1

YCW-250

250T

1999.5

3

深圳

2003.8

钢筋、砼施工设备

 

 

 

 

 

 

 

1

电焊机

6

AX9-500

13KW

1999.3

4

深圳

2003.8

2

电渣压力焊机

1

BX3-600

20KW

1999.3

4

深圳

2003.8

3

对焊机

1

UN1-100

150KW

1997.4

6

深圳

2003.8

4

对焊机

1

KDZ-500

100KW

1999.8

3

深圳

2003.8

5

氩弧焊机

1

NSA4-300

60KW

1997.12

5

深圳

2003.8

6

钢筋切断机

1

GQ40

3KW

1999.3

4

深圳

2003.8

7

钢筋切断机

1

GQ50

5.5KW

2001.3

2

深圳

2003.8

8

钢筋调直机

1

CTJ4/14

15KW

1998.4

5

深圳

2003.8

主要施工设备表

序号

设备名称

数量

规格

型号

主要工作

性能指标

出厂日期

(年月)

使用

时间(年)

现在

何处

预计何

时进场

9

钢筋弯曲机

1

GW40

3KW

2001.3

2

深圳

2003.8

10

钢筋弯曲机

1

GW50

4KW

1997.5

6

深圳

2003.8

11

钢筋螺丝机

2

JQ-1

8KW

1998.2

5

深圳

2003.8

12

砼输送泵

2

HBT60C

60m3/h

2001.5

2

深圳

2003.8

13

附着式振动器

1

ZF22

2.2KW

2002.1

1

自购

2003.8

14

插入式振动棒

8

HZ-50

1.1KW

2001.5

2

自购

2003.8

检验、试验设备

 

 

 

 

 

 

 

1

万能材料试验机

1

 

1000KN

1995.1

8

深圳

2003.8

2

压力试验机

1

NYL-2000D

2000KN

1997.3

6

深圳

2003.8

3

水泥胶砂搅拌机

1

 

 

1996.8

7

深圳

2003.8

4

水泥净浆搅拌机

1

 

 

1997.3

6

深圳

2003.8

5

混凝土振动台

1

HZJ-A

 

1998.2

5

深圳

2003.8

6

水泥细度负压缩

1

0.9m,0.08mm方孔筛

 

1998.2

5

深圳

2003.8

7

水泥凝结时间测定仪

1

 

 

1997.3

6

深圳

2003.8

8

水泥抗压夹具

1

40x40mm

 

1998.3

5

深圳

2003.8

9

砂标准振筛机

1

 

 

1999.4

4

深圳

2003.8

10

石标准振筛机

1

 

 

1998.3

5

深圳

2003.8

11

压碎指标值

测定仪

1

砂子、石子

 

1999.3

4

深圳

2003.8

12

针片状规准仪

1

 

 

1998.2

5

深圳

2003.8

13

砼坍落度筒

3

 

 

2000.3

3

深圳

2003.8

主要施工设备表

序号

设备名称

数量

规格

型号

主要工作

性能指标

出厂日期

(年月)

使用

时间(年)

现在

何处

预计何

时进场

14

砼凝结时间

测定仪

1

HJ-84

 

1999.4

4

深圳

2003.8

15

砼抗渗仪及试模

1

HS-40

 

1998.3

5

深圳

2003.8

16

砼抗渗仪及试模

1

JYN

 

1998.3

5

深圳

2003.8

17

砂浆稠度仪

1

SC-145

 

1999.3

4

深圳

2003.8

18

砼试模

20

150x150x

150mm 

 

2001.2

2

深圳

2003.8

19

砂浆试模

20

7.07x7.07x7.07cm

 

2001.3

2

深圳

2003.8

20

水泥试模

15

4x4x16cm

 

2001.3

2

深圳

2003.8

21

台秤

1

100kg 

精度50g

1998.4

5

深圳

2003.8

22

天平

1

2000g 

精度2g

2000.3

3

深圳

2003.8

23

天平

1

100g 

精度0.1g

2000.3

3

深圳

2003.8

24

天平

1

500g 

精度0.5g

2000.3

3

深圳

2003.8

25

电热干燥鼓箱

1

GS101-2AB

 

1997.3

6

深圳

2003.8

26

孔隙水压力计

12

KYJ30

 

1999.3

4

深圳

2003.8

27

泥浆测试箱

1

NY-1

 

2000.3

3

深圳

2003.8

28

标准养护箱

2

YH-40B

 

2001.7

2

深圳

2003.8

29

砼回弹仪

1

HT-28

 

1999.3

4

深圳

2003.8

30

钢筋保护层测定仪

2

HBY-84A

 

1999.3

4

深圳

2003.8

监测设备

 

 

 

 

 

 

 

1

精密水准仪

1

DS07

0.1mm 

2000.1

3

深圳

2003.8

2

全站仪

1

SCKKIA

SET2C

 

2000.3

2

深圳

2003.8

主要施工设备表

序号

设备名称

数量

规格

型号

主要工作

性能指标

出厂日期

(年月)

使用

时间(年)

现在

何处

预计何

时进场

3

测斜仪

1

CX-1

0.01mm 

2000.1

3

深圳

2003.8

4

电测水位仪

1

SWJ90

精度1mm

2000.1

3

深圳

2003.8

5

电阻式位移仪

1

ZW2000

 

1999.3

4

深圳

2003.8

6

钢尺

2

 

30m 

 

 

新购

2003.8

7

粉尘监测仪

2

 

 

2001.3

2

深圳

2003.8

8

经纬仪

1

WILDI2

 

20014

2

深圳

2003.8

 

 

 

 

 

 

 

 

 

 

 

 

 

 

 

 

 

 

 

 

 

 

 

 

 

 

 

 

 

 

 

 

 

 

 

 

 

 

 

 

 

 

 

 

 

 

 

 

 

 

 

 

 

 

 

 

 

 

 

 

 

 

 

 

 

 

 

 

 

 

 

 

 

 

 

 

 

 

 

 

 

 

 

 

 

 

 

 

 

 

 

 

 

 

 

 

 

 

 

 

 

 

 

 

 

 

 

 

 

 

 

 

 

 

 

 

 

 

 

 

 

 

 

 

 

 

 

 

 

 

 

 

 

 

 

 

正在实施的工程

项   目

规   模

开工日期

工期()

剩余

合同价

(万元)

业主

大运高速公路

雁门关隧道

左线长2610

右线长2630

2001.9

24

800

山西新原高速公路建设有限责任公司

辛庄立交桥

立交桥一座795

路基963

2003.3

9

7649

苏州市城市建设投资发展有限公司

广佛轨道交通

魁奇路站折返线

土建工程

折返线总长343

2002.10.11

18

1092

广东广佛轨道交通有限公司

国道105线改造

从化段D2

公路改造3.4公里

2002.4

22

1443

广东省公路管理局

深圳地铁4

车站长245

区间暗挖隧道464

2001.1

36

1800

深圳市地铁有限公司

 

 

 

 

 

 

 

 

 

 

 

 

 

 

 

 

 

 

 

 

 

 

 

 

正在施工项目的设备投入表

项目

设备名称

数量

设备规格、主要工作性能

预计撤出日期

大运高速公路雁门关隧道

电动空压机

3

SA-5150W

排气量20m3/h

20039

电动空压机

2

SA-475W

排气量10m3/h

20039

混凝土喷射机

3

TK-961

生产能力5m3/h

20039

混凝土喷射机

5

PZ-5B

生产能力5m3/h

20039

履带挖掘机

2

DH55V

斗容量0.4m3

20039

履带挖掘机

2

CAT320

斗容量1.0m3

20039

侧卸装载机

3

ZLC50

斗容量3m3

20039

轴流通风机

2

SSF-N063

2×37KW

20039

交流电焊机

16

AX9-500

13KW

20039

钢筋弯曲机

2

WJ-40

最大弯筋直径40mm

20039

钢筋切断机

2

GQ40

最大切筋直径40mm

20039

对焊机

1

UN1-75

75KW

20039

发电机

2

DF200GF

200KW

20039

汽车吊

1

QY25

25t

20039

液压千斤顶

2

YCW-250

250t

20039

电动葫芦

6

 

10t

20039

插入式振捣棒

16

HZ-50

1.1KW

20039

附着式振捣器

36

ZF1.1

1.1KW

20039

强制式拌合机

4

JS-350

生产能力12.5m3/h

20039

单液注浆泵

4

SGB-10

流量50t/min, 功率10KW

20039

双液注浆泵

4

KBY-50/70

0.57Mpa

20039

混凝土输送泵

4

HB60

60m3/h

20039

正在施工项目的设备投入表

项目

设备名称

数量

设备规格、主要工作性能

预计撤出日期

4

电动空压机

3

SA-5150W

排气量20m3/h

200312

电动空压机

2

SA-475W

排气量10m3/h

200310

混凝土喷射机

1

TK-961

生产能力5m3/h

200310

混凝土喷射机

3

PZ-5B

生产能力5m3/h

200312

履带挖掘机

2

DH55V

斗容量0.4m3

20038

履带挖掘机

2

CAT320

斗容量1.0m3

20038

侧卸装载机

1

ZLC40B

斗容量1.7m3

20038

轴流通风机

1

SSF-N063

2×37KW

20038

交流电焊机

2

4

BX1-250

BX1-315

13KW

200312

钢筋弯曲机

2

WJ-40

弯筋直径40mm

200312

钢筋切断机

2

GQ40

切筋直径40mm

200310

对焊机

1

UN1-75

115KW

200312

发电机

1

250GF

250KW

200310

汽车吊

1

YQ30

25t

200310

液压千斤顶

2

YCW200

250t

200312

电动葫芦

2

 

10t

200312

插入式振捣棒

16

HZ-50

1.1KW

200310

强制式拌合机

4

JDY-350

12.5m3/h

200310

单液注浆泵

2

SGB-10

流量50l/min

200310

双液注浆泵

2

KBY-50/70

功率11KW

200310

混凝土输送泵

2

HB60

60m3/h

200310

工程地质钻

1

XY-100

直径110mm

200310

正在施工项目的设备投入表

项目

设备名称

数量

设备规格、主要工作性能

预计撤出日期

11

电动空压机

3

SA-5150W

排气量20m3/h

200312

电动空压机

2

SA-475W

排气量10m3/h

200310

混凝土喷射机

1

TK-961

生产能力5m3/h

200310

混凝土喷射机

5

PZ-5B

生产能力5m3/h

200312

履带挖掘机

2

DH55V

斗容量0.4m3

20038

履带挖掘机

2

CAT320

斗容量1.0m3

20038

侧卸装载机

1

ZLC40B

斗容量1.7m3

20038

装载机

1

ZL50

斗容量2.8m3

20038

轴流通风机

2

SSF-N063

2×37KW

20038

交流电焊机

16

AX9-500

13KW

200312

钢筋弯曲机

2

WJ-40

弯筋直径40mm

200312

钢筋切断机

2

QJ-40

切筋直径40mm

200310

对焊机

1

KDZ-500

115KW

200312

发电机

1

F92-200

200KW

200310

汽车吊

1

QY25

25t

200310

液压千斤顶

2

YCW-250

250t

200312

电动葫芦

5

 

10t

200312

插入式振捣棒

16

HZ-50

1.1KW

20039

强制式拌合机

4

JS-350

12.5m3/h

200310

单液注浆泵

2

SGB-10

流量50l/min

200310

双液注浆泵

2

KBY-50/70

功率11KW

200310

拟分包的专业分包商资料表

名  称

大剧院站新增中部站厅层防水工程

分包商

深圳市莲花住宅配套工程有限公司

联系人

徐禄堂

联系地址

深圳市福田区红荔西路莲花二村

联系电话

83360168-865

传真

83363726-802

邮编

518034

与分包商签署的协议

深圳市地铁一期工程27标防水施工合同

分包商相关银行的名称与地址电话号码等

深圳市建行莲花山支行

帐号:067002610020959

其他要说明的情况:

类似工程施工经验

项    目

规    模

施工时间

完工时间

合同价

(万元)

备   注

(单项工程注明)

深圳地铁11

地铁车站一座

暗挖区间单线1101.3

200012

20026

14840.5

 

上海地铁三号线

中央公园车站

地铁车站一座

968

988

6200

 

广州地铁一号线体育西路至体育中心区间

明暗挖隧道707

9510

971

4589

 

广州地铁一号线体育东路至广州东站区间

明暗挖隧道604.5

948

958

4237

 

京珠高速公路

大宝山隧道

公路隧道左洞1586

右洞782

9512

9710

9000

双向六车道

(单洞宽14.8)

京珠高速公路

靠椅山隧道

公路隧道2949

988

20001

12000

双向六车道

(单洞宽14.8)

深圳盐坝高速公路

大梅沙隧道

公路隧道左洞713

右洞1707

983

9912

5358

双向六车道

(单洞宽13.25)

福建福泉高速公路

相思岭隧道

连拱隧道406

974

996

4600

 

广州地铁二号线

纪念堂站

地铁车站一座和

区间隧道298

20004

200112

9977

 

广州地铁二号线

鹭江站

250明挖车站和

246区间暗挖隧道

20004

200210

13795

 

中国建设银行山西省

分行综合营业大厦

41656m2 

19956

19999

29450

 

晋城国土大厦

18628m2 

199811

199912

1153

 

大同市邮政营业生产楼

22736m2 

19995

20019

3010

 

山西省保险公司

综合办公楼

39000m2 

19975

199912

6000

 

 

 

第一节        第二册

1.1.1        编制说明及目录

编制说明

一、编制范围

      本次招标的深圳地铁一期工程27标段大剧院站新增中部站厅层土建工程及其工程量清单的内容。

二、编制依据

1、业主发售的深圳地铁一期工程27标段大剧院站新增中部站厅层土建工程招标文件、补遗书和地质资料

2、业主召开的标前会。

3、我公司编制的施工组织设计。

三、采用定额

1、采用《深圳市市政工程综合价格》(2002年版)。

2、部分定额参考《深圳市市政工程综合价格》(2000年版)及类似定额进行补充。

四、工、料、机费计算

1、工费:

根据《深圳市市政工程综合价格》规定,以普通工为30/工日,技术工为40/工日,机械工为60/工日的标准计列。

2、料费和机械台班费

除螺纹钢、元钢、盘条及商品砼按业主指定价格外,其他材料按深圳市市政工程综合价格》(2002年版)有关规定和我公司调查价进行计列。

五、工程费用取费标准

遵照《深圳市市政工程综合价格》规定,按照一类工程标准取费。因投标人自身优势即深圳地铁4标段及11标段积累的类似工程成熟的经验以及配套的机械设备,投标人对其中的部分费率进行了调整。具体如下:

1、因投标人施工的深圳地铁一期工程4标段及11标段即将竣工验收,投标人本着节约资源、降低成本的原则,将以上两个标段剩余的大量可利用的生产、生活活动房屋及临时工程设施投入到27标段的临时工程设施的建设中,故现场经费按0.5%计列。(具体证明材料见附件)

2、根据投标人专为深圳地铁一期工程27标段召开的标前预备会议精神,会议决定集团公司将不再收取27标段的上级管理费间接费按1.5%计列。(具体证明材料见附件)

3、投标人本着保本经营的原则,利润中投标人核减了9.5%,按0.5%计列。(具体证明材料见附件)

六、降造及有关问题的说明

1、因投标人施工的深圳地铁一期工程4标段及11标段采用的钢支撑及大量的钢模板、脚手架均可以再利用到本标段工程施工中,投标人在考虑钢支撑及钢模板、脚手架的费用时充分考虑了以上因素,只计列了支撑及模板、脚手架的安装、拆除及摊销费用(有关证明材料详见附件)。

2、本次招标的27标与我单位施工的4标处于平行作业,因此第100章中的(监理工程师和业主现场代表)现场设施、特、大型机械设备场外运费及安拆费、维持交通费、环保措施费、劳务工保护保险费等各项费用中所需的各项设备、设施已全部在现场,我单位具备有较大降低成本的优势。

2、参考定额:在标准定额不能完全满足要求的情况下,投标人对其进行了必要的改动,为了以示区分,在参考定额的编号上做了简明的标记,例“V3-45H”

   c、补充定额:投标人参考深圳市市政工程综合价格》(2002年版)、并在其基础上做出的补充定额,投标人参考其他相关定额并在其基础上做出的补充定额,编号均为“B-X”,例如“B-1”

 

 

 

 

 

 

 

 

 

 

 

 

 

 

 

 

 

 

 

总   目  录

 

编制说明……………………………………………………………1

投标书………………………………………………………………5

投标书附录…………………………………………………………7

投标保函……………………………………………………………8

公证书………………………………………………………………9

投标人承诺书………………………………………………………10

投标报价确认书……………………………………………………11

工程量清单…………………………………………………………13

合价包干项目报价汇总表…………………………………………16

计日工清单…………………………………………………………17

投标书附件…………………………………………………………18

降造证明材料………………………………………………………164

 

 

 

 

 

 

 

 

 

1.2.1        投标报价确认书

投标报价确认书

 

 

本人对本工程投标文件的投标报价的真实性、合法性进行确认,并承担个人执业责任。

 

 

 

                         工程造价师:       (签章)

                              

00三年八月六日

 

1.3.1        投标书

投 标 书

致:深圳市地铁有限公司

1、根据已收到贵方的工程编号为  DT11-SG42/2003  深圳地铁一期工程大剧院站新增中部站厅层土建工程的招标文件,遵照《中华人民共和国招标投标法》、《深圳经济特区施工招标投标条例》等有关规定,我单位经考察现场和研究上述招标文件的投标须知、合同条款、技术规范、图纸和工程量清单及其他有关文件后,我方愿以人民币(大写)*******************  元(RMB:¥ ******* 元)的投标报价并按上述图纸、合同条款、技术规范和工程量清单的条件要求承包上述工程的施工、竣工并修补其任何缺陷。

2、我方已详细审核全部招标文件,包括修改文件(如果有的话),及有关附件,我方完全知道必须放弃提出含糊不清或误解的权力。

3、我方承认投标函附录是我方投标函的组成部分。

4、我方完全理解和接受招标文件补充条款(本补遗书第四条)的规定,并承诺一旦我方的投标出现该条列举的严重违规或涉嫌串通投标的情形而被评标委员会废标的,将自觉接受贵方暂停或者取消今后我方参加贵方其他任何工程投标资格的处理。

5、一旦我方中标,我方保证在合同专用条款中规定的开工日期开始施工,在 8月(日历月)内,质量标准达到国家现行施工验收规范(合格)标准,并在合同专用条款中规定的预计竣工日期完成和交付全部工程。

6、如果我方中标,我方将按照上述总价10%的金额提交由银行出具的保函或由具有独立法人资格的经济实体企业(担保公司)出具的履约担保书作为履约担保,共同地和分别地承担责任。

7、我方同意所递交的投标文件在投标人须知及前附表18条规定的投标有效期内有效,在此期间内我方的投标有可能中标,我方将受此约束。我方完全知道如果在投标有效期内撤回投标,投标保证金将全部被没收。

8、除非另外达成协议并生效,贵方的中标通知书和本投标文件将构成约束我们双方的合同。

9、我方理解贵方将不受必须接受你们所收到的最低标价或其它任何投标文件的约束。

10、我方的金额为人民币(大写)  ******* RMB*******元)的投标担保与本投标函同时递交。

投标人:(盖章)中铁十二局集团有限公司

单位地址:山西省太原市西矿街130

法定代表人或其委托代理人:(签字或盖章)

邮政编码:030024

电话:0351-6354010

传真:0351-6041256

开户银行名称:中国建设银行太原市河西支行

开户银行帐号:0520-26110166-266

开户银行地址:山西省太原市迎泽西大街20

开户银行电话:0351-6197129

日期:二00三 年八月六日

 

1.4.1        投标书附件

二、投标书附录

DT11-SG42/2003

项  目

条款

内容

履约保证金

58.1

履约保证金额为合同价10%

项目机构人员履约保证金

10.4

50万元人民币

提交进度计划

34.1

在  28  天内

提交现金流量估算

47.1

在  28  天内

发出开工令的时间

30.1

42  

工            期

31.1

8个日历月

里程碑误期赔偿费

57.1

每天10万元

里程碑误期赔偿费限额

57.1

缺陷责任期

43.1

结构工程为1

防水工程为3

验工计价与

计量支付证书份数

50.1

10

验工计价与计量支付证书的

最低金额

50.2

人民币壹百万元

延期付款的利率

50.10

当时银行活期存款利率

保留金

50.2

月度验工计价支付证书的百分之六(6%)

其中百分之三(3%)为防水工程质保金

保留金最大金额

50.12

合同价的百分之六(6%)

预付款的最大金额

50.13

合同价(不含计日工及暂定金额)的百分之十五(15%)

预付款开始扣回的时间

50.15

在合同价的百分之二十(20%)认证后

承包商的帐户

50.11

中国建设银行太原市河西支行(0520-26110166-266

给业主和监理的通知

7.2

业主地址:

深圳市福田区下梅林通业大厦12

地铁公司工程部

邮政编码:518049

电话:83938456

传真:83938447

监理地址:深圳市福田区下梅林通业大厦11楼     中咨公司深圳地铁监理部

邮政编码:518049

电话:83938435

传真:83938430

 

四、投标人承诺书

 

本投标人 中铁十二局集团有限公司 自愿参加招标人深圳市地铁有限公司的招标活动,对于招标人的招标文件进行认真、细致的阅读,并对招标文件具有充分的理解。

投标人郑重承诺:投标人对于自行编制的投标文件的全部真实性、合法性、准确性承担经济和法律责任。

 

投标人:  中铁十二局集团有限公司    (盖章)

 

法定代表人:                        (签名)

 

法定代表人身份证号码: **********             (签名)

 

 

 

时间:00三年八月六日

 

第一节        第三册

1.1.1        第一篇施工组织设计文件

1.1.1.1                              总说明

第一节  编制依据

一、深圳地铁一期工程27标段大剧院站新增中部站厅层土建工程《招标文件》和《招标补遗书》。

二、国家现行的有关规范规程及标准以及广东省、深圳市有关文件和规定。

三、我公司投标人员对现场考察情况和调查资料以及参加大剧院站施工的技术人员对该项工程的熟悉程度。

四、公司以及地铁4标项目部现有的人力、物力、材力和机械配备情况。

五、深圳经济特区在安全文明施工、工地保安、环境保护、职业健康、交通疏解等方面的规定;

六、我公司在深圳地铁一期工程4标及11标段施工中积累的类似工程施工经验以及开发、推广、吸收运用的新技术、新设备、新工艺。

第二节  工程概况

工程说明

1、场址及规模简要说明

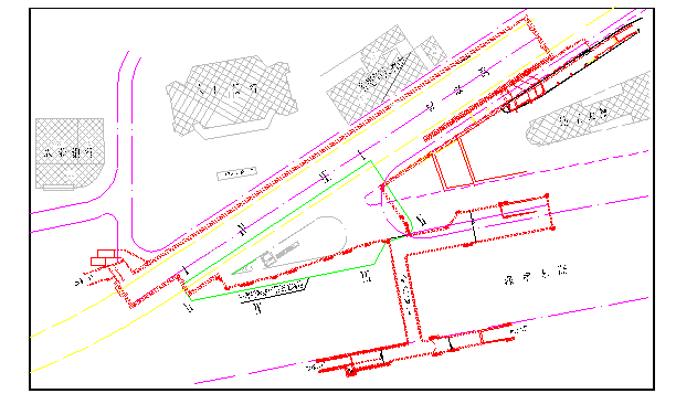
大剧院站中部增加站厅层位于解放路与深南路交叉的原三角花坛处,与地铁大剧院站站厅层、号、号通道及5#出入口相连通,南侧邻近深南大道,北侧与已完工的大剧院站站厅层相接,东侧靠近地王大厦。施工场址狭小,增加站厅层总建筑面积约为2500m2,基坑开挖深度1011m

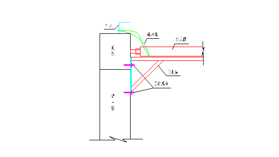
2、结构设计

中部增加站厅层围护结构设计为φ800钻孔灌注桩,间距900mm,每个钻孔灌注桩间用φ550mm的旋喷桩进行止水,与号暗挖通道接口处采用钻孔桩临时封堵,基坑竖向设2道支撑,主体结构设计采用钢筋混凝土框架结构,底板和顶板通过与先期预埋于大剧院站中板和顶板混凝土中的钢筋接驳器相接,防水采取结构自防水和柔性防水层相结合的防水体系。

大剧院站中部增加站厅层平面示意如下图所示。

 

 

 

 

 

 

 

 

 

 

 

 

 

 

 

 

 

 

 

二、工程地质、水文地质条件

本场地基底为燕山期花岗岩侵入体,经过长期风化剥蚀,形成了风化层和残积层,其上沉积了第四系全新统海冲击层,上覆第四系全新人工堆积层,地下水按赋存介质分为第四系孔隙潜水及基层裂隙水,第四系孔隙潜水主要赋存于第四系砂层、粘性土层及残积层中,其中砂层含水量丰富,具中等透水性,为场地主要含水、透水层,粘性土层及残积层具弱透水性,基岩裂隙水主要赋趣于花岗岩风化层,全风化岩、强风化岩、中等风化岩具弱透水性,由于节理裂隙水分布不均,各处含水性和透水性差异大,并且受上部残积层的阻隔,局部基岩裂隙水微具承压性,地下水径流方向由北向南,主要补给来源为大气降水,地下水对砼结构具弱分解性腐蚀,对钢筋砼结构中的钢筋具中等腐蚀性,综合评价场地的工程地质条件较差,地质断面分别见图Ⅰ-1-2-1Ⅰ-1-2-4

 

 

 

 

 

 

 

 

 

 

 

 

 

 

 

 

 

 

 

 

 

Ⅰ-1-2-1  地质断面图()  

  

 

 

 

 

 

 

 

 

 

 

 

 

 

 

 

 

 

 

 

Ⅰ-1-2-1  地质断面图()

 

 

 

 

 

 

 

   

 

 

Ⅰ-1-2-1  地质断面图()       

 

 

 

 

 

 

 

 

 

 

 

 

 

 

 

 

 

 

 

 

 

 

Ⅰ-1-2-1  地质断面图()

本场地地震基本烈度为七度。

三、施工条件

本工程地处深圳市中心区,交通、通讯十分便利。

场址周围建筑物密集,管线布置复杂,施工范围内靠近基坑南侧有通讯管线,基坑开挖前需进行改移,另可能存在不明的地下管线,施工前需重新进行探测,基坑南北侧繁忙的交通条件会给施工带来一定的影响。

整个施工场狭小,生活、生产设施布置困难。如我方中标,我们将充分利用4标项目部既有的生活、生产设施,完全克服场地狭小的不足,并将该项工程与大剧院站剩余附属工程纳入一起,统一管理。

四、工程数量

主要工程数量见表Ⅰ-1-2-1

           主要工程数量表               表Ⅰ-1-2-1

项目名称

单位

数量

φ800钻孔灌注桩

/

165/1155

φ550旋喷桩

/m

213/2200

桩顶砼冠梁

m/

149/96

挡墙

m/

125/175

支撑

1

降水

1

土方开挖

25095

土方回填

9328

板梁墙C30S8

5745

钢筋砼立柱C40

192

结构钢筋

t

1075

第三节  工程特点及重点分析

一、工程特点

1、施工场地属于深圳市中心区,且较狭小,大剧院站增加中部站厅层又位于深南路与恢复交通的解放路之间,施工期间,受外界因素干扰较大。

2、施工接口多,北侧与大剧院站站厅层的接口、南侧与号通道及5号出入口的接口、东侧与号通道的接口。

二、本工程需关注的重点

1、加强现场管理,确保对周边环境影响最小。

增加站厅层邻近交通要道,受周围限界所限,场地狭小,围蔽期间生产设施布置、运土运料车辆调度要充分考虑对环境的影响以及各工序的合理衔接转换,加强现场管理,合理安排,统一指挥,运料避开交通的高峰时段,减少对环境的影响。

2、加强施工监测,确保施工安全

施工中要加强对围护结构、支撑、结构自身变形、土体变形、水位变化、地表沉陷等监测,确保围护结构的稳定,保证主体结构正常顺利施工,保证临近建筑物的结构和施工的安全性,以监测反馈信息指导施工。

3、防水

地铁工程防水要求高。防水准则是:自身防水为主,附加防水措施为辅。为保证切实达到设计要求,施工中所有防水系统的施工工艺,必须严格执行《地下工程防水技术规范》(GB50108-2001)和《地下防水工程质量验收规范》(GB50208-2002),并安排专业的防水施工队按设计要求进行施工,特别加强以下部位的防水工作:

结构自防水;

防水层;

施工缝、接口部位的防水。

4、环境保护

工程处于市区,施工中产生的废气、废水、泥浆、噪音不可避免的对周围环境造成影响,施工期间加强环保措施建设,减小对环境污染,合理安排作业时间,采取先进合理的施工手段,减少对居民工作、休息的影响。

5、基坑开挖对周边的影响

由于基坑临近深南路与恢复交通的解放路,基坑开挖与主体结构施工期间,须加强对周边环境的监测工作,根据施工期间基坑变形的结果,适时调整和加密钢支撑的间距。

第四节  施工方案概要

一、施工方案概要

中部增加站厅层采取明挖顺作法施工,受场地限制,综合考虑并满足工期的情况下,计划分三阶段施工,第一阶段施工围护结构和降水井,第二阶段进行基坑土方和支撑施工,第三阶段进行主体结构施工。围护结构与降水井同步安排施工,基坑竖向设两道支撑,分三层从西往东开挖,主体结构分段自下而上逐层浇筑。

二、施工步骤及工序

1、施工准备:组织劳、机、材及时到位;

2、围护结构与降水井、降水施工;

2、土方分层开挖(边挖边实施降水),及时架设围囹和支撑;

3、挖至基坑底,施作C15砼垫层,找平桩壁,并在渗水部位采取墙及桩后注浆措施;

4、铺设底板、侧墙防水层,分段逐层向上浇筑主体结构,分段拆除支撑;

5、附属结构施工;

6、顶板防水,土方回填。

三、施组要点

1、精心设计,合理布局,在有限场地内尽可能布置部分生产设施,生活和其余生产设施充分利用4标项目部的既有设施;

2、合理安排交通疏解通道,确保行人和车辆的安全;

3、严格科学目标管理,严格按网络计划施工,确保总工期质量和安全;

4、优化施工组织方案,降低工程造价;

5、做好结构防水工作;

6、合理安排施工工序,妥善处理各分项工程之间的衔接关系,减少施工干扰,保证工程安全与施工的不间断进行;

7、搞好工程监测,狠抓文明施工及环境保护。

 

1.1.1.2                              施工部署

第一节 施工准备

施工准备工作是工程施工组织和管理的重要内容,是施工顺利进行的重要保证。认真细致地做好施工准备工作、做好规划,对施工中可能出现的问题采取预防措施,增加应变能力,可有效地避免施工中存在的风险,减少风险损失,对于充分发挥人的积极因素,合理组织人力、物力,加快施工进度,提高工程质量,降低工程成本都起着十分重要的作用。

一、施工动员

进场后将利用3天的时间进行施工前分层动员,首先由项目经理召集各部门负责人用1天时间进行高级管理层的施工动员;其次由各部门负责人用1天时间对其管辖范围内中级管理人员进行施工动员;再由中级管理人员用1天时间对各施工作业队工长、组长、专业作业人员进行施工动员。动员工作的主要内容:

1、介绍工程基本情况和工程意义;

2、讲述工程施工特点,施工方法及注意事项;

3、强化安全意识、质量意识和环保意识,以及文明施工作业要求;

4、强化深圳经济特区施工作业特殊条款要求。

经过以上逐级动员工作,做到施工动员普及率达90%以上;施工人员了解工程基本概况,清楚施工特点及注意事项,做到心中有数;提高思想认识,振奋工作精神,以饱满的热情、高昂的士气迎接工作。

二、施工现场准备

1、根据给定基准点坐标和高程,进行施工场地的控制测量,设置场区控制测量标桩。

2、按照施工平面图建造各项临时设施,地面排水系统,为正式开工准备好一切工作。

3、结合大剧院站出入口工程的接电点做好水、电管线的架设、安排、布置。

4、做好分包或劳务安排工作,对于需分包的分项工程提前拟定须协调的工作。

三、人员、物资、机械设备进场计划

㈠ 材料、机械的准备

1、做好材料加工和订货工作,组织建筑材料,构()件制品进场,并按规定地点和方式储存或堆放。特殊材料、物件相应作特殊处理。

2、做好施工机具租赁或订购工作。

3、根据施工平面图要求组织施工机械、设备和工具进场,按规定地点和方式存放或安装,并应进行相应的保养和试运转等项工作。

4、落实维护操作人员,所有人员均有上岗证。

㈡ 人员、物资、机械设备进场

人员及物资设备的进场总原则是根据工程施工实际进度需要和监理工程师要求,分期分批进入现场,并依据情况变化随时调整。中标后我公司应将安排曾在大剧院站施工过类似项目的队伍进场施工,并按进度计划分批调遣队伍到场,主要管理及技术人员为4标项目部原班人马。

四、技术准备

技术准备工作可分为内业技术准备和外业技术准备。

㈠ 内业技术准备主要包括:

1、认真阅读、审核施工图纸和施工规范、编写审核报告;

2、进行临时工程设施建设的具体设计;

3、编写实施性的施工组织设计;

4、编写各种针对性的施工措施;

5、结合工程施工特点,编写技术管理办法和实施细则;

6、备齐必要的参考资料;

7、据合同条款、技术规范的规定与要求,对各种临时设施符合性数据进行采集;

8、据合同文件要求,提供业主和监理工程师需要的其它资料。

㈡ 外业技术准备主要包括:

1、现场详细调查与必要的地质补勘;

2、现场测量控制桩交接埋设与复测;

3、各类工程材料的调查与合格性测试分析并编写试验报告;

4、各种仪器设备的调查与合格性测试分析并编写试验报告;

5、施工作业中所涉及的各种外部技术数据的收集与整理。

技术准备按时间进程分前、中、后三个阶段,前期是基础,中期是强化,后期是完善。技术准备工作坚决做到:准备项目齐全,执行标准正确,内容完善齐备,超前计划布局,及时指导交底,重在检查落实。

第二节 施工队伍及任务划分

根据本工程的总工程量和分项工程的性质及工期的要求,共筹建施工队伍5个,其工作划分见下表:

任务划分表                  表I-2-2-1  

序号

队伍名称

人数

任务

1

围护结构施工队

96

钻孔桩、旋喷桩及降水井施工

2

土方施工队

30

土方开挖及外运

3

支撑及钢构件加工施工队

40

钢构件加工、支撑安装

4

主体结构施工队

285

钢筋、混凝土施工

5

防水施工队

24

底板、侧墙及顶板

 

1.1.1.3                              施工总平面布置

第一节  施工总平面布置

深圳地铁一期工程27标段大剧院站新增中部站厅层位于深南路与解放路的交叉路口处,北侧与大剧院站站厅层相接,南侧紧邻深南大道,施工场地狭小,临时设施布置较为困难。如我公司有幸中标,我们将根据业主提供的招标文件,并结合4标项目部现有的临时设施综合考虑布置,以尽量减少对周围环境的干扰、遵循方便施工、节省投资为原则,在保证工期的前提下,对施工场地布置进行优化布局,主要包括场地围蔽、生产房屋、生活房屋、消防设施、沉淀池和洗车台等。施工总平面布置遵循深圳市有关工程建设和建筑法规,遵照合同文件规定的围蔽范围和临时设施修建标准、符合消防安全等规定进行布置。具体布置见施工场地总平面布置图I-3-1-1

1、施工管理区:即现有的4标项目部驻地,为双层活动板房和单(双)层砖砌房,具有办公和生活居住双重功能。设有现场办公室、会议室、值班室、医务室及职工食堂、宿舍等。食堂、浴室、厕所采用砖混结构;办公室、生活住房采用双层活动房,生活住房按施工高峰期施工人员数量按人均居住面积2.5m2建设。

2、施工机械设备维修停放场在施工现场灵活布置。

3、总动力室分别为配电房、发电机房、变压器,内设总配电箱,并安装200KW发电机2台;压风站按6m×8m布置。设双层围蔽并采取隔(消)音措施,以减少噪音污染。

4、场地硬化:整个施工场地除基坑开挖范围外,全部进行硬化,硬化方式采用10cmC15砼,施工便道浇150C20砼。

5、施工围蔽:为创造文明施工整齐划一的施工环境,本工程围蔽结构采用砖墙围蔽,围蔽高2.3m,具体做法严格按深圳市地铁有限公司的有关要求进行。

6、洗车台:施工区大门口设洗车台,所有车辆必须冲洗干净后方可出场。

7、门卫:出入口设置砖混结构值班室,负责场内的安全保卫及进出人员、车辆的登记检查工作。

8、食堂:砖混结构,墙、地面均贴瓷片。灶台、窗口、洗涤台、案板台均贴瓷片,便于清洗,保证饮食卫生。

9、厕所、浴室:砖砌结构,墙面、地面均贴瓷片。

10、监理用房:监理用房使用4标项目部现有的监理生活和办公用房。

11、工地试验室同样使用原4标项目部工地试验室。

第二节  临时供电、供水及通讯

一、临时供水

在原业主提供的大剧院站接水点位置布置DN100主供水管至施工场地,施工用水由接口引至施工现场,于现场布置环行主供水管,中间设支管分送至各个用水点,临时供水系统见施工总供水系统图I-3-2-1

二、临时供电

施工用电从大剧院站原接电点接入,用软质电缆或移动式配电箱供给各用电处,供施工用电,施工现场供电线路均采用三相五线制。另外,自备200KW发电机一台,通过电源切换箱备用于停电情况下的照明、排水以及负荷许可情况下的适当动力用电,以减少停工损失,保障工程工期。

为尽量减少对施工的影响,动力线路、照明线路、生活用电线路等低压线路尽量沿围墙采取架空方式铺设,在与施工发生干扰又不可避开的情况下采用电缆敷设。工地照明在施工场地四周设10m高灯柱,架设高压卤素灯,以满足施工照明的需要。另采用沿围墙立电杆安装普通照明灯作为辅助照明。详见施工总供电系统布置见图I-3-2-2

三、现场通讯

现场通讯由四台程控电话解决(其中两台与电脑联网),分别安装在项目部和监理办公室,以便承包商对外联络及业主进行网络化管理。施工现场设对讲机10部,供施工负责人和各作业班组联络使用。

第三节   施工排水与地表水控制

施工现场设置连续、顺畅的排水系统,合理组织排水。在施工区和基坑四周设环形排水沟(主排水沟0.3m´0.4m),排水沟穿越道路时采用埋管或加设盖板,排水沟墙身采用120砖墙砌筑,水沟底采用M5砂浆抹面,场内积水引入主排水沟,经沉淀池沉淀后排入市政污水管道。基坑水通过坑内排水沟和集水井利用水泵抽至上部排水沟。

在施工场地内还将设置沉淀池和冲洗槽,所有的生活或其它污水经处理后排入市政排水管网,未经沉淀处理的一律不得排放。

第四节  施工现场管理

施工现场管理水平的高低,是决定一项工程质量优劣的重要因素,为确保新增中部站厅层的施工质量,我们仍将选用地铁4标项目部的管理和技术人员组成27标施工现场领导班子,结合在大剧院站2年多的施工和管理经验,继往开来,锐意开拓,严格遵照ISO9002标准执行,按项目法进行施工管理。忠实执行合同条款、业主的指示和要求,采取各种有效措施,确保工程工期。

安全工作是现场施工的一项主要内容,安全需要高于一切需要,这一观点将指导本工程施工的全过程。

有关质量、工期、安全及应付突发风险和事件的具体措施,将在后面的保证措施中加以详细的阐述。

施工现场管理严格按照深圳地铁工程现场施工管理办法进行施工现场管理,创建标准文明工地。主要加强以下几方面管理:

1、安全保卫工作

现场实行封闭式管理,大门口设门卫,所有进出场地人员、车辆须登记检查后方可放行,以避免对施工现场的干扰。项目经理部设环保治安部,专门负责现场的治安保卫工作,联系和争取当地派出所配合管理施工现场的治安,保卫所有进入施工场地人员的安全,在施工管理区及施工现场各作业点配置足够的消防灭火器材,确保防火安全。全体施工人员必须佩戴胸卡方可进入施工场地,外部人员进入施工现场需有项目部人员陪同。严格遵守施工现场保卫制度和防火安全制度。

2、现场环境卫生

施工现场要求各作业班组做到工完料尽,模板、钢筋、脚手架、施工机具等必须放置整齐或送至料场堆放,不得乱摆乱放。成立清理班,负责对排水沟进行维护清理;对厕所、浴室等公共卫生区进行清扫和保持;确保现场交通、排水排污系统的正常运转。现场管理人员必须严格要求各班组及加强对泥浆系统和淤泥排放的管理,严禁泥浆和淤泥在场地内任意排放。宿舍、办公室由职工轮流值班清洁。严格按照文明卫生管理制度和责任检查考核办法经常进行检查评比,奖优罚劣。

3、污水排放

制定施工现场污水排放方案,并同当地市政环卫部门取得联系,报其批准后铺设管道将污水引入市政污水井排放。排放污水确保符合市政排污的有关规定。

4、精神文明建设

加强对职工队伍及劳务人员的管理和思想教育,建立健全党团机构,正常开展活动。进场前组成职工学习城市建设及地铁施工规定,进行必要的政策法规学习和宣传。

严明施工纪律,加强法制教育。在职工中开展各种劳动竞赛和健康向上的娱乐活动,坚决杜绝黄、赌、毒事件和一切违法乱纪等事件的发生。及时将市政府和地铁公司的有关指示、要求及地铁施工纪律和管理制度在全体职工中传达贯彻,发扬我公司的优良传统,以过硬的政治素质,严明的组织纪律,吃苦奉献的工作作风,创建一流工程、树立企业形象,为深圳市的精神文明建设作出贡献。

按照深圳市和地铁公司创建文明工地的条件要求,完善各种宣传标示和警示标志,完善各种设施。

5、环保措施

对场地内应保护的各种管线、花木、构筑物等采取加设护栏、悬挂提示标志的方式妥为保管,并由专人经常检查防护,以免施工机具和人员等对其造成破坏,施工完毕后将其完整无损的移交。

6、机械车辆管理

加强对各种施工机械车辆的管理和维修保养,保证机械完好率,满足正常施工的需要。施工场地内设专门区域停放各种机械车辆,并采取相应防护措施。

7、材料管理

现场内各种材料分类存放、堆码整齐,根据不同材料,分别采取防水、防潮、防火措施。

8、质量安全管理

分别成立质量、安全管理机构,专门负责工地内施工质量和安全,对施工人员进行教育,以保证工程顺利进展,避免发生各种事故。

9、其它管理

施工前,健全消防、治安、抢险、环保等组织机构,建立工地医务室,分别负责防火工地治安、抢险和施工人员的医疗保健。

第五节  交通疏解

一、交通现状

地铁一期工程27标段与4标段大剧院站南侧围护结构相接,其南侧紧邻深南大道,目前,从蔡屋围酒店进出的车辆和行人主要是通过大剧院站的钢便桥通行,而新增中部站厅层施工场地主要占用了原深南路与解放路交叉口处的绿地,封堵了蔡屋围酒店通往深南路口的主要通道,即由4标项目部施工的钢便桥出入口。工程开工后,从深南路到解放路的通行基本维持原大剧院站的交通疏解方案,蔡屋围酒店到深南路的车辆和行人需采用绕行。

二、交通疏解方案

新增中部站厅层施工前,靠近其北侧的解放路必须实施半幅围闭,另半幅路自蔡屋围酒店至名仕阁和蔡屋围街方向实施半幅开通,从深南路到解放路的车辆可从大剧院东侧(农行前)或宝安路口绕行,另从新增站厅层西侧新建3宽的人行道顺接深南路与解放路临时道路,确保蔡屋围街和解放路及深南路行人相互通行,并新建地王西侧停车场出入口通道与解放路临时道路顺接,基坑施工前,拆除蔡屋围天桥北侧梯道,在天桥西侧新建天桥梯道。新增中部站厅层施工期间交通疏解方案见图I-3-5-1

 

1.1.1.4                              管线保护及配合施工

第一节  管线现状

大剧院站新增中部站厅层施工界内以及附近地下管线众多,主要有上水、污水、雨水、通讯管线、煤气管线,基坑北侧主要是大剧院站施工时解放路的给排水改移管线,目前,此处管线已改移至解放路北侧,基坑施工前,需废除此处管线。基坑南侧主要是24孔的通讯管线,走向顺基坑开挖边界,靠近基坑南侧为深南路的雨污水管线,走向顺深南路东西方向,施工前,通讯管线需改移至解放路北侧,靠近基坑的深南路雨污水管线需向基坑南侧改移。具体处置见表I-4-1-1

管线及处置表表I-4-1-1

管线名

规  格

管  材

埋深(m)

位        置

处置措施

上水管

DN800

2.0

基坑北侧

改移

DN800

混凝土

2.0

靠近基坑南侧

改移

煤气

φ300

1.5

基坑南侧

改移

雨水管

φ800

混凝土

2.5

基坑北侧

改移

φ800

混凝土

2.5

靠近基坑南侧

改移

电话

24

 

1.5

基坑南侧

改移

污水管

φ600

混凝土

3.0

基坑北侧

改移

φ600

混凝土

3.0

靠近基坑南侧

改移

第二节  管线保护与配合施工

一、管线保护

1、在基坑土方开挖施工前,首先组织劳力对明挖区域内沿基坑纵横向每隔一定距离开挖管线探查沟,以便发现未改移或未知的管线,在探明基坑内确实无管线后,方可采用机械开挖,并在开挖第一层土方时有意识放慢开挖速度,以免损坏已知的或未知的管线。

2、基坑开挖前,对基坑附近管线提前预埋监测点,施工期间,有专人负责对管线作定期周期性监控量测检查,发现问题及时采取相应的措施。

二、管线施工的配合

1、积极配合建设单位和管线施工单位对施工区域内和基坑附近的管线做详细调查,如需改移时,给管线改移施工单位提供足够的场地,使管线迁移顺利完成。

2、将明挖施工计划提供给业主和改移管线的施工单位,使管线改移有计划地进行,并保证管线改移能在施工场地围蔽前完成,给明挖施工提供施工条件。

 

1.1.1.5                              中部增加站厅层施工方案和施工方法

第一节  中部增加站厅层施工方案概要

一、方案概述

中部增加站厅层位于解放路与深南路交叉的原三角花坛处,与地铁大剧院站站厅层、号通道及5#出入口相连通。与号通道接口处用钻孔灌注桩进行临时隔离,假如我单位中标就可以将中部增加站厅层、号通道、5#出入口、号通道作为一体统一组织、协调并行施工,省去接口处的临时隔离桩。中部增加站厅层采取明挖顺作法施工,围护结构为φ800钻孔灌注桩,间距900mm,钻孔灌注桩间用φ550mm的旋喷桩进行止水,防水采取结构自防水和柔性防水层相结合的防水体系。

二、中部增加站厅层施工组织概要

中部增加站厅层工程分三阶段施工,第一阶段施工围护结构和降水井;第二阶段进行基坑土方和支撑施工;第三阶段进行主体结构施工。

㈠ 工期概述

第一阶段围护结构包括降水井计划在2个日历月内完成。

第二阶段基坑土方开挖、支撑包括降水、冠梁施工计划在2个日历月内完成。

第三阶段主体结构施工包括降水和土方回填计划在4个日历月内完成。

由于基坑土方开挖一个月后就可进行主体施工,所以计划在7个半月内完成所有工程。具体详见第六章施工进度计划横道图及计划网络图。

㈡ 施工组织概述

1、围护结构及降水计划3台桩机同时施工,钢筋笼的制作及其他临时施工用地均利用现有场地的硬化路面,钻孔前,在场地内施做临时泥浆循环池,废弃泥浆及时进行清理外运。

2、考虑施工场地成东宽西窄不规则的三角形,且已完工的大剧院站顶板不利于行走重型机械,以免增加顶板的荷载,所以基坑土方的开挖及支护计划从西往东开挖,充分利用东端较宽的现有场地临时堆放、拼装钢支撑,达到边开挖边支撑的设计要求。由于施工场地四周没有通长的临时道路供重型机械行走,拆除钢支撑时,计划利用千斤顶卸载后就地进行拆解,分节人工吊装。

3、主体结构施工临时用地主要利用现有2#出入口已施工完后空出的施工用地,水平垂直运输主要采用人工搬运,下基坑采用简易滑板,滑至基坑再人工搬运。

第二节  基坑围护结构的施工

一、基坑围护结构概述

基坑围护结构采用φ800钻孔灌注桩和φ550旋喷桩的组合排桩,φ800钻孔桩共设计165根,间距900mm,总桩长2392.5m,砼1155m3φ550的旋喷桩166根,总桩长2200m

二、施工组织安排

计划进3GZQ-800旋转钻机,55天内完成165φ800桩的施工任务,2台旋喷钻机30天施工完旋喷桩。机械投入见表I-5-2-1。投入劳力每台钻机8人,每台旋喷机6人,钢筋笼加工60人,共计投入劳力96(不包括管理、技术人员)

三、φ800钻孔桩施工方法和技术措施

1、根据地质勘探资料及工程量,选用3GZQ-800型钻机,进行正反循环回旋钻孔灌注作业。

钻孔桩机械设备配备表       I-5-2-1

序号

设备名称

规格

单位

数量

备注

1

φ800旋转钻机

GZQ-800

3

每台配φ800钻头

2

旋喷机

EDJ-30

2

 

3

吊车

QY-35

1

 

4

泥浆泵

3PN

3

 

5

抽水机

QY-25

6

大剧院站工地现有

6

电焊机

AX9-500

4

 

7

对焊机

UN-100

1

 

8

切筋/弯筋机

QJ-40/WJ-40

1/1

 

2、工艺流程图见图I-5-2-1

 

 

 

 

 

 

 

 

 

 

 

 

 

 

 

 

 

 

 

 

I-5-2-1  钻孔桩施工工艺流程图

3、桩位测量和护筒埋设

施工前与大剧院站现有的导线点进行联测,并核对中心线方向和水准基点,无误后利用主体结构的轴线位置,采用全站测距仪和水准仪测量定位,准确定出桩位点于地面上,为了保证结构的净空尺寸,钻孔桩放样时每侧外放8cm。孔口护筒采用5mm厚钢板带卷制而成,护筒内径φ1000,护筒高2.0m,埋深1.5m,护筒顶高于地面0.5m,筒内浆面口高出地面0.3m。护筒开挖前埋设护桩,以便核对桩心位置,开挖后脚底及背后粘土回填密实,护筒中心与桩中心的偏差不得大于5cm

4、钻孔作业及技术措施

钻孔桩施工采用3台钻机,采取隔离桩从西往东进行施工,在相邻桩砼达到70%的设计强度后,方可成孔施工中间桩。

钻机安装:安装底盘放于孔口位置,装上底盘支腿并支撑平稳和装上移位机构,在底盘上依次安装钻架、支撑及动力系统。

调正、调平钻机,装入钻头使钻锥对准孔位中心,旋转钻进。偏差不得大于20mm

计划设2个泥浆站(造浆池、沉淀池、回流沟槽),每座浆站产量30m3左右,储备量20m3,浆池容量50m3,考虑2台钻机共用1个泥浆站。

泥浆制配:建立泥浆站(造浆池和沉淀池)后,使用膨润土或高塑性粘土造浆,泥浆比重,进入砾砂层及风化带时控制在1.31.5,其余土层比重控制在1.11.3,泥浆粘度符合规范要求;使用泥浆泵送浆至钻机入孔。

钻进速度控制:在砾层及全风化带中钻进速度不超过3m/h。其余土层不限,每孔成孔时间控制在68小时,入土深度满足设计要求,并做好钻进记录。

钻进过程始终保持导向装置良好,保证垂直度。如遇钻孔倾斜,扫孔纠正无效时,在孔内回填风化岩块,至偏孔处以上0.5m,冲砸密实,再重新钻进;如遇钻孔塌孔,立即停钻,回填粘土,待孔壁稳定后再钻。

5、清孔

当钻至设计标高后,停钻。经检查签认后,开始清孔,空转循环换浆清孔时间视孔深浅而定,清孔后,成孔质量必须符合以下要求:

桩径偏差-30mm+50mm以内。作一个外径为0.8m,长为3m的钢筋笼进行孔内扫孔检查,保证孔径满足要求。

清孔后,孔底0.21.0m处泥浆比重控制在1.151.25,粘度≤28s,含砂率≤8%

控制孔底沉碴,使沉渣厚度符合设计要求,否则重新清孔至符合要求。

桩位偏差控制在50mm以内,成孔垂直度1/100H内。

6、钢筋笼加工和吊装施工

场内钢筋妥善保存于工作棚内的硬化地面上,并有防潮垫木,防止锈蚀。

钢筋现场加工:使用切、弯筋机下料,主筋连接采用闪光对焊接长,为保证接质量,施工人员必须有特种工上岗证,并且从已加工好的钢筋笼上取样保证焊接质量,箍筋与主筋绑扎牢固,焊缝质量满足设计文件和规范要求。

钢筋笼制作满足设计并符合以下要求:

钢筋笼允许误差表        表I-5-2-2

序号

项        目

允许偏差(mm)

1

主筋间距

±10

2

箍筋间距螺栓筋的螺距

±10

3

加强箍筋间距

±50

4

笼直径

±10

5

笼长度

±50

钢筋笼的制作:


主筋接长采用对焊接长,组装钢筋笼时,主筋接头应互相错开,保证35倍主筋直径范围内的接头数目不多于主筋根数的50%。相邻主筋接头错开距离及主筋焊接形式应符合规范要求。对焊完成的主筋在下料时满足设计长度,准确加工加强筋,使加强筋尺寸满足钢筋笼的直径要求,将主筋位置用红油漆准确画于加强筋上,每条主筋均焊接于加强筋标出的主筋点位上。主筋骨架焊好后,在笼体面上按设计间距绑扎螺旋箍筋或焊上箍筋。为控制保护层厚度,桩长每隔3m笼周围设4根,如图I-5-2-2所示。

I-5-2-2  钢筋笼定位及保护层示意图

钢筋笼的吊放入孔及控制钢筋笼位置不偏移的技术措施:

1) 钻孔桩钢筋笼每桩一根钢筋笼一次性入孔到位,吊车起吊钢筋笼时必须采用主付吊勾3点同时起吊,主吊勾吊前点,付吊勾吊后2点,钢筋笼吊起后在空中将钢筋笼倒转竖立垂直,然后解开付吊勾,由主吊勾将钢筋笼垂直吊入桩孔内,避免钢筋笼受力不均产生变形。

2) 提高钢筋笼加工制作的工艺水平,Φ20加强箍的加工要圆,主筋与加强箍的所有接触点焊接或绑扎牢固,不允许漏焊、漏绑,每根箍筋紧贴主筋间距均匀,Φ20加强箍布置间距适当加密,增加钢筋笼的整体刚度。

3) 钢筋笼安放时精心调整,使钢筋笼位于桩孔中心,钢筋笼支好确认位于桩孔中心时,桩顶使用4根吊筋焊接固定于钻机钻架上,确保钢筋笼的上下位置准确。

7、水下灌注桩内砼及技术措施:

安装导管和漏斗:采用Φ250钢管制作砼导管,壁厚3mm以上,管长由1m2.5m3m等管节组成,下管前先进行密封试验,保证接头可靠密封;导管吊起垂直入孔,位置居于桩孔中心,先下至孔底然后提升导管,使下口距孔底约0.4m,导管上口设漏斗,并在漏斗底口设置可靠的隔水设施,隔水采用球形砼预制块,用铁丝系于漏斗上口的提升环上。

灌注砼:砼采用商品砼,由砼输送车从砼生产厂直接运送到工地,并按规范作好记录,首批砼的斗内数量能使导管埋入不少于0.8m为宜。

储存砼灌注后,经检查、无串浆、漏水、导管埋深符合规范,即可正常进行水下砼灌注。

灌注开始后应紧凑地连续进行,严禁中途停工。导管提升应保持位置居中,根据导管埋深度准确提升高度,拆除导管动作要快,每次拆除控制在15分钟内完成。

灌注砼的全过程有专人检查量测,严格控制砼坍落度在160200mm内,并经常检查,详细做好水下砼灌注记录:即灌注时间、初存量、砼面高程、导管埋深、完成灌注面的高程、总砼量等,并制做砼试件,每根桩制作砼试件频率不少于规范要求。桩头超灌满足设计和规范要求。

四、Φ550旋喷桩施工

1Φ550旋喷桩布设于两个Φ800钻孔桩之间起止水和防渗作用,共计166根。

2、施工计划安排在施工完钢筋砼灌注桩一半时就进行Φ550旋喷桩施工,安排2台旋喷机,日产量成桩每台机3根左右,计划一个月内完成。旋喷桩的完成时间控制在钻孔桩完成后2天内结束。

3、旋喷桩施工方法和技术措施

根据地层特性选用三重管高压旋喷机旋转喷射纯水泥浆成桩止水和防渗。

旋喷桩施工的工艺流程如下:

 

 

I-5-2-3  旋喷桩施工工艺流程图

施工方法和质量措施

1) 清理平整场地,测定旋喷桩桩位。

2) 旋喷机就位,调试风、水、水泥浆及管线,使水压大于20Mpa,水流量大于70L/min,使空压机压力大于0.7Mpa,排量大于1.53m3/min

3) 按设计的压力进行旋喷,提升速度为10cm/min,旋喷时除水、气达到上述要求外,注浆泵压力≤1Mpa,排量大于100L/min。浆液根据配方试验确定,浆液材料按工程进度进行配料。

4) 旋喷高度至现有地面土层位置停机,将旋喷管提出地面,移机至下一桩位。

5) 旋喷桩施工的机械配备表:

旋喷桩施工机械配备表       表I-5-2-3

名  称

性      能

数量

用   途

高压泵

3W-TB4高压柱塞泵,带压力流量计,

2

高压水助喷

泥浆泵

水泥浆液流压力≤1mpa

2

旋喷注浆

空压机

压力0.7Mpa排量9m3/min

2

旋喷用气

旋喷机

 

4

成桩

6) 施工注意事项:水泥浆在旋喷前1小时内拌制,水灰比宜用1:1,旋喷过程中耗浆量控制在1025%,由下往上喷浆,注浆管分段提升的搭接长不小于100mm,相邻两桩施工间隔时间大于两天且大于2m的距离。

第三节  降水井及降水施工

根据地质资料,本场地地下水主要为第四系孔隙潜水及基岩裂隙水。第四系孔隙潜水主要赋存于第四系砂层,粘性土层及残积层中,其中砂层具中等透水性,为场地主要含水、透水层,粘性土层及残积层具弱透水性。

地下水径流方向由北向南,主要补给来源为大气降水,中部增加站厅层降水采用φ800管井井点降水,井管直径φ500

一、降水井的设置 (计算程序参考《交通土建软土地基工程手册》)

1、井深确定

D=H+h+i+r1+l=10+1.7+1/10×5+3=16.1m

降水至底板下0.5m为降水后地下水位安全距离,井深至底板以下5-6m为宜。

2、井点管数确定

基坑涌水总量估算:

基底土壤的空隙率γ=e/(1+e)=0.89/(1+0.89)=0.471

e空隙比,查表e=0.89

⑵ Q=F面积×K(渗透系数)×γ=(34.184+6.901)×90.8×0.5×1.0×0.471=878.5m3

单井出水量:

q=65πdl√K=65×3.14×0.5×1.2×√1 =122.5m3/d

d—井管直径,l—滤管长取1.2m

降水井个数:

n=878.5/122.5=7.17   8个。

综合工程场地拟布置8个降水井。

3、降水井的间距:

h=(90.8-12)/5=15.76m    间距取15.76m

4、降水井平面布置见图I-5-3-1

 

5、降水井施工程序及施工方法

施工程序:井位放样钻孔成井回填井底砂石垫层下井管回填过滤层洗井安装抽水电路、管路试抽正式抽水。

6、降水井施工方法

使用GZQ800型旋转钻机成Φ800的孔;井深钻孔至设计深度后,进行清孔,井底回填砂石垫层50cm。然后将井管就位;井管应居于孔的中间,安放垂直,井管与土壁之间填充小卵石。然后采用空压机清洗滤井,冲除沉渣。水泵采用扬程35m2.2kw潜水泵,用绳吊入井管中,居中安放平稳;出水管接入主排水沟;所有设备安设完成后可进行试抽,满足要求后进行正式抽水。

7、井管的制作:使用Φ500钢筋笼外包双层滤网制成井管。降水井构造示意
见图I-5-3-2

I-5-3-2  降水井示意图

8、降水:当围护桩施工完一部分后就穿插着开始施工降水井,每成井一个即开始自动控制抽水,以便于有效的降低地下水位,在围护桩完成一天内完成降水井施工并全面降水。

二、水位观测井的设置

1、观测井的具体布置见图I-5-3-1

2、观测井构造:潜水面以下设置滤水管,采用硬质PVC管,直径为50mm,管壁钻孔,外包土工滤网,滤水管与土孔之间回填砂滤料,地下水面以上安装实管。井口应比地面高出20cm,防止地面水或其他物质进入孔内。观测井超过基坑底部2.0m

第四节  挡土墙的施工

一、施工安排

由于大剧院站顶板回填土目前已全部回填到位,进行挡土墙施工前必须将挡土墙施工范围内的回填土先清运出去,再进行挡土墙的施工,挡土墙施工完后,挡土墙迎土面的回填要重新进行回填压实,在回填压实时背土面的模板支撑不要拆除,防止在夯实的过程中使挡土墙移位变形,重新回填压实后要及时进行恢复上面的路面,使挡土墙与路面形成一整体,保证后期支撑受力的稳定性。

二、工期组织

由于挡土墙属于基坑开挖时支撑一端的支撑墙,为不影响基坑开挖和支撑的安装,所以挡土墙必须在基坑开挖前施工完毕且砼达到100%强度。

目前大剧院站顶板挡土墙施工范围无任何障碍物和管线,中标后挡土墙施工可以安排与前期管线改移或围护桩施工期间同时进行,不占用总体工期。

三、施工方法

挡土墙主要是钢筋砼结构,其施工程序、要求和有关的标准及规定基本上跟后期的主体工程结构施工相同,有关工艺标准及要求参见主体结构相应章节。施工顺序为配合土方的开挖及支撑由西向东施工。

第五节  土方开挖及支撑安拆

中部增加站厅层采用明挖顺作法施工,基坑开挖土石方共25095m3开挖深度为11m左右。

整个基坑支撑系统采用两道钢管支撑,大于24m的跨度用δ=14mm的壁厚,小于24m的跨度采用壁厚δ=12mm,由于前期大剧院站主体施工采用的均为δ=16mmΦ600钢管支撑,如我方中标,可以充分利用现有的钢支撑,且完全能满足设计要求。第一道钢支撑没有钢围囹直接撑在挡土墙和冠梁上,主要间距6m;第二道钢支撑设有钢围囹,间距3m

一、准备工作

1、冠梁施工

在围护桩施工完一半后,及时根据施工图设计测设出冠梁的位置,由西向东进行冠梁施工,冠梁施工时,应结合钢支撑的设置方案,在冠梁上预埋钢支撑支点及防滑脱的吊钩,冠梁在围护桩完成后10天内完工。

2、提前进行降水(即每做好一个降水井即进行降水),确保地下水位始终控制在开挖线0.5m以下。保持基坑干燥,创造有利条件。

3、充分利用现有场地的硬化路面,规划好土方开挖的行车路线和钢支撑堆放拼装位置,确保能连续有效的开挖施工,加快进行支撑安装,减少地层移动。

4、针对基坑支护桩的周围环境,编制详细的监控方案,并作好监测点的布设和监测仪器的调试,作好监测准备工作,确保深南大道和周围地下管线的安全。

5、将围护桩施工时的泥浆站及泥浆处理好,防止影响土方开挖。

6、大型挖土机械设备的调配及进场就绪完毕。

7、开挖前,破除原大剧院站与本工程基坑接口部分的地下连续墙上冠梁和顶板以上50cm的地下连续墙。

二、土方的开挖及回填

1、土方开挖施工工序见框图I-5-5-1

 

 

 

 

 

 

 

 

 

 

 

 

I-5-5-1  土方开挖施工工序框图

2、基坑土方的开挖

基坑土方开挖采用分段分层接力法开挖,中部增加站厅层基坑为西窄东宽的三角形,基坑外没有有利的施工场地可供堆放和拼装钢支撑使用,从考虑利用临时场地出发,采取由西向东开挖,利用东端宽的地方堆放及拼装钢支撑。

土方开挖分段示意见图I-5-5-2,土方分段接力开挖示意见图I-5-5-3

分段原则

每个土方开挖分段以能作一节结构段为宜,第一开挖段比第一个施工段长2m,便于结构施工段的清理,防止土污染结构施工工作面,整个基坑分为8个施工段。

 

 

 

 

 

 

 

 

I-5-5-2  土方开挖分段示意图

 

 

 

 

 

 

 

 

I-5-5-3  分段接力土方开挖示意图

开挖方法

1) 开挖方向由西向东,最后由5#出入口方向出基坑。

2) 先由一台挖掘机挖出第一个施工段第一个台阶7m的土方后,第二台挖掘机开始进场,2台挖掘机接力开挖。

3) 分段分层开挖的同时,每层的横向钢管支撑应及时安装,保持基坑的稳定,对于开挖口布置的1-2根支撑,由于机械旋转影响无法及时安装,采用临时支撑的办法,先在开挖口上方不影响机械旋转位置设临时支撑,等开挖面有足够位置时,再安装正式支撑,拆除临时支撑。

4) 当机械开挖至基坑底面时留出300mm厚土方由人工进行开挖,并紧跟挖机进行,最后及时施作垫层砼封闭基底。

5) 每段开挖的台阶作成向外的斜坡以排除雨天积水,在基坑底设置临时排水沟和集水井,用潜水泵排干雨水,保持作业面干燥。

当完成一个分段土方后,及时组织垫层施工,将基底封闭,然后进行防水层和主体结构施工。

基坑开挖到设计标高后,将降水井凿平,在垫层施工后防水板施工前及时进行封堵。

当台阶开挖到最后时,挖机由5#出入口退出,出入口有斜坡道,可以避免吊运土方,直接退出。

基坑边开挖边对围护桩进行凿毛清理;用喷射砼填平桩间凹缝,表面用水泥砂浆抹平为支撑安装提供条件,有渗漏处应先作防水堵漏处理,达到无水条件后,进行柔性防水层施工。

基坑挖土的注意事项:

1)挖机开挖过程中必须特别注意安全,严禁机械设备碰撞支撑;

2)有专人指挥吊斗出土和机械挖土,并设专人每日检查支撑的受力情况。发现松动立即加固。

3)基坑挖土配足够的抽水设备,遇暴雨能迅速排干坑内积水,防止基坑被淹。

4)为了基坑横支撑的稳定,必要时在基坑中心轴线上沿纵向加设支柱,将横支撑托架,减少支撑的细长比,防止支撑的失稳。

5)基坑开挖完成后及时办理基底验槽及隐蔽签证手续。

基坑偏差应符合表I-5-5-1的要求

          基坑允许偏差表             -5-5-1

序号

项    目

允许偏差

mm

检验频率

检验方法

范围

点数

1

坑底高程

+10    -20

每段基坑或长50m

5

用水准仪

2

纵横轴线

50

2

用经纬仪

纵横向各侧

3

基坑尺寸

不小于设计

4

用尺量各边

各计1

3、土方的弃运

根据深圳市的实际情况,土方外运只能在晚上进行,白天基坑土方堆于东西两端的存土场,淤泥凉干后方可运走,堆放场地应满足要求。

弃土堆放应有稳定、规则的形状,周边设置临时排水沟。外运土方应按市政府有关规定,进行严格管理。

钻孔桩的出渣和废泥浆,均应固化后或用专门车辆运输,防止污染环境。

4、结构顶土方回填

本工程主体结构顶回填土方量为9328m3。在顶板防水保护层的强度达到设计要求后,开始回填。

土质要求:结构顶板以上不少于0.5m厚度内必须全部采用粘土回填,其余部分回填料可采用一般土(符合要求)进行回填。

回填摊平、夯实:每层厚度2030cm内,控制在填料最佳含水量时填筑。结构顶板50cm范围内以及管线周围应采用人工使用小型打夯机夯实,夯与夯之间重叠宽度不小于1/3宽度。其余范围内采用机械压碾,碾压轮迹搭接不小于20cm。检查密实度合格后填下一层。

注意事项:回填土施工时,机具不得碰撞防水保护层和周围管线。回填高度不一致时,应从低处逐层回填压实。

三、钢支撑的安装及拆除

1、为确保明挖基坑挖土和结构施工时,围护结构不发生超过允许的变形,根据基坑深度和计算围护桩的抗变形能力,基坑竖向设置2道钢支撑,西端末设置斜支撑2,东端头每个角设斜支撑3道,竖向第一道支撑间距6m,第二道支撑主要间距3m,钢支撑布置形式见图I-5-5-4,基坑支撑平面布置见图I-5-5-5,钢支撑剖面见图I-5-5-6、图I-5-5-7

 

 

 

 

 

 

 

 

I-5-5-4    钢管支撑布置形式图

 

 

 

 

 

 

 

I-5-5-5    钢管支撑平面布置示意图

 

 

 

 

 

 

 

 

 

 

 

 

I-5-5-6    钢管支撑剖面图㈠    图I-5-5-7    钢管支撑剖面图㈡

2、钢管的接长:按设计需要的钢管长度,准备好每根支撑钢管,如钢管长度需要接长时,在钢管接头处焊接上连接法兰盘,对接有法兰盘的钢管使用螺栓拧紧,接长至设计长度,接长示意图见图I-5-5-8,所有的钢管均利用原有的大剧院站钢支撑,钢支撑分节运至现场后,利用吊车拼装接长,再用吊车起吊安装固定。

 

 

 

 

 

I-5-5-8    钢管支撑接长示意图

3、支撑的安装:先按设计施工图的布置间距,在围护桩和冠梁及挡墙上定出支撑中心点位,以中心的水平线为基准,准确画出支撑牛腿的位置,在螺栓点位上使用手持电钻在围护桩上钻眼,打入膨胀螺栓,然后安装牛腿和钢围囹,第二道支撑的钢围囹仍然利用大剧院站原有的钢围囹,号钢板固定于螺栓上与围护桩贴紧,依次焊上号钢板,外号钢板,号两侧挡板,号钢托板及号钢肋板。安装图详见节点A大样(I-5-5-9)B大样(I-5-5-10)、斜撑头处大样示意图(I-5-5-11)。安装斜支撑时,加焊防滑挡块,防止加力时支撑受力侧滑。支撑牛腿安装好后吊装φ600钢管支撑置于牛腿上,一端与桩顶紧,一端用千斤顶(或加力器)及时对钢管施加预压力。压力值满足设计要求,当预加力到达标准后,在伸缩头间加锁紧片,松下千斤顶,使钢管横向支撑于坑内。

 

 

 

 

 

 

I-5-5-9   钢管支撑安装节点A大样

 

 

 

 

 

I-5-5-10   钢管支撑安装节点B大样

 

 

 

 

 

 

I-5-5-11   斜撑头处大样示意图

第一道支撑没有钢围囹,直接安装在冠梁和挡墙上,见图I-5-5-12

 

 

 

 

 

 

 

I-5-5-12   第一道钢支撑安装示意图

4、钢支撑预加力见下图。

 

 

 

 

 

 

I-5-5-13    钢支撑预加力示意图

5、边开挖边进行支撑安装,安装劳力安排25人进行。施工时间与开挖时间相同,共为2个月内完成。

基坑支护结构的横撑及斜撑均在土方开挖至其设计位置后及时安装,具体安装方法为土方开挖至钢支撑位置全部外露时,开始放置支撑,安装时要保证支撑与桩面垂直(斜支撑要严格按照设计角度安装),并按设计要求对支撑施加预应力,顶紧后采用钢支托将钢管固定牢固,严防支撑因桩体变形和施工撞击而脱落。

对钢支撑施加时,应按设计分级加载要求和现场观测围护桩加载反应决定加载速度。严格按照设计预加力执行。

钢支撑施加预应力后,在土方开挖和施工内部结构施工时,严密监察围护结构变形情况,发现异常及时研究并迅速采取补救措施。同时土方开挖和结构施工时,派专人负责监管支撑安全工作,坚决杜绝危害支撑安全事件的发生。

6、支撑的拆除

当主体结构底板每施工完一段,达到设计强度后,拆除相应位置第二道钢支撑,直至完全拆除,顶板每施工完一段且砼达到设计强度后,拆除相应位置第一道钢支撑,直至全部完工。

由于本工程基坑开挖完后,周围几乎没有吊机行走的通道,所有钢支撑利用千斤顶卸载抽出钢锁片后,无法整条吊出基坑,必须分节拆除,然后利用钢管可以滚动的特性,滚至东南角或最西端可以停吊车的地方吊出基坑。

第六节  主体结构工程施工

一、主体结构施工组织方法及程序说明

㈠ 结构层分段

根据柱网尺寸和以往的施工经验,按施工缝宜留置在梁1/31/4处,为有效控制砼的收缩和变形,每段长度不宜超过16m的要求。整个中部增加站厅层分为12个施工段。具体布置见图Ⅰ-5-6-1

 

 

 

 

 

 

 

Ⅰ-5-6-1    新增中部站厅层分段示意图

㈡ 施工顺序

由于中部增加站厅层东宽西窄,为充分利用施工场地作为临时用地安装钢支撑,土方开挖从西向东进行,为保证整个工程施工的连续性,主体施工也是从西向东施工,为保证基坑迅速开挖到底,迅速封底,防止暴露时间过长,避免垫层上积水影响后期防水和底板施工的因素,除最初为调整工序进行跳槽施工外,其余底板均不跳槽施工,全部采取开挖到底垫层防水底板的作业顺序施工。

㈢ 主体结构主要施工步骤

1、浇注底板垫层,施工底板防水层及保护层,在与车站相邻的的连续墙上每隔6m凿一个1.5×2m的洞。

2、绑扎底板钢筋,在凿开的洞口处将底板钢筋与车站中板施工时预埋的接驳器相连接。

3、立底板、梁、柱侧模。

4、浇筑底板砼,达到强度后,拆除第二道钢支撑,凿去其余的连续墙,施作剩下的底板。

5、施工侧墙防水层。

6、绑扎侧墙柱钢筋。

7、立侧墙柱模板。

8、浇筑侧墙、柱砼。

9、立顶板底模。

10、绑扎顶板钢筋。

11、浇筑顶板砼,达到强度后拆除第一道钢支撑。

12、施作顶板防水层及细石砼保护层。

13、回填顶板土方,恢复原状。

㈣ 工程量及进度安排

1、主体结构计划在4个半月内全部完工。

2、主要工程量见表I-5-6-1

3、单节主体结构施工的机械和劳力投入见表I-5-6-2和表I-5-6-3

             主要工程数量表         表I-5-6-1

序号

工称项目

单位

工程数量

1

底板垫层C15

m3

349

2

板梁墙C30S8

m3

5745

3

板梁墙C30

m3

80

4

钢筋砼立柱C40

m3

192

5

楼、扶梯C30

m3

80

6

装修层砼C25

m3

349

7

结构钢筋

t

1075

               主要工程数量表       续表I-5-6-1

序号

工称项目

单位

工程数量

8

模板脚手架

1

9

聚氨脂涂料防水层

m2

2300

10

2.0mmPVC防水板

m2

4520

11

钢边橡胶止水带施工缝

1

12

细石砼保护层C15(平均厚8cm)

m2

2300

13

细石砼保护层C15( (平均厚5mm)

m2

2300

14

土工布(400g/m2)

m2

7100

15

细石砼垫层C15

m2

2300

16

移动保护板

1

17

PVC外贴式止水带

m

269

18

钢板压条

1

19

双组份聚硫密封胶

1

主体结构单节施工机械安排表       表I-5-6-2

机械名称

数量

备注

闪光对焊机

1

UN1-100

切断机

1

GQ40

电渣压力焊机

1

BX3-600

弯筋机

1

GW40

振捣棒

8

1.1KW  HZ-50

木工平刨

2

 

附着式振动器

1

2F22

木工锯

2

 

电焊机

6

AX9-500

吊车QV35T

1

履带吊

   每个作业班组劳力投入计划表     表I-5-6-3

工程班别

人数

工作内容

钢筋工班

25

钢筋下料、弯制、绑扎

砼工、瓦工班

15

浇注砼

模板工班

20

加工、安拆模板

电焊工班

7

钢筋、铁件等焊接加工

水、电工班

2

供水、供电保障

材料工班

2

材料保障

测试工班

4

测量放样、制取试件、监控砼施工

施工指挥

2

指挥、调度、协调

杂工班

15

现场清理

吊车司机班

1

起吊运输

试验班

2

制取试件、现场砼监控

注:主体结构共分3个作业班组

二、钢筋工程

㈠ 原材料的进场和堆放

1、每批钢筋进场均要有出厂合格证或质量证明书,严格遵守先试验后使用的原则,钢材进场后按ISO9001-2000标准进行进场验收及标识,经复检合格后再使用。

2、钢筋加工制作

先由钢筋专职放样员按设计施工图和施工规范要求编制钢筋加工料单,并经过现场主管工程师审核,按复核料单制作。

钢筋加工的形状、尺寸必须符合设计要求和有关标准的规定,钢筋表面应洁净,无损伤、油渍、铁锈等应在使用前清除干净,带有粒状和片状锈的钢筋不得使用。

钢筋切断和弯曲时要注意长度的准确,钢筋弯曲点处不得有裂缝,钢筋切断时,应将同规格钢筋根据不同长度、长短搭配统筹下料,尽量做到节约用料,避免浪费。

钢筋种类、级别和直径应按设计要求采用,当需要代换时,应先征得设计单位的同意,且符合设计施工规范。

成品钢筋应按规格形状、尺寸、级别集中堆放并进行标识,避免错点错用,有条件时应及时运往作业层,严禁踩踏。

对钢筋的搭接焊接,接头要预先弯成4,使焊好后轴线重合,以保证受力。

3、钢筋骨架的成型

概述

所有钢筋骨架的成型基本上采用扎丝绑扎成型,但梁箍筋考虑到抗震的影响两端弯成135°柱外箍,全部采取焊接封闭成型。由于中部增加站厅层的钢筋直径都较粗,竖向墙、柱钢筋采取电渣压力焊,钢筋的搭接下料操作时,采取闪光对焊,作业面搭接采取电弧焊,对φ16以下的钢筋采取绑扎搭接接头。

操作要点

1)钢筋出场时应提供出厂证明书或出厂合格证,进场后进行及时点验入库、标识并在现场监理监督下进行取样送检,合格后方可使用。

2)钢筋绑扎前要详细了解工程概况,详细阅读施工总说明,检查图纸是否有误,弄清结构中各钢筋之间的关系,并且由项目技术人员对工人进行书面和口头交底,使其了解各个操作要点,并在现场进行监督指导,发现操作失误及时加以改正,避免返工浪费。

3)板筋的绑扎:清扫防水保护层(底板钢筋)或模板上(顶板钢筋)的杂物,按画好的间距,先摆入受力筋,后放分布筋或受力筋(双层钢盘网),分布筋设于受力钢筋内侧,并与受力筋垂直。预埋套筒、电线管,预埋铁件应及时配合安装。板筋设计为双层钢筋,绑扎时须将全部钢筋相交点扎牢,所有扎丝要两两成八字形,两层钢筋用马凳筋@500×500作支撑。

4)墙的钢筋绑扎:所有墙的钢筋,要在底板的砼浇筑前预埋,并固定好。施工墙的钢筋要根据弹好的线调整竖向钢筋的保护层间距,并且间隔100cm选一条竖向钢筋画了水平钢筋的方格标志,然后间隔1m先绑上横向钢筋,并在其上画好竖向钢筋间距,再绑其余竖向、横向筋。墙钢筋应画点绑扎,双排钢筋网之间柱墙的拉筋绑好后,应在间距支撑@600钢筋外皮绑好垫块。

5)柱的钢筋绑扎:柱的钢筋也要在底板砼浇筑前预埋好。按图纸要求间距,计算好每根柱箍筋数量,接着将箍筋套在接好后的主筋上,再在柱四角的竖向筋上按箍筋间距划好线,然后绑扎箍筋,箍筋与主筋要垂直,箍筋转角与主筋交点均要绑扎,箍筋的接头沿柱子方向要交错布置。柱底、柱顶、梁柱交接处均要按要求进行加密布置。柱子外箍采用焊接封闭,内箍采取弯成135°弯钩绑扎。

6)梁筋的绑扎:根据放出的梁的位置线,摆好下层钢筋,然后根据梁的长度算出箍筋的数量并套上,再作好上层钢筋临时托架,再穿过箍筋,在托架上放上上层主筋,和放入弯起钢筋,近间距分开箍筋,绑扎固定主筋、箍筋,弯成135°弯钩箍筋绑扎封闭。

7)钢筋绑扎完后,由班组进行自检、自检合格后,然后进行互检和交接检,再由项目质检员进行自检,自检合格后填质评表和报检单,最后由项目质检员汇同各方人员进行隐蔽验收。

8)墙、柱在模板上弹100mm控制线,在浇砼前, 按此线将柱筋调整好、固定好,在砼浇筑过程中,派专人进行看护,以防钢筋偏位。

9)围护墙的拉结筋应按砌块模数预留,先将其外伸部位与主筋平行并紧贴模板,拆模后将插筋扳复原位。

注意事项

1)接头

接头位置

a. 柱钢筋接头位置在离板底上下大于搭接长度的区域范围内。

b. 梁板面筋在跨中三分之一范围内,底筋距支座三分之一范围内。地梁钢筋与楼层相反。

c. 钢筋接头位置相互错开,错开长度非焊接接头不小于搭接长度,焊接接头长度不小于35d,且不小于500mm

d. 所有钢筋接头留置于结构受力较小的部位。

接头数量

钢筋在同一截面上的数量不得超过以下规定的比例:搭接接头受拉区25%,受压区50%,焊接接头受拉区50%

2)焊接材料:级钢采用E43焊条,级钢采用E50焊条,单面焊10d,双面焊5d,两端各加1cm焊口,焊高不少于0.3d

3)搭接长度

对于小直径钢筋采用绑扎搭接法,搭接长度不得小于40d(d为钢筋直径)

4)钢筋的锚固

钢筋锚固长度应满足设计图纸和规范要求,任何钢筋锚固不得少于锚固长度的要求。

5)柱墙钢筋防止偏位的保证措施

在平台模支设完后,在模板上弹各柱边线的100控制线,在浇筑砼前,派专人按线对柱钢筋进行检查,凡发现偏离其位者,将其调正固定好。固定采用与梁钢筋焊接或用铁线斜拉与模板固定。

在浇筑砼前,在该平台上500mm范围柱绑五根套子,墙绑扎一根水平筋,将所有钢筋绑扎固定好,确定钢筋在正常的位置。

砼浇筑过程中,派专人看钢筋,对在浇筑砼过程中,因砼输送泵或振动棒等引起的钢筋移动,看守人员要及时将钢筋调正过来固定好,确保钢筋不产生偏位。

三、模板工程

㈠ 模板体系及配备:

根据本工程的结构特点,结合我单位施工中的经验,同时考虑木模具有应用简单,布置灵活,拆装方便,工作效率高等优点,决定板采用木模板,柱、墙采用钢模体系,支撑系统采用钢管钢支撑相结合的模板体系,木模采用18mm厚竹夹板配以120x120mm木方做背肋,支撑钢管采用Φ48x3.5钢管@800x800,加固斜撑钢管@800的斜撑两两成八字形。其主要部位配模方案如下:

模板配置方案表                 表I-5-6-4

序号

工程部位

 

支撑及加固系统

1

梁板、楼梯

木模板

120×120木方、ф48钢管、钢支撑3型卡等组成

2

墙、柱

钢模板

120×120木方、ф48钢管、钢支撑3型卡外加钢支撑顶柱

所有墙、柱模板配备3套模板,梁、板模板考虑到砼养护的必要、龄期、模板周转的频率,决定共配备5套模板。

㈡ 模板施工顺序:

1、墙柱模板

弹墙柱位置线找平层、做定位墩安装柱模板安装柱箍水平、竖向木方安拉杆(墙模没有拉杆)及加固预检。

2、梁模板:

弹出梁轴线及标高线并复核搭设梁模板支架安装梁底梁底起拱绑扎钢筋安装梁侧模安装下锁口楞、对拉螺栓复核梁模板尺寸位置加固后验收。

3、钢筋砼楼板:

搭设支架安装板模木楞调整楼板下皮标高铺设板模检查模板上皮标高及平整度绑扎板筋。

㈢ 墙体模板

墙模由侧板、立档、模档、斜撑等组成,侧板采用5mm厚定型钢模、立档采用120×120方木@500,横档用双排Φ48钢管@500排列,然后有W形卡固定,模板安装就位后,用Φ100钢支撑三道斜撑撑住墙的模板。模板底部用Φ16钢筋头焊于钢筋上,以固定板的位置,保证墙下角部的净空。其模板图如下图I-5-6-2

 

 

 

 

 

 

 

I-5-6-2  侧模板加固示意图

㈣ 柱模板

1、模板由定型钢模板、横向柱箍及斜撑和拉杆等组成,竖向拼条和横向柱箍采用120×120木方,水平撑利用上层板的支撑系统,水平钢管上加顶盘,作为柱横、水平撑,为防止变形移位,在竖向钢管上拉Φ48钢管的斜撑。

2、柱模板图见下图I-5-6-3

 

 

 

 

 

 

I-5-6-3  立柱模板加固示意图

㈤ 梁模板

1、梁底采用18mm厚竹胶板或夹板,梁底竖向木采用120×120纵横向@300,梁侧模采用18mm木夹板制作,120×120木方作档木,水平档间距为300mm,竖向距为300mm,中间采用Φ12螺杆对拉,水平间距400,竖向间距300mm

梁底采用Φ48满堂脚手架支撑设三排,纵向间距@800mm

2、受力验算

模板荷载

模板及支架自重:            0.2KN/m

砼自重:                     3.2KN/m

钢筋自重:                 0.48KN/m

施工活荷载:               0.4KN/m    

砼振捣产生荷载:           1.6KN/m

 

合计:       荷载:       34.68KN/m

取折减系数0.9得           31.212KN/m

b. 底模验算:经计算如下:

抗弯承载力f=1.05Mpa<[fu]=11Mpa

抗剪强度  F=0.275Mpa<[Fv]=1.1Mpa

挠度    W=0.6862×10-4m<1/400L

c.侧模板验算,结果如下:

侧压力:F=0.22rotoP1P2V1/2=65.8KN/m2

           F=r1t=38.4KN/m2

          Q=11.45KN/m

抗弯强度δ=1.15Mpa<[fm]=11Mpa

抗剪强度f=0.28×5Mpa<[fv]=1.1Mpa

挠度计算W=0.0251mm<L/400=1mm

d. 对拉螺杆验算

P=FA=5.088KN<F=215.π.L2/4×10-3=24.32KN

e. 支撑验算

N=q.l=31.212×0.4/3=4.1616KN

N/An=4161.6/489=8.51Mpa<[F]=215Mpa

稳定性验算:

λ=I0/I=180×1.15/1.58=131

查表ψ=0.391

δ=N/Ψa=4161.6/0.39×489=21.77Mpa

通过以上计算,模板体系、支撑满足要求。

3、楼板模板

模板由底模、格栅、牵杠、支撑等组成,其中底模采用18mm木夹板,格栅采用120×120木方,支撑采用Φ48钢管,格栅间距为300mm。整个支撑采用Φ48钢管搭设满堂脚手架,立杆间距纵横向均为800,上铺120×120方木,每隔0.8m设横杆一道,每4m设剪刀撑一道。

受力验算:

a. 荷载计算:模板及支架自重:        0.5KN/m2

            砼自重:              21.61KN/m2

            钢筋自重:            0.17KN/m2

            砼振捣产生荷载:       2KN/m2

 

合计:       荷载:               24.27KN/m2

    乘以折减系数0.9得            21.84KN/m2

b. 木方验算:f=M/W=4.1N/mm2<[fm]=11N/mm2

c. 钢管验算:N=21.84KN

    λ=180×1.15/1.58=131

查表Ψ=0.391

    f=N/ΨA=21.84×102/0.391×489=1.4N/mm2<[f]=215N/mm2

通过计算,模板体系,支撑满足要求。

㈥ 楼梯模板

楼梯的施工顺序:确定模板的配制尺寸配制模安装梯基梁模板安装平台梁、平台板模板钉托木铺梯段搁栅钉牵杠和牵杠撑铺梯段底板弹线、钉外邦板绑扎钢筋钉踏步侧板及其支撑安置栏杆预埋件,具体要求详图I-5-6-4

 

 

 

 

 

 

 

 

I-5-6-4  楼梯模板示意图

㈦ 模板拆除

1、模板的拆除时间根据工地所留同条件养护试块的强度决定。

2、柱及梁侧模在砼强度能保证其表面及棱角不因拆模而受损坏即可拆除,一般不少于14天,才可拆除。

3、梁板底模在砼强度达到规范要求后,方可拆除。

4、模板拆除顺序遵循先支后拆、后支先拆,先拆不承重的模板,后拆承重部分模板,自上而下,支架先拆侧向支撑后拆竖向支撑的原则。

5、模板工程作业组织,遵从谁安装的模板由谁负责拆除的原则,由于支模时已考虑到拆模的安全与方便,且拆模时其班组人员熟知情况,易找到关键点、位,对拆模的进度、安全、模板及配件的保护都有利。

6、拆模时,不得用钢棍或铁锤乱击乱撬,以防砼外观及内部受损,严禁把拆下的模板自由抛落于地面。

7、拆下的模板立即组织人员清理表面,在刷完脱模剂后方可调入下次使用。

㈧ 注意事项

1、所有模板的接缝均用海棉充填,防止模板的拼缝不严漏浆,影响砼的外观质量。

2、柱、梁板、楼梯支模时选料要合理,相互间的关系要明确,既要考虑支拆方便又要注意受力合理,防止盲目支拆、乱锯无规、程序颠倒。

3、柱在底部位置设200×400mm清扫口,以便柱模支上后清理,并在浇筑砼前封闭严实。

4、柱高超过3m时设振捣口,振捣口留设位置在3m左右位置,振捣口不得小于400×400mm,浇筑到此部位时封闭严密不得漏浆。

5、柱模板脚部几何尺寸控制方法:在立筋上点焊Ф10钢筋方法,每个面2点,由撑点对其模板脚部尺寸加以控制,防止产生偏位。

6、柱脚模板超前用砂浆找平,并垫上厚的海棉,防止砼浆流失过多造成烂根

7、外柱模板控制方法:在下层砼面上和模板上,弹柱中心控制线,支模时两线在同一直线上即满足要求。

四、砼工程

㈠ 施工准备

1、机具准备及检查:振动棒、输送泵,所用机具应在浇筑前进行检查和试运转,同时配备专职技工随时检修,供水、供电要充分保障,并且要准备一台发电机防止停电造成砼卡在输送泵中,造成机械故障。

2、砼采用商品砼,砼供应商选用通过地铁公司招标合格单位,并在施工前事先对搅拌站的砼质量进行详细调查,专人监控搅拌站是否按配合比下料,以保证砼质量,在浇筑现场先核对送料单,并在现场对砼坍落度进行检查,坍落度允许误差±2cm,不合格的砼禁止浇注,严禁在砼中随意加水。当砼浇筑时间较长,砼浇筑量较大,避免砼在路上或现场停留时间较长,发生坍落度减小或初凝现象,施工前给砼供应商提需求计划时应同时提供砼缓凝要求及预留部分砼坍落损失。

3、砼浇注前,检查模板、钢筋、防水、保护层和预埋件等是否符合设计要求和施工规范规定,在自检合格基础上报监理工程师验收合格签证后才可进行砼浇注。

4、掌握天气季节变化情况,采取相应的防雨、防暑措施,底板砼浇注过程中保证是无水操作,不允许带水作业,必要时配备抽水设备,一旦有水随时抽取。

5、钢筋绑扎测量标高时,要先用钢筋头伸出保护层相同高度,再焊上比标高面高出30cm的钢筋及在伸出的柱筋上画出相同尺寸的标高的标志,从而以两个标高确保板的标高及平整度。

㈡ 砼浇注工艺操作要点

1、底板、顶板、侧墙砼浇注以12-15m为一个施工段,最大不超过15m,共计分为12个施工段。采用砼输送泵送到施工面,在一个施工段要准备两台输送泵,端头墙施工时另配一台输送泵车,防止施工时间过长产生人为施工缝,板的施工采取分别从侧墙两头向中线方向进行浇注,以自然分层,薄层浇筑,逐渐推进,逐步到顶的施工方法。

2、侧墙砼采用砼泵送至每个作业面分层对称浇注,振动棒操作人员下到边墙底部振捣砼,当操作困难时,在模板外附着式振动器进行振捣,确保每层砼振捣密实。侧墙水平施工缝以上50cm范围内,要注意振动棒插入深度及砼下落速度,防止止水带受到损伤。

3、炎热天气控制砼入模温度和砼内外温差,其值不大于250C,对深圳的天气一般选择下午5点以后气温较低时开始浇注。

4、振捣砼时注意分层振实,最少要在出料口、中间点和砼浇筑面布置三道振动棒,使层层搭接各插点间距均匀,一般控制在30cm左右,振捣时间以砼不再下沉,不出现气泡,表面泛浆为好。同时应避免震动钢筋和模板造成变形、移位,应特别注意要在砼初凝前及时振捣。

5、砼浇筑到标高后及时清理表面的浮浆及泌水,到初凝后终凝前要进行二次液压收面(毛面),进行二次闭合砼的泌水产生的毛细孔和砼改缩产生的微裂缝。

6、板砼进行二次收面处理后1小时就可以及时进行浇筑水养护,养护时要在其上覆盖麻袋或进行蓄水养护,墙砼在终凝后模板未拆除前及时进行蓄水养护,拆除模板后用φ70的塑料管上间隔5mm钻个孔进行淋水不间断养护,所有砼的养护均不得低于14天。

㈢ 注意事项

1、施工现场要搭设架空走道板,以方便施工人员行走、站立、操作,走道板随着浇捣顺序慢慢拆除,严禁乱踩乱压钢筋。

2、施工现场派一个钢筋工专人负责检查钢筋,如钢筋位置错动,必须立即调整好。

3、砼输送泵末端接上一根长为6-10m软管便于施工人员摆动,尽量减小来回搬管和安拆管的工作量,提高施工效率,浇注梁板砼时,严格控制标高和平整度。

4、安排有经验的木工、电工、钢筋工跟班作业,木工要随时检查模板,看看是否漏浆、松动、跑模,要及时加固。

5、砼的养护一定要非常及时,还要确保养护质量,才能保证砼的强度,有效控制砼有害裂缝的出现。

㈣ 施工缝的设置及处理

1、设置

板梁的施工缝按分段情况划分,墙的施工缝留在每层板斜角下和每层板上20cm,留在板的斜角下有利于板模的安装,留在板上有利于侧墙模板的安装。柱的施工缝均留于梁底和板顶。板上施工缝除保证设置在结构受剪力较小的位置外且要兼顾到内结构的完整性,尽量避开设备安装处以及有预留孔口处。

2、处理

所有施工缝均用木模封堵,在终凝后4小时及时拆除施工缝端头模,然后人工及时凿毛,避免砼强度上来后凿不动。

下次浇筑砼前在清理施工缝处的杂物,并浇水湿润,由于地铁工程采用的是泵送商品砼,砼流动性、和易性都非常好,水泥浆等细骨料充足,所以板施工缝处不用单独用水泥浆,墙柱施工缝由于输送泵开始泵送前都要用相同标号的砂浆润管,就利用该砂浆铺设施工缝的底2cm左右。

施工缝的处理详见有关防水施工。

㈤ 控制大体积砼的特殊措施

1、大体积砼的特点:由于大体积砼的截面尺寸较大,在砼硬化期间水泥水化过程中所释放的水化热所产生的温度变化和砼收缩,以及外界约束条件的共同作用,而产生的温度应力和收缩应力,导致大体积砼结构出现裂缝。

2、根据大体积砼的特点,为了有效地控制有害裂缝的出现和发展,必须从控制砼的水化升温、延缓降温速率、减小砼收缩、提高砼的极限拉伸强度、改善约束条件和设计构造等方面考虑采取相应的措施。

3、降低水泥水化热

利用厂商生产的低水化热商品砼,尽可能的充分利用各种外掺料,减少水泥用量,如C30的砼一般用量为280kg/m3,根据我们的经验,降到260kg/m3效果要好的多。

4、降低砼入模温度

选择较适宜的气温浇筑砼,尽量避开炎热天气浇注砼,一般选择在晚上浇注,骨料进行覆盖或设置遮阳装置避免阳光直晒,砼运输车在运输途中也要搭设避阳设施,以降低砼的入模温度,必要时采取措施降低水温,能有效降低砼的温度。

掺加相应的缓凝型减水剂,提高砼的综合性能。

㈥ 加强施工中的温度控制

1、在砼浇注之后,做好砼的保温保湿养护,盖麻袋或塑料薄膜都可。做一个移动式遮阳棚遮挡阳光直晒。

2、采取长时间的养护,按规定养护14天,规定合理的拆模时间,延长降温时间和加快降温速度,充分发挥砼的应力松弛效应

3、加强测温和温度监测与管理,随时控制砼内的温度变化,内外温差控制在25℃以内,基面温差和基底面温差均控制在20℃以内,及时调整保温及养护措施,使砼的温度梯度和湿度不至过大,以有效控制有害裂缝的出现。


测温方法:在砼中预埋小钢管每隔2小时进行测量, 砼测温示意图如图I-5-6-5所示。

I-5-6-5  砼测温示意图

4、合理安排施工顺序、控制砼在浇注过程中均匀上升,避免砼堆积过大高差。

() 改善约束条件,削减温度应力。

采取分层浇注砼,每层厚度为30cm50cm,合理设置水平或垂直施工缝。

() 提高砼的极限拉伸强度

1、选择良好级配的粗骨料,特别是板的砼不宜选用1-3碎石,而应选2-4碎石,严格控制其含泥量,考虑到泵送时困难,输送泵管要选用150管,不要选用125管,加强砼的振捣,提高砼密实度和抗拉强度,减小收缩变形,保证施工质量。

2、采取一次投料法,二次振捣法,浇筑后及时排除表面积水,加强早期养护,提高砼早期或相应龄期的抗拉强度和弹性模量。

3、在大体积砼内设置温度配筋,在截面突变和转折处底板、中板、顶板与墙转折处、孔洞转角及周边增加斜向构造配筋,以改善应力集中,防止裂缝的出现。

4、由于顶板养护只能解决板的上表面收缩变形、温度等问题,而板的下表面有模板不能浇水养护,又是悬空容易造成风道效应,加速砼的收缩,所以在板的下表面加一层密目钢丝网,以有效控制砼的收缩和变形。

() 雨季施工保障措施

1、每天收听当地气象台的气象预报,了解当天的天气情况,便于提前作好防雨准备,必要时雨天停止砼浇筑,特别是板的砼的浇筑。

2、做好施工时的场地排水工作,基坑外四周排水沟必须保持排水畅通。

3、在砼运输时,商品砼运输车在进料口需加以遮盖,以防雨水进入。

4、在砼浇注中,尽量避开雨天浇注,但如果浇注中途碰上下雨,原则上尽量不增加新的施工缝,如果是小雨可以采取边浇注边铺盖塑料薄膜防止雨水直接打在砼面上,也可加工一个移动式的轻质挡雨棚。如果是大暴雨只有暂时停止浇注,在后浇砼时,如果先浇砼的时间超过了初凝时间,须作施工缝处理后再继续浇注。

() 结构混凝土防裂缝措施

1、商品混凝土在满足抗渗和强度要求的情况下,掺入适量的混凝土微膨胀剂,调整水泥用量,胶凝材料总量不降低,以降低混凝土的水化热。

2、主结构侧墙外侧的钻孔桩之间凹槽用喷射混凝土填平,铺设侧墙PVC防水板和无纺布。防水板当隔离层以减小对侧墙混凝土胀缩的约束力。

3、侧墙混凝土模板不宜拆除过早,防止混凝土里外温差过大,减轻内拉伸应力。可根据工程具体条件确定,尽可能多盖护一段时间。拆模后混凝土表面的温度不应下降15℃以上。

4、主体结构施工分段长度不宜太长,以减少混凝土水平应力的约束。控制在12-15m/每节左右。

5、加强混凝土供应质量的监督管理,现场混凝土检验要有供应商、承包商和监理三方签认,不合格混凝土坚决退货,不能用于工程。

6、严格控制混凝土原材料的质量和技术标准,特别是在泵送混凝土工艺中,一定要采取精料方针

7、混凝土的浇灌振捣技术对混凝土密实度是很重要的,最宜振捣时间15s左右。采用两次振捣技术,改善混凝土强度,提高抗裂性,也是混凝土裂缝控制的重要措施。

8、合理选择砼的坍落度,特别是侧墙砼的坍落度宜选用80100mm

9、合理选择水泥用量和粗骨料粒径。

第七节  防水工程

一、防水等级及材料

本工程结构防水等级为一级,不允许渗水,结构表面无湿渍。

主体结构砼采用抗渗等级为S8,耐蚀系不小于0.8的防水砼,施工缝防水采用钢板止水带。结构顶板为双组份聚氨酯防水层与细石砼保护层。部分边墙为水泥基渗透结晶涂膜。

二、防水体系

防水是地铁工程的一个关键环节,防水施工质量的好坏,直接影响整个地铁工程的质量,为确保防水施工质量,我们将遵循以防为主,防排结合,刚柔并济,多道设防,因地制宜,综合治理的原则。采用以提高结构本身自防水性能为主,附加防水层为辅,多道防线,层层设防的整体防水方案,防水施工划分为围护阶段防水,开挖阶段防水和主体施工阶段防水三个阶段。防水体系见框图I-5-7-1

 

 

 

 

 

 

 

 

 

 

 

 

 

 

 

 

 

 

 

 

 

 

 

I-5-7-1  防水体系图

三、三个阶段防水施工

㈠整个中部增加站厅层的防水由2个专业班组24人负责施工,进度安排根据结构施工的需要分阶段分部施工。

㈡ 围护结构施工防水

整个中部增加站厅层的防水主要阶段是在围护结构阶段,以后开挖阶段和主体阶段防水的施工都是对围护结构防水施工的加强和补充。所以围护结构施工是防水施工的重中之重,为此须做好以下几方面的工作:

1、要确保围护结构砼的质量,确保防水抗渗等级不小于S8

2、围护结构垂直度必须保证,如果错位,造成围护结构没有封闭成环,从基坑外向基坑内漏水现象的发生。

3、施工中如发生不可预见的质量事故,如遇见大的洞穴等要及时采取补救加强措施,一定要保证围护结构防水的要求。

㈢ 开挖阶段的防水施工

开挖阶段主要防治的是围护结构桩与旋喷桩相切部位的渗漏水,这一阶段的防水施工是结构防水工作成败的关键,必须按设计要求进行处理

一般根据渗水量的大小按下述办法进行处理:

1、仅有少量渗漏水的可直接用双快防水水泥砂浆、或掺有水玻璃、环氧树脂等的防水砂浆进行凿槽抹面处理,外加剂掺量由现场试验确定。

2、有明显漏水点时,先在渗漏处凿槽埋管引流,将面流变线流,线流变点流,最后引入泄水盲管,在施工期间利用泄水盲管泄水,主体完成后利用泄水盲管注浆一并封堵。

㈣ 主体结构施工的防水

1、砼结构自身的防水

砼结构的自身防水,主要是解决砼的收缩裂缝和砼的密实度,所以采取如下措施:

在砼中掺入适量的粉煤灰及TMS,减少水泥用量、用水量,降低水化热,减少收缩裂缝的产生,主要委托通过地铁公司招标的砼供应商完成。

确保砼的密实度,施工时加强捣固作业。

每段结构砼施工长度分节长控制在1215m左右,必要时采用跳节段施工方法,合理分节,控制砼入模温度在30℃以下,加强砼的捣固,拌制小坍落度砼,减少砼收缩时的裂缝。

要有足够的养护时间,特别是板面和墙面。采用板面满铺麻袋加覆盖薄膜浇水养护的办法,保持养护期间内始终湿润,避免阳光照射,墙面采用淋水养护法。

穿墙管线防水采用外套止水橡胶圈或止水钢环处理。

2、施工缝的防水处理

施工缝表面凿毛

基面砼强度达到70%以上后开始凿毛,充分凿毛和冲洗后,中间安止水带的要搭接紧密,确保止水带密贴无空隙。

施工缝表面清理

立模及砼灌注前,基面用高压水枪认真清洗,确保基面无砼碎块、砂、石、尘土等杂物,已凿毛的基面如被污染,用钢丝刷刷出砼面。基面的积水用棉纱擦吸干净,侧墙纵向水平施工缝从中间向两边作成斜面,使基面无积水。

水泥砂浆铺设

水平施工缝根据砼浇筑的速度,在砼浇筑前先在凿毛的基面上铺2025mm厚与结构砼同标号的防水砂浆。侧墙底板、顶板的竖向施工缝,在砼浇注时,控制砼入模点与基面保持一定距离,经均匀、充分振捣后使接头面与新砼之间有2025mm厚的水泥浆,保证新老砼结合密实。

钢板止水带的安放

安设标准:止水带安设于结构体的1/2位置,插入施工缝先期浇筑砼一半止水带宽度。安放时间:先浇筑砼,离止水带还有20cm开始安设,安好后即刻浇注剩余砼。待施工下层砼前,去除钢板止水带保护膜,清理干净施工缝并涂刷环氧树脂,处理好后再浇筑下层砼。施工缝防水构造图见图Ⅰ-5-7-2

 

 

 

 

 

 

Ⅰ-5-7-2  施工缝防水构造图

3、侧墙防水板的施工

施工工序及工艺流程

侧墙防水施工程序及工艺流程如图Ⅰ-5-7-3所示:

施工方法及技术措施

1)围护桩表面处理

基坑开挖后,及时对桩壁进行清凿,然后用喷射砼填平桩间凹槽,再用砂浆找平,对有渗漏水的要先处理,达到无水的效果。

 

 

 

 

 

 

 

 

Ⅰ-5-7-3   侧墙防水施工工艺流程图

2)防水层

中部增加站厅层结构防水采用复合防水层,经处理在围护桩表面无明显渗漏水及表面平整后,采用无钉和双焊缝铺设。无钉和双焊缝施工工艺如下:

防水层材料采用400g/m2的土工布作缓冲层(以防刺破防水板),主要起排引水作用;选择PVC防水卷材作防水板;移动保护板是防止二衬配筋和浇注砼施工时刺破防水板。

 

 

 

 

 

 

 

Ⅰ-5-7-4    无钉和双焊缝铺设防水层构造示意图

a.铺设缓冲层——土工布

施工时,首先将土工布平铺在处理后的围护桩上。铺设时采用专用塑料垫圈套(其结构为中间低四周高且方便与PVC防水板粘合)作固定点,使用射钉枪或铁锤将水泥钉通过垫圈中央打入喷砼中,用以固定土工布。垫片间距:1.01.2m,固定点呈梅花形布置。施工时应注意将水泥钉垂直于砼面,并不得超出垫片平面,以防刺破防水板。

b.铺设防水板——PVC防水板

PVC防水板用压焊器(焊枪)将防水板热合于塑料垫片上。施工时应留出足够富余量,以免灌砼时崩得太紧,影响内衬墙施工。挂好一幅后,再挂另一幅,两幅防水板接缝采用热合焊接,热合焊机焊接为双焊缝,每条焊缝宽度为1cm。施工时应注意搭接宽度和焊缝宽度,防水板铺好后铺上移动保护层。

c.铺设质量检查及处理

铺设质量检查:

、确保防水板搭接宽度和焊缝宽度满足要求。

土工布外观要求:无孔洞、开裂,与PVC防水板密贴;防水板焊接外观:无漏焊、假焊,烤焦,焊穿处用小块PVC防水板焊贴覆盖,固定塑料板的钢钉有垫圈,并垂直于喷砼表面,钉与钉之间塑料板不紧绷,板面与砼面密贴,塑料板无划破、扯破现象,外露的钢钉有塑料片覆盖。

、对影响防水板质量的关键部位——焊缝进行严格检测

·采用充气检查。先堵住焊缝空气道的一端,然后用安装压力表的打气筒从另一端充气打压检查,当压力表显示达到0.100.15Mpa时停止,保持该压力时间不小于2min,焊缝和材料都不发生破坏,表明焊接质量良好;否则用检测液找出有气泡现象的部位修补后,再进行检测。

防水板破损的检查与修补:

对防水板有漏焊、假焊处进行重新焊接,对小洞、烤焦、焊穿处用剪刀裁一小块防水板,放在破损处用电烙铁或塑料热风焊枪沿周边焊接。

3)底板防水层的施工工艺及要求基本同侧墙,唯一不同的是防水板保护层侧墙采用的是移动保护板,而底板采用是5cm厚素砼保护层。

4、顶板非焦油双组份聚氨脂涂料防水施工

基层处理

1)层面要求做得平整、光滑,不能有蜂窝麻面,阴阳角处抹成园弧角。

2)必须牢固,不允许起砂或找平层养护不良,烧坏后起灰。

3)施工前,由现场监理对基层要求进行验收合格后方可施工。如果基层不能满足防水施工的要求,用顶板同标号的砂浆进行找平。

施工前准备

1)基层表面的水泥浆、泥土、砂石、油污等杂物必须清除干净。

2)低陷、破损处必须修平。

3)必须干燥,含水量控制在<10%以内。

4)含水率大于20%时必须用液化气喷枪烘烤基面,将温度控制20%以内。

5)由现场技术员向作业班组作详细的书面和口头的技术交底。

6)所用材料必须具有合格证或检验报告,进场有监理见证进行送检,合格后方可使用。

7)施工前要根据防水层的厚度现场试验确定涂刷的遍数和每平方米的用量。

配料

主料和副料混合后,用手提式电动搅拌器连续搅拌3-5分钟,使混合料搅拌均匀方可使用,一次拌料不要过多,随拌随用,避免时间过长,材料活性降低。

施工工艺

1)涂刷涂膜防水层时,涂刷的顺序应是先垂直面,后水平面;先阴阳角、后大面,而且每道涂膜防水的涂刷顺序都应相互垂直。

2)在需要重点处理的细部,要增加一道涂布或玻璃丝布,特殊部位阴阳角处要做尺寸为50mm的水泥砂浆圆弧,再做附加防水层。具体特殊部位防水层施作见图Ⅰ-5-7-5~图Ⅰ-5-7-8

 

 

 

 

 

 

Ⅰ-5-7-5  特殊部位防水层示意图()

 

 

 

 

 

 

Ⅰ-5-7-6  特殊部位防水层示意图()

 

 

 

 

 

 

 

Ⅰ-5-7-7  特殊部位防水层示意图()

 

 

 

 

 

 

 

Ⅰ-5-7-8  特殊部位防水层示意图()

3)在底胶干燥固化后,用塑料或橡皮刮板均匀涂刷第遍,涂刮时用力要均匀一致。平面或坡面施工后在防水层未固化前不应踩踏,涂抹过程中要预留出施工退路,或采用分区分片后退法施工。

4)涂刷涂膜防水层时要待前一层涂膜固化干燥后进行,并应先检查其上有无残留的气孔或气泡,对于有气泡或气孔的要先对其进行处理,没缺陷点后方可进行下一遍的施工。

5)对于一天不能施工完毕的部位,可采用搭接法施工,搭接区长度为300mm

质量问题及处理办法

1)气孔、气泡

使涂膜防水层产生气泡气孔的原因主要是材料搅拌方式及搅拌时间没有掌握好,或基层没有处理好,防止出现气孔、气泡的措施是在施工时选用功率大、转速不太高的电动搅拌机来拌和材料。搅拌容器用圆桶便于强制搅拌均匀,搅拌时间一般为3-5分钟,并注意涂膜基层一定要清洁干净,不得有浮砂和灰尘,基层上的孔隙用基层涂料填补密实后才能施工第一道聚胺脂涂膜防水层。如果已经出现气孔、气泡现象,对于气孔应以橡胶板刷用力将混合材料压入气孔填实,对于气泡应将其刺破,排出空气,再用橡胶板将混合材料压入填实,最后做一道增补涂膜。

2)空鼓

由于基层过潮湿、找平层、含水率过大,使涂膜空鼓,形成鼓泡。处理方法:先将起鼓部分全部割去露出基层,排出潮气,等基层干燥后,先涂底层涂料,再依照防水层的施工方法,逐层涂抹,若加抹增强涂布则效果更佳。注意:不要一次抹成,至少要分多次找平,否则容易产生鼓泡或气孔。

3)翘边

涂膜防水层的端部或细部收头处出现与基层剥离翘边的现象,主要是因为基层未处理好,不清洁或不干燥,收头时密封处理不好。施工时操作更仔细。细部施工时要注意做好排水,防止带水施工,下雨天不得施工,基层要保持干燥。对产生翘边的涂膜防水层,应先将剥离翘边的部分割去,将基层清扫干净,再根据基层材质选择与其粘结力强的底层涂料涂刮基层,然后按照增强和弱补做法仔细涂抹,最后按照顺序分层做好涂膜防水层。

4)破损

防水层施工后、固化前,被其他工序施工碰坏、划伤。对于轻度损伤,可做增强涂布,增补涂布。对于破损严重者,应将破损部分割去(加宽10cm),露出基层并清理干净,再按照施工要求、顺序,分层补做防水层,并应加上增强、增补涂布。

第八节  施工监测

一、 监测内容

新增站厅层基坑开挖深度为11m左右,基坑安全开挖是控制施工安全的关键,而实行信息化施工是保证开挖安全的前提。

为配合各个施工阶段不同的施工情况,在施工中拟进行以下7个项目的施工监测,如表I-5-8-1所示。

                    监测项目表           表I-5-8-1

施工阶段

监测项目

围护结构施工阶段

土方开挖阶段

主体施工阶段

地表沉降及桩后土体变形

桩顶水平位移及沉降

 

桩身倾斜变形、钻孔桩内力

 

钢支撑应力、腰梁应力

 

坑底变形(隆起)

 

管线沉降及水平位移

 

地下水位观测

注:表示进行测量

施工监测点布置及数量详见图I-5-8-1施工监测点布置示意图。

 

㈡ 监测流程

监测流程见图I-5-8-2

 

 

 

 

 

 

 

 

 

 

 

 

 

 

 

 

 

 

 

 

NO

     

I-5-8-2 监测流程图

㈢ 监测方案

所有监测点的初始值需经2次以上检测测出稳定值并记录。

1、地表沉降及桩后土体变形监测

距基坑边1m5m设地表沉降及水平位移观测点,相邻两组测点间距15m左右,对测点的观测:使用高精度1秒经纬仪和S1级精密水准仪进行观测,降水开始时每天一次,开挖基坑时每天1次,基坑开挖至设计标高时,每2天观测1次。如遇变形超过规范要求时,加大监测频率。绘制位移~时间,位移~开挖深度曲线,并指导施工中及时采取措施。沿基坑周围每2个点为一组测点南侧每15m布一组,东端单独一组,监测时间为整个施工期。

2、桩顶水平位移的监测

监测方法:在围护结构钻孔桩顶,拐点和中间位置等关键点均布置一测点,测点采用钢桩预埋在桩身砼中,钢桩顶上刻划十字线作为点位观测之用,在冠梁砼终凝之后即开始对桩顶点位进行观测,并记录初始值。具体布置见示意图。

监测频率:基坑开挖及结构施工期间每天观测一次,主体完后终止观测。

使用高精度经纬仪测位移,用精密水准仪测量沉降,每天测量一次。

3、桩身倾斜变形的监测及桩身应力监测

使用预埋于桩内的测斜管,全部共布5根测斜管,每天检查测斜管的读数。主体结构工程施工完后,观测终止。

基坑内采用坑壁收敛仪量测桩身的变形情况,作为附加测量。

桩内钢筋笼上预埋钢筋计,对桩身应力进行监测,基坑围护桩共布设8根桩,每根桩监测的桩布8根钢筋计,每日监测一次。主体结构工程施工完后,观测终止。

4、钢管撑应力监测

轴力监测采用轴力计来量测。轴力计的安装按说明书操作,并加设保护装置。根据每次监测的轴力变化值了解支撑预应力损失情况,预应力损失过大时(不足设计应力的30%),重新施加预应力至满足设计要求。

观测频率:开挖阶段每日观测一次,结构施工阶段每3日一次。

有关措施:

1)轴力计安设时,轴力计与支撑固定端连接紧密,支于冠梁或腰梁上要平整,轴力计的测设导线要妥善保管好。

2)轴力计装好前,初读数进行标定,装好后,先现场测试,之后才可施加支撑预应力并测设。指导施工,确保应力值在设计的范围内。

妥善保护:严禁施工中碰撞、砸伤,减少外界对监测影响。

每天选择适当的温度进度观测;并记录观测时的温度值。每个轴力计编好编号,以防混乱误测。

5、坑底变形(隆起)监测

按要求布设坑底隆起监测点,基坑每施工段埋设一个观测标计,共12个观测标。

坑底变形观测开挖前测出初始值,第二次开挖好后,每周一次,浇完底板后结束观测。

采用深层沉降标观测,观测标(深层埋设),埋好后,用精密水准仪测量,钢管顶的标高变化相当于锚头位置土层的沉降或隆起。

6、管线沉降及水平位移监测

以量测管线深度土层的沉降及水平位移,进行间接法监测。监测点埋设深度与管线深度相同,在基坑影响范围内监测管线的变形情况。测点布置视管线的长度来布置。每种管线在基坑影响范围内布5个测点,基本上20m左右布一个点。开挖时每天1次,开挖到标高后,每周21次。监测时间为整个施工期。

7、地下水位观测和孔隙水压力监测

整个基坑布置5个水位观测孔,了解基坑开挖对地下水的影响,以便采取相应的措施,减少对基坑稳定产生的不良影响。坑内水位的观测,还有利于控制开挖的时间,使开挖在无水情况下进行,增加了基坑土的稳定,开挖时每天观测一次,侧墙完成后,观测终止。

埋入(钻孔)压力计至设计位置,监测压力的变化,分析压力变化和围护变形的关系,找出控制变形的措施。

8、其它观测

顶板沉降观测:每一节结构段顶板上对称设4个观测点观测车站的沉降变化情况,每周观测一次。

临近建筑物的裂缝、沉降、倾斜观测:本站厅层场址离周围的建筑物较远,临近建筑物的观测主要利用大剧院站施工时设置的观测点,对有关建筑物如蔡屋围酒店进行观测,重点对蔡屋围人行天桥进行观测,每墩柱设2个观测点,共4个,直到主体结构完工,观测停止。

㈣ 监测工作安排

1、成立以总工为组长的监测小组,按标准进行监测;编制监测计划报请监理工程师批准,严格按批准的计划实施。少监、漏监、缓监等现象不得发生。

2、建立、完整的监测网络,在基坑的影响范围以外(远离基坑)设立导线和水准基准点,并精密测出初始数据,配足符合精度要求的各种监测仪器,监测仪器要经过专业计量部门标定后,并报监理工程师批准后方可进场参加监测。监测数据要满足设计或规范要求的精度。

3、以科学的态度认真对待监测工作,每次监测的数据要真实齐全,对监测的数据要及时整理、分析和反馈,对施工中的不良情况发生的可能性能作出准确判断,以便正确指导施工采取正确的措施。

4、各种监测点(基准点和观测点)要妥善保护好,并有醒目的标志,防止任何破坏。

5、对于暴雨和久雨不晴、周围大量积水过后,台风过后、停工结束复工前和有较大荷载变化前后,都要加强监测,加密监测频率。

第九节   施工防护与环境保护

中部增加站厅层位于解放路与深南大道交叉路口原三角花坛处,主体结构平行于深南大道,大致呈东西走向,周围有地王大厦、蔡屋围酒店、人民银行、农业银行、深发展银行、证券交易所、深圳书城,人流量和车流量都大,特别是节假日,为树立良好的施工形象,做好施工防护和环境保护尤为重要。

㈠ 控制噪声措施:

1、在施工前,对本工程使用的机械设备进行噪声影响评估,对不合格机械设备进行降低噪音保护措施。

2、定期检查、维护机械设备,减少噪音源的发生。

3、合理安排施工时间,尽量避免安排噪音大的工作在夜间和节假日施工。

㈡ 减少粉尘污染

1、在材料搬运过程中可能产生粉尘的材料用水处理或喷洒水湿润,在装卸前湿润多尘物料。

2、运输颗粒状散装物料的,应有严密的覆盖保护层,砂石料要三边封闭储存,在堆放或铲运时应喷水湿润。

3、场内道路应及时清理干净,定期洒水。

㈢ 保持城市环境卫生

1、门口设置洗车场,确保从工地开出车辆不带出土、泥碎片等类似物体带到公共道路上。

2、严禁在工地上焚烧能生产烟尘或其他污染物的物体。

3、所有工地内排水均应经过沉淀池沉淀达到要求后,方可进入城市排水系统。

4、对工地生活区和场内道路及时清理,生活垃圾应弃置在半封闭池中,定期处理,对蚊虫、老鼠的消杀工作定期进行。

5、临时设施应作到与周围环境相协调,工地应保持整洁卫生。

㈣ 周边防护

1、在施工过程中,密切监测周边道路及建筑的沉降开裂,发现异常情况,应先查明原因进行处理后方可进行施工。

2、临时围墙应稳固可靠,能进行场地封闭,以及抵御台风的能力。

3、交通疏解应有可靠醒目的标记,避免产生误会。

㈤ 场内保护

1、作好四口五临边工作,基础开挖完成后,临边防护栏杆应严格按规范要求及时作好,防止临边跌落。

2、各工序交叉作业时,应特别注意好人与机械,机械与机械之间配合施工,防止姓相互碰撞。

3、保持畅通的施工通道,发生危急情况时,能及时撤退,备足抢险器材,随时准备进行应急求援。

第十节  接口处理

1、首先进行现场控制桩点的交接,作好复测和定测工作。利用大剧院站原有导线点进行联测,保证中部增加站厅层的中线与轴线位置准确无误,与大剧院站的轴线、水准点相吻合。

2、对于其他专业所需的预留孔洞、预埋件安设,施工时互相协调,提供作业时间及工作面,作到不漏放、不漏埋。

3、对于地下管线,积极配合管线施工单位的工作,尽量为提供各种便利,改移后,进行现场标识和定位,保证地下管线安全。

4、由于大剧院站及其出入口由我公司施工,如我公司有幸中标中部新增站厅层项目,我们将会将中部增加站厅层与剩余的号通道和5号出入口、号通道、3#4#出入口作为一个整体,统一协调,统一组织,充分利用现有资源,保证中部增加站厅层与号通道、5#出入口、号通道及车站站厅层的接口工作。

 

1.1.1.6                              施工进度计划安排

第一节                            施工工期总体计划安排

一、施工进度总体计划   

深圳地铁一期工程27标段施工进度计划安排自200391日起开始,至2004415完工,总工期7.5个月,比合同要求工期提前半个月。

大剧院站新增中部站厅层工程大体分三个阶段施工,第一阶段施工围护结构和降水井,第二阶段进行基坑土方开挖和支撑施工,分别计划在2个月内完成,第三阶段进行主体结构施工(包括防水和土方回填),计划在4个月内完成,总体计划用7.5个月完成所有工程项目,各分项工程项目完成时间安排见下表。

分项工程作业时间安排表     表I-6-1-1

序号

工 序 名 称

施工起讫时间

1

挡墙施工

200391120031115

2

Φ800钻孔桩施工

200391120031115

3

Φ500旋喷桩施工

200310120031125

4

冠梁施工

2003101120031130

5

土方开挖及外运

200311120031231

6

钢支撑安装

200311120031231

7

主体结构施工

20031212004228

8

防水施工

200311262004315

9

土方回填

20043162004330

二、施工进度横道图

施工总进度计划横道图见图I-6-1-1

三、控制性施工进度计划网络图

施工总进度计划网络图见图I-6-1-2

第二节  资源供应计划

一、 物资材料调配计划

工程所需主材、地材的规格或型号、数量根据施工设计图与定额分类逐项进行详细的测算。除业主统一组织货源进行供应的材料外,其它材料由投标人自行采购供应。

材料供应与调配计划应着力抓好以下几方面:主要材料在订货前须经监理工程师认可后方能进行购买;一切工程材料其性能与质量必须符合规范要求,购买前必须确认有产品质量合格证书或有关等效证明书;凡用于工程的主材要进行原材料检验、地材要取样试验,确认合格后方可进场使用;材料质量控制须从选购、运输、装卸、贮存、保管、测试、使用监控及信息反馈八个方面抓起,形成一个严密、周全、多层次、全方位的监控体系,切实把好材料进场关。

二、水电需求调配计划

若我方中标,施工用水用电将充分结合大剧院站34号出入口的施工统一考虑,同时为在突发断电的情况下,能保障正常施工作业,不致造成质量事故,配备1200KW柴油发电机。

三、资金流量计划

若我方荣幸中标,本投标人将坚决执行业主《技术规范》中计量与支付办法。并以雄厚的资金先投入本标段的施工中,严格资金管理、科学合理使用。

四、资源管理调配计划图

依据定额及时间进程进行分配,绘制出资源供应需求直方图,分别见图I-6-2-1I-6-2-5。从图上可直观、形象地反映出完成工程期间资源配置分配和总体计划动态。

 

1.1.1.7                              确保正常施工和预防突发情况的措施

第一节  管理和技术措施

一、确保正常施工的管理措施

㈠ 组建精干高效的领导班子,配备经验丰富的管理人员,项目经理、副经理均从事过地铁或其他类似工程的施工经验。在项目部技术管理人员安排上,为保证施工过程中的技术管理水平,选派的总工程师有过硬的地下工程施工经验,其余关键技术人员均有地铁或其他类似地下工程的相关施工经验。

㈡ 项目部内设立技术管理系统,由项目总工程师负全责,接受项目经理领导,下设工程计划部,负责项目建设的全部技术管理工作。制定和执行岗位责任制,编制实施性施工组织设计、作业指导书、开竣工报告及技术、测量、资料管理办法。

㈢ 技术管理上实行技术人员专业分工负责制,专业技术人员既是该工序技术负责人,又是施工负责人。围护结构施工,土方开挖、支撑、主体结构施工、防水、监控量测等关键工序实行技术干部包保责任制,确保关键工序质量。

二、确保正常施工的技术措施

㈠ 为保证深圳地铁一期工程27标段的建设质量,抽调集团公司、分公司有关工程专家,并聘请社会上地下工程专家参与技术管理工作,负责重点施工方案的制定、施工监测及技术指导工作。在施工过程中由集团公司、分公司及外聘专家组成定期对施工现场中遇到的技术问题进行研讨,组织技术攻关,并督促和检查项目部的技术管理工作。

㈡ 基层人员配备熟练的技术工人,选择有丰富施工经验及一定管理组织才能的人员担任领班及组长。

㈢ 严格执行我单位《施工管理办法》中有关规定及深圳地铁公司的有关要求,建立层层责任制,总工程师对项目经理负责,技术人员对总工程师负责,有利于规范及章程、技术措施的正确贯彻执行。完善各项管理制度,根据设计文件、图纸及有关规范编制《施工手册》,人手一册,并进行培训,持证上岗。

㈣ 结合上海、广州和深圳地铁施工取得的经验,认真理会设计意图和招标文件要求,编制切实可行的、针对性强的施工组织设计,并对关键及特殊工序制定详细的施工方法、操作细则,并落实到人。对重点难点工序组织专题攻关小组,解决施工技术难题,确保工程按计划快速优质进行。

㈤ 施工过程中严格把关

一是严把图纸审核关。组织技术人员对图纸进行认真审核,彻底了解设计意图,严格按图纸和规范要求组织实施,并层层进行技术交底。

二是严把关键工序过程控制关。加强事先交底与过程控制,使施工过程完全受控状态,保质保量完成好施工任务。

三是严把测量关。整个施工由公司派测量专业工程师及精测队进行测量。采用国内先进的测量仪器进行测量导线控制。

四是严把材料检验关。由项目部试验室负责对各种原材料进行检验,商品混凝土的配合比设计和原材料检验与厂家共同进行,防水材料的检验委托有资质的单位进行检验,坚决杜绝不合格的材料及半成品使用到工程中。

㈥ 为适应信息化时代要求,施工中进行信息化管理,即施工计划网络资源管理、施工监测等进入计算机系统,采用先进的管理软件(P3EXP)对施工全过程进行控制。

㈦ 对日常性的技术管理工作责任承包到人,制定工作要求和标准,根据工程实际进度中的情况进行考评、奖罚。

㈧ 施工中不断进行施工方案优化,以求得施工方案的先进科学和成熟,提高我集团公司在城市地铁领域的施工水平。

㈨ 配备先进的施工机械设备,采用合理的机械化配套施工,确保工程高效快速施工。采用先进的实验量测设备控制工程质量。

㈩ 加强文明施工管理,把交通干扰、环境污染和噪音及对周边建筑物的影响减少到最低限度。

(十一) 加强与业主、监理、设计单位的联系,在重点关键部位的技术处理上及时沟通,取得经常性的合作和支持,及时解决问题。

(十二) 坚持技术学习,贯彻执行好制定的施工控制程序和提高全员的技术素质。

三、预防突发情况的措施

㈠ 为保证深圳地铁一期工程27标段的正常施工,进场后成立预防工程突发情况的管理小组,由项目经理任组长全面负责管理,在工程施工期间,组织相关技术和安全管理人员定期的对在建分部分项工程做详细的检查,并对即将开工项目的施工准备情况统一盘查,确保各分部分项工程在施工中间安然无恙。

㈡ 对事故易发点或易出现险情的重难点施工项目,提前组织安全管理及技术人员研讨,并做出科学的分析和预测,制定确实可行的预防措施,并设专人负责监控、落实。

㈢ 借鉴以往地铁和其他类似工程曾发生的典型事例,组织全体参战人员学习,认真吸取教训,防患于未然。

㈣ 现场备足大功率抽水设备,以防突发暴雨,并经常性地对现场临时排水设施检查,发现问题提前处理。

㈤ 现场设有抗台风的设施,台风来临前,迅速拉紧固定设施的揽风绳,人员和行走机械躲避到背风处,另项目部设抗台风管理小组,分工轮流值班,监督有无异常情况发生,并及时向上级管理部门汇报。

㈥ 现场严格按上级部门批准的施工总平面设计图进行布置,加工料厂和材料库、设备库配备足够的防火、灭火装置和设备,以防有火灾发生时能有效控制或扑灭火灾。

第二节  连续墙拆除施工措施

一、工程简述

大剧院站新增中部站厅层北侧与大剧院站主体结构相接,其主体结构施工前,已施工完的地下连续墙需要分段拆除,总拆除量为1192m3。地下连续墙设计为永久结构,即已考虑墙身与主体结构内衬共同受力的因素,所以,拆除连续墙时,采取相应的拆除方法和必要的安全措施是保证主体结构如若完工的法宝。

二、拆除方法与安全措施

1、按设计要求,每隔6在连续墙上开一个1.5(宽)×2.0(高)的钻孔,在该孔位,站厅扩大层底板与车站中板通过钢筋、钢筋接驳器和后浇砼连接,确保底板能有效传递支撑轴力,待拆除完第二道支撑和该部分连续墙后施做底板与车站中板间其余的连续部位。

2、考虑连续墙设计为永久结构的因素,在拆除施工时,不能采用过多振动或过大压力的拆除施工,以免对原结构造成损坏。

3、钻孔采用φ89金刚石水钻开挖,大面凿除采用小型机具配合人工进行,用气割枪切除砼内钢筋,并考虑选用线锯切割的方法切除砼,利用水钻多开孔,给线锯切割创造工作空间。

4、拆除施工前,严格执行必要的安全教育和安全交底制度,施工中,执行严密的安全检查制度,并做好记录。

5、严格按设计要求分段分层进行拆除施工,待相邻段结构顶板砼浇筑并达到强度后再进行本段的拆除施工。

6、为保证拆除施工进度,组织足够的劳力和施工机具轮班作业,确保不间断施工。

 

1.2.1        第二篇施工装备和劳动力详细情况说明

1.1.2.1                              施工组织机构及职责

一、组织机构

针对深圳地铁一期工程27标段土建工程的工程数量与特点,根据现代科学工程管理理论,按照信息化管理模式,结合投标人多年来在工程管理中积累的经验,为确保安全、优质、高效、低耗完成本工程,拟以原地铁4标项目部主要管理及技术人员组建:中铁十二局集团深圳地铁一期工程27标项目经理部。组织机构详见图Ⅱ-1-1《管理机构和组织机构图》。

该机构实行项目经理责任制,成立以姚永勤为项目经理,郑胜允为项目副经理,刘广均为项目总工程师,周耿锋为总经济师,吴爱民为安全主任的项目领导班子,设立工程计划部、质量安全部、财务部、物资设备部、环保治安部、综合办公室等职能健全的业务部门。并挑选施工经验丰富,年富力强,责任心强的人员作为该项目的骨干力量,对现场进行统一管理实施和组织。

现场人员安排表见表Ⅱ-1-1

主要管理与施工技术人员安排表见表Ⅱ-1-2

主要熟练技术工人领班人员安排表见表Ⅱ-1-3

二、机构特点

1、目标明确:目标明确,责任落实至单位或个人,即把整个项目的计划目标值化整为零,分解到位,一级包一级,一级保一级;从基础做起,从点、线、面做起,确保整体目标的圆满实现。

2、素质高强:管理人员,尤其是领导决策者具有扎实的理论功底和丰富的施工实践经验,懂技术、讲科学、善管理,具有良好的心理与身体素质,可妥善处理应急事件。

 

 

 

 

 

 

 

 

 

 

 

 

 

 

 

 

 

 

 

 

 

 

 

 

Ⅱ-1-1    管理机构和组织机构图

现场主要人员安排表             表Ⅱ-1-1

人员类别

平均年龄

人数

总计

其中:女性

管理人员

37

24

4

项目(正、副)经理

42

2

 

行政管理人员

40

5

 

经济管理人员

35

2

 

项目总经济师

28

1

 

经济管理办事人员

30

2

1

财务部

35

3

1

物资设备部

38

4

1

环保治安部

35

3

 

综合办公室

37

2

1

技术人员

30

25

 

项目总工程师

37

1

 

技术工作人员

30

24

 

熟练技术工人

30

240

 

钢筋技工

30

80

 

模板技工

29

60

 

砼技工

25

45

 

起重工

38

5

 

焊接工

31

20

 

防水技工

39

20

 

电工、钳工

33

8

 

机电工

40

2

 

 

主要管理与施工技术人员安排表     表Ⅱ-1-2

序号

职务

姓名

年龄

性别

职称

专业

主要资历简述

1

项目经理

姚永勤

39

高级工程师

隧道工程

附后

项目副经理

郑胜允

46

工程师

工民建

附后

总工程师

刘广钧

37

高级工程师

矿井建设

附后

总经济师

周耿锋

28

经济师

经济管理

附后

2

质量管理工程师

孙华洲

33

工程师

工民建

附后

投资管理工程师

芮振洲

28

经济师

建筑管理

附后

计划管理工程师

王红岩

34

工程师

地下工程

附后

3

机电工程师

张开弟

38

工程师

机电

附后

测量工程师

程旺生

35

工程师

测量

附后

监测工程师

陈文

29

工程师

铁道工程

附后

工程试验工程师

郭志超

31

工程师

建筑材料

附后

安全文明管理工程师

吴爱民

44

工程师

铁道工程

附后

4

物资部负责人

楚富平

40

工程师

物资管理

附后

财务部负责人

张泽远

46

会计师

财务会计

附后

站厅层主管工程师

余浩

30

工程师

工民建

附后

防水工程师

万俊

30

工程师

工民建

附后

 

 

 

 

 

 

 

 

 

 

 

 

 

 

          主要熟练技术工人领班人员安排表     表Ⅱ-1-3

序号

职务

姓名

年龄

性别

级别

主要资历简述

1

建筑技工

杜志强

28

一级

后附

2

钢筋技工

朱贵

35

一级

后附

3

彭志金

30

一级

后附

4

模板技工

宋建平

33

一级

后附

5

砼技工

丘庆祥

28

一级

后附

6

起重工

高志宏

41

一级

后附

7

王瑞

27

一级

后附

8

焊接技工

贺有云

46

一级

后附

9

刘世林

40

一级

后附

10

机电技工

盛智源

55

一级

后附

11

高振文

46

一级

后附

12

喷砼技工

黄锡光

28

中级

后附

13

运输技工

李文

44

高级

后附

14

装载司机

崔跃林

42

高级

后附

15

钻机技工

张会龙

29

中级

后附

16

测量技工

李勇

32

中级

后附

17

模型技工

余春生

39

高级

后附

18

领工员

文南

45

高级

后附

19

赵继明

41

高级

后附

20

电工

李二军

42

高级

后附

21

张跃亮

28

中级

后附

 

 

 

 

 

 

 

 

 

 

 

 

 

 

 

 

 

 

 

 

 

3、职能完善:超前布局、计划当先;统筹兼顾、科学安排;机动灵活、合理协调;组建精干高效的班子,形成雷厉风行、快速运作的领导集体。

4、服从业主:整个合同履行过程当中,本承包人在按照合同条款和实事求是的基础上,一切服从业主,一切尊重业主,同业主、监理工程师之间建立真诚、友好、融洽、祥和的合作关系。

三、管理机制与职责

在认真研究、仔细综合分析本项目工程后,本承包人认为, 要圆满实现业主和承包人共同期翼的目标,必须强有力地抓好以下一系列工作,概括为:一中心、两重点、三协、四控、五制和六法,具体内容如下:

一中心:即以确保优质文明工程为中心,在抓好本项目工程的基础上,争创经济效益和社会效益双丰收;

二重点:在全面控制的基础上,一是抓好围护结构的安全组织施工;二是抓结构防水工作。

三协:为确保工程任务的顺利实施,避免人为的不利因素干扰,须协调好三方面的关系,一是内部各作业点、面的关系;二是同市政道路及管线施工单位之间的协调关系;三与当地交警部门、电力、物资等部门以及当地市民的友好协作联系,创造良好的社会环境。

四控:即安全控制、质量控制、工期控制和成本控制;

五制:在运用项目法管理实施本项目工程当中,建立健全五种机制,即被授权人全权负责制、项目目标责任制、责任成本管理制、工程自检与工程监理制和质量一票否决制;

六法:施工中采用相应的技术、手段与方法进行管理,分别是(1)采用计算机网络计划管理技术;(2)进一步推行全面质量管理QC小组攻关活动;(3)积极推广与运用四新成果;(4)贯彻ISO9002系列标准;(5)成立专家咨询组,及时有效解决工程技术问题;(6)创建文明工地,推行施工现场程序化、规范化、标准化作业。

1、项目经理

项目经理是项目组织管理的第一责任人,在合同环境下受公司法定代表人委托,并代表其向顾客作出质量承诺。

组织开展质量体系活动,确立项目质量目标,组织编制实施性施工组织设计。贯彻执行国家方针、政策、法规,坚持全面质量管理,推进各项质量活动开展,确保产品质量稳定提高,满足顾客需要,不断争创名牌工程。

组织向顾客提供质量依据,处理顾客提出的有关质量方面的要求。

负责对工程项目进行资源配置,保证质量体系在工程项目上的有效运行及人、财物资源的需要。

贯彻实施公司质量方针和质量目标,制定项目质量规划及实施计划,监督检查计划执行情况,对不符合质量的部门工作进行考核和评价。

2、项目副经理

受项目经理委派负责生产、安全及施工现场管理。

按审定的施工组织设计施工;按ISO9002系列抓好质量管理,认真组织QC小组活动;认真落实安全措施,按主管部门要求抓好安全生产;积极推广新技术、新工艺,结合生产实际开展科技创新,遵守测量、试验等专项工作规范;根据建设单位的工期要求组织施工,确保工期、形象进度满足建设单位的要求管好用好机械设备,提高设备的完好利用率,认真组织劳动竞赛活动;不折不扣地贯彻落实上级的规章制度、措施、办法和决定。

3、项目总工程师

受公司总工程师和项目经理领导。对全项目工程质量、施工技术、计量测试负全面技术责任,指导施工队工程技术人员开展有效的技术管理工作。

在公司总工程师和有关业务部门指导下,提出贯彻改进工程质量的技术目标和措施,负责组织对工程项目施工方案、施工组织设计及质量目标的推广和应用。

负责组织对工程项目施工方案、施工组织设计及质量目标的制定及批准后的实施对不合格品及其纠正、预防措施进行审核。解决工程质量中有关技术难题,并协助项目经理解决工程质量中的关键技术和重大技术难题,督促检查各项质量规划的实施。

4、工程计划部管理职责

(1) 严格按照ISO9002质量体系文件《管理手册》中的《施工技术管理办法》执行。

(2) 建立健全以总工程师为首的技术管理体系,全权负责本工程的施工技术和施工方案的管理。挑选经验丰富、年富力强、责任心强的相关专业技术人员控制施工。

(3) 负责实施性施工组织设计的编制、设计、图纸审核及现场临建设施的设计。

(4) 负责施工过程中的技术交底、技术指导、质量监督和技术资料的整理工作。

(5) 负责工程进度的控制、工序安排、机械设备配套、突发事件处理等工作。

(6) 成立相应的技术专业小组,以防水及施工监测等专业小组,专门负责解决相应的技术问题和落实施工。

5、财务部管理职责

(1) 组织制定内部经营承包方案和签订承包合同,对计划和统计工作的质量负责,对工程计价和结算工作的质量负责。

(2) 做好项目资金管理和项目成本核算工作,建立完善质量成本核算制度,确保项目经济效益。

(3) 实行成本责任承包的层层承包制,严格控制施工成本。

6、物资设备部管理职责

(1) 负责材料物资、施工机械设备的计划、采购、评审管理工作。

(2) 加强材料物资、机械管理,严把采购、运输、发放等各个环节,认真开展双增双节活动,节能降耗,杜绝浪费,降低成本。

(3) 做好各种废旧材料、半成品的回收利用,做好机具设备的维修保养,努力提高机械利用率,采取措施节约原材料消耗。

(4) 负责机械设备安全和故障预防工作,完善技术和保修措施,检查机械设备的使用维修情况,建立档案及设备维修、运转记录。

7、质量安全部管理职责

(1) 实行工程质量项目经理负责制,并由项目经理组织分解、层层落实,进行直接承包。

(2) 负责施工质量的监督检查工作,协助监理工程师进行分项工序及隐蔽工程的检查。

(3) 积极推行全面质量管理,开展创优、报优活动,开展QC小组活动。

(4) 建立健全安全生产责任制,项目经理对项目部的安全生产工作承担全面领导和管理责任,各部门、各作业班组层层落实,实行各级安全生产责任承包制。

(5) 分项工程开工前,在技术交底的同时必须进行质量要求和安全生产技术交底。

(6) 建立健全安全检查制度。安全文明管理工程师负责每天的安全检查,项目经理部每周组织一次安全检查。

(7) 定期召开安全生产会议,深化安全教育,强化安全意识,持证上岗,发现问题及时解决,制定安全规划,搞好安全教育,消除事故隐患,把不安全的因素消灭在萌芽状态。

8、环保治安部职责

(1) 严格按照ISO9002质量体系文件《管理手册》中的《文明施工管理办法》和深圳市文明施工规定执行。

(2) 建立健全现场文明施工管理责任制,项目副经理对项目经理部的文明施工管理承担全面领导和管理责任。

(3) 建立健全检查评比制度,定期组织评比检查,增强大家的环境保护安全保卫的意识和要求。

(4) 建立安全保卫制度。现场实行全封闭,大门口设值班员,所有进出场人员、车辆须登记检查方可通行,以避免对施工现场的干扰。

(5) 认真实施标准化作业,搞好文明施工。施工中严肃施工纪律和劳动纪律,杜绝违章指挥与违章操作,做到文明施工,有条不紊。

(6) 负责对施工场地周围环境进行检查防护,及时处理市民的投诉。对施工范围内的管线和临近建筑物等具体落实人员加强监测保护。

9、综合办公室

主要处理项目经理部一切日常工作,负责党政、文秘、接待及对外关系协调等工作。

 

1.3.1        第三篇施工技术保证措施

1.1.3.1                              工期的保证措施

一、组建精干高效的领导班子,配备经验丰富的管理人员,快速组织施工人员、机械设备和物资材料进场,按工作内容和进度配齐各项生产要素,保证三快,即进场快、安家快、开工快,抓住有利施工季节,实现施工进度的良好开端。

二、健全组织机构,做到事事有人管。综合办公室设专职干部负责协调对外关系,为项目施工创造良好的外围环境。

三、认真理会设计意图和招标文件要求,编制切实可行的、针对性强实施性的施工组织设计,科学组织施工,并对关键及特殊工序制定详细的施工方法、操作细则,并落实到人。对重点难点工序组织专题攻关小组,解决施工技术难题,确保工程按计划快速优质进行。运用网络计划技术,实施动态管理,及时调整各分项工程的进度计划和机械、劳力配置,合理安排施工。

四、根据总体目标和施工进度顺序、施工难度、环境等特点,提前预测可能发生的影响工期因素,采取有效措施,抓住控制点,重点突破。加强与业主、监理、设计单位的联系,在重点关键部位的技术处理上及时沟通,取得经常性的合作和支持,及时解决问题。

五、根据施工总进度计划,再细排年度、季度、月度及周计划。每日召开生产协调会,落实上日计划完成情况,作出总结,并对计划作业制定调整补救措施,同时安排下日施工任务,并对各工序的主要施工难点制定解决方案。

六、本工程利用机械均为配套设备,在国内处于领先地位,可从硬件上满足施工。

七、本工程所用劳动力,以我公司员工为主,可掌握各工序施工主动权,从人力组织上保证工期。

八、把好工程质量关,抓好安全生产,杜绝质量、安全事故的发生,把影响工期进度的不利因素减少到最低限度。

九、备好备用电源,工地现场配置供施工生产临时用的柴油发电机,保证工程在电网停电时不间断施工。

 

1.1.3.2                              砼质量保证措施

一、施工原则及重点

1、本工程砼采用防腐抗渗砼,要求其抗压强度、抗渗标号、防腐性能必须满足设计要求,并具有良好的抗裂性能。本合同段砼施工质量就是保强度、保抗渗、防腐蚀,防开裂四个重点。

2、本工程所使用商品混凝土均为业主通过招标选定的厂家供应。

3、施工中监控砼配合比、各种材料和生产过程中的计量、搅拌、运输、立模、浇筑、养护等各环节,加强砼现场质量控制,严格按规范操作,确保砼质量。

4、施工中根据砼的作用机理,找出各项目质量控制要点和质量原因,采取相应的技术、管理、工艺措施。

5、砼质量控制工序框图见图Ⅲ-2-1

二、保证砼强度措施

控制要点:水泥及外加剂、骨料的质量;水灰比、配合比、搅拌浇筑方法;捣固程度、养护方法。

技术措施:严格控制原材料质量,根据招标文件要求及有关规定,通过试验确定施工配合比以及水灰比和外加剂的用量。加强砼强度的质量检测,根据检测数据,及时调整影响砼强度的相关因素。在保证质量和坍落度的前提下,掺加减水剂,降低水灰比,提高砼抗压强度。

三、保证砼抗渗措施

控制要点:提高砼密实度,即配合比、原材料、外加剂、施工方法、养护条件。

技术措施:使用优质硅酸盐水泥,选择使用优质粗细骨料,控制粗骨料粒径。掺加粉煤灰、减水剂、膨胀剂等,在满足砼和易性前提下,尽可能降低水灰比。在砼运输、浇筑、振捣施工中防止砼离析,以得到抗渗效果良好的,质量均匀的优质砼,并在合适的温度、湿度条件下养护。

 

 

 

 

                 

 

 

 

 

 

 

 

 

 

 

 

        

 

 

Ⅲ-2-1  砼质量控制工序框图

四、防止砼腐蚀措施

控制要点:拌合用水、结构防水及砼养护用水。

技术措施:拌合用水及养护用水均采用洁净的生活用水。做好结构防水层的施作,隔离地下水与结构,确保结构不被腐蚀。

五、防止砼开裂措施

控制要点:材料、级配、配合比、外加剂、养护条件、坍落度、入模温度等。

技术措施:选用优质水泥和结构密实的骨料,适当降低水灰比,减小坍落度;掺入粉煤灰,减少水泥用量,加强养护;夯实支架基础,选用刚度大、稳定性好的模板及扣件,浇筑后检查表面沉陷裂缝;加入膨胀剂,防止砼收缩裂缝;夏季浇筑砼控制入模温度,避开高温时段,减少砼浇筑厚度,降低浇筑速度。合理分段,减小收缩裂缝。

六、综合保证措施

1、加强对砼生产过程的控制,向商品砼拌合站派驻内部质检员,监督检查各种原材料到货质量、计量情况、搅拌时间等,协助试验人员抽样。测定坍落度,并与施工现场及时联络,互通情况,记录砼输送车驶离搅拌站的时间。

2、运送砼避开车流高峰期,在细致深入调查研究的基础上,定出省时、短距的运送路线,并制定出应急措施。

3、喷射砼掺加速凝剂,采用标号不低于425号的普通硅酸盐水泥,采用硬质洁净的中砂、粗砂和坚硬耐久的碎石、卵石。速凝剂使用前做与水泥相容性试验及水泥净浆凝结效果试验,确定最佳掺量。

4、砼浇筑前,对模板、支架、钢筋和预埋件进行检查,模板选择刚度大、表面平整光滑、接缝密实、无变形翘曲的模板并选用合适的模板支架,选择好支撑位置,杜绝跑模现象。

5、砼浇注时其自由倾落度不大于2m

6、砼捣固时振捣器避开钢筋且与模板保持一定距离。

7、结构施工缝预留在受剪力或弯距最小处。

8、控制砼养护的温度和湿度,保证砼硬化及强度增长所需环境,制定专项养护方案。高温或干燥天气要加麻袋草袋等覆盖,保持构件有较久的湿润时间

9、高温季节浇筑砼时,注意砼在拌制、运输和施工中的水分蒸发问题,通过现场观测、计算,适当增加拌和用水量。对砌筑用的砌块等要提前浇水充分湿润。

七、砼通病现象及预防措施

1、蜂窝。按规定使用移动振动器。中途停歇后再浇捣时,新旧接缝范围要小心振捣,模板安装前应清理模板表面及模板拼缝处的浆液,使接缝严密。若接缝宽度超过2.5mm,应予填封,梁筋过密时应选择相应的石子粒径。

2、麻面。模板应平整光滑,安装前把粘浆清除干净,并满涂隔离剂,浇捣前对模板要浇水湿润。

3、露筋。钢筋垫块厚度要符合设计规定的保护层厚度;垫块放置间距适当,钢筋直径较小时垫块间距宜密些,使钢筋自重挠度减少;使用振动器必须待砼中气泡完全排除后才能移动。

4、孔洞。对钢筋较密的部位(如梁柱接头)应分次下料,缩小分层振捣的厚度;按照规程使用振动器。

八、预拌砼生产及运输

1、遇有雨水影响砂、石含水率,应及时通知试验员进行测检,并调整配合比。
2、经常检查掺合料、外加剂的自动计量系统的工作状态是否正常。
3、砼搅拌车卸料前应检查拌筒内拌合物是否搅拌均匀。

4、砼搅拌车在现场交货地点抽检坍落度是否超过允许偏差值。
5、搅拌车的转速应按搅拌站对装料、搅拌、卸料等不同要求或搅拌车产品说明书要求进行转动,以保证产品质量。
6、搅拌车开工前要用水浇湿拌筒,并在装料前排清积水。

九、泵送砼施工

1、砼输送管道的直管布置应顺直,管道接头应密实不漏浆,转弯位置的锚固应牢固可靠。
2、凡管道经过的位置要平整,管道应用支架或木垫坊等垫固,不得直接与模板、钢筋接触,若放在脚手架上,应采取加固措施。
3、搅拌车卸料前,必须以搅拌速度搅拌一段时间方可卸入料斗。

4、对施工中途新接驳的输送管应先清除管内杂物,并用水或水泥砂浆润滑管壁。
5、泵送中途停歇时间一般不应大于60min,否则要予以清管,以保证泵质量。
6、最初泵出的砂浆应均匀分布到较大的工作面上,不能集中一处浇筑。
7、泵送过程,要做好开泵记录、机械运行记录、塞管及处理记录、泵送砼量记录、清洗记录;检修时做检修记录。做好坍落度抽查记录。

1.1.3.3                              结构防渗漏、防裂缝技术措施

第一节   结构防渗漏技术措施

一、施工原则及体系

㈠ 地下结构工程的防水,应遵循以防为主、多道防线、因地制宜、综合治理的原则,以结构自防水为根本,接缝防水为重点,并辅以附加防水措施。积极采用经过试验鉴定,并经实践检验行之有效的新材料、新技术、新工艺进行施工。

㈡ 防水工程必须严格按招标文件要求挑选三级(含三级)以上的建筑防水工程专业承包资质的队伍进场施工,且须满足招标文件各项要求。

㈢ 防水材料由通过业主测评认定的厂家供应。

㈣ 防水工程施工必须在上道工序自检合格,并经监理检验认可后方可进行。

㈤ 防水体系:防水施工是控制地铁工程质量的关键,根据本工程的防水等级要求,本工程的防水施工方案遵循以防为主,多道防线,因地制宜,综合治理的原则。采用以提高结构本身自防水性能为主,附加防水层为辅,多道防线,层层设防的整体防水方案。

二、人员安排及施工组织

㈠ 成立以项目经理为首的防水工程领导小组,由项目总工程师主抓此项工作,下设专职质量检查工程师及专业防水组,所有人员经培训后上岗。

㈡ 施工中,质检工程师与技术人员认真检查与指导防水组工人对每道工序按照施工工艺细则进行操作,凡检查验收不合格者,责令其立即予以修补或返工,上道工序不合格不准进入下道工序。

㈢ 各种原材料制品及配件进料要有出厂合格证,产品性能须符合相关标准规定,使用前,必须按规定对各种材料进行抽检,合格后方准使用。

㈣ 每道防水工作完成后,先由主管技术人员检查,再报质检工程师检查,合格后报请监理工程师验收,签认后方准进入下道工序,并做好资料整理工作。

三、砼防水

㈠ 为确保结构砼的防水质量,限制水泥用量,控制水灰比≤0.5及坍落度12±2cm(泵送商品砼)。砼的浇筑温度必须28℃,砼浇筑后加强养护,不允许无覆盖的情况下直接在砼的表面浇水养护。

㈡ 防水砼分层浇筑,分层振捣,每层厚度不超过300400mm,确保上下层砼在初凝前结合好,不形成施工缝。

㈢ 在施工缝上浇筑砼前,对缝表面进行凿毛处理,清除浮渣,继续浇筑时铺层2025mm厚水泥砂浆。

㈣ 防水砼结构内部设置的各种钢筋或绑扎铁丝,不得接触模板,结构内预埋管件、穿墙管缝、密集群管、钢筋稠密处加强振捣,采取有效措施,确保质量。

㈤ 大体积的超厚砼,施工中要分段、分块、均匀浇捣,严格控制施工分段,跳段施工,两段之间内衬砼浇筑间隔应大于10天,而每段浇捣必须连续进行,不得对拌合料加水。要有充分的温度控制措施。

㈥ 加强外防水层在结构顶板等的特殊处理。

㈦ 对有渗漏的基坑墙面,均应预先堵漏或引流,以保证砼的质量。

四、防水板防水

㈠ 防水层施作前,应先检验铺设面是否平顺,或有无渗水点,并提前采取措施处理。

㈡ 正式铺设前进行铺设试验,选择合理的施工参数,制定操作规程和质量控制要点。

㈢ 防水板与固定垫圈的粘接采用电热压焊器,将防水板与固定垫圈加热熔化粘合在一起,操作过程中防止烧穿防水板。

㈣ 底板、侧墙及顶板防水实施分节分段施工。

㈤ 为保证接缝质量,采用双焊缝机械焊接工艺。

五、施工缝防水

㈠ 要保证止水带与砼牢固结合,接触止水带处的砼不应出现粗骨料集中或漏振现象。

㈡ 已安设的止水带用薄铁皮加湿麻布遮盖保护。

㈢ 砼灌注前,将止水带表面进行认真清理,不允许粘有泥砂,对卷折部分扶正并固定。

六、涂膜防水措施

㈠ 严格执行先试后干,由试验段确定涂膜次数,确保防水层涂膜厚度。

㈡ 施工中定时,不定时进行抽查,严格控制。

第二节   结构防裂缝技术措施

㈠ 结构顶板商品混凝土尽量采用具有补偿收缩功能的混凝土,在满足抗渗和强度要求的情况下,掺入适量的混凝土微膨胀剂,调整水泥用量,胶凝材料总量不降低,以降低混凝土的水化热。

㈡ 钻孔桩间的凹槽用喷射混凝土找平,其表面须达到防水施工要求,表面用20mm厚的水泥砂浆找平,以减小对侧墙混凝土涨缩的约束力。

㈢ 侧墙混凝土模板不宜拆除过早,防止混凝土里外温差过大,减轻内拉伸应力。可根据工程具体条件确定,尽可能多养护一段时间。拆模后混凝土表面的温度不应下降15度以上,拆模时混凝土的现场试块强度等级不宜低于C5

㈣ 主体结构施工分段长度不宜太长,一般控制在12左右,以减少混凝土水平应力的约束。

㈤ 加强混凝土供应质量的监督管理,现场混凝土检验要有供应商、承包商和监理三方签认,不合格混凝土要退货,不能用于工程。

㈥ 严格控制混凝土原材料的质量和技术标准,特别是在泵送混凝土工艺中,一定要采取精料方针

㈦ 根据工程特点,可以利用后期强度,如60天、90天、120天强度,即允许工程在60天、90天、120天达到设计强度,这样可以减少水泥用量,减少水化热和收缩。

㈧ 混凝土的浇灌振捣技术对混凝土密实度是很重要的,最宜振捣时间515s。泵送混凝土也仍然需要振捣。采用两次振捣技术,改善混凝土强度,提高抗裂性,也是混凝土裂缝控制的重要措施。

㈨ 对于地下工程,拆模后及时回填土是控制早期、中期开裂的有利因素。土是混凝土最佳的养护介质。顶板施工后,应及时施做防水层,及时回填土,避免长期日晒,以减少砼的干缩内力和温度应力。

1.1.3.4                              隐蔽工程的质量保证措施

第一节  检查及验收制度

一、隐蔽工程检查采用班组检查与专业检查相结合的方式,即施工班组在每道工序完工之后,首先进行自检,自检不合质量要求的予以纠正,然后由专职检查人员进行检验。

二、严把关键工序过程控制关。加强事先交底与过程控制,使施工过程完全受控状态,保质保量完成好施工任务。各工序完成后,由主管技术人员、质量检查工程师会同各工班长,按技术规范进行检验,凡不符合质量标准的,坚决予以返工处理,直到再次验收合格。

三、工序中间交接时,必须有明确的质量合格交接意见,每个工班在进行工序施工时,都应严格执行三工序制度,即检查上工序,做好本工序,服务下工序。

四、隐蔽工程隐蔽前须各专业技术负责人和专职质量检查员签字,以免未完成工序隐蔽,造成不必要的返工。隐蔽工程在完成上述工序后,邀请现场监理工程师检查验收,做好验收记录,签证及资料整理工作。检查未获监理工程师验收通过后,必须返工重做,否则不得进行下道工序的施工。

五、严把材料检验关。由项目部试验室负责对各种原材料进行检验,坚决杜绝不合格的材料及半成品使用到工程中。

六、隐蔽工程必须有严格的施工记录,将检查项目、施工技术要求及检查部位等项填写清楚,记录上必须有技术负责人和质量检查人签字。

七、隐蔽工程检查验收程序见下图-4-1

 

 

                                                                    

 

 

 

 

 

 

 

 

 

Ⅲ-4-1  隐蔽工程检查验收程序图

第二节   岗位责任制

一、各主管工程师须详细审查施工图纸,熟悉设计意图、技术要求等,对图纸中标识不清或有误之处,须及时报请监理工程师及设计院进行改动或变更。

二、做好技术交底,技术交底必须实行复核制,交底资料上须有主管工程师及复核人签字。

三、对各分项工程,设一名主管工程师及一名施工员专职负责,发现问题共同及时处理。

四、加强检查,消除隐患,主管工程师及质量检查人员在检查工程时,应重点检查隐蔽工程,发现问题及时处理,将隐患消除在萌芽状态。

五、和其它工程加强协调,主动配合,做好隐蔽工程。

1.1.3.5                              对预埋件及预埋孔洞的保证措施

一、施工前,主管工程师对图纸进行详细的审查,对图纸中反映的预埋件、预留孔洞的位置、大小、规格等进行仔细复核,充分了解设计意图,发现问题及时向驻地监理工程师及设计人员反映,并以设计单位或监理工程师下达的书面通知为准执行。

二、每个结构段施工之前,将该段内预埋件、预留孔洞进行详细统计,并绘制交底图及表格说明,向施工员和班组长交待清楚,技术交底必须执行复核制。

三、预埋件、预留孔洞应严格控制其中心线位置及标高,中心线及标高线用红漆标示于模板内面或钢筋架上。

四、预留孔模型加工尺寸误差必须符合设计、规范要求,超出范围的要坚决拆除重做。预埋件选用合格材料精心加工。

五、预埋件有防水要求的,除设置好防水板外,穿墙螺栓及穿墙管要设止水环,止水环与螺栓满焊,螺栓靠模板一侧加硬泡沫包裹,拆模后将螺栓齐凹孔底割平,用微膨胀水泥砂浆封堵。

六、模板应支撑牢固,防止因跑模造成预留孔、预埋件的变位。对重要的预埋管孔应采用钢架固定。浇注砼应在管孔周边均匀下料,当砼捣至管孔位置时,要进行复线检查,及时纠正。

七、砼灌注前,主管工程师会同质检人员共同对预埋件、预留孔洞位置进行仔细检查,自检合格后,报请监理工程师验收,签认合格后方可进入下道工序。

八、拆模时注意不损伤孔边,并对孔口尺寸、孔壁垂直度误差超出设计要求之处,进行修补。

九、预留孔用木板堵盖,对接地件处设置隔栏加以保护,并与其它预埋件露出结构面部分一道设置明显标志,以便装修时使用。

 

1.1.3.6                              为确保质量所采取的检测试验手段、措施及质量保证体系

第一节  确保质量所采取的检测试验手段

一、运用科学先进的检测试验手段,落实职责,确保工程质量

㈠ 设安全质量部,设专职质检工程师负责工程质量的检测与监察工作。

㈡ 现场设测量试验中心,由经验丰富的试验人员组成。

㈢ 配备满足本工程需要的检测试验设备。

㈣ 认真执行检测试验人员岗位职责及程序文件中的质量职责,切实做好试验检测工作。

二、认真落实各项管理制度,强化检测试验工作

㈠ 健全检测设备管理制度,建立台帐并设专人管理。

㈡ 执行检测设备按周期检定制度,定期对检测设备进行检定,到期未检定的不准投入使用。

㈢ 建立检测设备的使用、维修管理制度,对设备损坏或检测精度不合要求时,及时进行维修。

㈣ 加强试验文件、资料的管理,设专人负责。

㈤ 坚持对检测试验人员进行培训教育,提高职业素质和业务技术水平。

㈥ 编制检测全过程质量保证流程图,见图Ⅲ-6-1,检测按该流程图进行操作。

三、具体检测试验项目

㈠ 原材料检测

1、对所有购进原材料的出厂合格证和说明书进行验收,并登记记录。

2、对有合格证的原材料进行复验,复验合格的原材料才能使用。

3、经复验不合格的原材料,书面通知物资部门做出标记,隔离存放按不合格品理程序进行处理。

㈡ 对钢筋焊接构件的检测

按规定对焊接钢筋取样进行抗拉和冷弯试验,及时出具试验报告。

㈢ 砼质量监测

1、对商品砼厂家派专人进行监测。

2、检查商品砼配合比单、原材料,抽查各原材料掺量与外加剂含量并作记录,随机抽样检查坍落度。

3、记录砼生产过程参数,如拌和速度、搅拌时间等。

4、测定并记录砼生产时的温度及砼运输到工地时间。

5、检查并监督试验件制作全过程。

㈣ 砼施工现场监测

1、派专人在砼施工时实行全过程监测。

2、施工中要经常检查砼坍落度,和易性。

3、检查砼在运送过程中是否离析,如发生离析现象重新拌制。

4、记录砼运到时间,并与商品砼厂家取得联系,防止使用超过终凝时间的砼。

5、指导作业班组进行砼作业。

6、按规定在现场留作试块,现场试块的强度试验报告要与砼站同批试块的试验报告相一致,否则要查明原因。

㈤ 地下防水工程质量检验

1、防水砼留两组抗渗试块,一组在标准条件下养护,一组在与现场相同条件下养护。

2、检查水泥砂浆防水层的原材料、外加剂、配合比及其分层做法和施工缝位置。

3、检查管道、预埋件穿过防水层地方的渗漏情况。

4、检查施工缝的止水带的堵漏效果。

第二节  质量保证体系与措施

一、定出明确的质量目标,提高全员质量意识

质量原则:上道工序不合格决不允许进入下道工序,质量具有否决权。

质量方针:满足顾客要求为宗旨,实现质量承诺为准则,领先行业标准为目标。

质量目标:工程合格率100%,确保市优质样板工程和省部优工程,争创鲁班奖。

二、执行按GB/T19000-IS09002质量保证模式标准建立的质量体系,开展全面质量管理活动

㈠ 我公司已通过ISO9002质量体系认证,在本工程的施工中严格按ISO9002标准规范质量管理和质量保证行为。

㈡ 实行全面质量管理,开展群众性质量小组活动。

㈢ 确定攻关课题,制定攻关方案。本工程攻关项目为:

1、钻孔桩与旋喷桩施工技术;

2、支撑结构稳定监测技术;

3、梁、板模板的支撑体系;

4、结构防水施工。

㈣ 落实QC小组活动责任制,实行多频次检查指导。

㈤ 运用排列图、因果图、直方图、控制图等统计技术,按照PDCA循环的基本作用方法,分析研究影响质量波动的原因,采取对策,进行控制。

㈥ 定期进行QC小组成果发布,巩固和扩大QC小组活动成果。

三、建立严密的质量保证体系,从组织上确保质量目标实现

㈠ 建立质量管理领导小组

中标后,本投标人将迅速组建项目经理部,项目经理部成立质量领导小组,项目总工程师任领导小组组长,成员由各方面人员组成,包括检测与试验、技术、施工、物资、机械等部门。质检工程师详细情况见人员简历与经验表。质量管理领导小组负责定期召开质量分析会议,检查、分析质量保证计划的执行情况,及时发现问题,研究改进措施,以推动和改进项目经理部所属的质量管理工作。

㈡ 建立质量组织管理体系

为了确保工程质量,在项目经理部实行三级质量管理制度,项目经理部设专职质量检查工程师2人(中级以上职称),每个施工队配专职质检员二人,工班组设工班质检员一人。质量保证体系机构和质量保证体系框图见图Ⅲ-6-2、图Ⅲ-6-3

 

 

 

 

 

 

 

 

 

 

 

 

 

 

 

 

 

 

 

 

 

 

Ⅲ-6-2    质量保证体系机构图

 

㈢ 组建精干的工地试验和测量队伍,配备先进的仪器设备

为了质量目标的实现,本投标人将在正式开工前,首先选派技术水平高、操作熟练的技术人员,配备先进的仪器设备,组建精干的试验室和测量队。试验室负责专项工程试验、原位跟踪测试、施工期测试、复检抽检跟踪检测等工作。测量队负责控制测量、施工期监测、构筑物的定位放样、复测抽测等。

四、建立严格的质量保证制度,从管理上确保计划质量目标的落实

㈠ 建立开工前的技术交底制度

一项工程开工前,必须由主管工程师向全体施工人员进行技术交底,讲清该项工程的设计要求、技术标准、定位方法、几何尺寸、功能作用及与其他工程的关系、施工方法和注意事项等,使全体人员在彻底明了施工对象的情况下投入施工。

㈡ 建立五不施工三不交接制度

五不施工即:未进行技术交底不施工;图纸和技术要求不清楚不施工;测量桩和资料未经换手复核不施工;材料无合格证或试验不合格者不施工;工程不经检查签证不施工。三不交接即:无自检记录不交接;未经专业人员验收合格不交接;施工记录不全不交接。

㈢ 对工序实行严格的三检

三检即:自检、互检、交接检。上道工序不合格,不准进入下道工序,确保各道工序的工程质量。

㈣ 建立严格的隐蔽工程检查签证制度

凡属隐蔽工程项目,首先由班、队、项目部逐级进行自检,自检合格后,应会同监理工程师一起复检,检查结果填入验收表格,由双方签字。

㈤ 建立测量计算资料换手复核制度

测量资料,须经换手复核,最后交项目总工程师审核后报监理工程师批准。现场测量基线、水准点及有关标志均须进行定期复测检验。

㈥ 建立严格的跟踪检测制度

检测工作将按施工跟检复检抽检三种方式进行。

㈦ 建立严格的原材料、成品和半成品进场验收制度

对采购进场的原材料及成品、半成品要由质检工程师组织进行验收。参加验收的人员包括质量、技术、物资部门及施工队的有关人员。

验收的内容包括:进场货物的品种、规格、数量是否符合采购计划;供应厂家的产品合格证或检验报告是否齐全;产品现场质量检查,并填写检查验收记录;取样进行试验,并填写试验报告。

按验收程序收货后分类保管,做好标记并保管好样品。质量检查记录和试验报告要随样品一起保存备查。对检查验收不合格的原材料、成品和半成品,要马上清除出场,不得在场内存放。

㈧ 建立健全原材料、成品、半成品的管理制度

检查合格、同意进场的原材料、成品和半成品要分类、分批堆放,并设立标志和帐卡,坚持按用途归口保管、发放,不得混杂。对易受潮的物品要做好防雨、防潮工作。

㈨ 建立原材料采购制度

原材料采购须制定采购计划。采购计划按技术部门提出的施工总进度计划、施工图纸和技术要求制定。

工程材料(包括施工用料)和设施的采购文件包括以下内容:项目名称、工程使用部位、规格、数量、时间及价格要求;施工合同规定的质量保证规范、标准;工程招标技术规范的要求;运输和交货条件;质量鉴定和检查方法。

按采购计划制定书面的采购定货单,选择供应商,预定交货地点和日期。

㈩ 建立仪器设备的检定制度

测量仪器、试验设备、各种仪器仪表、计量器具按照《中华人民共和国计量法》规定进行定期或不定期的检定。新购置的和在用的计量器具仪器均须进行检定,取得合格证书后方能使用。工地设专人负责计量工作,设立帐卡档案,监督和检查。仪器设备由工地试验室指定专人管理。

(十一) 建立原始资料的积累和保存制度

本工程中的每一单位工程(建筑物、构筑物)都要准备一套完整的质量保证文件和记录。文件包括:质量保证计划;工作程序;技术标准、规范;采购的技术要求。记录包括:基线点、水准点测量验收记录;施工断面记录;各施工工序、项目的检查记录;砼、钢材及各种原材料的试验鉴定记录;预制构件检查记录和出厂合格证;隐蔽工程验收记录;不合格品记录(质量事故报表);审查和处理结果记录;位移沉降观测记录。以及有关质量问题的来往文件和一套完整的设计修改通知书。

质量保证文件和记录应由工程项目(单位工程)负责人负责填写整理,工程结束时装订成册。

质检工程师须将全部工程质量保证文件和记录汇编成册,竣工时随竣工文件移交业主。承包人同时保留一份完整的文件记录,并按规定存入档案。

(十二) 建立质量保证奖惩制度,奖励先进,督促后进。

五、对生产的全过程进行质量监控,在施工的各个环节上严把质量关

㈠ 确保工程材料性能良好

㈡ 制定最佳工艺参数

㈢ 严格按工艺要求进行施工

㈣ 对生产过程进行及时有效的质量监控

 

 

1.1.3.7                              确保环境安全和施工安全的监控量测保证措施

第一节   监控量测组织管理措施

一、监控量测工作在项目总工程师的直接领导下,工程计划部的管理下,成立监测室具体负责监控量测工作。

二、现场监控量测组选派有丰富监测经验的专职工程师两名,由测量队人员参与,配备工程监测所需的先进仪器设备。

三、编制详尽的《工程监测实施性计划》报监理审批,并组织有关人员学习研究。

四、保证各种监测仪器及传感器的精度和可靠性。

五、每个工程项目的监测,保证有完整清晰的监测记录、图表、曲线图和监测文字报告,写出成果分析,报送监理工程师审查。

    第二节   确保环境安全的监控量测保证措施

一、设立环境监测站,配置足够的环境监测仪器,派专人对周边环境空气质量、噪音、粉尘、地表沉降、生态变化、地下水位等项目进行全程监测。

二、严格遵守《中华人民共和国噪声污染防治法》《中华人民共和国噪声标准(建筑施工场地噪声限值)GB12523-90》、《城市区域环境噪声标准》,及深圳市相关规定,采取适当的措施使施工噪声控制在国家噪声标准极限内。设有专业人员随时检查,发现噪声超标立即采取有效措施进行排除。

三、施工中严格遵守《中华人民共和国空气质量标准 GB3095-1996》及深圳市相关规定确保由于施工产生的空气悬浮颗粒(TSP)不超标。设立有害气体定时监测点。

四、设立投诉电话,倾听民众意见,建立起社会环保信息网络,不断改进施工作业方法。

第三节   确保施工安全的监控量测保证措施

一、施工中按设计要求及现场需求做好监测布点,准备好经检验合格的监测仪表,按照动态设计、信息管理的原则,严格按规定频率进行监测。

二、认真做好监测记录,对监测数据及时计算、分析、对比处理,及时向监理部门和有关部门提供量测成果和分析资料,以达到信息化施工的目的。

三、在施工过程中采取有效措施,保护观测点和观测设施。

四、严格按设计技术要求,制定监测方案,提出监测所使用仪器、监测方法、监测精度、测点布置、观测周期等,上报监理审批后实施。

五、对于围护结构桩顶位移或倾斜变形、地表下沉等观测项目,按照工程具体情况须先设定预警值,当发现监测值超过预警值的异常情况时,立即采取补救措施。

第四节   分项工程监控量测措施

一、支护结构内力监测点布置在计算的最大弯矩所在位置和反弯点所在位置等。

二、对邻近建筑物及管线的位移监测、地表沉降监测等从基坑开挖边界起至开挖深度23倍距离为监测范围,从开挖开始到地下结构施工结束止为监测周期。

三、在基坑开挖支护后及时安设测点进行下沉量测、收敛量测、接触应力量测、结构应力监测等工作,根据量测结果判断支护结构的稳定性。

四、现场量测数据及时绘制位移~时间曲线或图表,当位移~时间曲线趋于平缓时,进行数据处理或回归分析,以推算最终位移量和掌握位移变化规律。

五、位移~时间曲线出现反弯点时,表明支护已呈不稳定状态,应加密监视,加强支护,必要时停止开挖进行处理。

1.1.3.8                              安全文明施工保证措施

第一节  安全及防护保证措施

一、建立健全安全生产保证体系

㈠ 在本项目施工中,本承包商成立以项目经理为组长,项目副经理、安全主任为副组长的安全生产领导小组。

㈡ 施工中严格执行深圳市有关安全施工的规定和《深圳地铁工程建设安全生产管理规定》。

㈢ 以施工安全、人身安全、财产安全为首要职责,层层签订安全责任书。

㈣ 严格遵守有关安全生产和劳动保护方面的法律法规和技术标准,建立健全安全生产管理制度,定期检查召开安全会议,发现问题及时解决。

㈤ 制定好安全规划,搞好安全教育,消除事故隐患,把不安全的因素消灭在萌芽状态。

㈥ 施工安全保障组织机构图-8-1,安全生产检查工作程序图Ⅲ-8-2,安全施工生产保证体系图Ⅲ-8-3

二、建立健全各项安全制度及防护措施

在施工中对开挖车辆运输、机械操作、用电、用风、用水等建立作业规章制度,主要应包括以下内容。

1、开挖安全作业规章制度。

2、车辆运输运行安全作业制度。

3、用电安全须知及电路架设养护作业制度。

4、风水管路安装及养护作业制度。

5、各种机械的操作规则及注意事项。

6、施工现场保安制度。

7、有关劳动保护法规的执行措施。

8、工区各种信号的设置规则及维护措施。

三、深化安全教育,强化安全意识。

施工人员上岗前必须进行安全教育和技术培训,根据国家颁布的各种安全规程,结合自己的实践,编印《安全防护规程袖珍手册》,人手一册,使本项目有关安全作业内容和知识牢牢印记在施工人员的脑海中,使全体作业人员在施工作业中按规程办事,确保安全。对作业人员要进行安全作业的考核,考核合格的工人才能进入工作面工作。《安全防护规程手册》的内容主要应包括:

Ⅲ-8-1    施工安全保障组织机构

 

 

 

 

 

 

 

 

 

 

 

 

 

 

 

 

 

 

 

 

 

 

 

 

 

 

 

 

 

 

 

 

 

 

 

 

 

 

 

Ⅲ-8-2    安全生产检查工作程序图

1、防护衣、安全帽、防护鞋袜及其它防护用品的使用;

2、起重机的使用;

3、钻机及旋喷机的使用;

4、汽车驾驶和运输机械的使用;

5、用电安全;

6、地下开挖作业的安全;

7、模板作业的安全;

8、混凝土浇注作业的安全;

9、钢支撑安装作业的安全;

10、机修作业的安全;

11、高空作业的安全;

12、压缩空气作业的安全;

13、焊接和涂漆作业的安全和防护;

14、意外事故和火灾救护程序;

15、防洪和防气象灾害措施;

16、信号和告警知识;

17、其他有关规定。

四、认真实施标准化作业,搞好文明施工。

施工中严肃施工纪律和劳动纪律,杜绝违章指挥与违章操作,保证施工现场安全防护设施的投入,使安全生产建立在科学的管理、先进的技术、可靠的防护设施上,做到文明施工,有条不紊。

五、实施好各种保险措施

㈠ 工程防护保险、工程开工前,本承包人将对工程选用材料和待安装的工程设施进行保险。

㈡ 设备保险:本承包人将对由自己带进现场的属于承包人的设备和设施进行保险。

㈢ 第三方保险:本承包人对由于执行合同而引起的任何人身伤亡和财产损失所负的责任进行保险。

㈣ 工伤事故保险:本承包人将对直接参加本工程的每个施工人员承担保险责任并投保。

六、防火灾措施

㈠ 消除一切可能造成火灾、爆炸事故的根源,严格控制火源、易燃物和助燃物的贮放。

㈡ 生活区及施工现场配备足够的灭火器材,并同当地消防部门联系,加强安全防范工作。

㈢ 在生活区及工地重要电器设施周围,要设置接地或避雷装置,防止雷击起火引起火灾。

㈣ 对职工进行防火安全教育,杜绝职工燃电炉,乱仍烟头的不良习俗。

㈤ 对工地及生活区的照明系统要派人随时检查维修养护,防止漏电失火引起火灾。

七、防汛渡汛措施

设立气象汛情预测站,负责每天向市气象局三防办等有关部门取得密切联系,获取有关气象、汛情、台风等情报资料,并作出科学的预测、分析,为防洪工作的决策、实施提供充分依据。

㈠ 修筑排水防护系统,合理布局,消除事故隐患。在基坑周边、生产房屋周围修建畅通的排水渠道。根据土方开挖情况留设排水沟和集水井,配备足够的水泵将水抽至场外,同时在车道出入口设置挡水截留措施,防止自然地面的水排入基坑。

㈡ 在浇筑砼时,应专人及时了解天气预报,掌握天气变化,安排好作业时间,准备足够的防雨棚布,以防浇筑砼时突遇大雨。

㈢ 机电设备电机要加盖,所有电动工具要加防漏电开关。

㈣ 大风大雨后应对脚手架及其他支撑系统进行检查,有否沉降及歪斜,发现问题及时处理。

㈤ 为防止职工滑倒,上下人的脚手架跑道将设置防滑木方。

八、防台风措施

深圳地处沿海,夏秋两季经常遭受台风袭击,所以在整个工程施工期间,必须做好防台风措施。

㈠ 收听天气预报,做好记录,并与市气象台保持联系,如遇天气变化及时报告,以便采取有效措施。

㈡ 成立台风期间抢险救灾小组,密切注意现场动态,遇有紧急情况,立刻投入现场进行抢救,使损失降到最低。

㈢ 台风前对施工现场办公室、食堂、仓库等临时工程应进行全面详细检查,如有拉结不牢,排水不畅、漏雨、裂缝、变形等情况,应立即采取措施进行处理,问题严重的必须停止使用。风雨过后,应随时检查,发现问题,重点抢修。

㈣ 台风到来之前,小型机具、零星材料要堆放加固好,不能固定的东西要及时搬到建筑物内,电源线路进行仔细检查,发现问题要及时处理,经现场负责人同意后方可复工。

㈤ 作好防范及保护措施,防止工程遭受破坏,在台风到来时,组织紧急小组随时候命,清理冲下来的泥土、泥浆或垃圾。

九、工地保安措施

㈠ 建立健全保安工作体系

项目经理部下设环保治安部,并且组建一支思想觉悟高,身体素质好,具有相应专业技术水平、训练有素的人员组成保安队,在地方公安指导配合下,具体负责和处理一般工地保安事宜,并定期聘请地方公安对保安队进行保安工作教育,提高保安人员的素质。

㈡ 定期召开保安会议,并对施工人员进行教育,健全保安规章制度,做好宣传,使大家自觉遵守保安规定,自觉做好工地保安工作。

㈢ 严格遵守深圳政府有关规定、政策和相应法律,并与地方公安部门密切配合、协同合作,切实做好施工期间的保安工作,使深圳人民满意。

㈣ 工地保安组织体系见图Ⅲ-8-4

 

                                           反映

                               下达命令     情况

 

                           下达命令

                                     

                                    报

                                    情

                                    况

 

 

 

          监            值        不定期        不间断

          视            班         抽 检         巡 逻

 

Ⅲ-8-4  工地保安组织体系图

㈤ 施工期间将建立起强有力的组织、完善的制度、配备训练有素、机智敏捷的队伍,形成严密的主体防御体系。

㈥ 配备先进通讯及交通器材,与深圳政府有关部门协调配合,保持在每天24 小时不间断联系。

㈦ 设立流动岗位和定点岗位,进行工作记录,并提交环保治安部。

㈧ 每天24小时不间断巡逻,发现问题及时向环保治安部负责人汇报。

㈨ 经常检查工地、照明设备及设施,始终保持良好的状态,严防损坏。

㈩ 积极主动地听从业主及政府有关部门对保安工作意见,不断加强工地保安工作的力度。

第二节  文明施工保证措施

一、组织机构与管理规定

㈠ 成立以项目经理为组长的施工现场文明施工领导小组,负责深圳地铁一期工程27标段土建工程文明施工管理工作,并结合实际情况制定文明施工管理细则,报驻地监理批准后实施。

㈡ 施工现场的文明施工管理细则以《深圳地铁文明施工标准及管理规定》《深圳地铁工程施工场地围蔽做法》为基本准则,并加以细化。

㈢ 加强宣传教育工作,提高管理人员及各施工班组文明施工的意识和自觉性,并定期对现场文明施工情况进行检查评比,找出不足,重点改进。

㈣ 做好施工现场总平面设计,报请监理工程师审批,施工中,严格按总平面图布置,不得随意改变,同时根据工程进度,适时对施工现场进行整理和整改。

㈤ 推行现代管理方法,科学组织施工,加强现场文明施工管理,提高文明施工水平,创建文明工地;维护市容整洁和城市安全,使文明施工规范化、标准化、制度化。

㈥ 文明施工组织网络图,见图Ⅲ-8-5

 

 

 

 

 

 

 

 

 

 

 

 

 

 

 

 

 

 

 

 

 

 

 

 

 

 

 

 

 

 

 

 

 

 

 

 

 

 

 

 

 

 

 

 

 

 

 

 

 

 

 

Ⅲ-8-5              文明施工组织网络图

二、文明施工实施措施

㈠ 施工现场设置明显的五牌一图标牌,即:工程概况牌、组织网络牌、安全纪律牌、防火须知牌、文明施工管理牌和施工现场平面布置图。

㈡ 施工现场的主要管理人员在现场佩戴证明其身份的工作证卡,施工人员戴地铁工程工地出入证

㈢ 做好施工现场用电线路、设施的安装和使用管理工作,保证施工安全用电和工地照明。

㈣ 施工机械、车辆按施工总平面布置图规定的位置和路线行驶,各种施工机械进场须安全检查、机械操作人员持证上岗。

㈤ 保持施工现场道路畅通,排水系统处于良好状态,随时清理建筑垃圾,保持场容、场貌整洁。

㈥ 设置各类必要的现场职工生活设施,并符合卫生,照明、通风等要求,职工的膳食、饮用水供应符合卫生要求。

㈦ 做好施工现场的安全保卫工作,采取必要的防盗措施,施工场地按有关规定设置围蔽,建立门卫制度,进入现场实行登记,非施工人员不得进入施工现场。

㈧ 认真执行国家有关安全生产和劳动保护法规,建立安全生产责任制,进行安全教育和宣传,落实安全防护各项工作,设置符合要求的消防设施并保持完好状态。

㈨ 土方须运至专门指定的弃碴场堆放,夜间车辆外运土方时需加盖蓬布。

㈩ 根据工地具体情况,配备必要数量的在医疗急救方面有一定经验的医护人员提供服务,并与当地医疗急救单位取得联系,必要时请予协助。

第三节   环境保护保证措施

一、建立健全强有力的环保监测体系

㈠ 项目部成立环保治安部,配备一定数量的环保专业技术干部组成环境保护队。并注意对环保的管理与宣传,对工地的施工人员加强教育和管理。

㈡ 设立环境监测站,配置足够的环境监测仪器,派专人对周边环境空气质量、噪音、粉尘、地表沉降、生态变化、地下水位等项目进行全程监测。

㈢ 设立投诉电话,倾听民众意见,建立起社会环保信息网络,不断改进施工作业方法。

㈣ 环境保护管理体系见图Ⅲ-8-6

 

 

 

                       

   

                               

                               

              

                                                   

 

 

 

 

 

Ⅲ-8-6    环境保护管理体系图

二、控制噪声污染

㈠ 施工中严格遵守《中华人民共和国噪声污染防治法》《中华人民共和国噪声标准(建筑施工场地噪声限值)GB12523-90》、《城市区域环境噪声标准》及深圳市相关规定,采取适当的措施使施工噪声控制在国家噪声标准极限内。

㈡ 在施工开始前,对用于本工程使用的机械、设备的类型和使用计划进行详细的建筑噪声影响评估,对不合格的机械设备采用消音器、隔音材料、隔音内衬、护板等设法降低噪音。

㈢ 在施工总平面布置时,尽可能合理分布机械设备,避免过于集中,并尽可能远离噪声敏感体,减少噪声对周围环境的影响。

㈣ 在比较固定的动力设备附近,修建临时噪声屏障,减少噪声传播。

㈤ 定期或适时维修不良设备,以减少因松动零件震动或降低噪声部件损坏而产生强烈的噪声。

㈥ 合理安排施工时间,尽量避免安排噪音大的工序在夜间和节假日施工。

㈦ 运输车辆在市区通行时严禁鸣喇叭,避免城市噪声污染。

㈧ 专业人员随时检查,发现噪声超标立即采取有效措施进行排除。

三、减少粉尘污染

㈠ 施工中严格遵守《中华人民共和国空气质量标准 GB3095-1996》及深圳市相关规定,确保由于施工产生的空气悬浮颗粒(TSP)不超标。

㈡ 在设备选型时,选择低污染设备,对可能造成粉尘污染的设备安装空气污染控制系统与设备同步运行。

㈢ 在材料搬运过程中,可能产生粉尘的材料用水处理或喷洒水湿润,工地安装固定喷管系统,在装卸前湿润多尘的物料。

㈣ 运送水泥的车辆装载不得超过挡板,上面用干净的防水布盖严密。

㈤ 砂石料要三边封闭储存,在取走时或堆放新料时要喷水湿润。

㈥ 车辆行驶路线尽量远离易扬尘贮仓,施工道路定期洒水和清扫。

四、保持城市环境卫生

㈠ 安装冲洗设施,确保离开工地的车辆上不能把土、泥、碎片等类似物体带到公共道路上。

㈡ 在未取得业主同意时,不安装任何炉具、锅炉,也不得焚烧能产生烟或其它空气污染物的燃料,禁止在工地点火燃烧残留废物或其它物品。

㈢ 地面冲洗物包括水泥、淤泥和其它悬浮或溶解物质,经处理引入污泥井中,严禁未经处理排放。

㈣ 时刻维护工地内的排水系统,防止污染水流到邻近的地面上,防止工地死水和生活污水积聚。对于施工废水、生活污水必须按设计方案进行废水沉淀处理,然后排放。

㈤ 对工地生活区和施工道路、施工现场每天至少两次喷洒和打扫,生活垃圾弃置在半密封的池中,定期处理,并定期对周围喷药消毒,以防蚊蝇滋生,病毒传播。

㈥ 生活区周围种植花草树木,保护原有景观,各种施工标示牌明了美观,生活住房及工棚等色彩与周围环境相适应,保证工地整洁卫生。

五、环境保护管理措施

㈠ 工地落实门前三包环境保护责任制。

㈡ 确保地面公共设施的安全,妥善保护各类地下管线。

㈢ 中午12时至下午2时,晚11时至第二天早7时,尽量不安排产生噪音的施工作业。

㈣ 明确现场各区域卫生责任人,落实各项除四害措施,严格控制四害滋生。

1.1.3.9                              成品保护的保证措施

一、推行文明施工教育,落实成品保护责任制

㈠ 项目部成立成品保护监察小组,在文明施工领导小组的领导下直接开展工作。

㈡ 基层班组设成品保护员,负责成品、半成品的保护工作,发现问题及时上报并果断处理。

㈢ 定期对管理和操作人员进行文明施工、成品保护教育,提高职工自觉保护成品的质量意识。

㈣ 认真执行《深圳地铁工程现场文明施工管理办法(暂行)》中关于成品保护的有关规定。

㈤ 经常对成品保护工作进行监察,发现被撞、损坏、污染及时采取措施进行纠正处理,对责任人给予通报批评和经济处罚。

㈥ 编制各分项工程成品保护实施细则,对重点工程要仔细研究方案。

㈦ 制定成品保护奖惩办法,用经济手段提高作业人员成品保护意识,促进文明施工水平。

㈧ 成品的采购严格按程序执行,所有成品要有出厂合格证和抽样检验报告单,采购的成品在运输和储存的过程中采取相应的保护措施。

二、加强现场管理,科学组织作业

㈠ 合理安排施工顺序,避免或减少工序间的相互干扰造成损伤和污染,凡下道工序对上道工序会产生损伤污染的,须先采取有效的成品保护措施,否则不许开工。

㈡ 严格按施工总平面布置图中划定的位置堆放成品、半成品及原材料,堆放整齐有序,保护良好。

㈢ 施工视不同情况,分别对成品进行隔离栏保护,用塑料布或塑料纸包裹、彩条布覆盖或对已完工部位进行局部封闭的方法。

㈣ 现场的钢材、水泥、防水材料等半成品须放置于有盖仓库内,并加以支垫,防止雨淋及受潮。

㈤ 凡成品或半成品区域的施工或装卸运输,设专人管理,防止被撞或被刮。

㈥ 对可能被污染的砼部位,一是要进行遮盖,二是要对砼面进行清扫,洒水处理。

㈦ 浇筑砼时,振捣人员不准站在钢筋或模板上振捣,已浇筑的砼要进行覆盖并防止行人踏行。

㈧ 严禁践踏预埋件或将其作为施工受力构件。

㈨ 提倡文明作业,严禁野蛮施工,对野蛮施工的行为要进行制止,一经发现不论是否造成成品损伤,都要给予处分和经济处罚。

1.1.3.10                         对分包商的管理措施

一、管理总则

为确保工程质量,工程的所有分包单位必须具备三级以上(含三级)资质,并且具有同类工程的施工经验。

二、对分包单位的管理措施

㈠ 会同业主、监理单位对拟订的分包单位予以考察,并采取投标方法录用,使所选择的分包单位(含供应厂商)无论资源、管理、经验上应符合工程要求。施工中如发现不能履行合同责任或义务,影响合同目标的兑现时,总包方有权采取一切措施,包括劝其退场,更换分包队伍。

㈡ 所有分包单位及业主指定分包单位进场均必须与总包单位项目经理部签定合乎法律程序且内容具体、完善的分包合同,合同条款应包含业主及监理工程师的要求,严格按合同条款来检查,落实分包单位的责任、义务,尽量减少推诿扯皮现象的出现而贻误工期。

㈢ 实行重奖重罚制度。分包单位如果按照合同条款要求完成委托的工作任务,本承包人将给予重奖,否则将重罚,合同条款将包含此项。

㈣ 本投标人责成各分包单位严格按照总进度计划编制施工进度计划,各分承包方应建立安全、质量、保证体系,经本投标人认可并报监理工程师审批后,纳入本工程项目经理部统一领导,服从总包及业主代表、监理工程师的领导,按总体安排进退场。

㈤ 各分包单位严格执行总包单位制定的施工现场总平面布置和现场文明施工的管理制定,做好施工现场的标准化工作。

㈥ 各分包单位所选用的设备、材料必须经业主代表、监理工程师和总包单位的审定,严禁擅自代用材料和使用劣质材料。

㈦ 各分包单位认真执行行业标准和国家现行规范,施工过程中做好各种试验检查记录,随时接受业主、监理及总包职能部门的工作检查及指令,特别是隐蔽工程检查验收,并认真改进。工程竣工后,要求及时提供完整、真实的施工技术资料。本投标人将派专人负责监控分包商的工作质量。

㈧ 在总体的控制网络计划指导下,加强对专业施工分包单位的计划管理和协调配合,科学安排各工序,实现各工序立体交叉和空间流水作业,确保实现业主要求的工期目标。

㈨ 总包加强对各分包单位的教育,提请分包单位增强员工对产品的保护意识,做到上道工序对下道工序负责,完工产品对业主负责, 使产品不污、不损。加强现场质量管理,重视收尾工作。

㈩ 对于施工中的重点项目,从结构开始施工阶段对这些项目的施工方案和施工条件进行提前研讨确定,以便使这些项目能够顺利的施工,从而减少不必要的成品破坏和返工浪费。

三、对分包单位的协调方式

㈠ 本投标人将严格按合同条款履行自己的义务,为分包商提供工作方便。成立协调联络部,部内设多名联络员分别负责每个分包单位的联络和协调工作,做到凡事有人管,有人帮助解决。并及时为分包单位提供必要的机械设备、零星材料和施工用地。

㈡ 成立专门保卫部门主管各分包单位在生产、生活及消防安全方面的协调管理,并加强对贵重设备、防火安全重点部位等重要部位的监控,减少成品损坏。

㈢ 建立每天下午4点的施工现场生产协调会制度,各分包单位负责人必须准时参加,听取施工协调安排、协调各方及各工种工序穿插有关问题,解决现场生产、安全、质量、 文明施工出现的问题,根据会议决定,各分包单位必须认真执行。

㈣ 由本投标人会同业主代表、监理工程师定期(半月)或不定期地组织对工程节点、工程质量、现场标准化、安全生产、工程技术资料等进行检查制定必要的奖罚制度,奖优罚劣,重奖重罚。

㈤ 项目部以周为单位,提出工程简报,向业主、监理及各有关单位通报工程进展状况及需要解决的问题,使有关方面了解工程的进展情况,及时解决施工中出现的困难和问题。

㈥ 分包单位用水、用电均应向本投标人申请,在本投标人指定的接口位置接表。

㈦ 进场材料、设备均需经本投标人批准并由本投标人指定地点堆放,材料出场也应报本投标人批准,办离场证。

㈧ 分包单位及协作单位的工人在工地食堂搭火要办理就餐卡。

 

1.4.1        安全、质量保证体系框图

 

 

 

 

 

 

 

 

 

 

 

 

 

 

 

 

 

 

 

 

 

 

 

 

 

 

 

 

 

Ⅲ-8-3    安全保证体系框图

 

 

 

 

 

 

 

 

 

 

 

 

                                            不合格                                          不合格

                            合格                                                          合格

                                                                                                                                                                                                                                                                                                                                                                                                                                         成功

 

 

                                                                                                                                                                                                                     不合格                              不合格

                                                                                                                                                                                                      合格                                          合格

 

                                                                                                                                                                                                                                                                                                         合格

 

 

 

                                                                                                                                                                                                                                                            检测条件不合格                                                                                                  不合格

 

 

Ⅲ-6-1    检测过程质量保证流程图

 

 

 

 

 

 

 

 

 

 

 

 

 

 

 

 

 

 

 

 

 

 

 

 

 

 

 

 

Ⅲ-6-3    质量保证体系框图

 

 

星欣设计图库资料专卖店拥有最新最全的设计参考图库资料,内容涉及景观园林、建筑、规划、室内装修、建筑结构、暖通空调、给排水、电气设计、施工组织设计等各个领域的设计素材和设计图纸等参考学习资料。是为广大艺术设计工作者优质设计学习参考资料。本站所售的参考资料包括设计方案和施工图案例已达几十万套以上,总量在数千G以上。

 图库网址http://www.xingsc.cn

ftp://xingxin.oicp.net

联系QQ447255935

电话:13111542600